* Поиск по сайту Вверх Вниз



Начать новую тему Эта тема закрыта, вы не можете редактировать и оставлять сообщения в ней.  [ Сообщений: 49 ]  На страницу Пред.  1, 2, 3, 4  След.
Автор Сообщение
 Заголовок сообщения: Re: Нужны заводские размеры тормозных дисков !!!
СообщениеДобавлено: 12 ноя 2013, 16:46 
Не в сети
модератор
Аватара пользователя

Зарегистрирован: 27 окт 2008, 04:00
Сообщения: 12731
Тем: 15
Откуда: Вятка
Машина: др. Японка
О машине: Toyota Prius 51
Репутация: 2381
Рекламные ссылки. Показывается только незарегистрированным пользователям


glazgow981 писал(а):
:o во у меня ж есть такой, надо глянуть там.... а что тогда нам мешает воткнуть вот эти DF4871?
Нужно еще сравнить диаметр и глубину посадки, иначе он просто упрется в рамку суппорта или не налезет на ступицу. А этих данных нет.

_________________
Vista Ardeo 1999, SV50, D4, Мультик, TV...


Вернуться к началу
 Профиль Отправить email  
Эта тема закрыта, вы не можете редактировать и оставлять сообщения в ней. 

 Заголовок сообщения: Re: Нужны заводские размеры тормозных дисков !!!
СообщениеДобавлено: 12 ноя 2013, 18:52 
Не в сети
Начинающий
Начинающий
Аватара пользователя

Зарегистрирован: 27 май 2013, 12:55
Сообщения: 11
Откуда: Тула
Машина: Toyota Vista Ardeo
О машине: 2000г. 3S-FSE
Репутация: 0
Vyatich писал(а):
glazgow981 писал(а):
:o во у меня ж есть такой, надо глянуть там.... а что тогда нам мешает воткнуть вот эти DF4871?
Нужно еще сравнить диаметр и глубину посадки, иначе он просто упрется в рамку суппорта или не налезет на ступицу. А этих данных нет.

Да. Этих данных нет. Но. если взять во внимание утверждение fei5656 , что тип 1 и тип 2 абсолютно одинаковые, только разница в диаметре диска, то получаем следующее: расхождение по трём параметрам (отмечено красным). Критично ли это?


Вложения:
Комментарий к файлу: тип 1 (DF2683)
тип 1.PNG
тип 1.PNG [ 115.92 КБ | Просмотров: 17017 ]
Комментарий к файлу: предпологаемый тип 2
тип 2.PNG
тип 2.PNG [ 128.14 КБ | Просмотров: 17017 ]
Вернуться к началу
 Профиль Отправить email  
Эта тема закрыта, вы не можете редактировать и оставлять сообщения в ней. 
 Заголовок сообщения: Re: Нужны заводские размеры тормозных дисков !!!
СообщениеДобавлено: 12 ноя 2013, 19:18 
Не в сети
модератор
Аватара пользователя

Зарегистрирован: 27 окт 2008, 04:00
Сообщения: 12731
Тем: 15
Откуда: Вятка
Машина: др. Японка
О машине: Toyota Prius 51
Репутация: 2381
Основное отличие тип 1 275 мм толщина 25мм, тип 2 255мм толщина 22мм. Только я не понял при чем тут тип1 и тип2 если вы спрашивали про DF4871. Они соответствуют тип1, но нужно знать посадочные размеры, или купить и попробовать поставить, число аналогов DF4871 вроде за 20 штук, но каталог ни одного не выдает для тип1.

_________________
Vista Ardeo 1999, SV50, D4, Мультик, TV...


Вернуться к началу
 Профиль Отправить email  
Эта тема закрыта, вы не можете редактировать и оставлять сообщения в ней. 
 Заголовок сообщения: Re: Нужны заводские размеры тормозных дисков !!!
СообщениеДобавлено: 12 ноя 2013, 20:03 
Не в сети
Начинающий
Начинающий
Аватара пользователя

Зарегистрирован: 27 май 2013, 12:55
Сообщения: 11
Откуда: Тула
Машина: Toyota Vista Ardeo
О машине: 2000г. 3S-FSE
Репутация: 0
под тип 1 я подразумевал 255мм. а под тип 2 275мм. на фото 1 указаны размеры и посадочные места для 255мм. (который без проблем встаёт на двиг. 1zz) и если верить, что всё различие - это только диаметр и толщина диска, то критичны ли расхождения на другом рисунке?


Вернуться к началу
 Профиль Отправить email  
Эта тема закрыта, вы не можете редактировать и оставлять сообщения в ней. 
 Заголовок сообщения: Re: Нужны заводские размеры тормозных дисков !!!
СообщениеДобавлено: 12 ноя 2013, 20:26 
Не в сети
модератор
Аватара пользователя

Зарегистрирован: 27 окт 2008, 04:00
Сообщения: 12731
Тем: 15
Откуда: Вятка
Машина: др. Японка
О машине: Toyota Prius 51
Репутация: 2381
Так выше же ответили, что вместо типа1 можно поставить тип2 с заменой тормозной системы передка с типа2. На наших авто тип1 это 275мм.

_________________
Vista Ardeo 1999, SV50, D4, Мультик, TV...


Вернуться к началу
 Профиль Отправить email  
Эта тема закрыта, вы не можете редактировать и оставлять сообщения в ней. 
 Заголовок сообщения: Re: Нужны заводские размеры тормозных дисков !!!
СообщениеДобавлено: 12 ноя 2013, 20:39 
Не в сети
Начинающий
Начинающий
Аватара пользователя

Зарегистрирован: 27 май 2013, 12:55
Сообщения: 11
Откуда: Тула
Машина: Toyota Vista Ardeo
О машине: 2000г. 3S-FSE
Репутация: 0
да это больно накладно выходит новые суппорта, и колодки хз от чего туда потом пихать, куплю наверно один диск. Попробую. Отпишу.


Вернуться к началу
 Профиль Отправить email  
Эта тема закрыта, вы не можете редактировать и оставлять сообщения в ней. 
 Заголовок сообщения: Re: Нужны заводские размеры тормозных дисков !!!
СообщениеДобавлено: 12 ноя 2013, 20:52 
Не в сети
модератор
Аватара пользователя

Зарегистрирован: 27 окт 2008, 04:00
Сообщения: 12731
Тем: 15
Откуда: Вятка
Машина: др. Японка
О машине: Toyota Prius 51
Репутация: 2381
От ZZV50 все.

Добавлено спустя 56 минут 45 секунд:
Для пробы дешевле взять Direct Parts 04620C или Optimal BS-7988. Но они по каталогу идут, так же как и DF4871, на Авенсис и Корону.

_________________
Vista Ardeo 1999, SV50, D4, Мультик, TV...


Вернуться к началу
 Профиль Отправить email  
Эта тема закрыта, вы не можете редактировать и оставлять сообщения в ней. 
 Заголовок сообщения: Re: Нужны заводские размеры тормозных дисков !!!
СообщениеДобавлено: 12 ноя 2013, 22:19 
Не в сети
Давно на форуме
Аватара пользователя

Зарегистрирован: 25 янв 2009, 04:00
Сообщения: 10683
Тем: 155
Откуда: Косопузия (Рязань).
Машина: др. Toyota
О машине: SXU10 5S-FE белая ночь 057
Репутация: 1488
*У меня сейчас есть в наличии диски штатные обоих типов. И задние есть тоже.
Могу промерять любые размеры по ним.
Что-то надо мерять?
Л. :smile: ...

Добавлено спустя 5 минут 24 секунды:
...И вопрос к glazgow981: откуда эти чертежи и размеры?
У меня сильное сомнение, что это размеры именно родных тойотовских sv50\55 дисков. Рисунок\чертёж "предпологаемый тип 2" - вообще не наш и на нашу машинку никак не станет, сами посмотреите.
Могу обосновать.

Л. :smile: ...

_________________
:smoke: Я не парюсь. Уже не курю. Просто люблю на солнце посидеть.
(из личных наблюдений...)


Вернуться к началу
 Профиль  
Эта тема закрыта, вы не можете редактировать и оставлять сообщения в ней. 
 Заголовок сообщения: Re: Нужны заводские размеры тормозных дисков !!!
СообщениеДобавлено: 12 ноя 2013, 22:27 
Не в сети
модератор
Аватара пользователя

Зарегистрирован: 27 окт 2008, 04:00
Сообщения: 12731
Тем: 15
Откуда: Вятка
Машина: др. Японка
О машине: Toyota Prius 51
Репутация: 2381
Нужны размеры аналогов, чтоб сравнить с родными.

_________________
Vista Ardeo 1999, SV50, D4, Мультик, TV...


Вернуться к началу
 Профиль Отправить email  
Эта тема закрыта, вы не можете редактировать и оставлять сообщения в ней. 
 Заголовок сообщения: Re: Нужны заводские размеры тормозных дисков !!!
СообщениеДобавлено: 13 ноя 2013, 13:49 
Не в сети
Начинающий
Начинающий
Аватара пользователя

Зарегистрирован: 27 май 2013, 12:55
Сообщения: 11
Откуда: Тула
Машина: Toyota Vista Ardeo
О машине: 2000г. 3S-FSE
Репутация: 0
fei5656 писал(а):
*У меня сейчас есть в наличии диски штатные обоих типов. И задние есть тоже.
Могу промерять любые размеры по ним.
Что-то надо мерять?
Л. :smile: ...

Добавлено спустя 5 минут 24 секунды:
...И вопрос к glazgow981: откуда эти чертежи и размеры?
У меня сильное сомнение, что это размеры именно родных дисков. Рисунок\чертёж "предпологаемый тип 2" - вообще не наш и на нашу машинку никак не станет, сами посмотреите.
Могу обосновать.

Л. :smile: ...


Чертежи и размеры взяты с оф. сайта Brembo. На первом изображены размеры 255мм диска, который люди ставили без проблем на моторы 1 zz. Я опираясь на Ваше утверждение, что разница только в диаметре, нашел диски изобр. на нижнем рисунке, где расхождения только по 3 параметрам и все они чуть завышены. Сверловка один в один, посадочное место чуть завышено. Сейчас Вы утверждаете, что они никак не встанут. Вопрос : по каким параметрам расхождения?


Вернуться к началу
 Профиль Отправить email  
Эта тема закрыта, вы не можете редактировать и оставлять сообщения в ней. 
 Заголовок сообщения: Re: Нужны заводские размеры тормозных дисков !!!
СообщениеДобавлено: 14 ноя 2013, 06:08 
Не в сети
Давно на форуме
Аватара пользователя

Зарегистрирован: 25 янв 2009, 04:00
Сообщения: 10683
Тем: 155
Откуда: Косопузия (Рязань).
Машина: др. Toyota
О машине: SXU10 5S-FE белая ночь 057
Репутация: 1488
glazgow981 писал(а):
Чертежи и размеры взяты с оф. сайта Brembo. На первом изображены размеры 255мм диска, который люди ставили без проблем на моторы 1 zz. Я опираясь на Ваше утверждение, что разница только в диаметре, нашел диски изобр. на нижнем рисунке, где расхождения только по 3 параметрам и все они чуть завышены. Сверловка один в один, посадочное место чуть завышено. Сейчас Вы утверждаете, что они никак не встанут. Вопрос : по каким параметрам расхождения?


Странная логика. Или я читаю не так.?..
:? :?:
...Чертежи и размеры дисков Brembo взяты с оф. сайта Brembo. Так?

Пусть так. тогда:
Вопрос1: А к дискам TOYOTA они каким ... местом?
Вопрос2: А чертежи и размеры дисков тормозных передних на TOYOTA Vista SV50\55 тип1 и тип2 случайно не имеете?
Просьба: Выложите сюда в тему про размеры дисков TOYOTA пожста и их.
Будет полезно для сообщества. Скажем спасибо.
Л. :smile: ...

_________________
:smoke: Я не парюсь. Уже не курю. Просто люблю на солнце посидеть.
(из личных наблюдений...)


Вернуться к началу
 Профиль  
Эта тема закрыта, вы не можете редактировать и оставлять сообщения в ней. 
 Заголовок сообщения: Re: Нужны заводские размеры тормозных дисков !!!
СообщениеДобавлено: 14 ноя 2013, 13:39 
Не в сети
Начинающий
Начинающий
Аватара пользователя

Зарегистрирован: 27 май 2013, 12:55
Сообщения: 11
Откуда: Тула
Машина: Toyota Vista Ardeo
О машине: 2000г. 3S-FSE
Репутация: 0
Нуууу мы уже куда-то не в ту сторону поворачиваем.

Вопрос1:"Каким местом?" Неужели Вы думаете, что всемирный производитель компонентов тормозной системы Brembo не делает аналоги для автомобилей Тойота? (я бы мог взять любого производителя будь то TRW, TEXTAR, OTTO ZIMMERMAN, и куча других, просто BREMBO на своём оф. сайте предоставляет полный расклад по размерам дисков (как Вы видите в посте выше)

Вопрос2: Размеров оригинальных дисков Тойота с конструкционным номером 43512-32311 я не имею! Имеете их Вы. Для этого я и выложил схему, что бы выяснить по каким параметрам имеют расхождения оригинальные диски (275мм) и аналог от Brembo, представленный на схеме "предпологаемый тип 2".

Пока я не вижу критических расхождений в размерах, если верить утверждению, что они одинаковые с 255мм? Убедите меня в обратном, обоснуйте, как Вы говорили выше.....

И встречный вопрос: откуда у Вас информация:

fei5656 писал(а):
Ethnica писал(а):
а есть размеры оригинального диска?

на 255й (тип1)? или на 275й (тип2)?
Они одинаковые полностью, только внешний диаметр разный, 255мм у одного и 275мм у второго.
А так больше ничем не отличаются.
:smile: ...


Вернуться к началу
 Профиль Отправить email  
Эта тема закрыта, вы не можете редактировать и оставлять сообщения в ней. 
 Заголовок сообщения: Re: Нужны заводские размеры тормозных дисков !!!
СообщениеДобавлено: 15 ноя 2013, 00:56 
Не в сети
Давно на форуме
Аватара пользователя

Зарегистрирован: 25 янв 2009, 04:00
Сообщения: 10683
Тем: 155
Откуда: Косопузия (Рязань).
Машина: др. Toyota
О машине: SXU10 5S-FE белая ночь 057
Репутация: 1488
Диалога, увы - не получилось. Отвечать вопросами на вопросы?...
Что-то мне это не интересно, уж поверьте.
:?!...

*Небольшое напоминание: данная тема с названием: "Нужны заводские размеры тормозных дисков!!!" создана автором DEN977 для конкретных им указанных целей (см. 1й пост), создана на форуме владельцев именно TOYOTA Vista (Виста-вОдов), т.е. имеет свою конкретно обозначенную направленность. А потому, менять тематику помимо воли автора, умышленно уводить ее\тему в ином направлении, некорректно как в отношении автора, так и в отношении форумчан. Правила форума не рекомендуют этого делать. Правила форума, вместе с тем, не запрещают создание иных тем, в которых будут обсуждаться иные вопросы, аналогичного направления. При полной аналогии\повторяемости новой темы, либо близкой с предыдущими темамами, модератор раздела имеет полное право темы объеденить.

*Небольшая рекомендация: по вопросу сравнения тормозных дисков Брембо с другими дисками других производителей, желательно создание тем на форуме например "Брембо-вОзов", там это будет более полезно и уместно, чем на нашем форуме.

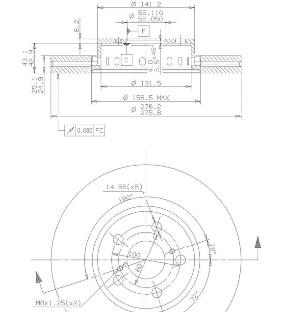
Да, и по поводу критических расхождений в размерах и выложенных чертежах\размерах.
Подтверждаю, что указанный на чертеже диск от Брембо (тип2) не станет на штатную подвеску и работать нормально не будет, а указанный на чертеже диск от Брембо (тип1) станет и работать может быть будет, но очень не долго и абсолютно не нормально.
Смотрите сами.
Что мы имеем по этим дискам в соотношении к штатному диску?
В соответствии с прилагаемыми размерами мы имеем 2 важных размера, это полная высота диска и глубина посадки диска на ступицу, при условии что толщина дисков 25мм у обоих Брембо и 23мм у штатного обеспечат работу тормозов. Для 3х вариантов дисков (тип1брембо, тип2брембо и штатный) мы имеем эти размеры: 49,2\24,2. 49,2\24,2. и 49,5\26,5.
Что это значит? Это значит:
1). диск тип1брембо станет на ступицу, но из-за меньшей глубины посадки по отношению к штатному, будет либо тереть по скобе суппорта внешней стороной, либо тереть не будет, но износ внешней торм.колодки будет значительнее износа колодки внутренней, что приведёт не только к ее более быстрому стиранию, но и к постоянному перегреву соприкосающейся с ней стороны диска, а это -деформация диска и выброс на утиль.
2). диск тип2брембо может быть и станет на ступицу, но работать он не будет, т.к. не только имеющий аналогичные показатели в соотношении полная глубина\глубина посадки, НО и потому, что устройство внутренней части этого диска имеет совершенно иную конфигурацию и размеры, что я выделил жёлтым цветом на всех трех дисках, посмотрите сами внимательно.

чертежи\эскиз\размеры с желтыми выделениями указанных размеров и особенностей устройства прилагаю.
:smile: ...

Удачи на дорогах!
:smile: ...


Вложения:
тип 1.PNG
тип 1.PNG [ 28.48 КБ | Просмотров: 16965 ]
1....jpg
1....jpg [ 10.74 КБ | Просмотров: 16965 ]
тип 2.PNG
тип 2.PNG [ 36.87 КБ | Просмотров: 16965 ]

_________________
:smoke: Я не парюсь. Уже не курю. Просто люблю на солнце посидеть.
(из личных наблюдений...)
Вернуться к началу
 Профиль  
Эта тема закрыта, вы не можете редактировать и оставлять сообщения в ней. 
 Заголовок сообщения: Re: Нужны заводские размеры тормозных дисков !!!
СообщениеДобавлено: 16 дек 2013, 15:39 
Не в сети
Начинающий
Начинающий
Аватара пользователя

Зарегистрирован: 27 май 2013, 12:55
Сообщения: 11
Откуда: Тула
Машина: Toyota Vista Ardeo
О машине: 2000г. 3S-FSE
Репутация: 0
Итак. Куплены тормозные диски SBS с номером 204595 это которые полный аналог обсуждаемых выше DF4871 и BREMBO 09.9790.10
Передние тормозные колодки NIBK PN1430


Вложения:
Комментарий к файлу: По посадочным местам всё встало отлично. Нигде ничего не задевает и т.п.
IMG_20131215_150317.jpg
IMG_20131215_150317.jpg [ 28.81 КБ | Просмотров: 16926 ]
Комментарий к файлу: Далее берём скобу и стачиваем напильником так называемый "нарост", примерно 1-1,5 мм, до ровной поверхности. При установке скобы, для выравнивания зазоров между диском и скобой подкладываем шайбы, у меня под рукой были от сливных пробок любой Тойоты (Европа)
IMG_20131215_151849.jpg
IMG_20131215_151849.jpg [ 51.17 КБ | Просмотров: 16926 ]
Комментарий к файлу: Берём эти пластины и стачиваем болгарочкой то, что указано стрелкой.
IMG_20131215_182316.jpg
IMG_20131215_182316.jpg [ 33.35 КБ | Просмотров: 16926 ]
Комментарий к файлу: Получаем вот такой пейзаж и пользуемся долгое время.
На момент написания поста проехал около 200км. ВСЁ ОТЛИЧНО!!!!

IMG_20131215_154410.jpg
IMG_20131215_154410.jpg [ 29.59 КБ | Просмотров: 16926 ]
Вернуться к началу
 Профиль Отправить email  
Эта тема закрыта, вы не можете редактировать и оставлять сообщения в ней. 
 Заголовок сообщения: Re: Нужны заводские размеры тормозных дисков !!!
СообщениеДобавлено: 16 дек 2013, 17:15 
Не в сети
Давно на форуме
Аватара пользователя

Зарегистрирован: 25 янв 2009, 04:00
Сообщения: 10683
Тем: 155
Откуда: Косопузия (Рязань).
Машина: др. Toyota
О машине: SXU10 5S-FE белая ночь 057
Репутация: 1488
Нет слов. Молодец! :good: ....

_________________
:smoke: Я не парюсь. Уже не курю. Просто люблю на солнце посидеть.
(из личных наблюдений...)


Вернуться к началу
 Профиль  
Эта тема закрыта, вы не можете редактировать и оставлять сообщения в ней. 

Показать сообщения за:  Поле сортировки  
Начать новую тему Эта тема закрыта, вы не можете редактировать и оставлять сообщения в ней.

 [ Сообщений: 49 ]  На страницу Пред.  1, 2, 3, 4  След.





* Поиск по сайту Вверх Вниз

Кто сейчас на конференции

Сейчас этот форум просматривают: нет зарегистрированных пользователей и гости: 1


Вы не можете начинать темы
Вы не можете отвечать на сообщения
Вы не можете редактировать свои сообщения
Вы не можете удалять свои сообщения
Вы не можете добавлять вложения

Найти:
Перейти:  
Текущее время: 17 май 2026, 18:56
Часовой пояс: UTC + 7 часов
Powered by phpbb. (c) VistaClub.ru.    * Статистика