* Поиск по сайту Вверх Вниз



Начать новую тему Ответить на тему  [ Сообщений: 20 ]  На страницу 1, 2  След.
Автор Сообщение
 Заголовок сообщения: Как поставить магнитолу, если провода обрезаны
СообщениеДобавлено: 26 фев 2009, 23:18 
Не в сети
Специалист
Специалист
Аватара пользователя

Зарегистрирован: 13 авг 2008, 03:00
Сообщения: 226
Тем: 38
Откуда: Балашиха Московской области
Машина: др. Японка
О машине: Mazda Demio
Репутация: 7
Рекламные ссылки. Показывается только незарегистрированным пользователям


Украли магнитолу и обрезали часть проводов, посоветуйте как определить какие провода и как подключать?


Вернуться к началу
 Профиль Отправить email  
Ответить на тему 

 Заголовок сообщения: Re: Как поставить магнитолу, если провода обрезаны
СообщениеДобавлено: 27 фев 2009, 01:51 
Не в сети
Специалист
Специалист
Аватара пользователя

Зарегистрирован: 11 фев 2008, 04:00
Сообщения: 331
Тем: 11
Откуда: Челябинск
Репутация: 39
vk писал(а):
Украли магнитолу и обрезали часть проводов, посоветуйте как определить какие провода и как подключать?

весЕЛЫЙ вопрос :).
1. Как определить - естественно тестером.
2. какие провода - разноцветные..
3. Как подключать - скруткой. По хорошему -с пропайкой. И Изолентой сверху. Либо термоусадкой. Больше двух вместе не скручивать :)

А если без хохмы, то вот таким макаром. Выключаем зажигание.

Тестер в режим вольтметра. Минусовой щуп на массу, например на замок зажигания или корпус прикуривателя. Плюсовым щупом ищем провод, на котором всегда +12 В. Это B+ по европейской маркировке, красный.

Включаем зажигание. Ищем провод, на котором появились +12. Это ACC. желтый.

Включаем габариты. Снова ищем +12. Это подсветка магнитолы. Цвет вроде розовый по Европе (поправьте, если не так).

Снова выключаем зажигание. Тестер в режиме прозвонки или омметра. Минусовая клемма тестера там-же, плюсовой шаримся по оставшимся проводам, ищем замыкание (низкое сопротивление, порядка 1 ома.) Найденный провод - земля. Черный по Европе.

Дальше ищем акустику. Минусовой провод тестера на любой из оставшихся проводов. Тестер в режиме омметра. Другим щупом перебираем по очереди все остальные. Находим сопротивление около 4-6 ом. Это колонка. Помечаем эти проводочки. Убираем в сторону. Процедуру повторяем 2-4-6 раз (по количеству колонок).

фсе :). Берем инструкцию от новой магнитолы, берем новый евроразьем (либо не евро, что маловероятно), и прикручиваем плюсы и минусы. Теперь магнитолу можно включать на коленках. Включили. Берем из разъема два провода с любого колоночного выхода, и кратковременно касаемся наших обрезанных проводов от колонок, чтобы понять - где-же какая играет.

Далее делаем так: цепляем накрепко например переднюю левую колонку. Слушаем музыку. Цепляем временно переднюю правую. послушали несколько секунд, обратили внимание на глубину баса. Перевернули местами провода. Снова послушали. Если баса стало сильно меньше - переворачиваем обратно и прикручиваем намертво. Если стало больше- то ничего не переворачиваем, сразу прикручиваем.

Дальше метода разнится. Я делаю так: сдвигаю баланс на магнитоле например влево. Играет только передняя левая колонка. Прицепляю заднюю левую. И снова слушаем звук. Переворачиваем, слушаем. Выбираем более глубокое и четкое звучание. Прикручиваем временно .Возвращаем баланс на ноль. Фейдер сдвигаем на чистый зад, без переда. Подцепляем последнюю заднюю правую колонку. И снова слушаем, переворачиваем. Добиваемся глубины.

Все. Баланс по центру, фейдер по центру, слушаем. Если что-то не то, режет ухо каким-то неестественным объемом - значит где-то перепутали фазу. Скорее всего сзади. Переворачиваем провода от обеих задних колонок одновременно, слушаем. Добиваемся красоты. Прикручиваем намертво.


После этих всех процедур может остаться кучка "лишних" проводов. С разъемом от антены - воткнуть в подходящее гнездо. Питание внешней активной антены - лучше самому никуда не втыкать. Выход на сабы-усилки - тоже лучше не лазить..

И вообще - довертесь профессионалам :) Ибо мало того, что описано только для самого стандартного случая, дык еще и сильно упрощено.
НЕ считая вполне реальной возможности спалить предохранители, магнитолу и провода.

_________________
Kia Soul 2U 1.6l 2011
Toyota Ardeo 1ZZ 180S 99.
Toyota Carina AT190 4A-FE Lb SXi 92
Ford Scorpio OHC 2.0 Gl 86


Вернуться к началу
 Профиль Отправить email  
Ответить на тему 
 Заголовок сообщения:
СообщениеДобавлено: 27 фев 2009, 06:11 
Не в сети
Гуру
Гуру
Аватара пользователя

Зарегистрирован: 08 авг 2007, 03:00
Сообщения: 1169
Тем: 42
Откуда: Хабаровск
Репутация: 86
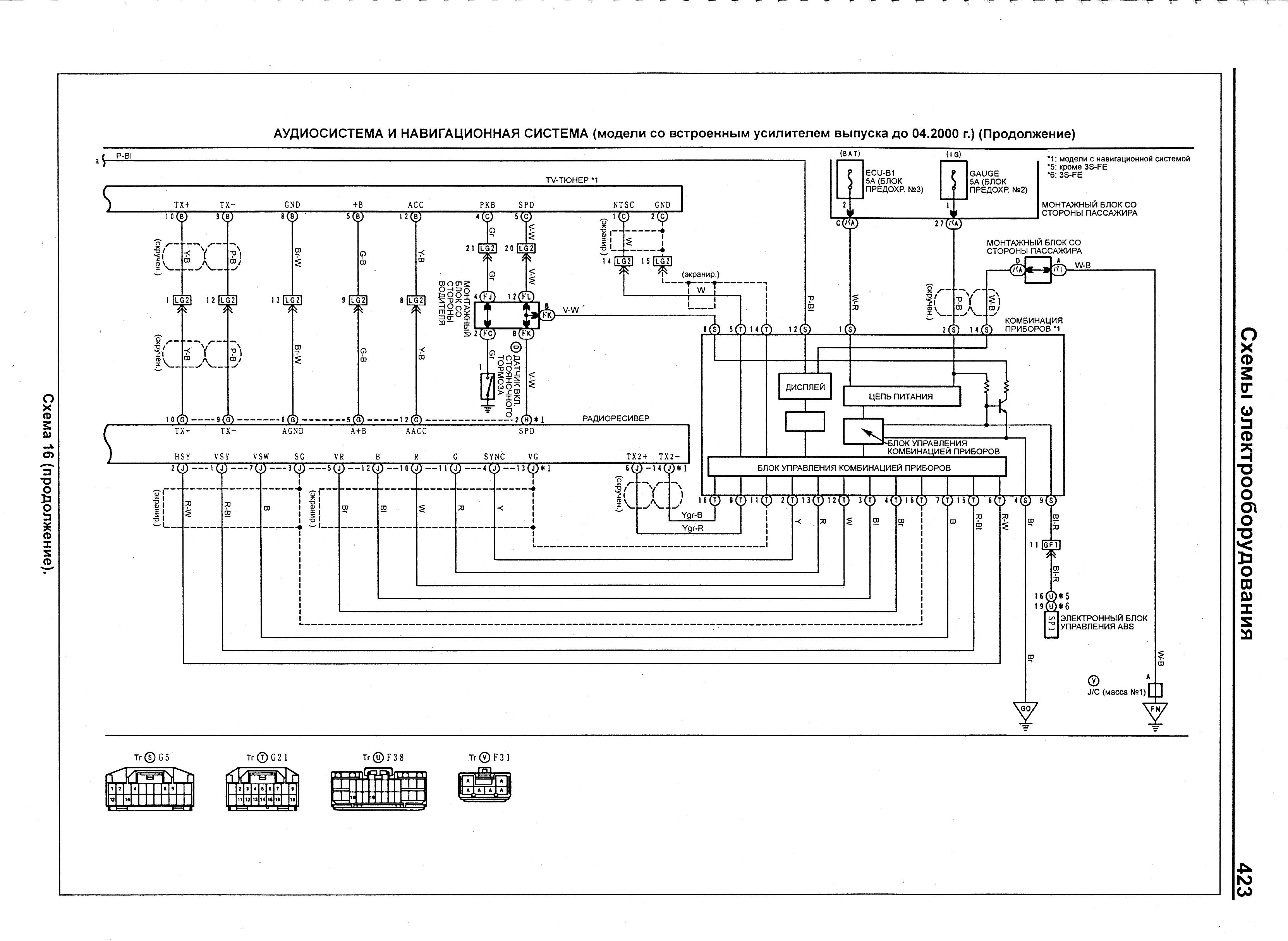
До рестайлинг или после? Берешь схему, там все провода подписаны по цветам.
Вот схема на до и после рестайлинг:


Вложения:
Image-30.gif
Image-30.gif [ 252.38 КБ | Просмотров: 5604 ]

_________________
А связь у меня никогда не обpыва¬%Я(¦P^1AZFSE NO CARRIER
Вернуться к началу
 Профиль  
Ответить на тему 
 Заголовок сообщения:
СообщениеДобавлено: 27 фев 2009, 06:13 
Не в сети
Гуру
Гуру
Аватара пользователя

Зарегистрирован: 08 авг 2007, 03:00
Сообщения: 1169
Тем: 42
Откуда: Хабаровск
Репутация: 86
Еще


Вложения:
Image-31.gif
Image-31.gif [ 208.45 КБ | Просмотров: 5489 ]

_________________
А связь у меня никогда не обpыва¬%Я(¦P^1AZFSE NO CARRIER
Вернуться к началу
 Профиль  
Ответить на тему 
 Заголовок сообщения:
СообщениеДобавлено: 27 фев 2009, 06:21 
Не в сети
Гуру
Гуру
Аватара пользователя

Зарегистрирован: 08 авг 2007, 03:00
Сообщения: 1169
Тем: 42
Откуда: Хабаровск
Репутация: 86
Еще


Вложения:
Image-49.gif
Image-49.gif [ 397.02 КБ | Просмотров: 5472 ]
Image-50.gif
Image-50.gif [ 389.05 КБ | Просмотров: 5463 ]
Image-51.gif
Image-51.gif [ 155.43 КБ | Просмотров: 5469 ]

_________________
А связь у меня никогда не обpыва¬%Я(¦P^1AZFSE NO CARRIER
Вернуться к началу
 Профиль  
Ответить на тему 
 Заголовок сообщения:
СообщениеДобавлено: 27 фев 2009, 13:54 
Не в сети
Местный
Местный
Аватара пользователя

Зарегистрирован: 01 янв 2006, 04:00
Сообщения: 10044
Тем: 182
Откуда: ХМАО Роман
Машина: др. неЯпонка
О машине: Volkswagen Tiguan
Репутация: 710
Так тогда надо было и расшифровку цветов из книги выложить.

_________________
Управлял шесть лет японской мечтой - Toyota Vista Ardeo, теперь управляю немецкой мечтой - DAS AUTO.


Вернуться к началу
 Профиль  
Ответить на тему 
 Заголовок сообщения:
СообщениеДобавлено: 27 фев 2009, 15:30 
Не в сети
Гуру
Гуру
Аватара пользователя

Зарегистрирован: 08 авг 2007, 03:00
Сообщения: 1169
Тем: 42
Откуда: Хабаровск
Репутация: 86
vromi писал(а):
Так тогда надо было и расшифровку цветов из книги выложить.

Открыв словарь английского языка можно понять, что Y - Yellow, Br - Brown R - Red и т.д.
У меня нет отсканированной цветовой раскраски страницы. Можно с форума книгу скачать и там посмотреть.

_________________
А связь у меня никогда не обpыва¬%Я(¦P^1AZFSE NO CARRIER


Вернуться к началу
 Профиль  
Ответить на тему 
 Заголовок сообщения:
СообщениеДобавлено: 27 фев 2009, 22:05 
Не в сети
Местный
Местный
Аватара пользователя

Зарегистрирован: 01 янв 2006, 04:00
Сообщения: 10044
Тем: 182
Откуда: ХМАО Роман
Машина: др. неЯпонка
О машине: Volkswagen Tiguan
Репутация: 710
У меня то-же нету отсканированной цветовой раскраски страницы, есть как у всех у кого есть книга - чёрнобелая. Ну ладно, я выложу, раз уже пошла такая тема, доделаю твоё начинание.


Вложения:
Цвета проводов.jpg
Цвета проводов.jpg [ 151.09 КБ | Просмотров: 5529 ]

_________________
Управлял шесть лет японской мечтой - Toyota Vista Ardeo, теперь управляю немецкой мечтой - DAS AUTO.
Вернуться к началу
 Профиль  
Ответить на тему 
 Заголовок сообщения:
СообщениеДобавлено: 28 фев 2009, 00:23 
Не в сети
Специалист
Специалист
Аватара пользователя

Зарегистрирован: 11 фев 2008, 04:00
Сообщения: 331
Тем: 11
Откуда: Челябинск
Репутация: 39
Все мы супер, все молодцы.. Сижу вот немного припухший. С глупым вопросом в голове : а чо, пацанва начала наконец тырить магнитолы типа нашей ? Чего они потом с ними делают ? :). В радиокружок на детальки носят видимо... Вот уроды.. Ее ведь еще выдернуть надо умудриться. Панельку поддеть, и 4 болта в глубине.. :(...

_________________
Kia Soul 2U 1.6l 2011
Toyota Ardeo 1ZZ 180S 99.
Toyota Carina AT190 4A-FE Lb SXi 92
Ford Scorpio OHC 2.0 Gl 86


Вернуться к началу
 Профиль Отправить email  
Ответить на тему 
 Заголовок сообщения:
СообщениеДобавлено: 28 фев 2009, 01:44 
Не в сети
Гуру
Гуру
Аватара пользователя

Зарегистрирован: 31 окт 2006, 04:00
Сообщения: 1393
Тем: 7
Откуда: Кемеровская обл., Прокопа
Машина: др. Toyota
Репутация: 100
Так а что за авто-то? Может и схемы не те и мафон не тот...
1_raz_Ky общий принцип прозвонки правильно излагает!..

_________________
VISTA SV50 2WD 3S-FSE 06/98
PREMIO ZZT245 4WD 1ZZ-FE 12/02
Toyota forever!


Вернуться к началу
 Профиль  
Ответить на тему 
 Заголовок сообщения:
СообщениеДобавлено: 28 фев 2009, 01:45 
Не в сети
Местный
Местный
Аватара пользователя

Зарегистрирован: 01 янв 2006, 04:00
Сообщения: 10044
Тем: 182
Откуда: ХМАО Роман
Машина: др. неЯпонка
О машине: Volkswagen Tiguan
Репутация: 710
На самом деле снимается за пять минут если знать как и не понимаю зачем провода то резать? Там все на разъемах. А им еще разъемы нужны, уродам. и ведь наверняка на сайте тоже бывают.

_________________
Управлял шесть лет японской мечтой - Toyota Vista Ardeo, теперь управляю немецкой мечтой - DAS AUTO.


Вернуться к началу
 Профиль  
Ответить на тему 
 Заголовок сообщения:
СообщениеДобавлено: 28 фев 2009, 02:48 
Не в сети
Гуру
Гуру
Аватара пользователя

Зарегистрирован: 31 окт 2006, 04:00
Сообщения: 1393
Тем: 7
Откуда: Кемеровская обл., Прокопа
Машина: др. Toyota
Репутация: 100
Да разве загашенными шарами можно увидеть какие-то разъёмы, а усохшими руками их ещё суметь и отключить? Рви и реж... А потом таксистам - мужик купи на волгу мафон, с япошки бля!..

_________________
VISTA SV50 2WD 3S-FSE 06/98
PREMIO ZZT245 4WD 1ZZ-FE 12/02
Toyota forever!


Вернуться к началу
 Профиль  
Ответить на тему 
 Заголовок сообщения:
СообщениеДобавлено: 28 фев 2009, 13:55 
Не в сети
Местный
Местный
Аватара пользователя

Зарегистрирован: 01 янв 2006, 04:00
Сообщения: 10044
Тем: 182
Откуда: ХМАО Роман
Машина: др. неЯпонка
О машине: Volkswagen Tiguan
Репутация: 710
Нет я думаю те кто залазит в иномарки, работает по конкретным моделям, а потом нам же и будут продавать магнитолу и возможно даже на форуме в разделе продаю. Ставьте метки на магнитолы что бы потом распознать её :)

_________________
Управлял шесть лет японской мечтой - Toyota Vista Ardeo, теперь управляю немецкой мечтой - DAS AUTO.


Вернуться к началу
 Профиль  
Ответить на тему 
 Заголовок сообщения:
СообщениеДобавлено: 01 мар 2009, 04:29 
Не в сети
Специалист
Специалист

Зарегистрирован: 05 апр 2008, 03:00
Сообщения: 310
Тем: 14
Откуда: Столица нашей родины
Машина: Toyota Vista Ardeo
Репутация: 0
вот это мысль-метим номер кузова в магнитолах и другое ходовое к примеру ТНВД :lol: .В случае чего доказать можно в разборках или где нить в всплывшем агрегате :wink: :!: ....ибо объявить розыск ,кодовое слово кузов ХХХ-ХХХХ через наш форум если проявим сплоченность,ведь крутые владельцы Висты тусуются здесь :wink:

_________________
Ардэо D4-1AZ


Вернуться к началу
 Профиль  
Ответить на тему 
 Заголовок сообщения:
СообщениеДобавлено: 01 мар 2009, 12:19 
Не в сети
Местный
Местный
Аватара пользователя

Зарегистрирован: 01 янв 2006, 04:00
Сообщения: 10044
Тем: 182
Откуда: ХМАО Роман
Машина: др. неЯпонка
О машине: Volkswagen Tiguan
Репутация: 710
а чем метить? если увидят - перебьют номера.

_________________
Управлял шесть лет японской мечтой - Toyota Vista Ardeo, теперь управляю немецкой мечтой - DAS AUTO.


Вернуться к началу
 Профиль  
Ответить на тему 

Показать сообщения за:  Поле сортировки  
Начать новую тему Ответить на тему

 [ Сообщений: 20 ]  На страницу 1, 2  След.





* Поиск по сайту Вверх Вниз

Кто сейчас на конференции

Сейчас этот форум просматривают: нет зарегистрированных пользователей и гости: 0


Вы не можете начинать темы
Вы не можете отвечать на сообщения
Вы не можете редактировать свои сообщения
Вы не можете удалять свои сообщения
Вы не можете добавлять вложения

Найти:
Перейти:  
Текущее время: 01 май 2026, 12:47
Часовой пояс: UTC + 7 часов
Powered by phpbb. (c) VistaClub.ru.    * Статистика