* Поиск по сайту Вверх Вниз



Начать новую тему Ответить на тему  [ Сообщений: 41 ]  На страницу Пред.  1, 2, 3  След.
Автор Сообщение
 Заголовок сообщения: Re: 3s-fe плохо набирает обороты. не стабильные, завышенные ХХ...
СообщениеДобавлено: 23 ноя 2024, 19:57 
Не в сети
модератор
Аватара пользователя

Зарегистрирован: 27 окт 2008, 04:00
Сообщения: 12728
Тем: 15
Откуда: Вятка
Машина: др. Японка
О машине: Toyota Prius 51
Репутация: 2381
Рекламные ссылки. Показывается только незарегистрированным пользователям


На нижней на 0, верхняя на вторую метку по часовой стрелке если две метки на корпусе. Так же первый раз попал при установке грм. Зажигание если выставлять на слух, то нужно предварительно перемкнуть контакты в диагностическом разъеме.

_________________
Vista Ardeo 1999, SV50, D4, Мультик, TV...


Вернуться к началу
 Профиль Отправить email  
Ответить на тему 

 Заголовок сообщения: Re: 3s-fe плохо набирает обороты. не стабильные, завышенные ХХ...
СообщениеДобавлено: 23 ноя 2024, 22:38 
Не в сети
Любитель
Любитель

Зарегистрирован: 26 дек 2022, 18:12
Сообщения: 27
Тем: 3
Откуда: Саратов
Машина: др. Toyota
О машине: Toyota RAV4 1996г
Репутация: 0
Проверил метки, по нижней крышке ГРМ метка шкива стоит между 5 и 10 градусов, но не на 0. Это как бы на один зуб смещена...?

Добавлено спустя 1 минуту 43 секунды:
Проверил метки, по нижней крышке ГРМ метка шкива стоит между 5 и 10 градусов, но не на 0. Это как бы на один зуб смещена...?


Вернуться к началу
 Профиль Отправить email  
Ответить на тему 
 Заголовок сообщения: Re: 3s-fe плохо набирает обороты. не стабильные, завышенные ХХ...
СообщениеДобавлено: 23 ноя 2024, 23:20 
Не в сети
модератор
Аватара пользователя

Зарегистрирован: 27 окт 2008, 04:00
Сообщения: 12728
Тем: 15
Откуда: Вятка
Машина: др. Японка
О машине: Toyota Prius 51
Репутация: 2381
В смысле? Выставляете шкив на 0 и смотрите метку распредвала и там уже видно на сколько не попали.

_________________
Vista Ardeo 1999, SV50, D4, Мультик, TV...


Вернуться к началу
 Профиль Отправить email  
Ответить на тему 
 Заголовок сообщения: Re: 3s-fe плохо набирает обороты. не стабильные, завышенные ХХ...
СообщениеДобавлено: 23 ноя 2024, 23:51 
Не в сети
Любитель
Любитель

Зарегистрирован: 26 дек 2022, 18:12
Сообщения: 27
Тем: 3
Откуда: Саратов
Машина: др. Toyota
О машине: Toyota RAV4 1996г
Репутация: 0
Я по звездочке распредвала смотрел, через круглое отверстие на щупал прорезь, совместив ее, смотрел уже на метку шкива, которая находилась между 5 и 10 градусов. Получается что пол зуба не совпадает.Может даже ближе к 10. Сложно было нащупать прорезь на корпусе, зеркальца меньше не было.


Вернуться к началу
 Профиль Отправить email  
Ответить на тему 
 Заголовок сообщения: Re: 3s-fe плохо набирает обороты. не стабильные, завышенные ХХ...
СообщениеДобавлено: 24 ноя 2024, 00:26 
Не в сети
модератор
Аватара пользователя

Зарегистрирован: 27 окт 2008, 04:00
Сообщения: 12728
Тем: 15
Откуда: Вятка
Машина: др. Японка
О машине: Toyota Prius 51
Репутация: 2381
Так если на корпусе две метки грм, одна из них прорезь, вторая точка, но если вы желаете выставить сначала метку сверху, а потом подводить нижнюю, то для этого нужно скинуть шкив с коленвала и нижнюю крышку грм, тогда и увидите расхождение в зубьях по грм. Только не понятно чем не устраивает установить 0 и посмотреть на распредвале расхождение?.

_________________
Vista Ardeo 1999, SV50, D4, Мультик, TV...


Вернуться к началу
 Профиль Отправить email  
Ответить на тему 
 Заголовок сообщения: Re: 3s-fe плохо набирает обороты. не стабильные, завышенные ХХ...
СообщениеДобавлено: 24 ноя 2024, 00:45 
Не в сети
Любитель
Любитель

Зарегистрирован: 26 дек 2022, 18:12
Сообщения: 27
Тем: 3
Откуда: Саратов
Машина: др. Toyota
О машине: Toyota RAV4 1996г
Репутация: 0
Я вторую точку не нашел на корпусе

Добавлено спустя 8 минут 40 секунд:
Не понял на шестерня распредвала, где находится прорезь и метка? Я только нашел круглое отверстие, и через него совмещал с прорезью на корпусе


Вложения:
0333.jpg
0333.jpg [ 93.79 КБ | Просмотров: 8819 ]
Вернуться к началу
 Профиль Отправить email  
Ответить на тему 
 Заголовок сообщения: Re: 3s-fe плохо набирает обороты. не стабильные, завышенные ХХ...
СообщениеДобавлено: 24 ноя 2024, 20:38 
Не в сети
модератор
Аватара пользователя

Зарегистрирован: 27 окт 2008, 04:00
Сообщения: 12728
Тем: 15
Откуда: Вятка
Машина: др. Японка
О машине: Toyota Prius 51
Репутация: 2381
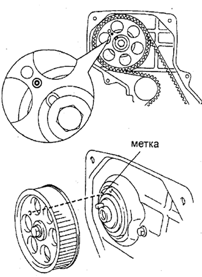
На вашем скрине это как бы установочная метка и она находится не по центру крышки распредвала. А метка ВМТ должна быть посредине крышки
Вложение:
метка.jpg
метка.jpg [ 8.78 КБ | Просмотров: 8782 ]

Добавлено спустя 14 минут 49 секунд:
Метка шкива распредвала должна стоять перпендикулярно плоскости ГБЦ, а на картинке насколько я понял, совмещена первая метка при положении шкива коленвала в таком положении


Вложения:
1 метка.jpg
1 метка.jpg [ 65.71 КБ | Просмотров: 8781 ]

_________________
Vista Ardeo 1999, SV50, D4, Мультик, TV...
Вернуться к началу
 Профиль Отправить email  
Ответить на тему 
 Заголовок сообщения: Re: 3s-fe плохо набирает обороты. не стабильные, завышенные ХХ...
СообщениеДобавлено: 24 ноя 2024, 20:55 
Не в сети
Любитель
Любитель

Зарегистрирован: 26 дек 2022, 18:12
Сообщения: 27
Тем: 3
Откуда: Саратов
Машина: др. Toyota
О машине: Toyota RAV4 1996г
Репутация: 0
Перепутал картинки. Я и выставлял по той метке, как вы показываете. Вот у меня смещение и присутствуе где то на пол зуба...


Вернуться к началу
 Профиль Отправить email  
Ответить на тему 
 Заголовок сообщения: Re: 3s-fe плохо набирает обороты. не стабильные, завышенные ХХ...
СообщениеДобавлено: 24 ноя 2024, 21:03 
Не в сети
модератор
Аватара пользователя

Зарегистрирован: 27 окт 2008, 04:00
Сообщения: 12728
Тем: 15
Откуда: Вятка
Машина: др. Японка
О машине: Toyota Prius 51
Репутация: 2381
На ползуба получается если ремень грм перевернуть, но ползуба так не влияет на зажигание, а вот от от путания меток, как раз не хватает поворота трамблёра. А совмещение метки через отверстие лучше проверять тоненьким гвоздиком.

Добавлено спустя 2 минуты 33 секунды:
Пропустил один ответ, если метка кв между 5-10, то скорее на зуб два не попали.

_________________
Vista Ardeo 1999, SV50, D4, Мультик, TV...


Вернуться к началу
 Профиль Отправить email  
Ответить на тему 
 Заголовок сообщения: Re: 3s-fe плохо набирает обороты. не стабильные, завышенные ХХ...
СообщениеДобавлено: 25 ноя 2024, 05:11 
Не в сети
Любитель
Любитель

Зарегистрирован: 22 фев 2023, 07:01
Сообщения: 33
Тем: 7
Откуда: Владивосток
Машина: Toyota Vista
О машине: SV350029109, 3S6674080
Репутация: 0
Я вот по этой картинке выставлял Изображение

В книжке в принципе тоже самое. Если надо, могу с книги сфотать и скинуть..


Вернуться к началу
 Профиль Отправить email  
Ответить на тему 
 Заголовок сообщения: Re: 3s-fe плохо набирает обороты. не стабильные, завышенные ХХ...
СообщениеДобавлено: 25 ноя 2024, 17:25 
Не в сети
Любитель
Любитель

Зарегистрирован: 26 дек 2022, 18:12
Сообщения: 27
Тем: 3
Откуда: Саратов
Машина: др. Toyota
О машине: Toyota RAV4 1996г
Репутация: 0
Я так и совмещал отверстие шестерни РВ на 12 часов с прорезью на корпусе. Только метку на шестерне (в виде точки наверное) и метку на корпусе я я не обнаружил. По ней конечно точнее видно, не то что через отверстие
на прорезь... В результате на крышке где КВ получилось между 5 и 10 град. Может даже ближе к 10. Если судить по шестерне КВ, то там получается 24 зуба. Это смещение на один зуб получается как раз 15 градусов. А у меня меньше.

Добавлено спустя 5 минут 22 секунды:
Поворот трамблёра со среднего положения по часовой стрелке до упора сколько градусов перекрывает? Вроде больше 15. А так мне надо ещё раз перепроверить, что то начал сомневаться,... Найти внешние метки на РВ.


Вернуться к началу
 Профиль Отправить email  
Ответить на тему 
 Заголовок сообщения: Re: 3s-fe плохо набирает обороты. не стабильные, завышенные ХХ...
СообщениеДобавлено: 25 ноя 2024, 23:08 
Не в сети
модератор
Аватара пользователя

Зарегистрирован: 27 окт 2008, 04:00
Сообщения: 12728
Тем: 15
Откуда: Вятка
Машина: др. Японка
О машине: Toyota Prius 51
Репутация: 2381
Всё делается наоборот, сначала КВ выставляется в 0, а затем подводится метка распредвала. На шкиве РВ метка одна - это отверстие. Поворот трамблёра без перемычки в диагностическом разъёме компенсируется ЭБУ двигателя и старается вытянуть положенные 10 градусов опережения.

_________________
Vista Ardeo 1999, SV50, D4, Мультик, TV...


Вернуться к началу
 Профиль Отправить email  
Ответить на тему 
 Заголовок сообщения: Re: 3s-fe плохо набирает обороты. не стабильные, завышенные ХХ...
СообщениеДобавлено: 30 ноя 2024, 15:56 
Не в сети
Любитель
Любитель

Зарегистрирован: 26 дек 2022, 18:12
Сообщения: 27
Тем: 3
Откуда: Саратов
Машина: др. Toyota
О машине: Toyota RAV4 1996г
Репутация: 0
Все сделал! Оказывается выпускной распредвал на два зуба не совпадал с впускным! Кто то под клапанную крышку туда лазил еще! Только при резком нажатии на газ он захлёбывается. И все равно только в крайнем положении трамблёра по часовой стрелке заводится и работает отлично. Обороты резво набирает (как раньше было). А в среднем не заводится сразу и под захлёбывается при резком нажатии газа. ХХ стабильный стал. Метки ГРМ идеально совпадают, перепроверил уже точно с зеркальцем.


Вернуться к началу
 Профиль Отправить email  
Ответить на тему 
 Заголовок сообщения: Re: 3s-fe плохо набирает обороты. не стабильные, завышенные ХХ...
СообщениеДобавлено: 30 ноя 2024, 20:01 
Не в сети
модератор
Аватара пользователя

Зарегистрирован: 27 окт 2008, 04:00
Сообщения: 12728
Тем: 15
Откуда: Вятка
Машина: др. Японка
О машине: Toyota Prius 51
Репутация: 2381
Так осталось зажигание по стробоскопу установить.

_________________
Vista Ardeo 1999, SV50, D4, Мультик, TV...


Вернуться к началу
 Профиль Отправить email  
Ответить на тему 
 Заголовок сообщения: Re: 3s-fe плохо набирает обороты. не стабильные, завышенные ХХ...
СообщениеДобавлено: 03 дек 2024, 14:52 
Не в сети
Любитель
Любитель

Зарегистрирован: 26 дек 2022, 18:12
Сообщения: 27
Тем: 3
Откуда: Саратов
Машина: др. Toyota
О машине: Toyota RAV4 1996г
Репутация: 0
Взял у знакомого стробоскоп Луч. При подключении он даже не засветился. Там разъем датчика сделан в виде проходного переходника с провода на свечу. Зажимал его прищебкой для белья плотно к проводу первого цилиндра. Мотор был прогрет и работал на ХХ. Может не хватает мощности импульса? Еще такой момент. Если в диагностическом разъеме не перемыкать контакты для выставления зажигания, может угол еще больше в поздее уйти по ЭБУ и так остаться? А если перемкнуть, то ЭБУ вернет на базовые настройки? Пока перемкнуть не получилось, видимо контакта не было. В Выходные буду пробывать еще. Так и остался трамблер в крайнем до упора положени по часовой стрелке. Движек работает отлично. При резком газе с ХХ на месте на пол секунды, даже меньше, слышен звон пальцев, но очень кратковременно. Надо бы конечно в движении еще попробовать. Раньше при среднем положении трамблера все нормально было и пальцы позвякивали в движении под нагрузкой.


Вернуться к началу
 Профиль Отправить email  
Ответить на тему 

Показать сообщения за:  Поле сортировки  
Начать новую тему Ответить на тему

 [ Сообщений: 41 ]  На страницу Пред.  1, 2, 3  След.





* Поиск по сайту Вверх Вниз

Кто сейчас на конференции

Сейчас этот форум просматривают: нет зарегистрированных пользователей и гости: 0


Вы не можете начинать темы
Вы не можете отвечать на сообщения
Вы не можете редактировать свои сообщения
Вы не можете удалять свои сообщения
Вы не можете добавлять вложения

Найти:
Перейти:  
Текущее время: 26 апр 2026, 20:51
Часовой пояс: UTC + 7 часов
Powered by phpbb. (c) VistaClub.ru.    * Статистика