* Поиск по сайту Вверх Вниз



Начать новую тему Ответить на тему  [ Сообщений: 577 ]  На страницу Пред.  1, 2, 3, 4, 5, 6, 7, 8 ... 39  След.
Автор Сообщение
 Заголовок сообщения: Re: Дневные ходовые огни
СообщениеДобавлено: 17 ноя 2010, 14:30 
Не в сети
Фанат
Аватара пользователя

Зарегистрирован: 26 янв 2009, 04:00
Сообщения: 536
Тем: 10
Откуда: Новосибирск
Блог: Посмотреть блог (1)
Машина: Toyota Vista
О машине: SV50 3S-FSE N200G 06.2001
Репутация: 11
Рекламные ссылки. Показывается только незарегистрированным пользователям


Vyatich писал(а):
Нет, она гаснет после заводки двигателя. Смысл в том что при включении зажигания ДХО включаться не будут, после возбуждения генератора они автоматически зажгутся, а при включении габаритов отключатся.

понятно, спасибо! Единственное, только тогда не буду на габариты реле цеплять, т.к. хочу чтобы при включении габаритов они не гасли...

_________________
2009-2021


Вернуться к началу
 Профиль  
Ответить на тему 

 Заголовок сообщения: Re: Дневные ходовые огни
СообщениеДобавлено: 17 ноя 2010, 14:32 
Не в сети
модератор
Аватара пользователя

Зарегистрирован: 27 окт 2008, 04:00
Сообщения: 12731
Тем: 15
Откуда: Вятка
Машина: др. Японка
О машине: Toyota Prius 51
Репутация: 2381
Это уже по определению будут не ДХО.

_________________
Vista Ardeo 1999, SV50, D4, Мультик, TV...


Вернуться к началу
 Профиль Отправить email  
Ответить на тему 
 Заголовок сообщения: Re: Дневные ходовые огни
СообщениеДобавлено: 17 ноя 2010, 14:43 
Не в сети
Фанат
Аватара пользователя

Зарегистрирован: 26 янв 2009, 04:00
Сообщения: 536
Тем: 10
Откуда: Новосибирск
Блог: Посмотреть блог (1)
Машина: Toyota Vista
О машине: SV50 3S-FSE N200G 06.2001
Репутация: 11
В соответствии с:
19.4. Противотуманные фары могут использоваться:
* в условиях недостаточной видимости с ближним или дальним светом фар;
* в темное время суток на неосвещенных участках дорог совместно с ближним или дальним светом фар;
* вместо ближнего света фар в соответствии с пунктом 19.5 Правил.
и
19.5. В светлое время суток на всех движущихся транспортных средствах с целью их обозначения должны включаться фары ближнего света или дневные ходовые огни.
вместо ДХО можно использовать туманки, при этом не обязательно чтобы горели задние габариты и подсветка приборной панели!
При включенных габаритах мне опять же никто не запрещает использовать туманки! А я в основном в пасмурную погоду так и езжу, включаю габариты и туманки. При этом меня видно, а ближний не горит, т.к. все равно от него толку еще нет. Следовательно, ближний будет включаться, только вечером, когда он реально нужен.

_________________
2009-2021


Вернуться к началу
 Профиль  
Ответить на тему 
 Заголовок сообщения: Re: Дневные ходовые огни
СообщениеДобавлено: 17 ноя 2010, 14:56 
Не в сети
модератор
Аватара пользователя

Зарегистрирован: 27 окт 2008, 04:00
Сообщения: 12731
Тем: 15
Откуда: Вятка
Машина: др. Японка
О машине: Toyota Prius 51
Репутация: 2381
В этом случае ДХО не нужны, пункт что ПТФ не должны включаться отдельно от габаритов никто не отменял.

_________________
Vista Ardeo 1999, SV50, D4, Мультик, TV...


Вернуться к началу
 Профиль Отправить email  
Ответить на тему 
 Заголовок сообщения: Re: Дневные ходовые огни
СообщениеДобавлено: 17 ноя 2010, 15:02 
Не в сети
Фанат
Аватара пользователя

Зарегистрирован: 26 янв 2009, 04:00
Сообщения: 536
Тем: 10
Откуда: Новосибирск
Блог: Посмотреть блог (1)
Машина: Toyota Vista
О машине: SV50 3S-FSE N200G 06.2001
Репутация: 11
хм, т.е. если туманки при включении габаритов будут выключаться, то они уже будут считаться ДХО? при этом уже вместе с габаритами я их включать не имею права?
вот блин путаница то :(

_________________
2009-2021


Вернуться к началу
 Профиль  
Ответить на тему 
 Заголовок сообщения: Re: Дневные ходовые огни
СообщениеДобавлено: 17 ноя 2010, 15:09 
Не в сети
модератор
Аватара пользователя

Зарегистрирован: 27 окт 2008, 04:00
Сообщения: 12731
Тем: 15
Откуда: Вятка
Машина: др. Японка
О машине: Toyota Prius 51
Репутация: 2381
Да нет, насколько я понял, туманки или ближний свет можно использовать вместо ДХО, но в штатном режиме.

_________________
Vista Ardeo 1999, SV50, D4, Мультик, TV...


Вернуться к началу
 Профиль Отправить email  
Ответить на тему 
 Заголовок сообщения: Re: Дневные ходовые огни
СообщениеДобавлено: 17 ноя 2010, 15:29 
Не в сети
Фанат
Аватара пользователя

Зарегистрирован: 26 янв 2009, 04:00
Сообщения: 536
Тем: 10
Откуда: Новосибирск
Блог: Посмотреть блог (1)
Машина: Toyota Vista
О машине: SV50 3S-FSE N200G 06.2001
Репутация: 11
нашел статью о поправках в ПДД от 10 мая:
http://pddmaster.ru/pdd/novye-popravki- ... ast-5.html
есть там и вопросы-ответы!
все таки можно вроде днем только с туманками ездить:

> Отправил: Павел Дата: 20 июля 2010 8:11 Цитировать
> Добрый день!
> Т.е. согласно п. 19.4 я могу ездить днем с включенными противотуманками, и при этом ближний свет и габариты могут быть выключены?

>> Отправил: Максим Дата: 24 июля 2010 17:59 Цитировать
>> Здравствуйте, Павел.
>> Именно так, можно ездить с включенными противотуманными фарами.
>> Удачи на дорогах!

_________________
2009-2021


Вернуться к началу
 Профиль  
Ответить на тему 
 Заголовок сообщения: Re: Дневные ходовые огни
СообщениеДобавлено: 17 ноя 2010, 15:48 
Не в сети
Специалист
Специалист
Аватара пользователя

Зарегистрирован: 23 янв 2010, 04:00
Сообщения: 219
Тем: 13
Откуда: Новосибирск
Машина: Toyota Vista Ardeo
О машине: VISTA ARDEO, SV55G, 3S-FE, 4WD, 1999
Репутация: 101
tiron писал(а):
может я чего не понял, но нашел следующее (интересующее нас, выделил):

«В случае установки дневные ходовые огни должны включаться автоматически, когда приведен в положение «включено» орган управления запуском/остановом двигателя. Должна быть обеспечена возможность приведения в действие и отключения функционирования автоматического включения дневных ходовых огней без помощи инструмента (без участия дополнительных клавиш — прим. редакции). Дневные ходовые огни должны выключаться автоматически, когда включаются головные фары, за исключением тех случаев, когда головные фары включаются на короткий промежуток времени для сигнализации участникам движения».

согласен, самому не нравится, что при автозапуске будут ДХО включаться, придется их отрубать принудительно по кнопке!


Что за бред и где вы его нашли?
Я не говорю и не делаю ДХО как там на европейцах новых или ещё где, у меня просто включен длижний свет фар когда я еду, (от лампы "D"), и всё!!!
Я это зделал что-бы не забывать включать (восновном) и что-бы не полить всё остальное попросту, а ещё меня бесило постоянно настраевать яркость спидометра. Теперь ненадо.


Вернуться к началу
 Профиль Отправить email  
Ответить на тему 
 Заголовок сообщения: Re: Дневные ходовые огни
СообщениеДобавлено: 17 ноя 2010, 16:33 
Не в сети
Фанат
Аватара пользователя

Зарегистрирован: 26 янв 2009, 04:00
Сообщения: 536
Тем: 10
Откуда: Новосибирск
Блог: Посмотреть блог (1)
Машина: Toyota Vista
О машине: SV50 3S-FSE N200G 06.2001
Репутация: 11
так или нет, не знаю, уж что нашел... но ближний вместо ДХО точно не вариант!

_________________
2009-2021


Вернуться к началу
 Профиль  
Ответить на тему 
 Заголовок сообщения: Re: Дневные ходовые огни
СообщениеДобавлено: 17 ноя 2010, 16:46 
Не в сети
Специалист
Специалист
Аватара пользователя

Зарегистрирован: 23 янв 2010, 04:00
Сообщения: 219
Тем: 13
Откуда: Новосибирск
Машина: Toyota Vista Ardeo
О машине: VISTA ARDEO, SV55G, 3S-FE, 4WD, 1999
Репутация: 101
Помоему самый простой и нармалиный вариант.
Я не хвастоюсь, но могу пойти и за 5 минут на туманки переключить, перекрутить 1 провод.
Не зря же эту фигню вообще затеели, для обозначения ТС, ближний на мой взгляд ефективнее туманак днём ТС обозначит. У меня и у тебя туманки есть,а у многих туманок нет, им полюбому ближний использовать.

Я сначало хотел дальний в полнакала зацепить, но это сложновато, просто японцы намудрили и там одной релюхой не обойтись, пошёл по простому пути.

Добавлено спустя 19 минут 22 секунды:
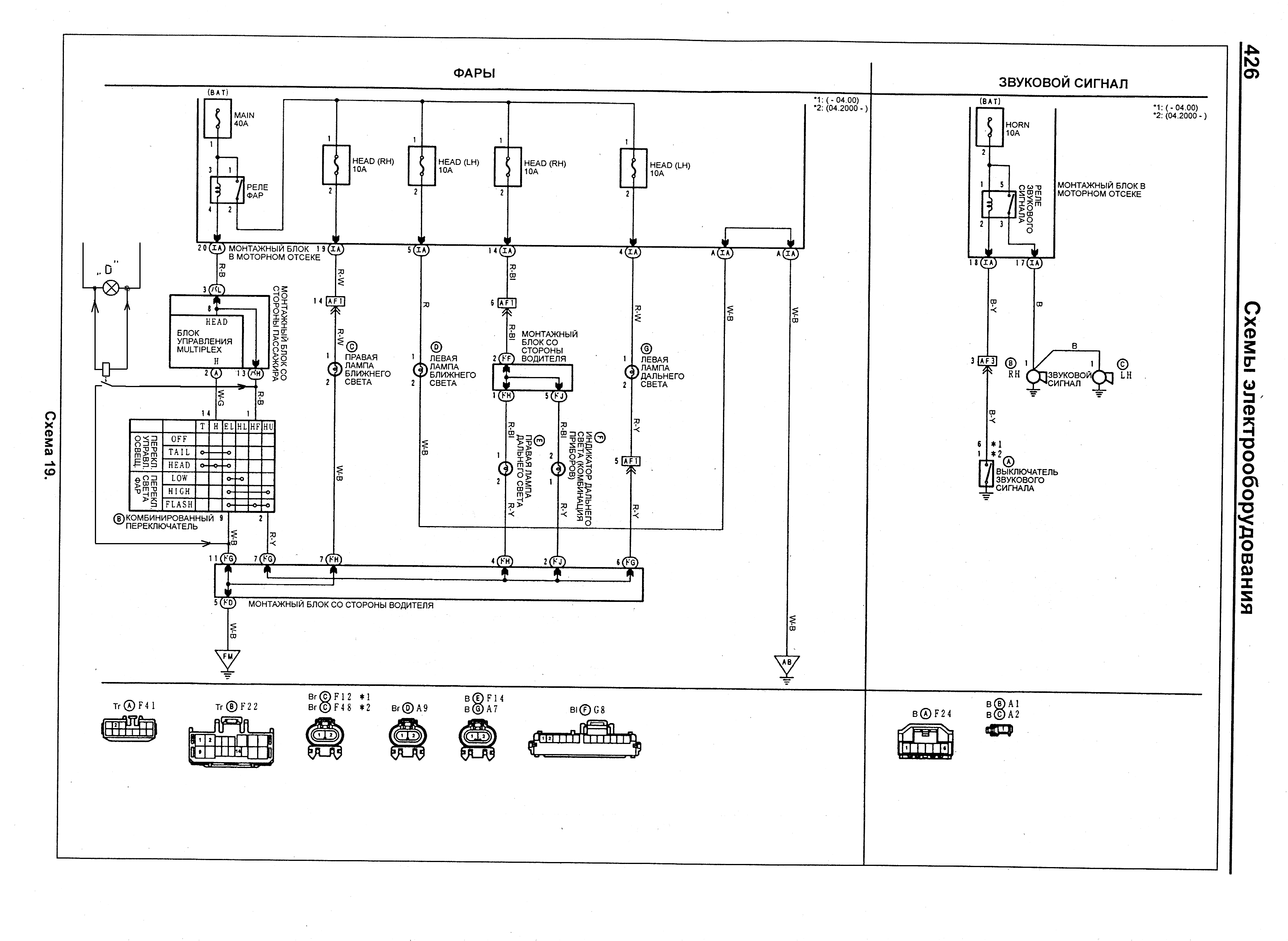
Схема приведенная мною выше оказалась не правильной, просто япы почему-то сделали управление реле светам и туманками через минус, пришлось делать через доп реле.

Вот схема, она реально работает в моей висте уже 3 дня
Модераторы плиз снесите старую.

Добавлено спустя 20 минут 16 секунд:
Кому интересно вот отчётик небольшой.
релюшку использовал простенькую на 12 вольт, обматку её подключил на белый разьём приборки с контрольными лампами, что над рулём. :smile:

Контакты реле на разъём переключателя света фар, под рулём. :smile:
Потом скрепил всё стяжками, чтобы не болталось.
Ипог: при включении "D" горят лампы ближнего света, без гоборитов, подсветоки номера, и всего остального. :smoke:


Вложения:
file.gif
file.gif [ 190.91 КБ | Просмотров: 2919 ]
DSC01113.JPG
DSC01113.JPG [ 78.61 КБ | Просмотров: 2915 ]
DSC01103.JPG
DSC01103.JPG [ 74.71 КБ | Просмотров: 2915 ]
DSC01106.JPG
DSC01106.JPG [ 63.48 КБ | Просмотров: 2915 ]
DSC01107.JPG
DSC01107.JPG [ 66.61 КБ | Просмотров: 2913 ]
DSC01110.JPG
DSC01110.JPG [ 73.5 КБ | Просмотров: 2913 ]
DSC01112.JPG
DSC01112.JPG [ 276.35 КБ | Просмотров: 2913 ]
Вернуться к началу
 Профиль Отправить email  
Ответить на тему 
 Заголовок сообщения: Re: Дневные ходовые огни
СообщениеДобавлено: 17 ноя 2010, 18:14 
Не в сети
Местный
Местный
Аватара пользователя

Зарегистрирован: 01 янв 2006, 04:00
Сообщения: 10044
Тем: 182
Откуда: ХМАО Роман
Машина: др. неЯпонка
О машине: Volkswagen Tiguan
Репутация: 710
А если включать не D, а 1, 2, R или типтроник передачи, фары что гореть не будут? Не это не выход.


Кузина главного гаишника спросили будут ли считаться ДХО самодельно установленные лампы или устройства. Он сказал нет и вмешательство в конструкцию фар не допустимо. ДХО считается только то что установленно на заводе и преднозначенно именно как ДХО. Т.е.е это на современных авто устанавливается.

Противотуманки по ПДД запрещено использовать отдельно от габаритов днем, и от ближнего света вечером или при недостаточной видиости днем (в тумане к примеру).

_________________
Управлял шесть лет японской мечтой - Toyota Vista Ardeo, теперь управляю немецкой мечтой - DAS AUTO.


Вернуться к началу
 Профиль  
Ответить на тему 
 Заголовок сообщения: Re: Дневные ходовые огни
СообщениеДобавлено: 17 ноя 2010, 19:16 
Не в сети
Специалист
Специалист
Аватара пользователя

Зарегистрирован: 23 янв 2010, 04:00
Сообщения: 219
Тем: 13
Откуда: Новосибирск
Машина: Toyota Vista Ardeo
О машине: VISTA ARDEO, SV55G, 3S-FE, 4WD, 1999
Репутация: 101
vromi писал(а):
Кузина главного гаишника спросили будут ли считаться ДХО самодельно установленные лампы или устройства. Он сказал нет и вмешательство в конструкцию фар не допустимо. ДХО считается только то что установленно на заводе и преднозначенно именно как ДХО. Т.е.е это на современных авто устанавливается.

Противотуманки по ПДД запрещено использовать отдельно от габаритов днем, и от ближнего света вечером или при недостаточной видиости днем (в тумане к примеру).

Я и подключил ближний!
В конструкцию фар не вмешаволся, всякие светодиодные лампы не пихал.
Я так понимаю, если нет ДХО установленного на заводе то нужно двегатся с ближнем светом фар, Пожалуйсто ГОРИТ ближний.

Поправте если я не прав.

Добавлено спустя 13 минут 54 секунды:
Рома, А почему я не могу править своё сообщение за 13 ноября?


Вернуться к началу
 Профиль Отправить email  
Ответить на тему 
 Заголовок сообщения: Re: Дневные ходовые огни
СообщениеДобавлено: 17 ноя 2010, 19:38 
Не в сети
модератор
Аватара пользователя

Зарегистрирован: 27 окт 2008, 04:00
Сообщения: 12731
Тем: 15
Откуда: Вятка
Машина: др. Японка
О машине: Toyota Prius 51
Репутация: 2381
Но это нештатный режим. Запрет на использование ПТФ без габаритов исключал использование транспорта в темное время суток для предотвращения возможности скрыться(нет подсветки номера) и исключения наезда сзади(нет габаритов). В данном случае мощность ДХО предусматривается меньшей чем свет фар, что делает невозможным ее использование для езды в темное время суток без основного освещения. Я это так понимаю.

_________________
Vista Ardeo 1999, SV50, D4, Мультик, TV...


Вернуться к началу
 Профиль Отправить email  
Ответить на тему 
 Заголовок сообщения: Re: Дневные ходовые огни
СообщениеДобавлено: 17 ноя 2010, 19:53 
Не в сети
Специалист
Специалист
Аватара пользователя

Зарегистрирован: 23 янв 2010, 04:00
Сообщения: 219
Тем: 13
Откуда: Новосибирск
Машина: Toyota Vista Ardeo
О машине: VISTA ARDEO, SV55G, 3S-FE, 4WD, 1999
Репутация: 101
Vyatich писал(а):
Но это нештатный режим. Запрет на использование ПТФ без габаритов исключал использование транспорта в темное время суток для предотвращения возможности скрыться(нет подсветки номера) и исключения наезда сзади(нет габаритов). В данном случае мощность ДХО предусматривается меньшей чем свет фар, что делает невозможным ее использование для езды в темное время суток без основного освещения. Я это так понимаю.

Это всё понятно, когда начнёт темнеть автосвет сработает и включит гобориты с подсветкой и ПТФ. Если нет автосветато сработает мозг водителя :D


Вернуться к началу
 Профиль Отправить email  
Ответить на тему 
 Заголовок сообщения: Re: Дневные ходовые огни
СообщениеДобавлено: 17 ноя 2010, 19:56 
Не в сети
модератор
Аватара пользователя

Зарегистрирован: 27 окт 2008, 04:00
Сообщения: 12731
Тем: 15
Откуда: Вятка
Машина: др. Японка
О машине: Toyota Prius 51
Репутация: 2381
Я не в этом смысле, а с точки зрения милиции.

_________________
Vista Ardeo 1999, SV50, D4, Мультик, TV...


Вернуться к началу
 Профиль Отправить email  
Ответить на тему 

Показать сообщения за:  Поле сортировки  
Начать новую тему Ответить на тему

 [ Сообщений: 577 ]  На страницу Пред.  1, 2, 3, 4, 5, 6, 7, 8 ... 39  След.





* Поиск по сайту Вверх Вниз

Кто сейчас на конференции

Сейчас этот форум просматривают: нет зарегистрированных пользователей и гости: 0


Вы не можете начинать темы
Вы не можете отвечать на сообщения
Вы не можете редактировать свои сообщения
Вы не можете удалять свои сообщения
Вы не можете добавлять вложения

Найти:
Перейти:  
Текущее время: 14 май 2026, 14:51
Часовой пояс: UTC + 7 часов
Powered by phpbb. (c) VistaClub.ru.    * Статистика