* Поиск по сайту Вверх Вниз



Начать новую тему Ответить на тему  [ Сообщений: 53 ]  На страницу Пред.  1, 2, 3, 4
Автор Сообщение
 Заголовок сообщения: Re: ПОМОГИТЕ!!! Глюк АБС !!!
СообщениеДобавлено: 27 сен 2013, 01:02 
Не в сети
Гуру
Гуру
Аватара пользователя

Зарегистрирован: 25 сен 2008, 03:00
Сообщения: 3341
Тем: 8
Откуда: БАРНАУЛ
Репутация: 2026
Рекламные ссылки. Показывается только незарегистрированным пользователям


1. Да
2. viewtopic.php?t=1011548

_________________
АРДЕО 1999 БЕЛАЯ MULTIVISION 3S-FE 4WD
Витц литровый...


Вернуться к началу
 Профиль Отправить email  
Ответить на тему 

 Заголовок сообщения: Re: ПОМОГИТЕ!!! Глюк АБС !!!
СообщениеДобавлено: 04 дек 2013, 22:03 
Не в сети
Начинающий
Начинающий
Аватара пользователя

Зарегистрирован: 02 май 2009, 03:00
Сообщения: 10
Тем: 1
Откуда: БИШКЕК
Машина: Toyota Vista Ardeo
О машине: 3S-FSE D4
Репутация: 0
Здравствуйте, подскажите Уважаемые вистоводы ! не работает абс ошибка 51
---Короткое замыкание или обрыв цепи питания электронасоса------
(1) Замок зажигания в положении "ON"
(2) Электронасос не работает--------
Электронасос, реле и аккумуляторная батарея, Жгут проводов, разъем и болты, соединяющие с массой ! вроде все проверил кроме Электронасоса ! подскажите где он находиться не могу найти его или куда рыть дальше? реле , предохранители , блок вроде в норме !!! SV50 3S FSE D4 !!! сбрасывал ошибки но через пару метров опять таже ошибка !!!


Вернуться к началу
 Профиль  
Ответить на тему 
 Заголовок сообщения: Re: ПОМОГИТЕ!!! Глюк АБС !!!
СообщениеДобавлено: 04 дек 2013, 22:54 
Не в сети
Гуру
Гуру
Аватара пользователя

Зарегистрирован: 25 сен 2008, 03:00
Сообщения: 3341
Тем: 8
Откуда: БАРНАУЛ
Репутация: 2026
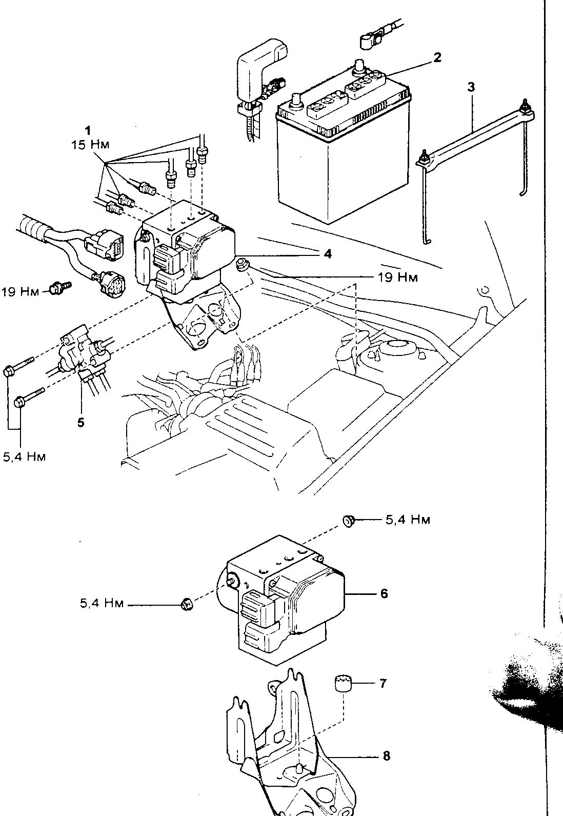
За аккумом квадратная коробка, к ней трубки тормозные подходят...


Вложения:
Новый рисунок (1).jpg
Новый рисунок (1).jpg [ 218.34 КБ | Просмотров: 2366 ]
111991303.jpg
111991303.jpg [ 153.16 КБ | Просмотров: 2366 ]

_________________
АРДЕО 1999 БЕЛАЯ MULTIVISION 3S-FE 4WD
Витц литровый...
Вернуться к началу
 Профиль Отправить email  
Ответить на тему 
 Заголовок сообщения: Re: ПОМОГИТЕ!!! Глюк АБС !!!
СообщениеДобавлено: 04 дек 2013, 23:20 
Не в сети
Начинающий
Начинающий
Аватара пользователя

Зарегистрирован: 02 май 2009, 03:00
Сообщения: 10
Тем: 1
Откуда: БИШКЕК
Машина: Toyota Vista Ardeo
О машине: 3S-FSE D4
Репутация: 0
спасибо буду на днях разбираться !!!тока пока не знаю с какой стороны к нему подойти как его проверить и подлежит ли он ремонту ? Или замена !Подскажите а то без абс стремна ездить а в окно зима стучиться !


Вернуться к началу
 Профиль  
Ответить на тему 
 Заголовок сообщения: Re: ПОМОГИТЕ!!! Глюк АБС !!!
СообщениеДобавлено: 02 сен 2015, 09:57 
Не в сети
Специалист
Специалист
Аватара пользователя

Зарегистрирован: 20 фев 2012, 10:29
Сообщения: 429
Тем: 10
Откуда: 8 923 318 7163 Красноярск
Машина: Toyota Vista Ardeo
О машине: ZZV 50 двиг 1ZZ теперь с ГБО
Репутация: 13
У меня вылезла ошибка 31, посмотрел датчик визуально нормальный. Как проверить рабочий или нет???

_________________
" Если у вас есть время, ходите пешком повсюду"


Вернуться к началу
 Профиль Отправить email  
Ответить на тему 
 Заголовок сообщения: Re: ПОМОГИТЕ!!! Глюк АБС !!!
СообщениеДобавлено: 03 сен 2015, 00:44 
Не в сети
модератор
Аватара пользователя

Зарегистрирован: 27 окт 2008, 04:00
Сообщения: 12731
Тем: 15
Откуда: Вятка
Машина: др. Японка
О машине: Toyota Prius 51
Репутация: 2381
Хотя бы согласно инструкции


Вложения:
датчик абс.jpg
датчик абс.jpg [ 368.32 КБ | Просмотров: 2185 ]

_________________
Vista Ardeo 1999, SV50, D4, Мультик, TV...
Вернуться к началу
 Профиль Отправить email  
Ответить на тему 
 Заголовок сообщения: Re: ПОМОГИТЕ!!! Глюк АБС !!!
СообщениеДобавлено: 03 сен 2015, 09:06 
Не в сети
Специалист
Специалист
Аватара пользователя

Зарегистрирован: 20 фев 2012, 10:29
Сообщения: 429
Тем: 10
Откуда: 8 923 318 7163 Красноярск
Машина: Toyota Vista Ardeo
О машине: ZZV 50 двиг 1ZZ теперь с ГБО
Репутация: 13
Спасибо попробую

_________________
" Если у вас есть время, ходите пешком повсюду"


Вернуться к началу
 Профиль Отправить email  
Ответить на тему 
 Заголовок сообщения: Re: ПОМОГИТЕ!!! Глюк АБС !!!
СообщениеДобавлено: 05 сен 2015, 16:10 
Не в сети
Специалист
Специалист
Аватара пользователя

Зарегистрирован: 20 фев 2012, 10:29
Сообщения: 429
Тем: 10
Откуда: 8 923 318 7163 Красноярск
Машина: Toyota Vista Ardeo
О машине: ZZV 50 двиг 1ZZ теперь с ГБО
Репутация: 13
Сегодня снял датчик, увидел небольшую потертость на изоляции. Но обрыва жил нет. Померил сопротивление 1.6 кОм. Авс то работает, то нет. Ошибку так 31 и выдает. Еще раз все почистил от грязи, не хрена толку нет. У меня тут аккумулятору конец приходит, может как то он влияет, хотя ошибка 31 :?: :?: :?:

_________________
" Если у вас есть время, ходите пешком повсюду"


Вернуться к началу
 Профиль Отправить email  
Ответить на тему 

Показать сообщения за:  Поле сортировки  
Начать новую тему Ответить на тему

 [ Сообщений: 53 ]  На страницу Пред.  1, 2, 3, 4





* Поиск по сайту Вверх Вниз

Кто сейчас на конференции

Сейчас этот форум просматривают: нет зарегистрированных пользователей и гости: 0


Вы не можете начинать темы
Вы не можете отвечать на сообщения
Вы не можете редактировать свои сообщения
Вы не можете удалять свои сообщения
Вы не можете добавлять вложения

Найти:
Перейти:  
Текущее время: 08 май 2026, 16:06
Часовой пояс: UTC + 7 часов
Powered by phpbb. (c) VistaClub.ru.    * Статистика