* Поиск по сайту Вверх Вниз



Начать новую тему Ответить на тему  [ Сообщений: 3 ] 
Автор Сообщение
 Заголовок сообщения: Центральный замок, стекло подъемники и автоматика руля.
СообщениеДобавлено: 16 окт 2014, 15:11 
Не в сети
Начинающий
Начинающий

Зарегистрирован: 16 окт 2014, 14:37
Сообщения: 2
Тем: 1
Откуда: 41Rus
Машина: Toyota Vista
О машине: SV35, 3S-FE
Репутация: 0
Рекламные ссылки. Показывается только незарегистрированным пользователям


Имеется Виста в 35 кузове, 93 года рождения. Изначально не закрывались заднии двери ни с консоли ни с сигналки (без обратной связи, вроде ГолденБат100). Сегодня перестали закрываться \ открываться все двери, ни на одной двери не реагируют стекло подъемники. Логично предположить что перелом провода между кузовом и дверью, но вместе с этим перестала работать автоматика на руле. При извлечении ключа из замка зажигания руль остаётся в нижнем положении и не откидывается. Предохранители целые. Если так подумать, то, что центральный замок, что автоматика руля, что стеклоподъемники находятся на одном полюсе и обрыв может находится до всего этого...
Уважаемые Вистоводы!!! Подскажите пожалуйста, в правильном направлении я размышляю? Если да, то откуда лучше начать искать обрыв? и если есть у кого-нибудь схема электропроводки центрального замка то киньте плиз на ol.ig.romanov@gmail.com Буду очень благодарен...


Вернуться к началу
 Профиль Отправить email  
Ответить на тему 

 Заголовок сообщения: Re: Центральный замок, стекло подъемники и автоматика руля.
СообщениеДобавлено: 17 окт 2014, 14:01 
Не в сети
модератор
Аватара пользователя

Зарегистрирован: 27 окт 2008, 04:00
Сообщения: 12728
Тем: 15
Откуда: Вятка
Машина: др. Японка
О машине: Toyota Prius 51
Репутация: 2381
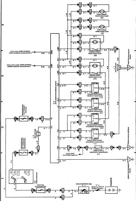
Общее у них предохранитель POWER на 30А.


Вложения:
Toyota_CAMRY_&_VISTA_83-95_532.jpg
Toyota_CAMRY_&_VISTA_83-95_532.jpg [ 54.24 КБ | Просмотров: 893 ]

_________________
Vista Ardeo 1999, SV50, D4, Мультик, TV...
Вернуться к началу
 Профиль Отправить email  
Ответить на тему 
 Заголовок сообщения: Re: Центральный замок, стекло подъемники и автоматика руля.
СообщениеДобавлено: 17 окт 2014, 14:18 
Не в сети
Начинающий
Начинающий

Зарегистрирован: 16 окт 2014, 14:37
Сообщения: 2
Тем: 1
Откуда: 41Rus
Машина: Toyota Vista
О машине: SV35, 3S-FE
Репутация: 0
Vyatich писал(а):
Общее у них предохранитель POWER на 30А.

Огромное спасибо... Завтра утром буду искать этот предохранитель...


Вернуться к началу
 Профиль Отправить email  
Ответить на тему 

Показать сообщения за:  Поле сортировки  
Начать новую тему Ответить на тему

 [ Сообщений: 3 ] 





* Поиск по сайту Вверх Вниз

Кто сейчас на конференции

Сейчас этот форум просматривают: нет зарегистрированных пользователей и гости: 21


Вы не можете начинать темы
Вы не можете отвечать на сообщения
Вы не можете редактировать свои сообщения
Вы не можете удалять свои сообщения
Вы не можете добавлять вложения

Найти:
Перейти:  
Текущее время: 02 май 2026, 00:30
Часовой пояс: UTC + 7 часов
Powered by phpbb. (c) VistaClub.ru.    * Статистика