* Поиск по сайту Вверх Вниз



Начать новую тему Ответить на тему  [ Сообщений: 1330 ]  На страницу Пред.  1 ... 12, 13, 14, 15, 16, 17, 18 ... 89  След.
Автор Сообщение
 Заголовок сообщения: Re: Замена радиатора печки на другое
СообщениеДобавлено: 31 янв 2014, 22:38 
Не в сети
Любитель
Любитель
Аватара пользователя

Зарегистрирован: 24 фев 2010, 04:00
Сообщения: 71
Тем: 2
Откуда: г.Барабинск,Новосиб.обл.
Машина: Toyota Vista Ardeo
О машине: 2000г.в 3S-FSE. 200S
Репутация: 42
Рекламные ссылки. Показывается только незарегистрированным пользователям


Понял вашу просьбу,постараюсь выполнить ваши пожелания для виставодов чтобы не мерзли.


Вернуться к началу
 Профиль  
Ответить на тему 

 Заголовок сообщения: Re: Замена радиатора печки на другое
СообщениеДобавлено: 05 фев 2014, 19:08 
Не в сети
Профи
Профи
Аватара пользователя

Зарегистрирован: 09 сен 2011, 16:19
Сообщения: 573
Тем: 31
Откуда: Омск
Машина: Toyota Vista Ardeo
О машине: ZZV50. 1ZZ-FE
Репутация: 725
Vyatich писал(а):
Serj55ru писал(а):
Откуда инфа что это наш аналог я весь экзист перерыл нет упоминания. А в инете бьется как радиатор салона TOYOTA PREMIO/ALLION/WISH
вообще то бьется как Радиатор отопителя салона TOYOTA PREMIO/ALLION/WISH/OPA/VISTA ARDEO 01-07 ST-TY47-395-0 по цене 780 рублей, а вот фоток нет чтоб сравнить.

Все хотел узнать на каком сайте накопали информацию что он еще и на OPA/VISTA ARDEO мне не понятно??? Укажите ссылку?!!!

_________________
Хочешь что-бы все сделали хорошо, сделай это сам!!!
Основатель идеи радиатора печки от Ipsum ACM21-26


Вернуться к началу
 Профиль Отправить email  
Ответить на тему 
 Заголовок сообщения: Re: Замена радиатора печки на другое
СообщениеДобавлено: 05 фев 2014, 19:22 
Не в сети
модератор
Аватара пользователя

Зарегистрирован: 27 окт 2008, 04:00
Сообщения: 12685
Тем: 15
Откуда: Вятка
Машина: др. Японка
О машине: Toyota Prius 51
Репутация: 2380
Здесь пробивал http://www.zzap.ru/default.aspx?partnum ... STTY473950

_________________
Vista Ardeo 1999, SV50, D4, Мультик, TV...


Вернуться к началу
 Профиль Отправить email  
Ответить на тему 
 Заголовок сообщения: Re: Замена радиатора печки на другое
СообщениеДобавлено: 05 фев 2014, 19:33 
Не в сети
Профи
Профи
Аватара пользователя

Зарегистрирован: 09 сен 2011, 16:19
Сообщения: 573
Тем: 31
Откуда: Омск
Машина: Toyota Vista Ardeo
О машине: ZZV50. 1ZZ-FE
Репутация: 725
Интересно они одни кто так показывает

_________________
Хочешь что-бы все сделали хорошо, сделай это сам!!!
Основатель идеи радиатора печки от Ipsum ACM21-26


Вернуться к началу
 Профиль Отправить email  
Ответить на тему 
 Заголовок сообщения: Re: Замена радиатора печки на другое
СообщениеДобавлено: 05 фев 2014, 19:36 
Не в сети
модератор
Аватара пользователя

Зарегистрирован: 27 окт 2008, 04:00
Сообщения: 12685
Тем: 15
Откуда: Вятка
Машина: др. Японка
О машине: Toyota Prius 51
Репутация: 2380
Кстати, на эксисте, по нашей модели авто, выдает применимость радиатора 87107-32130 и 87107-32120 на OPA и VISTA/VISTA ARDEO.

_________________
Vista Ardeo 1999, SV50, D4, Мультик, TV...


Вернуться к началу
 Профиль Отправить email  
Ответить на тему 
 Заголовок сообщения: Re: Замена радиатора печки на другое
СообщениеДобавлено: 05 фев 2014, 20:00 
Не в сети
Любитель
Любитель
Аватара пользователя

Зарегистрирован: 24 фев 2010, 04:00
Сообщения: 71
Тем: 2
Откуда: г.Барабинск,Новосиб.обл.
Машина: Toyota Vista Ardeo
О машине: 2000г.в 3S-FSE. 200S
Репутация: 42
Ну вот получил радиатор,размеры 22,7-18,2-2,2.Залил горячею воду радиатор весь прогрелся и стал горячим.


Вложения:
DSC01510.JPG
DSC01510.JPG [ 863.37 КБ | Просмотров: 11097 ]
DSC01511.JPG
DSC01511.JPG [ 835.7 КБ | Просмотров: 11097 ]
DSC01512.JPG
DSC01512.JPG [ 889.67 КБ | Просмотров: 11097 ]
DSC01514.JPG
DSC01514.JPG [ 875.92 КБ | Просмотров: 11097 ]
DSC01515.JPG
DSC01515.JPG [ 650.67 КБ | Просмотров: 11097 ]
Вернуться к началу
 Профиль  
Ответить на тему 
 Заголовок сообщения: Re: Замена радиатора печки на другое
СообщениеДобавлено: 05 фев 2014, 20:08 
Не в сети
модератор
Аватара пользователя

Зарегистрирован: 27 окт 2008, 04:00
Сообщения: 12685
Тем: 15
Откуда: Вятка
Машина: др. Японка
О машине: Toyota Prius 51
Репутация: 2380
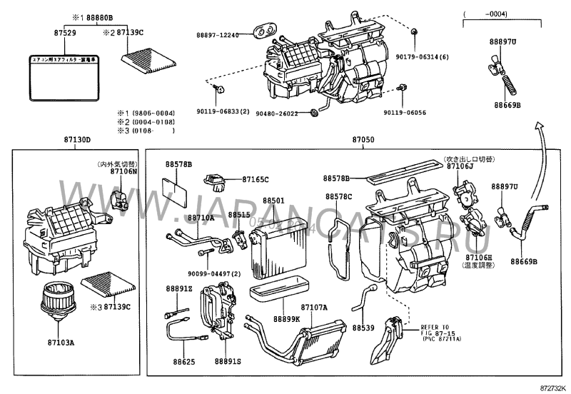
Судя по схемам радиаторы премио и висты отдичаются конфигурацией подводящих трубок. А сатовский без трубок.


Вложения:
премио.png
премио.png [ 125.64 КБ | Просмотров: 11092 ]
ардео.png
ардео.png [ 142.86 КБ | Просмотров: 11092 ]

_________________
Vista Ardeo 1999, SV50, D4, Мультик, TV...
Вернуться к началу
 Профиль Отправить email  
Ответить на тему 
 Заголовок сообщения: Re: Замена радиатора печки на другое
СообщениеДобавлено: 05 фев 2014, 21:29 
Не в сети
Профи
Профи
Аватара пользователя

Зарегистрирован: 09 сен 2011, 16:19
Сообщения: 573
Тем: 31
Откуда: Омск
Машина: Toyota Vista Ardeo
О машине: ZZV50. 1ZZ-FE
Репутация: 725
Обычно так и получается, подводящие трубки разно изогнуты. Судя по тому что указанные модели авто которые используют данный радиатор для внутреннего рынка, то скорее всего сам радиатор один и тот-же.

Добавлено спустя 2 минуты 33 секунды:
alekc2805 писал(а):
Ну вот получил радиатор,размеры 22,7-18,2-2,2.Залил горячею воду радиатор весь прогрелся и стал горячим.

Прежде чем ставить залей холодную (ледяную) воду она покажет нет ли течи и обклей края радиатора как у родного поролон или теплоизоляцией самоклеющийся.

_________________
Хочешь что-бы все сделали хорошо, сделай это сам!!!
Основатель идеи радиатора печки от Ipsum ACM21-26


Вернуться к началу
 Профиль Отправить email  
Ответить на тему 
 Заголовок сообщения: Re: Замена радиатора печки на другое
СообщениеДобавлено: 07 фев 2014, 23:38 
Не в сети
Любитель
Любитель
Аватара пользователя

Зарегистрирован: 24 фев 2010, 04:00
Сообщения: 71
Тем: 2
Откуда: г.Барабинск,Новосиб.обл.
Машина: Toyota Vista Ardeo
О машине: 2000г.в 3S-FSE. 200S
Репутация: 42
Жду ваших советов как лучше заделать трубки ведь прорезей как на родном радиаторе нет.


Вернуться к началу
 Профиль  
Ответить на тему 
 Заголовок сообщения: Re: Замена радиатора печки на другое
СообщениеДобавлено: 09 фев 2014, 00:22 
Не в сети
Профи
Профи
Аватара пользователя

Зарегистрирован: 09 сен 2011, 16:19
Сообщения: 573
Тем: 31
Откуда: Омск
Машина: Toyota Vista Ardeo
О машине: ZZV50. 1ZZ-FE
Репутация: 725
Вот беда с китайцами :evil: Я бы предложил сделать пропилы болгаркой 1мм камнем. Нарисовал как смог :oops:
Можно по красным линиям либо по синим линиям. Ну или гнуть пытаться на живую обмазать трубки герметиком вставить и насильно загибать края.


Вложения:
Безымянный.png
Безымянный.png [ 7.88 КБ | Просмотров: 11039 ]

_________________
Хочешь что-бы все сделали хорошо, сделай это сам!!!
Основатель идеи радиатора печки от Ipsum ACM21-26
Вернуться к началу
 Профиль Отправить email  
Ответить на тему 
 Заголовок сообщения: Re: Замена радиатора печки на другое
СообщениеДобавлено: 09 фев 2014, 08:38 
Не в сети
Специалист
Специалист
Аватара пользователя

Зарегистрирован: 08 дек 2010, 22:37
Сообщения: 324
Тем: 13
Откуда: Бийск
Блог: Посмотреть блог (1)
Машина: др. Toyota
О машине: 1ZZ-FE 2003г.в. Черный универсал
Репутация: 50
Не мог понять про какие запилы ты говоришь пока вчера не увидел его в живую! мне кажется можно после того как вставишь трубки попробовать маленькими плоскогубцами загнуть или отверткой с молотком аккуратно (если смотреть по старому)

_________________
Изображение ZELLO АНАТОЛИЙ045


Вернуться к началу
 Профиль Отправить email  
Ответить на тему 
 Заголовок сообщения: Re: Замена радиатора печки на другое
СообщениеДобавлено: 09 фев 2014, 08:54 
Не в сети
Гуру
Гуру
Аватара пользователя

Зарегистрирован: 15 апр 2011, 15:59
Сообщения: 1552
Тем: 80
Откуда: хабаровск
Машина: Toyota Vista Ardeo
О машине: zzv50 2002г.1zz
Репутация: 967
Пропилы не нужны просто зажмите пасатижами края радиатора во внутырь.с 4 сторон и все будек ок.я ставил такой радиатор на ноах.главно не переусердствовать.

_________________
4:0 в мою пользу


Вернуться к началу
 Профиль Отправить email  
Ответить на тему 
 Заголовок сообщения: Re: Замена радиатора печки на другое
СообщениеДобавлено: 09 фев 2014, 08:56 
Не в сети
Специалист
Специалист
Аватара пользователя

Зарегистрирован: 08 дек 2010, 22:37
Сообщения: 324
Тем: 13
Откуда: Бийск
Блог: Посмотреть блог (1)
Машина: др. Toyota
О машине: 1ZZ-FE 2003г.в. Черный универсал
Репутация: 50
Вчера ближе к вечеру решил поменять радиатор печки ё съездил в магазин купил радиатор от газели 3-х рядный медный ,и 2 шланга на разборке гнутых под 90градусов. разобрал всё что может помешать (даже ковер немного откинул ),отпилил трубки ..вытащил радиатор , где то за час по времени вырезал все что можно в этом пространстве под радиатор ,а он оказался на 5-7 мм шире!!! я в полном ауте ! ноги чуть не отморозил- в гороже полный минус ! Сейчас вот пойду искать другой по уже ! Фото сделал, будут вечером (фотик в гараже забыл вчера) Кому что интерестно или там промерить чтото нужно пишите !

Добавлено спустя 11 часов 18 минут 45 секунд:
Ну вот собрал! КАК и обещал фотки

Добавлено спустя 15 минут 20 секунд:
прорезаем ножом и ломаем плоскогубцами

Добавлено спустя 19 минут 8 секунд:
ещё


Вложения:
Комментарий к файлу: так всё начиналось
IMG_1345.jpg
IMG_1345.jpg [ 589.99 КБ | Просмотров: 11006 ]
IMG_1347.jpg
IMG_1347.jpg [ 122.98 КБ | Просмотров: 11002 ]
Комментарий к файлу: пилим
IMG_1348.jpg
IMG_1348.jpg [ 599.01 КБ | Просмотров: 11002 ]
Комментарий к файлу: вынимаем
IMG_1349.jpg
IMG_1349.jpg [ 806.9 КБ | Просмотров: 11002 ]
Комментарий к файлу: режем
IMG_1350.jpg
IMG_1350.jpg [ 577.89 КБ | Просмотров: 11002 ]
IMG_1351.jpg
IMG_1351.jpg [ 897.32 КБ | Просмотров: 11002 ]
Комментарий к файлу: ломаем со второй стороны
IMG_1353.jpg
IMG_1353.jpg [ 802.19 КБ | Просмотров: 10999 ]
Комментарий к файлу: примерно вот так
IMG_1354.jpg
IMG_1354.jpg [ 951.63 КБ | Просмотров: 10999 ]
Комментарий к файлу: сначала хотел такой медный(слева) поставил алюминьевый (с права)
IMG_1356.jpg
IMG_1356.jpg [ 680.81 КБ | Просмотров: 10999 ]
Комментарий к файлу: разница по высоте заметна не вооруженным глазом
IMG_1357.jpg
IMG_1357.jpg [ 702.11 КБ | Просмотров: 10999 ]
Комментарий к файлу: вставляем ---- и номер за одно
IMG_1361.jpg
IMG_1361.jpg [ 771.69 КБ | Просмотров: 10999 ]

_________________
Изображение ZELLO АНАТОЛИЙ045
Вернуться к началу
 Профиль Отправить email  
Ответить на тему 
 Заголовок сообщения: Re: Замена радиатора печки на другое
СообщениеДобавлено: 09 фев 2014, 21:07 
Не в сети
местный
Аватара пользователя

Зарегистрирован: 27 мар 2011, 13:42
Сообщения: 3978
Тем: 76
Откуда: г. Братск, Иркутская область
Блог: Посмотреть блог (2)
Машина: др. Toyota
Репутация: 2867
Вот такой можно было воткнуть. От ГАЗели.

_________________
Toyota Vista Ardeo, 1ZZ-FE, 10.1998 г., multivision, обвес. Была
Toyota Vista Ardeo, 1ZZ-FE, 12.2000 г., диван, multivision, печка Ipsum, ксенон. Была
Toyota Camry, 2AZ-FE, 03.2008, R4. Была
Toyota Allion, 1ZZ-FE, 01.2004 - на drive2


Вернуться к началу
 Профиль  
Ответить на тему 
 Заголовок сообщения: Re: Замена радиатора печки на другое
СообщениеДобавлено: 09 фев 2014, 21:27 
Не в сети
Специалист
Специалист
Аватара пользователя

Зарегистрирован: 08 дек 2010, 22:37
Сообщения: 324
Тем: 13
Откуда: Бийск
Блог: Посмотреть блог (1)
Машина: др. Toyota
О машине: 1ZZ-FE 2003г.в. Черный универсал
Репутация: 50
ещё фото

Добавлено спустя 1 минуту 2 секунды:
Ну вот как то так если что интересно пишите !


Вложения:
Комментарий к файлу: греем патрубки и герметик
IMG_1365.jpg
IMG_1365.jpg [ 719.86 КБ | Просмотров: 10992 ]
Комментарий к файлу: ставим патрубки на герметик (мажем трубки)
IMG_1368.jpg
IMG_1368.jpg [ 723 КБ | Просмотров: 10992 ]
Комментарий к файлу: на трубки
IMG_1369.jpg
IMG_1369.jpg [ 727.16 КБ | Просмотров: 10992 ]
Комментарий к файлу: щели заклеиваем уплотнителем и замазываем герметиком
IMG_1371.jpg
IMG_1371.jpg [ 605.81 КБ | Просмотров: 10992 ]

_________________
Изображение ZELLO АНАТОЛИЙ045
Вернуться к началу
 Профиль Отправить email  
Ответить на тему 

Показать сообщения за:  Поле сортировки  
Начать новую тему Ответить на тему

 [ Сообщений: 1330 ]  На страницу Пред.  1 ... 12, 13, 14, 15, 16, 17, 18 ... 89  След.





* Поиск по сайту Вверх Вниз

Кто сейчас на конференции

Сейчас этот форум просматривают: нет зарегистрированных пользователей и гости: 0


Вы не можете начинать темы
Вы не можете отвечать на сообщения
Вы не можете редактировать свои сообщения
Вы не можете удалять свои сообщения
Вы не можете добавлять вложения

Найти:
Перейти:  
Текущее время: 23 окт 2025, 17:42
Часовой пояс: UTC + 7 часов
Powered by phpbb. (c) VistaClub.ru.    * Статистика
Loading...