* Поиск по сайту Вверх Вниз



Начать новую тему Ответить на тему  [ Сообщений: 23 ]  На страницу Пред.  1, 2
Автор Сообщение
 Заголовок сообщения: Re: Когда должен включаеться вентилятор радиатора 3s-fe?
СообщениеДобавлено: 08 май 2013, 19:54 
Не в сети
Любитель
Любитель

Зарегистрирован: 13 апр 2013, 20:09
Сообщения: 22
Откуда: Екатеринбург
Машина: Toyota Camry
О машине: SV32-AEPGK, 3SFE, A140E
Репутация: 0
Рекламные ссылки. Показывается только незарегистрированным пользователям


Цитата:
[size=50]Второй пропеллер на кондер! Вообще у меня тоже беда с вентиляторами была, они вообще не включались, поменял все датчики и почистил разъемы вентиляторов - стали работать оба и постоянно, на кондер выявили беду в отсутствии трубок кондиционера, на них там какой то датчик еще стоит, а основной радиатор работал из-за неисправности реле его включения!


А у кондея вентилятор разве не на передней стороне радиатора стоит[/size]?[/quote]


нет, они рядом стоят- за радиатором. если спереди смотреть на мотор то слева вент кондея, а справа системы охлаждения. тот что слева должен включатся когда запускаешь кондей.
аналогичная ситуация проявилась по всене как тепло стало - оба не работали.
По совету добрых людей - всем отдельное спасибо - замкнул контакты датчика коднея, и все стало работать по датчику температуры в радиаторе. правда вент кондея отцепил, т.к. система после ДТП разгерментизирована


Вернуться к началу
 Профиль Отправить email  
Ответить на тему 

 Заголовок сообщения: Re: Когда должен включаеться вентилятор радиатора 3s-fe?
СообщениеДобавлено: 09 май 2013, 13:55 
Не в сети
местный модератор
Аватара пользователя

Зарегистрирован: 12 фев 2009, 04:00
Сообщения: 7539
Тем: 100
Откуда: Хабаровск
Блог: Посмотреть блог (6)
Машина: Toyota Vista Ardeo
О машине: серебристая с ресничками
Репутация: 1791
какой ужОс включать вентилятор вручную....японские инженеры бы сознание потеряли, увидев как наши издеваются над их детищем. А потом жалуются, что жрет масло, закоксовано, ОЖ в.... лучше уж включить на постоянку, чем перегреть в пробке.

_________________
--------------------------------------------------
トヨタ ビスタアルデオ / VISTA ARDEO SV55G - BWSGK 4.2000, N200G, 3S-FE, 4WD, navi, ...
--------------------------------------------------


Вернуться к началу
 Профиль  
Ответить на тему 
 Заголовок сообщения: Re: Когда должен включаеться вентилятор радиатора 3s-fe?
СообщениеДобавлено: 25 июн 2013, 21:38 
Не в сети
Начинающий
Начинающий

Зарегистрирован: 29 ноя 2012, 10:29
Сообщения: 5
Тем: 2
Машина: Toyota Vista
Репутация: 0
Заехал я тут к электрику и он мне сказал что датчик включения вентилятора идет на мозги и где то там обрыв в проводке и мне предложил 3 варианта 1) Это ездить так как я сейчас с тумблера включая. 2) Снимать косу полностью все прозванивать еще к то му же нужна схема. 3) Либо в верхнем патрубке сделать трубку и в него вкрутить от жигулей или еще от чего нибудь датчик и чтобы срабатывал вентилятор таким образом обойти мозги! Но что то мне мало верится что этот датчик включения вентилятора связан с мозгами, может он спутал этот датчик с другим! Хотел спросить правдо ли этот датчик с мозгами связан!!! Или просто электрика сменить!


Вернуться к началу
 Профиль  
Ответить на тему 
 Заголовок сообщения: Re: Когда должен включаеться вентилятор радиатора 3s-fe?
СообщениеДобавлено: 26 июн 2013, 20:14 
Не в сети
местный модератор
Аватара пользователя

Зарегистрирован: 12 фев 2009, 04:00
Сообщения: 7539
Тем: 100
Откуда: Хабаровск
Блог: Посмотреть блог (6)
Машина: Toyota Vista Ardeo
О машине: серебристая с ресничками
Репутация: 1791
почти все датчики обрабатываются мозгами... Но в данном случае датчик размыкает контакты в следствии нагрева и температурного расширения, тем самым релюшка включает вентиляторы... Эта релюха находится в блоке предохранителей или гдето рядом...не помню точно. Ее можно найти по проводам от вентилятора.

_________________
--------------------------------------------------
トヨタ ビスタアルデオ / VISTA ARDEO SV55G - BWSGK 4.2000, N200G, 3S-FE, 4WD, navi, ...
--------------------------------------------------


Вернуться к началу
 Профиль  
Ответить на тему 
 Заголовок сообщения: Re: Когда должен включаеться вентилятор радиатора 3s-fe?
СообщениеДобавлено: 27 июн 2013, 14:16 
Не в сети
модератор
Аватара пользователя

Зарегистрирован: 27 окт 2008, 04:00
Сообщения: 12709
Тем: 15
Откуда: Вятка
Машина: др. Японка
О машине: Toyota Prius 51
Репутация: 2380
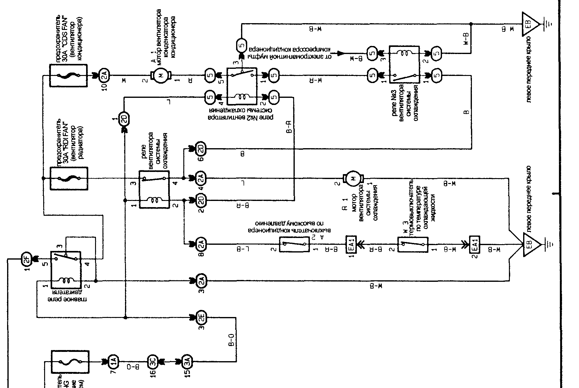
avn000 писал(а):
Заехал я тут к электрику и он мне сказал что датчик включения вентилятора идет на мозги и где то там обрыв в проводке и мне предложил 3 варианта 1) Это ездить так как я сейчас с тумблера включая. 2) Снимать косу полностью все прозванивать еще к то му же нужна схема. 3) Либо в верхнем патрубке сделать трубку и в него вкрутить от жигулей или еще от чего нибудь датчик и чтобы срабатывал вентилятор таким образом обойти мозги! Но что то мне мало верится что этот датчик включения вентилятора связан с мозгами, может он спутал этот датчик с другим! Хотел спросить правдо ли этот датчик с мозгами связан!!! Или просто электрика сменить!
Схема включения


Вложения:
Безымянный.png
Безымянный.png [ 100.76 КБ | Просмотров: 3642 ]

_________________
Vista Ardeo 1999, SV50, D4, Мультик, TV...
Вернуться к началу
 Профиль Отправить email  
Ответить на тему 
 Заголовок сообщения: Re: Когда должен включаеться вентилятор радиатора 3s-fe?
СообщениеДобавлено: 28 июн 2013, 02:43 
Не в сети
Специалист
Специалист
Аватара пользователя

Зарегистрирован: 23 июн 2011, 23:05
Сообщения: 425
Тем: 14
Откуда: Воронеж
Машина: Toyota Camry
О машине: sxv10
Репутация: 115
машина то какая?а то с 96 года за вкл винтов отвечает не термопара а сам мозг по показаниям дт.


Вернуться к началу
 Профиль Отправить email  
Ответить на тему 
 Заголовок сообщения: Re: Когда должен включаеться вентилятор радиатора 3s-fe?
СообщениеДобавлено: 28 июн 2013, 03:03 
Не в сети
модератор
Аватара пользователя

Зарегистрирован: 27 окт 2008, 04:00
Сообщения: 12709
Тем: 15
Откуда: Вятка
Машина: др. Японка
О машине: Toyota Prius 51
Репутация: 2380
megavolt@ писал(а):
машина то какая?а то с 96 года за вкл винтов отвечает не термопара а сам мозг по показаниям дт.
А почитать сначала? Об SV-21 речь.

_________________
Vista Ardeo 1999, SV50, D4, Мультик, TV...


Вернуться к началу
 Профиль Отправить email  
Ответить на тему 
 Заголовок сообщения: Re: Когда должен включаеться вентилятор радиатора 3s-fe?
СообщениеДобавлено: 28 июн 2013, 03:22 
Не в сети
Специалист
Специалист
Аватара пользователя

Зарегистрирован: 23 июн 2011, 23:05
Сообщения: 425
Тем: 14
Откуда: Воронеж
Машина: Toyota Camry
О машине: sxv10
Репутация: 115
ох ты ё.старый стал совсем,удаляйте ;).


Вернуться к началу
 Профиль Отправить email  
Ответить на тему 

Показать сообщения за:  Поле сортировки  
Начать новую тему Ответить на тему

 [ Сообщений: 23 ]  На страницу Пред.  1, 2





* Поиск по сайту Вверх Вниз

Кто сейчас на конференции

Сейчас этот форум просматривают: нет зарегистрированных пользователей и гости: 0


Вы не можете начинать темы
Вы не можете отвечать на сообщения
Вы не можете редактировать свои сообщения
Вы не можете удалять свои сообщения
Вы не можете добавлять вложения

Найти:
Перейти:  
Текущее время: 18 фев 2026, 14:07
Часовой пояс: UTC + 7 часов
Powered by phpbb. (c) VistaClub.ru.    * Статистика