* Поиск по сайту Вверх Вниз



Начать новую тему Ответить на тему  [ Сообщений: 577 ]  На страницу Пред.  1 ... 29, 30, 31, 32, 33, 34, 35 ... 39  След.
Автор Сообщение
 Заголовок сообщения: Re: ДНЕВНЫЕ ХОДОВЫЕ ОГНИ (ДХО)!!!
СообщениеДобавлено: 22 май 2012, 13:39 
Не в сети
Гуру
Гуру
Аватара пользователя

Зарегистрирован: 14 авг 2011, 23:21
Сообщения: 1309
Тем: 63
Откуда: Челябинск
Машина: Toyota Vista Ardeo
О машине: SV-50 3S-FSE Active Sports 1998
Репутация: 683
Рекламные ссылки. Показывается только незарегистрированным пользователям


зачем такие заморочки если можно просто поставить ДХО, купленные на aliexpress за копейки. Подключить через 1 реле, а то и вообще без него и включить режим AUTO? Я так езжу уже черт знает сколько. Под мостами бывает включается свет, да и шиш с ним, пусть включается. Можно датчик порегулировать, тогда и под мостами наверно не будет моргать


Вернуться к началу
 Профиль Отправить email  
Ответить на тему 

 Заголовок сообщения: Re: ДНЕВНЫЕ ХОДОВЫЕ ОГНИ (ДХО)!!!
СообщениеДобавлено: 30 май 2012, 00:11 
Не в сети
Начинающий
Начинающий
Аватара пользователя

Зарегистрирован: 31 окт 2011, 17:01
Сообщения: 19
Тем: 1
Откуда: Алтайский край с.Шипуново
Машина: Toyota Vista
О машине: zzv50 1zz-fe 98г.
Репутация: 20
вопрос имеется.еслив по этой схеме вместо светодиодов будут стоять галогеновые противотуманки ,реле бенз.насоса ни чем не постродает.http://vistaclub.ru/forum/viewtopic.php ... &start=300


Вернуться к началу
 Профиль Отправить email  
Ответить на тему 
 Заголовок сообщения: Re: ДНЕВНЫЕ ХОДОВЫЕ ОГНИ (ДХО)!!!
СообщениеДобавлено: 30 май 2012, 00:47 
Не в сети
Профи
Профи
Аватара пользователя

Зарегистрирован: 01 май 2008, 03:00
Сообщения: 757
Тем: 77
Откуда: РОССИЯ, Воронеж.
Машина: Toyota Vista
О машине: ZZV-50, 1ZZ, 1999г.
Репутация: 467
gelo писал(а):
вопрос имеется.еслив по этой схеме вместо светодиодов будут стоять галогеновые противотуманки ,реле бенз.насоса ни чем не постродает.http://vistaclub.ru/forum/viewtopic.php ... &start=300

Я думаю что не стоит на реле бенз.насоса вешать галоген, нагрузка получится большая. я бы не стал так подключать галогенки.


Вернуться к началу
 Профиль Отправить email  
Ответить на тему 
 Заголовок сообщения: Re: ДНЕВНЫЕ ХОДОВЫЕ ОГНИ (ДХО)!!!
СообщениеДобавлено: 30 май 2012, 11:19 
Не в сети
модератор
Аватара пользователя

Зарегистрирован: 27 окт 2008, 04:00
Сообщения: 12731
Тем: 15
Откуда: Вятка
Машина: др. Японка
О машине: Toyota Prius 51
Репутация: 2381
gelo писал(а):
вопрос имеется.еслив по этой схеме вместо светодиодов будут стоять галогеновые противотуманки ,реле бенз.насоса ни чем не постродает.http://vistaclub.ru/forum/viewtopic.php ... &start=300
Реле не пострадает, но будет выгорать контакт, для галогенок лучше запитать через предохранитель с аккумулятора.

_________________
Vista Ardeo 1999, SV50, D4, Мультик, TV...


Вернуться к началу
 Профиль Отправить email  
Ответить на тему 
 Заголовок сообщения: Re: ДНЕВНЫЕ ХОДОВЫЕ ОГНИ (ДХО)!!!
СообщениеДобавлено: 30 май 2012, 17:22 
Не в сети
Гуру
Гуру
Аватара пользователя

Зарегистрирован: 14 авг 2011, 23:21
Сообщения: 1309
Тем: 63
Откуда: Челябинск
Машина: Toyota Vista Ardeo
О машине: SV-50 3S-FSE Active Sports 1998
Репутация: 683
Народ а что за мода такая, особенно у приоро\калино\газеле водов, с дальним ездить? Я так понял это у них такая схема ДХО? вчера хотел остановиться и раскулачить такого приоровода. Слепит дальним, на моргания всей толпы с противоположной стороны не реагирует.


Вернуться к началу
 Профиль Отправить email  
Ответить на тему 
 Заголовок сообщения: Re: ДНЕВНЫЕ ХОДОВЫЕ ОГНИ (ДХО)!!!
СообщениеДобавлено: 30 май 2012, 23:59 
Не в сети
Начинающий
Начинающий
Аватара пользователя

Зарегистрирован: 31 окт 2011, 17:01
Сообщения: 19
Тем: 1
Откуда: Алтайский край с.Шипуново
Машина: Toyota Vista
О машине: zzv50 1zz-fe 98г.
Репутация: 20
а вот так гдето. как смог нецарапал


Вложения:
СХЕМА.png
СХЕМА.png [ 24.69 КБ | Просмотров: 1509 ]
Вернуться к началу
 Профиль Отправить email  
Ответить на тему 
 Заголовок сообщения: Re: ДНЕВНЫЕ ХОДОВЫЕ ОГНИ (ДХО)!!!
СообщениеДобавлено: 31 май 2012, 04:27 
Не в сети
Профи
Профи
Аватара пользователя

Зарегистрирован: 01 май 2008, 03:00
Сообщения: 757
Тем: 77
Откуда: РОССИЯ, Воронеж.
Машина: Toyota Vista
О машине: ZZV-50, 1ZZ, 1999г.
Репутация: 467
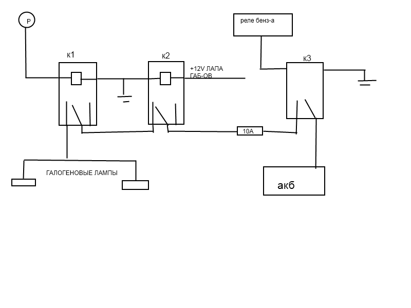
gelo писал(а):
а вот так гдето. как смог нецарапал

Вот для тебя, для галогена покрасивей нарисовал :smoke:


Вложения:
00001.jpg
00001.jpg [ 449.55 КБ | Просмотров: 1505 ]


Последний раз редактировалось jannoss 31 май 2012, 08:58, всего редактировалось 1 раз.
Вернуться к началу
 Профиль Отправить email  
Ответить на тему 
 Заголовок сообщения: Re: ДНЕВНЫЕ ХОДОВЫЕ ОГНИ (ДХО)!!!
СообщениеДобавлено: 31 май 2012, 06:04 
Не в сети
местный модератор
Аватара пользователя

Зарегистрирован: 12 фев 2009, 04:00
Сообщения: 7539
Тем: 100
Откуда: Хабаровск
Блог: Посмотреть блог (6)
Машина: Toyota Vista Ardeo
О машине: серебристая с ресничками
Репутация: 1791
я все жду когда же появятся доступные сверхмощные леддиоды меньшего размера, чтоб заменить лампы в туманках и тогда уже отвязать габариты......пока днем редко включаю свет - нарушитель))

_________________
--------------------------------------------------
トヨタ ビスタアルデオ / VISTA ARDEO SV55G - BWSGK 4.2000, N200G, 3S-FE, 4WD, navi, ...
--------------------------------------------------


Вернуться к началу
 Профиль  
Ответить на тему 
 Заголовок сообщения: Re: ДНЕВНЫЕ ХОДОВЫЕ ОГНИ (ДХО)!!!
СообщениеДобавлено: 31 май 2012, 14:41 
Не в сети
Начинающий
Начинающий
Аватара пользователя

Зарегистрирован: 31 окт 2011, 17:01
Сообщения: 19
Тем: 1
Откуда: Алтайский край с.Шипуново
Машина: Toyota Vista
О машине: zzv50 1zz-fe 98г.
Репутация: 20
Цитата:
а вот так гдето. как смог нецарапал
Цитата:
Вот для тебя, для галогена покрасивей нарисовал

вот в этом месте не пойму, :dash: (просто плюсовой провод огалён, препаен к проводу рзле и заизолирован)
И РЕСПЕКТ jannoss за красивую схемку для галогена. :good:


Вложения:
6.jpg
6.jpg [ 26.48 КБ | Просмотров: 1488 ]
Вернуться к началу
 Профиль Отправить email  
Ответить на тему 
 Заголовок сообщения: Re: ДНЕВНЫЕ ХОДОВЫЕ ОГНИ (ДХО)!!!
СообщениеДобавлено: 07 июн 2012, 16:21 
Не в сети
Специалист
Специалист
Аватара пользователя

Зарегистрирован: 31 май 2009, 03:00
Сообщения: 108
Тем: 3
Откуда: Хабаровск
Репутация: 37
Всех приветствую. Задумал вот тоже поставить ДХО; со схемой включения чего-нибудь придумаю, а вот по размещению - соригинальничать хочется) Неохота как у всех - внизу горизонтально...
Как вам такой вариант? Одобряете?


Вложения:
Photo-0282.jpg
Photo-0282.jpg [ 439.6 КБ | Просмотров: 1397 ]
Photo-0283.jpg
Photo-0283.jpg [ 447.03 КБ | Просмотров: 1397 ]

_________________
Vista Ardeo, 2000 г, 1ZZ, multivision
Изображение
Вернуться к началу
 Профиль  
Ответить на тему 
 Заголовок сообщения: Re: ДНЕВНЫЕ ХОДОВЫЕ ОГНИ (ДХО)!!!
СообщениеДобавлено: 07 июн 2012, 18:13 
Не в сети
модератор
Аватара пользователя

Зарегистрирован: 05 май 2009, 03:00
Сообщения: 6759
Тем: 72
Откуда: Ставрополье
Блог: Посмотреть блог (7)
Машина: Toyota Vista
О машине: седан SV50, 3S-FSE, U240E, 98г.
Репутация: 1473
polinom, оригинально, одобрям!
по госту место установки канает?

Добавлено спустя 1 минуту 29 секунд:
немного бы ещё угол наклона подтянуть к фарам, но походу никак уже..

_________________
Случайности не случайны...


Вернуться к началу
 Профиль  
Ответить на тему 
 Заголовок сообщения: Re: ДНЕВНЫЕ ХОДОВЫЕ ОГНИ (ДХО)!!!
СообщениеДобавлено: 07 июн 2012, 18:59 
Не в сети
Специалист
Специалист
Аватара пользователя

Зарегистрирован: 31 май 2009, 03:00
Сообщения: 108
Тем: 3
Откуда: Хабаровск
Репутация: 37
uraStav писал(а):
по госту место установки канает?

Да чутка не влазит.. От края надо 40 см, тут 46. Но знаешь, глядя на то, с чем народ у нас ездит - какие нах... госты :smile: Гирлянд понавешают, и все это вместе с ближним и ПТФ... чтоб "наверочку".
Да и Гайцы пока особо не дергают.. Щас езжу со светодиодными габаритами и ПТФ (нифига не видать)) - не останавливали ни разу.
Ближе к фарам, жаль, не сдвинешь - хочу вкорячить в паз решетки, а там с краев сужение.. Не влезет, блин. Хотя, напильник рулит... :wink:

_________________
Vista Ardeo, 2000 г, 1ZZ, multivision
Изображение


Вернуться к началу
 Профиль  
Ответить на тему 
 Заголовок сообщения: Re: ДНЕВНЫЕ ХОДОВЫЕ ОГНИ (ДХО)!!!
СообщениеДобавлено: 22 июн 2012, 11:41 
Не в сети
Гуру
Гуру
Аватара пользователя

Зарегистрирован: 14 авг 2011, 23:21
Сообщения: 1309
Тем: 63
Откуда: Челябинск
Машина: Toyota Vista Ardeo
О машине: SV-50 3S-FSE Active Sports 1998
Репутация: 683
Мне кажется если все по регламенту то на ТО проблем не должно быть. А ты между ними заменял расстояние? Там 600 минимум вроде. Народ Подскажите вот что- собираюсь ставить мощные дхо, от зажигания брать не хочу, брать буду от аккума. Разрывает цепь дхо пятиконтактное реле от габаритов. Вопрос: какое нужно реле чтобы поставить между аккумулятором и дхо? Сигналом в качестве пропускания тока через реле будет тот же провод от зажигания. Есть зажигание идет плюс на дхо они загораются, вкл габариты - разрывается цепь дхо. Я думаю понятно нарисовал :-) не знаю какое реле надо. Сколько ножек и какой схемы.


Вернуться к началу
 Профиль Отправить email  
Ответить на тему 
 Заголовок сообщения: Re: ДНЕВНЫЕ ХОДОВЫЕ ОГНИ (ДХО)!!!
СообщениеДобавлено: 22 июн 2012, 13:51 
Не в сети
Профи
Профи
Аватара пользователя

Зарегистрирован: 01 май 2008, 03:00
Сообщения: 757
Тем: 77
Откуда: РОССИЯ, Воронеж.
Машина: Toyota Vista
О машине: ZZV-50, 1ZZ, 1999г.
Репутация: 467
Linkin писал(а):
Мне кажется если все по регламенту то на ТО проблем не должно быть. А ты между ними заменял расстояние? Там 600 минимум вроде. Народ Подскажите вот что- собираюсь ставить мощные дхо, от зажигания брать не хочу, брать буду от аккума. Разрывает цепь дхо пятиконтактное реле от габаритов. Вопрос: какое нужно реле чтобы поставить между аккумулятором и дхо? Сигналом в качестве пропускания тока через реле будет тот же провод от зажигания. Есть зажигание идет плюс на дхо они загораются, вкл габариты - разрывается цепь дхо. Я думаю понятно нарисовал :-) не знаю какое реле надо. Сколько ножек и какой схемы.

Бери любое реле с Таза с 5 ножками и дальше уже играйся со схемой подключения.


Вложения:
5.1.jpg
5.1.jpg [ 55.21 КБ | Просмотров: 1305 ]
5.2.jpg
5.2.jpg [ 29.11 КБ | Просмотров: 1305 ]
5.3.jpg
5.3.jpg [ 17.21 КБ | Просмотров: 1305 ]
Вернуться к началу
 Профиль Отправить email  
Ответить на тему 
 Заголовок сообщения: Re: ДНЕВНЫЕ ХОДОВЫЕ ОГНИ (ДХО)!!!
СообщениеДобавлено: 24 июн 2012, 16:01 
Не в сети
Гуру
Гуру
Аватара пользователя

Зарегистрирован: 14 авг 2011, 23:21
Сообщения: 1309
Тем: 63
Откуда: Челябинск
Машина: Toyota Vista Ardeo
О машине: SV-50 3S-FSE Active Sports 1998
Репутация: 683
понял :) спасибо!


Вернуться к началу
 Профиль Отправить email  
Ответить на тему 

Показать сообщения за:  Поле сортировки  
Начать новую тему Ответить на тему

 [ Сообщений: 577 ]  На страницу Пред.  1 ... 29, 30, 31, 32, 33, 34, 35 ... 39  След.





* Поиск по сайту Вверх Вниз

Кто сейчас на конференции

Сейчас этот форум просматривают: нет зарегистрированных пользователей и гости: 6


Вы не можете начинать темы
Вы не можете отвечать на сообщения
Вы не можете редактировать свои сообщения
Вы не можете удалять свои сообщения
Вы не можете добавлять вложения

Найти:
Перейти:  
Текущее время: 14 май 2026, 16:03
Часовой пояс: UTC + 7 часов
Powered by phpbb. (c) VistaClub.ru.    * Статистика