* Поиск по сайту Вверх Вниз



Начать новую тему Ответить на тему  [ 1 сообщение ] 
Автор Сообщение
 Заголовок сообщения: Проставка для замены сальника задних полуосей (SV55)
СообщениеДобавлено: 30 янв 2012, 16:48 
Не в сети
Специалист
Специалист
Аватара пользователя

Зарегистрирован: 26 дек 2011, 21:12
Сообщения: 108
Тем: 13
Откуда: Белгород
Машина: Toyota Vista Ardeo
О машине: SV55 3S-FE 4WD 1999
Репутация: 429
Рекламные ссылки. Показывается только незарегистрированным пользователям


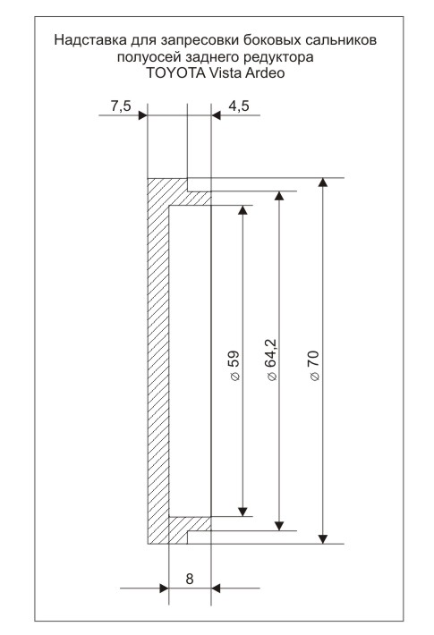
Довелось мне менять сальники задних полуосей. Здорово помогла эта проставка. Рекомендую.
Перед запрессовкой, наружную сторону сальника смазать тонким слоем масла
и/или посадочную поверхность корпуса редуктора. Во избежание задиров резины сальника.


Вложения:
Для сальника задн редуктора.jpg
Для сальника задн редуктора.jpg [ 39 КБ | Просмотров: 482 ]


Последний раз редактировалось pavanik_27 30 янв 2012, 18:03, всего редактировалось 3 раз(а).
сальник на полуоси со стороны редуктора
Вернуться к началу
 Профиль Отправить email  
Ответить на тему 

Показать сообщения за:  Поле сортировки  
Начать новую тему Ответить на тему

 [ 1 сообщение ] 





* Поиск по сайту Вверх Вниз

Кто сейчас на конференции

Сейчас этот форум просматривают: нет зарегистрированных пользователей и гости: 0


Вы не можете начинать темы
Вы не можете отвечать на сообщения
Вы не можете редактировать свои сообщения
Вы не можете удалять свои сообщения
Вы не можете добавлять вложения

Найти:
Перейти:  
Текущее время: 17 май 2026, 08:01
Часовой пояс: UTC + 7 часов
Powered by phpbb. (c) VistaClub.ru.    * Статистика