* Поиск по сайту Вверх Вниз



Начать новую тему Ответить на тему  [ Сообщений: 38 ]  На страницу Пред.  1, 2, 3  След.
Автор Сообщение
 Заголовок сообщения: Re: Камера обгона + GPS навигатор
СообщениеДобавлено: 22 апр 2011, 12:59 
Не в сети
Профи
Профи
Аватара пользователя

Зарегистрирован: 20 ноя 2009, 04:00
Сообщения: 636
Тем: 2
Откуда: Иркутск
Машина: др. Toyota
О машине: Тойота-Авенсис Вагон,1999 , 2л, МКПП:
Репутация: 487
Рекламные ссылки. Показывается только незарегистрированным пользователям


http://cyfroland.ru/contacts.php Вот ссылка по гармину, но я чё-то дозвониться до них не могу, факс включается, попробую заехать туда, правда адрес какой-то странный на схеме, там вроде как рынок расположен на Южной.

Добавлено спустя 1 минуту 20 секунд:
http://cyfroland.ru/garmin-gvn51-218393.php

Добавлено спустя 1 час 32 минуты 25 секунд:
http://partizangps.ru/shop/23437/23445/?pos=659276

Добавлено спустя 12 минут 56 секунд:
http://www.mob-telefonchik.ru/gps_navig ... osition83/


Вернуться к началу
 Профиль  
Ответить на тему 

 Заголовок сообщения: Re: Камера обгона + GPS навигатор
СообщениеДобавлено: 23 апр 2011, 21:53 
Не в сети
Начинающий
Начинающий

Зарегистрирован: 28 фев 2011, 20:35
Сообщения: 12
Тем: 1
Машина: Toyota Vista
О машине: SV40
Репутация: 0
Jesus писал(а):
тоже данный вопрос изучал в инете , копал про продукцию фатона или фантона там к главному блоку можно подключать камеру + парктроник ( вид будет с разметкой), GPS , датчики давления колес, двд, короче фонтастика но все в сумме дорого да и не один блок придется прятать

можешь кинуть ссылку на такую фантастику?))))

AMiGo! по поводу организовать пункт 6 Режим включения...если еще нужно могу подумать;) только сообщи на чем думаешь делать: реле или логика?


Вернуться к началу
 Профиль Отправить email  
Ответить на тему 
 Заголовок сообщения: Re: Камера обгона + GPS навигатор
СообщениеДобавлено: 23 апр 2011, 22:43 
Не в сети
модератор
Аватара пользователя

Зарегистрирован: 27 окт 2008, 04:00
Сообщения: 12731
Тем: 15
Откуда: Вятка
Машина: др. Японка
О машине: Toyota Prius 51
Репутация: 2381
koss1212 писал(а):
можешь кинуть ссылку на такую фантастику?))))
Ссылки viewtopic.php?p=120306#p120306. Только непонятно подключение, я так понял там RGB выходы как и на Гармине.

_________________
Vista Ardeo 1999, SV50, D4, Мультик, TV...


Вернуться к началу
 Профиль Отправить email  
Ответить на тему 
 Заголовок сообщения: Re: Камера обгона + GPS навигатор
СообщениеДобавлено: 24 апр 2011, 10:06 
Не в сети
Любитель
Любитель
Аватара пользователя

Зарегистрирован: 13 янв 2009, 04:00
Сообщения: 33
Тем: 2
Откуда: Омск
Машина: Toyota Vista Ardeo
Репутация: 1
koss1212 писал(а):
AMiGo! по поводу организовать пункт 6 Режим включения...если еще нужно могу подумать;) только сообщи на чем думаешь делать: реле или логика?


Я так понимаю, "на логике" это просто микруха какае-то, да? Я даже не знаю на чем лучше, а что посоветуешь? Буду признателен, если поможешь!


Вернуться к началу
 Профиль  
Ответить на тему 
 Заголовок сообщения: Re: Камера обгона + GPS навигатор
СообщениеДобавлено: 24 апр 2011, 12:56 
Не в сети
Начинающий
Начинающий

Зарегистрирован: 28 фев 2011, 20:35
Сообщения: 12
Тем: 1
Машина: Toyota Vista
О машине: SV40
Репутация: 0
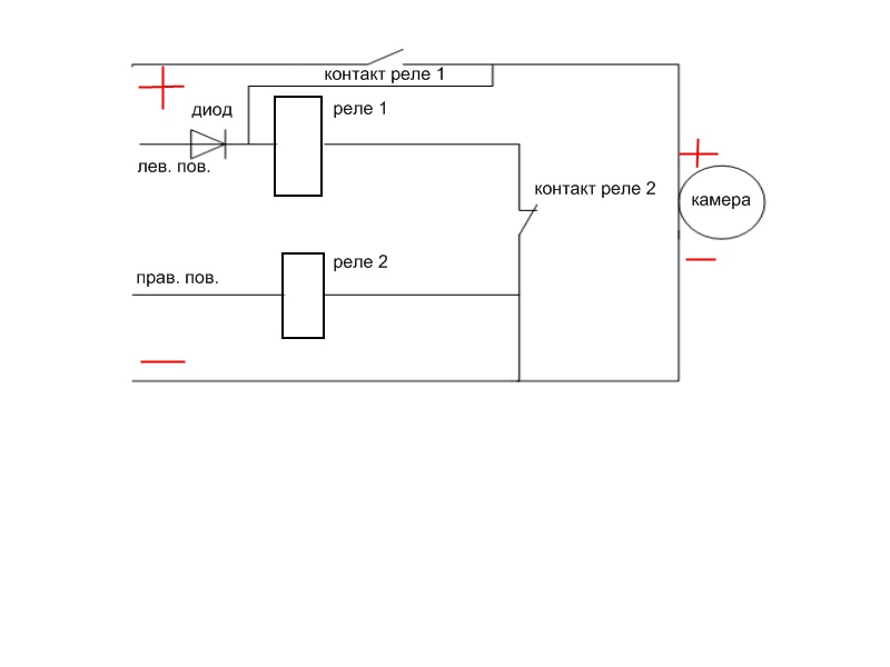
могу предложить вообще простую схему на вдух реле.
Принцип работы: При включении левого поворотника идет импульсы на реле №1, оно замыкает свой контакт, включающий камеру и одновременно блокирует себя. И будет работать до тех пор пока не включиш правый поворотник, включаешь правый поворотник, включается второе реле и разрывает цепь первого, камера отключается.....
Вот только нужно подобрать два одинаковых реле, чтобы при включении аварийки они одновременно включались и камера не моргала))))))

могу придумать на логике(микросхема), но там все равно надо будет ставить одно реле, и сборка будет сложнее...
если что не понятно, пиши;)


Вложения:
2.jpg
2.jpg [ 30.31 КБ | Просмотров: 1650 ]
Вернуться к началу
 Профиль Отправить email  
Ответить на тему 
 Заголовок сообщения: Re: Камера обгона + GPS навигатор
СообщениеДобавлено: 26 апр 2011, 18:59 
Не в сети
Любитель
Любитель
Аватара пользователя

Зарегистрирован: 13 янв 2009, 04:00
Сообщения: 33
Тем: 2
Откуда: Омск
Машина: Toyota Vista Ardeo
Репутация: 1
koss1212 писал(а):
могу предложить вообще простую схему на вдух реле.


Спасибо за схему. Вроде принцип то понятен. Как сделаю - напишу.


Вернуться к началу
 Профиль  
Ответить на тему 
 Заголовок сообщения: Re: Камера обгона + GPS навигатор
СообщениеДобавлено: 16 май 2011, 11:16 
Не в сети
Специалист
Специалист
Аватара пользователя

Зарегистрирован: 12 окт 2010, 03:00
Сообщения: 117
Тем: 11
Откуда: Ярославль
Машина: Toyota Vista
О машине: SV30, 1992, 4S-FE; была - SV55, 2001
Репутация: 11
koss1212 писал(а):
могу предложить вообще простую схему на вдух реле.
Принцип работы: При включении левого поворотника идет импульсы на реле №1, оно замыкает свой контакт, включающий камеру и одновременно блокирует себя. И будет работать до тех пор пока не включиш правый поворотник, включаешь правый поворотник, включается второе реле и разрывает цепь первого, камера отключается.....
Вот только нужно подобрать два одинаковых реле, чтобы при включении аварийки они одновременно включались и камера не моргала))))))

могу придумать на логике(микросхема), но там все равно надо будет ставить одно реле, и сборка будет сложнее...
если что не понятно, пиши;)


КОСС, нарисуй пожалуйста схемку на логике.. С указанием маркировки деталюшек. :wink:


Вернуться к началу
 Профиль Отправить email  
Ответить на тему 
 Заголовок сообщения: Re: Камера обгона + GPS навигатор
СообщениеДобавлено: 18 май 2011, 19:58 
Не в сети
Начинающий
Начинающий

Зарегистрирован: 28 фев 2011, 20:35
Сообщения: 12
Тем: 1
Машина: Toyota Vista
О машине: SV40
Репутация: 0
принцип будет тот-же самый, но вместо первой реле, будет стоять целая микросхема, там и ножки меньше и паять больше, я считаю это не целесообразно, но если я тебя не убедил, то к выходным выложу;)


Вернуться к началу
 Профиль Отправить email  
Ответить на тему 
 Заголовок сообщения: Re: Камера обгона + GPS навигатор
СообщениеДобавлено: 18 май 2011, 20:49 
Не в сети
Специалист
Специалист
Аватара пользователя

Зарегистрирован: 12 окт 2010, 03:00
Сообщения: 117
Тем: 11
Откуда: Ярославль
Машина: Toyota Vista
О машине: SV30, 1992, 4S-FE; была - SV55, 2001
Репутация: 11
если микросхема не заменит оба реле,то смысла нет заморачиваться. Спасибо за реакцию...


Вернуться к началу
 Профиль Отправить email  
Ответить на тему 
 Заголовок сообщения: Re: Камера обгона + GPS навигатор
СообщениеДобавлено: 18 май 2011, 21:30 
Не в сети
Начинающий
Начинающий

Зарегистрирован: 28 фев 2011, 20:35
Сообщения: 12
Тем: 1
Машина: Toyota Vista
О машине: SV40
Репутация: 0
Скажите точные характеристики камеры обгона? потребляемый ток в частности интересует:)


Вернуться к началу
 Профиль Отправить email  
Ответить на тему 
 Заголовок сообщения: Re: Камера обгона + GPS навигатор
СообщениеДобавлено: 19 май 2011, 22:38 
Не в сети
Специалист
Специалист
Аватара пользователя

Зарегистрирован: 12 окт 2010, 03:00
Сообщения: 117
Тем: 11
Откуда: Ярославль
Машина: Toyota Vista
О машине: SV30, 1992, 4S-FE; была - SV55, 2001
Репутация: 11
А у меня еще нет камеры. Не купил еще. Но думаю там токи небольшие. Милиамперы..


Вернуться к началу
 Профиль Отправить email  
Ответить на тему 
 Заголовок сообщения: Re: Камера обгона + GPS навигатор
СообщениеДобавлено: 20 май 2011, 09:30 
Не в сети
Любитель
Любитель
Аватара пользователя

Зарегистрирован: 13 янв 2009, 04:00
Сообщения: 33
Тем: 2
Откуда: Омск
Машина: Toyota Vista Ardeo
Репутация: 1
На моей по документации Ток max 110 mA


Вернуться к началу
 Профиль  
Ответить на тему 
 Заголовок сообщения: Re: Камера обгона + GPS навигатор
СообщениеДобавлено: 16 июн 2011, 11:54 
Не в сети
Любитель
Любитель
Аватара пользователя

Зарегистрирован: 13 янв 2009, 04:00
Сообщения: 33
Тем: 2
Откуда: Омск
Машина: Toyota Vista Ardeo
Репутация: 1
В итоге, подключил камеру через кнопку "PWR" без всяких дополнительных схем. При обгонах излишняя резвость не помешает. )))


Вернуться к началу
 Профиль  
Ответить на тему 
 Заголовок сообщения: Камера обгона
СообщениеДобавлено: 13 сен 2011, 22:40 
Не в сети
Профи
Профи

Зарегистрирован: 15 мар 2008, 04:00
Сообщения: 764
Тем: 28
Откуда: Самара
Машина: др. неЯпонка
О машине: была, sv55, 4wd
Репутация: 89
купил и наконец то получил посылку с камерой обгона, подкдючил пробный вариант понравилось, завтра сделаю все стационарно фото выложу завтра........... :smile: :smile: :smile: :smile: :smile: :smile: :smile:

_________________
тойота виста ардео d4, 99 год , белый перламутр - была, скучаю
тойота виста ардео 99 год, 4 везде черная - была, скучаю
ММС Шариот Грандис - 00 год 4 везде - была
Шкода Октавия А5 - 06 год, 1,6 АКПП


Вернуться к началу
 Профиль  
Ответить на тему 
 Заголовок сообщения: Re: Камера обгона
СообщениеДобавлено: 14 сен 2011, 01:25 
Не в сети
Давно на форуме
Аватара пользователя

Зарегистрирован: 25 янв 2009, 04:00
Сообщения: 10683
Тем: 155
Откуда: Косопузия (Рязань).
Машина: др. Toyota
О машине: SXU10 5S-FE белая ночь 057
Репутация: 1488
А на что выводил изображение?
:smile: ...

_________________
:smoke: Я не парюсь. Уже не курю. Просто люблю на солнце посидеть.
(из личных наблюдений...)


Вернуться к началу
 Профиль  
Ответить на тему 

Показать сообщения за:  Поле сортировки  
Начать новую тему Ответить на тему

 [ Сообщений: 38 ]  На страницу Пред.  1, 2, 3  След.





* Поиск по сайту Вверх Вниз

Кто сейчас на конференции

Сейчас этот форум просматривают: нет зарегистрированных пользователей и гости: 0


Вы не можете начинать темы
Вы не можете отвечать на сообщения
Вы не можете редактировать свои сообщения
Вы не можете удалять свои сообщения
Вы не можете добавлять вложения

Найти:
Перейти:  
Текущее время: 27 май 2026, 04:54
Часовой пояс: UTC + 7 часов
Powered by phpbb. (c) VistaClub.ru.    * Статистика