* Поиск по сайту Вверх Вниз



Начать новую тему Ответить на тему  [ Сообщений: 99 ]  На страницу 1, 2, 3, 4, 5 ... 7  След.
Автор Сообщение
 Заголовок сообщения: Не работает монитор.
СообщениеДобавлено: 06 мар 2009, 12:01 
Не в сети
Начинающий
Начинающий
Аватара пользователя

Зарегистрирован: 06 мар 2009, 04:00
Сообщения: 2
Тем: 1
Репутация: 0
Рекламные ссылки. Показывается только незарегистрированным пользователям


Здравствуйте!!! Подскажите,пожалуйста... Купил машину,привезли под разбор из Японии,сразу не работал главный,основной и единственный дисплей. Бензин,скорость и время показывает. А там,где тахометр и всё остальное-просто светящийся экран! При нажатии на пульт (слева от водительского сидения),слышно звуки переключения,а монитор мёртвый. Под водительским сидением провода отсоединённые. Вроде как, там стоит блок управления. Как называется этот блок (марка),где его можно достать и сколько он может стоить, и вобще,в нём ли дело?


Вернуться к началу
 Профиль Отправить email  
Ответить на тему 

 Заголовок сообщения:
СообщениеДобавлено: 06 мар 2009, 17:30 
Не в сети
Гуру
Гуру
Аватара пользователя

Зарегистрирован: 10 июл 2008, 03:00
Сообщения: 1086
Тем: 39
Откуда: Подлужковье
Репутация: 12
блок управления в магнитоле. либо экран не подключен.

под сиденьем или ченджер или навигация. смотря что у меня за машина.

_________________
1ZZV50-99S-Ardeo - трофей из токио
290ККМ+
правительство - пересядь на калины!!!


Вернуться к началу
 Профиль  
Ответить на тему 
 Заголовок сообщения:
СообщениеДобавлено: 07 мар 2009, 08:43 
Не в сети
Начинающий
Начинающий
Аватара пользователя

Зарегистрирован: 06 мар 2009, 04:00
Сообщения: 2
Тем: 1
Репутация: 0
Vista Ardeo 2001 г. 3 sfe, кузов sv55. Вчера узнал,что под сидением стоит блок управления нивигации. ИЗ-ЗА ЕГО ОТСУТСТВИЯ МОЖЕТ МОНИТОР НЕ ПОКАЗЫВАТЬ?


Вернуться к началу
 Профиль Отправить email  
Ответить на тему 
 Заголовок сообщения:
СообщениеДобавлено: 07 мар 2009, 13:42 
Не в сети
Местный
Местный
Аватара пользователя

Зарегистрирован: 01 янв 2006, 04:00
Сообщения: 10044
Тем: 182
Откуда: ХМАО Роман
Машина: др. неЯпонка
О машине: Volkswagen Tiguan
Репутация: 710
voroha писал(а):
Vista Ardeo 2001 г. 3 sfe, кузов sv55. Вчера узнал,что под сидением стоит блок управления нивигации. ИЗ-ЗА ЕГО ОТСУТСТВИЯ МОЖЕТ МОНИТОР НЕ ПОКАЗЫВАТЬ?


КТо то помоему уже писал что надо вытащить диск навигации и все заработает.

_________________
Управлял шесть лет японской мечтой - Toyota Vista Ardeo, теперь управляю немецкой мечтой - DAS AUTO.


Вернуться к началу
 Профиль  
Ответить на тему 
 Заголовок сообщения:
СообщениеДобавлено: 07 мар 2009, 22:28 
Не в сети
Специалист
Специалист
Аватара пользователя

Зарегистрирован: 17 окт 2008, 03:00
Сообщения: 132
Тем: 10
Откуда: Красноярск
Машина: др. Toyota
Репутация: 0
вот и у меня не работает дисплей, только вообще, с чем связан дисплей, как я понимаю, сам дисплей, магнитола, навигация и тв-тюнер.

Так ли это или нет подскажите пожалуйста кто знает.

И еще дисплей и магнитола с дорестайлинговой подойдет на послерестайлинговую????

Vista Ardeo ZZV50 2002 В543СС 38 rus :)


Вернуться к началу
 Профиль  
Ответить на тему 
 Заголовок сообщения:
СообщениеДобавлено: 08 мар 2009, 14:04 
Не в сети
Гуру
Гуру
Аватара пользователя

Зарегистрирован: 08 авг 2007, 03:00
Сообщения: 1169
Тем: 42
Откуда: Хабаровск
Репутация: 86
kot543 писал(а):
вот и у меня не работает дисплей, только вообще, с чем связан дисплей, как я понимаю, сам дисплей, магнитола, навигация и тв-тюнер.

Так ли это или нет подскажите пожалуйста кто знает.

И еще дисплей и магнитола с дорестайлинговой подойдет на послерестайлинговую????

Vista Ardeo ZZV50 2002 В543СС 38 rus :)


Ребята! Млять.... Смотрите схемы! Я уже задолбался их кидать в форум. Там и на до рестайлинг и на после рестайлинг схемы есть. Там и найдете, куда чего идет, как монитор дружит с магнитоллой, и как навигашка подключается, и проследить почему у вас не работает. Ищите схемы на форуме в разделе документация.

_________________
А связь у меня никогда не обpыва¬%Я(¦P^1AZFSE NO CARRIER


Вернуться к началу
 Профиль  
Ответить на тему 
 Заголовок сообщения:
СообщениеДобавлено: 08 мар 2009, 20:01 
Не в сети
Специалист
Специалист
Аватара пользователя

Зарегистрирован: 17 окт 2008, 03:00
Сообщения: 132
Тем: 10
Откуда: Красноярск
Машина: др. Toyota
Репутация: 0
Вот если честно, то ничего не понимаю в схемах, может кто нибудь все таки знает и подскажет, заранее благодарен :)

Vista Ardeo ZZV50 2002 В543СС 38 rus


Вернуться к началу
 Профиль  
Ответить на тему 
 Заголовок сообщения: Ремонт многофункционального дисплея.
СообщениеДобавлено: 22 апр 2009, 23:43 
Не в сети
Любитель
Любитель
Аватара пользователя

Зарегистрирован: 07 дек 2008, 04:00
Сообщения: 37
Тем: 3
Репутация: 0
Доброго времени суток. У меня табло перестало показывать (тахометр, индикация климатконтроля, расходометр). Темепература двтгателя, уровень бензина, и скорость показывает. Снял всю эту конструкцию, разобрал. Сдох по все видимости дещифратор на дисплее (греется как паровоз). На замену есть табло с большим дисплеем, от какой "Висты" незнаю.

Будет ли это работать у меня и как можно подключить дисплей к выходу Видео, к магнитоле. родной магнитолы небыло с момента покупки.


Последний раз редактировалось Vyatich 01 фев 2011, 05:42, всего редактировалось 1 раз.
"Сдохло табло. Есть замена, но возник вопрос." Переименована


Вернуться к началу
 Профиль  
Ответить на тему 
 Заголовок сообщения: Re: Сдохло табло. Есть замена, но возник вопрос.
СообщениеДобавлено: 23 апр 2009, 05:10 
Не в сети
Специалист
Специалист
Аватара пользователя

Зарегистрирован: 30 июн 2007, 03:00
Сообщения: 321
Тем: 11
Машина: Toyota Vista Ardeo
О машине: 1zz.
Репутация: 173
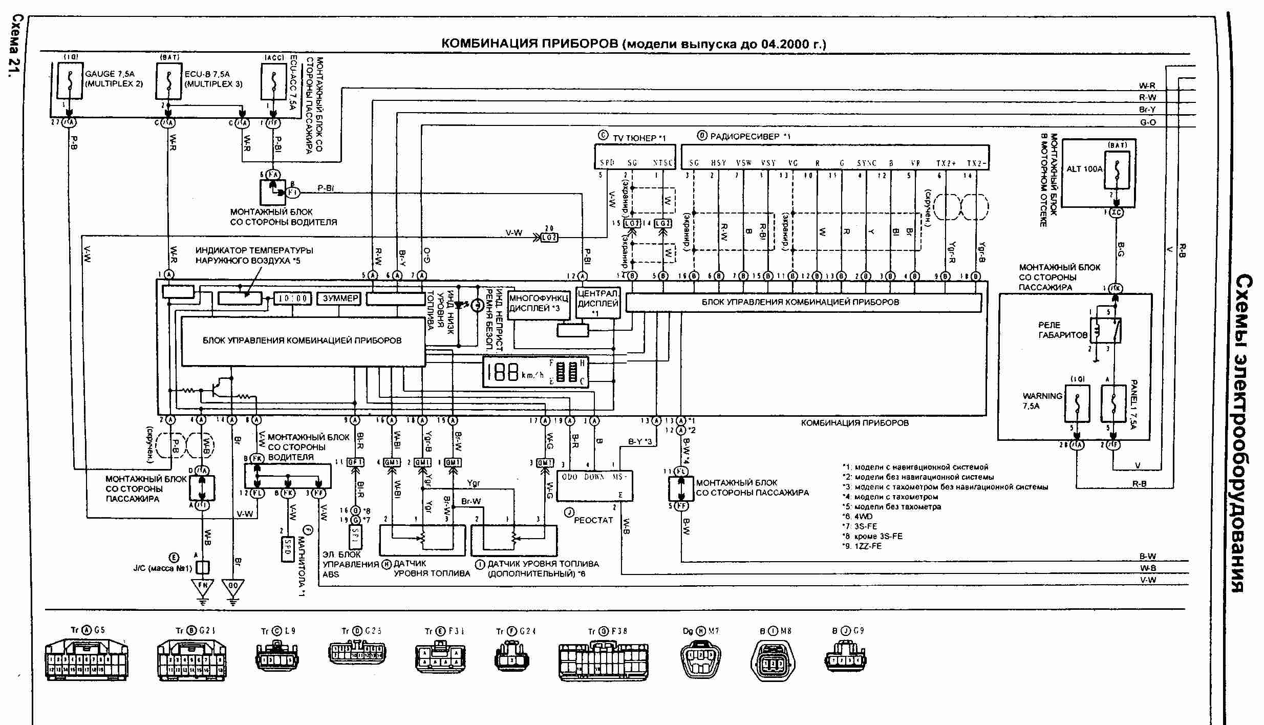
Вот схемы.
Смотри, разбирайся.
А лучше отремонтируй старое табло или купи такое же.
На прошлой машине у меня тоже не работал желтый экранчик, отнес его к электрикам, они за полчаса его сделали.


Вложения:
p0339.jpg
p0339.jpg [ 248 КБ | Просмотров: 39474 ]
p0341.jpg
p0341.jpg [ 265.95 КБ | Просмотров: 39485 ]

_________________
ARDEO 2000 г 1zz
Вернуться к началу
 Профиль  
Ответить на тему 
 Заголовок сообщения:
СообщениеДобавлено: 23 апр 2009, 09:27 
Не в сети
Любитель
Любитель
Аватара пользователя

Зарегистрирован: 07 дек 2008, 04:00
Сообщения: 37
Тем: 3
Репутация: 0
Спасибо за схемки.
Увы отремонтировать старый неполучится, нету нигде таких дешифраторов. Сам занимаюсь ремонтом ноутбуков и другой различно компьютерной техники, в общем опыт по радиоэлетроникебольшой.


Вернуться к началу
 Профиль  
Ответить на тему 
 Заголовок сообщения: Re: Сдохло табло. Есть замена, но возник вопрос.
СообщениеДобавлено: 21 дек 2010, 06:24 
Не в сети
Начинающий
Начинающий
Аватара пользователя

Зарегистрирован: 21 дек 2010, 06:11
Сообщения: 5
Машина: Toyota Vista Ardeo
О машине: SV55, 3S-FE, 4WD
Репутация: 0
И чем "история" закончилась ? У меня такая же беда приключилась! Погасло "ораньжевое" табло, т.е. тахометр, климат, одометр. Первая мысль была " а вруг всё же пред сгорел", ан нет! Преды целые! Знающий народ, может подскажите с чего начинать ремонт. Может можно своими силами одолеть!


Вернуться к началу
 Профиль Отправить email  
Ответить на тему 
 Заголовок сообщения: Re: Сдохло табло. Есть замена, но возник вопрос.
СообщениеДобавлено: 21 дек 2010, 15:38 
Не в сети
Специалист
Специалист
Аватара пользователя

Зарегистрирован: 30 июн 2007, 03:00
Сообщения: 321
Тем: 11
Машина: Toyota Vista Ardeo
О машине: 1zz.
Репутация: 173
Сгорают радиодетали на верхней плате, где жёлтый экранчик.

_________________
ARDEO 2000 г 1zz


Вернуться к началу
 Профиль  
Ответить на тему 
 Заголовок сообщения: Re: Сдохло табло. Есть замена, но возник вопрос.
СообщениеДобавлено: 24 дек 2010, 10:27 
Не в сети
Начинающий
Начинающий
Аватара пользователя

Зарегистрирован: 21 дек 2010, 06:11
Сообщения: 5
Машина: Toyota Vista Ardeo
О машине: SV55, 3S-FE, 4WD
Репутация: 0
Интересная история у меня получается! Две недели ездил с потухшим "ораньжевым" таблом. По совету поехал к одному знающему человеку, тот чинит разную автоэлектронику. вроде как человек с хорошей репутацией. в общем сняли табло, разобрали. На этом дисплее чётко видно какое-то пятно (внутри), размером с пятак! У этого чела прям целая лаборатория завалена всячиским автобарохлом. Положил он моё табло себе на стенд, подключил питание. Всё засветилось, кроме оганжевого дисплея! Потыкал там осцилогрофом и ещё чем-то. В общем поставил диагноз, что преобразователи и контроллеры работают, умер сам дисплей. Воткнули всё на место и я уехал с мыслью где же искать табло! Прошло ещё три дня. Продалжаю ездить. И о чудо! ТАБЛО ЗАРАБОТАЛО!
Просто как обычно сажусь в машину завожу и вижу что табло работает. Думал глюк! Уже второй день работает! Может это предсмертный бзик, и оно всё равно умрёт! В общем авто живёт своей жизнью!


Вернуться к началу
 Профиль Отправить email  
Ответить на тему 
 Заголовок сообщения: Re: Сдохло табло. Есть замена, но возник вопрос.
СообщениеДобавлено: 25 дек 2010, 07:34 
Не в сети
Давно на форуме
Аватара пользователя

Зарегистрирован: 25 янв 2009, 04:00
Сообщения: 10683
Тем: 155
Откуда: Косопузия (Рязань).
Машина: др. Toyota
О машине: SXU10 5S-FE белая ночь 057
Репутация: 1488
Просто плата электронная с дисплеем\экранчиком крепится к общей плате спидометра. Вероятно, либо контакты соединения этих двух плат окислились, либо - что-то другое нарушило контакт. При движении от вибрации контакт восстановился и всё по-новой заработало.
А "мастер" просто фуфел (выражаясь жаргоном...) цену себе набивает, а элементарных вещей не заметил, короче мастер.... с замашками подмастерья.
:smile: ...

_________________
:smoke: Я не парюсь. Уже не курю. Просто люблю на солнце посидеть.
(из личных наблюдений...)


Вернуться к началу
 Профиль  
Ответить на тему 
 Заголовок сообщения: Re: Сдохло табло. Есть замена, но возник вопрос.
СообщениеДобавлено: 30 дек 2010, 18:24 
Не в сети
Специалист
Специалист
Аватара пользователя

Зарегистрирован: 21 янв 2008, 04:00
Сообщения: 363
Тем: 2
Откуда: Хабаровск
Репутация: 25
Сегодня умудрился отремонтировать табло. Было сгоревшее желтое поле, там тахометр и т.д.. Глаза оно мне мозолило, решился его раскурочить, думаю всеравно крякнутое, терять нечего. Все разобрал в хлам. Весь день с этим табло секасем занимался. Оказывается в одной из плат впаяны 2а предохранителя, которые подло и вылетели. Фото прилагаю..
Вложение:
Комментарий к файлу: Табло тахометра, которое не работало..
30122010488.jpg
30122010488.jpg [ 92.8 КБ | Просмотров: 39275 ]
Вложение:
Комментарий к файлу: Табло спидометра, работало..
30122010489.jpg
30122010489.jpg [ 124.81 КБ | Просмотров: 39275 ]
Вложение:
Комментарий к файлу: Обратная сторона платы тахометра.
30122010490.jpg
30122010490.jpg [ 137.71 КБ | Просмотров: 39275 ]


Добавлено спустя 1 час 7 минут 17 секунд:
Еще
Вложение:
Комментарий к файлу: 1й сгоревший пред. маркировка СРD 101 3.2 ампер.
30122010492.jpg
30122010492.jpg [ 105.11 КБ | Просмотров: 39275 ]
Вложение:
Комментарий к файлу: 2й сгоревший пред. маркировка СРD 102 3.2 ампер.
30122010491.jpg
30122010491.jpg [ 98.8 КБ | Просмотров: 39275 ]
Вложение:
30122010493.jpg
30122010493.jpg [ 145.2 КБ | Просмотров: 39275 ]


Добавлено спустя 6 минут 42 секунды:
Может кому пригодится эпопея.
Вложение:
Комментарий к файлу: Предохранитель 3.2 А
30122010494.jpg
30122010494.jpg [ 18.85 КБ | Просмотров: 39275 ]
Вложение:
Комментарий к файлу: Рабочее табло.
30122010495.jpg
30122010495.jpg [ 87.09 КБ | Просмотров: 39275 ]


Добавлено спустя 3 минуты 27 секунд:
Модераторы уберите двойные фото..

_________________
Ardeушка 99г.в. SV50G 3SFSE 200 Type Active Sports.


Вернуться к началу
 Профиль Отправить email  
Ответить на тему 

Показать сообщения за:  Поле сортировки  
Начать новую тему Ответить на тему

 [ Сообщений: 99 ]  На страницу 1, 2, 3, 4, 5 ... 7  След.





* Поиск по сайту Вверх Вниз

Кто сейчас на конференции

Сейчас этот форум просматривают: нет зарегистрированных пользователей и гости: 69


Вы не можете начинать темы
Вы не можете отвечать на сообщения
Вы не можете редактировать свои сообщения
Вы не можете удалять свои сообщения
Вы не можете добавлять вложения

Найти:
Перейти:  
Текущее время: 01 апр 2026, 20:50
Часовой пояс: UTC + 7 часов
Powered by phpbb. (c) VistaClub.ru.    * Статистика