* Поиск по сайту Вверх Вниз



Начать новую тему Ответить на тему  [ Сообщений: 2 ] 
Автор Сообщение
 Заголовок сообщения: не складываются зеркала
СообщениеДобавлено: 19 авг 2018, 09:25 
Не в сети
Начинающий
Начинающий
Аватара пользователя

Зарегистрирован: 10 июн 2009, 03:00
Сообщения: 7
Тем: 4
Блог: Посмотреть блог (1)
Репутация: 0
Рекламные ссылки. Показывается только незарегистрированным пользователям


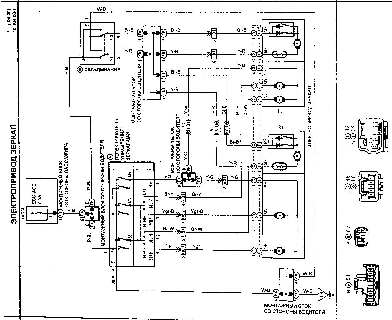
Не складываются оба зеркало sv-50. Регулировки и обогрев работают а зеркала не складываются как будто питание нет. Предохранители целые .Подскажите какие провода напрямую подключить с аккумулятора на зеркало для проверки двигателя?


Вернуться к началу
 Профиль  
Ответить на тему 

 Заголовок сообщения: Re: не складываются зеркала
СообщениеДобавлено: 19 авг 2018, 12:20 
Не в сети
модератор
Аватара пользователя

Зарегистрирован: 27 окт 2008, 04:00
Сообщения: 12731
Тем: 15
Откуда: Вятка
Машина: др. Японка
О машине: Toyota Prius 51
Репутация: 2381
Проверьте наличие плюса и массы на кнопке. Там же попробовать подать напряжение с аккумулятора (после кнопки).


Вложения:
зеркала.jpg
зеркала.jpg [ 218.4 КБ | Просмотров: 1465 ]

_________________
Vista Ardeo 1999, SV50, D4, Мультик, TV...
Вернуться к началу
 Профиль Отправить email  
Ответить на тему 

Показать сообщения за:  Поле сортировки  
Начать новую тему Ответить на тему

 [ Сообщений: 2 ] 





* Поиск по сайту Вверх Вниз

Кто сейчас на конференции

Сейчас этот форум просматривают: нет зарегистрированных пользователей и гости: 0


Вы не можете начинать темы
Вы не можете отвечать на сообщения
Вы не можете редактировать свои сообщения
Вы не можете удалять свои сообщения
Вы не можете добавлять вложения

Найти:
Перейти:  
Текущее время: 27 май 2026, 02:13
Часовой пояс: UTC + 7 часов
Powered by phpbb. (c) VistaClub.ru.    * Статистика