* Поиск по сайту Вверх Вниз



Начать новую тему Ответить на тему  [ Сообщений: 44 ]  На страницу 1, 2, 3  След.
Автор Сообщение
 Заголовок сообщения: блок дистанционного управления открывания дверей
СообщениеДобавлено: 10 янв 2011, 19:41 
Не в сети
Начинающий
Начинающий
Аватара пользователя

Зарегистрирован: 10 янв 2011, 18:45
Сообщения: 8
Тем: 1
Откуда: Приморский край, п.Кировский
Машина: Toyota Vista
О машине: sv40 1997 г 4s-fe
Репутация: 0
Рекламные ссылки. Показывается только незарегистрированным пользователям


может где пропустил это обсуждение не знаю, но решил создать тему.
может кто знает, где находится блок дистанционного управления замками дверей. Ключ с кнопкой, батарейку пробовал менять, контакты чистил-не работает. Виста конструктор, может не поставили при сборке, хотелось бы проверить.


Вернуться к началу
 Профиль Отправить email  
Ответить на тему 

 Заголовок сообщения: Re: блок дистанционного управления открывания дверей
СообщениеДобавлено: 11 янв 2011, 12:15 
Не в сети
Любитель
Любитель
Аватара пользователя

Зарегистрирован: 28 июл 2009, 03:00
Сообщения: 96
Тем: 1
Откуда: Барнаул
Машина: Toyota Vista
Репутация: 99
Радиоблок - Черная коробочка под водительским сиденьем, в нее фишка с проводами воткнута. А сам блок ЦЗ где то под панелью, обычно возле спидометра.

Добавлено спустя 1 минуту 41 секунду:
З.Ы. про черную коробочку под вод.сиденьем знаю 100% еще на 40 висте был спор где то на дроме - что за коробка. Я из нее провод выдергивал, радио ключ перестает работать.

_________________
Была - Висточка SV 40, 4s-Fe, AT, золотистая
Есть - Виста 50, 1AZ-FSE, AT, серебро.


Вернуться к началу
 Профиль  
Ответить на тему 
 Заголовок сообщения: Re: блок дистанционного управления открывания дверей
СообщениеДобавлено: 11 янв 2011, 17:12 
Не в сети
Начинающий
Начинающий
Аватара пользователя

Зарегистрирован: 10 янв 2011, 18:45
Сообщения: 8
Тем: 1
Откуда: Приморский край, п.Кировский
Машина: Toyota Vista
О машине: sv40 1997 г 4s-fe
Репутация: 0
центральный замок работает, а коробочку проверю, в камасутре этого нету. спасбо. :good:


ps: провода какието к седлу подходят,стоит фишка на три провода, но больше рассмотреть без снятия не реально, закрыто крышкой. подскажите можно ли снять эту коробочку не снимая сиденье?


Вернуться к началу
 Профиль Отправить email  
Ответить на тему 
 Заголовок сообщения: Re: блок дистанционного управления открывания дверей
СообщениеДобавлено: 14 янв 2011, 17:35 
Не в сети
Начинающий
Начинающий
Аватара пользователя

Зарегистрирован: 10 янв 2011, 18:45
Сообщения: 8
Тем: 1
Откуда: Приморский край, п.Кировский
Машина: Toyota Vista
О машине: sv40 1997 г 4s-fe
Репутация: 0
...опа получается, ключ есть а блока нет. тему можно закрывать...


Вернуться к началу
 Профиль Отправить email  
Ответить на тему 
 Заголовок сообщения: Центральный замок сошел с ума!!
СообщениеДобавлено: 18 авг 2011, 21:00 
Не в сети
Начинающий
Начинающий

Зарегистрирован: 18 авг 2011, 20:59
Сообщения: 12
Тем: 1
Машина: Toyota Vista
О машине: sv40 4S
Репутация: 0
вообщем была похожая тема тут, но у меня чтото хуже даже..
центральный замок стучит что есть сил в не понятном порядке и по времени! думал на сигналку..отключил....думал на дверь водилы...отключил..
стуки закрывания и открывания сохранились., происходят в такт со звуком сигнальчика открытия двери..
когда прооходит все работает в норме...и держится целый день, потом при открытии все начитнается снова..
может сразу пройти утром на весь день...потом снова на утро такая хрень!!!!!!


Вернуться к началу
 Профиль Отправить email  
Ответить на тему 
 Заголовок сообщения: Re: Центральный замок сошел с ума!!
СообщениеДобавлено: 18 авг 2011, 21:18 
Не в сети
Гуру
Гуру
Аватара пользователя

Зарегистрирован: 05 июл 2010, 03:00
Сообщения: 1118
Тем: 2
Откуда: Амурская обл.
Машина: Toyota Vista Ardeo
О машине: VISTA продана теперь WISH,1ZZ, 2008г.
Репутация: 210
Привет. Не совсем понял какой сигналчик открывания двери откуда звук идет? С пульта сигналки? У тебя по схеме центральный замок отдельным блоком идет, вытащи с него
фишку и поезди если перестанет щелкать то промблема в нем если нет в сигналке. Определись куда лезть.

_________________
Да-да, знаю. Страдивари скрипки для лохов делал, а для реальных пацанов — барабаны!


Вернуться к началу
 Профиль  
Ответить на тему 
 Заголовок сообщения: Re: Центральный замок сошел с ума!!
СообщениеДобавлено: 18 авг 2011, 21:25 
Не в сети
Начинающий
Начинающий

Зарегистрирован: 18 авг 2011, 20:59
Сообщения: 12
Тем: 1
Машина: Toyota Vista
О машине: sv40 4S
Репутация: 0
slava_66 писал(а):
Привет. Не совсем понял какой сигналчик открывания двери откуда звук идет? С пульта сигналки? У тебя по схеме центральный замок отдельным блоком идет, вытащи с него
фишку и поезди если перестанет щелкать то промблема в нем если нет в сигналке. Определись куда лезть.

не просто звук)а открывает двери раз за разом...иногда закрывает и открывает двери....
звук от реле идет и от замков)))как будто просто я играюсь с замком...
но я отключал дверь и сигу напрочь!!!!


Вернуться к началу
 Профиль Отправить email  
Ответить на тему 
 Заголовок сообщения: Re: Центральный замок сошел с ума!!
СообщениеДобавлено: 18 авг 2011, 21:26 
Не в сети
Гуру
Гуру
Аватара пользователя

Зарегистрирован: 05 июл 2010, 03:00
Сообщения: 1118
Тем: 2
Откуда: Амурская обл.
Машина: Toyota Vista Ardeo
О машине: VISTA продана теперь WISH,1ZZ, 2008г.
Репутация: 210
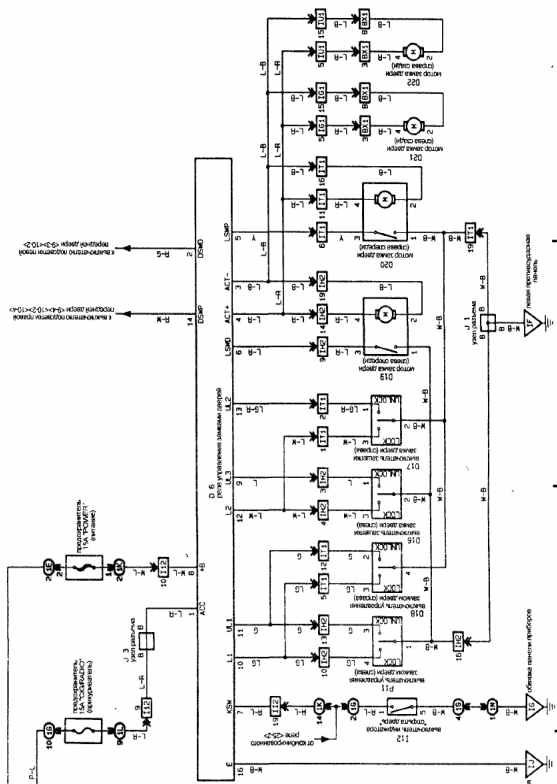
По твоей схеме у тебя 4 выключателя замкков дверей любой из них может глючить не только водительский.


Вложения:
Untitled - 1.jpg
Untitled - 1.jpg [ 39.27 КБ | Просмотров: 8773 ]

_________________
Да-да, знаю. Страдивари скрипки для лохов делал, а для реальных пацанов — барабаны!
Вернуться к началу
 Профиль  
Ответить на тему 
 Заголовок сообщения: Re: Центральный замок сошел с ума!!
СообщениеДобавлено: 18 авг 2011, 21:33 
Не в сети
Начинающий
Начинающий

Зарегистрирован: 18 авг 2011, 20:59
Сообщения: 12
Тем: 1
Машина: Toyota Vista
О машине: sv40 4S
Репутация: 0
а если я отключу все двери???должно пройти?я не сильно шарю в схеме)


Вернуться к началу
 Профиль Отправить email  
Ответить на тему 
 Заголовок сообщения: Re: Центральный замок сошел с ума!!
СообщениеДобавлено: 18 авг 2011, 21:41 
Не в сети
Гуру
Гуру
Аватара пользователя

Зарегистрирован: 05 июл 2010, 03:00
Сообщения: 1118
Тем: 2
Откуда: Амурская обл.
Машина: Toyota Vista Ardeo
О машине: VISTA продана теперь WISH,1ZZ, 2008г.
Репутация: 210
Если у тебя стоит сигналка лучше отключи блок центрального замка всеравно двери закрывает и открыват сигналка.

_________________
Да-да, знаю. Страдивари скрипки для лохов делал, а для реальных пацанов — барабаны!


Вернуться к началу
 Профиль  
Ответить на тему 
 Заголовок сообщения: Re: Центральный замок сошел с ума!!
СообщениеДобавлено: 18 авг 2011, 21:46 
Не в сети
Начинающий
Начинающий

Зарегистрирован: 18 авг 2011, 20:59
Сообщения: 12
Тем: 1
Машина: Toyota Vista
О машине: sv40 4S
Репутация: 0
slava_66 писал(а):
Если у тебя стоит сигналка лучше отключи блок центрального замка всеравно двери закрывает и открыват сигналка.

блин )я же писал!!!я отсоединили от сиги все провода!!!и было ваще срать!!все так же и било)полюбому не она а мозги висты!!!!реле центрального или чтото такое!!!


Вернуться к началу
 Профиль Отправить email  
Ответить на тему 
 Заголовок сообщения: Re: Центральный замок сошел с ума!!
СообщениеДобавлено: 19 авг 2011, 14:50 
Не в сети
мне бы такую же только с быкоми по бокам
Аватара пользователя

Зарегистрирован: 08 апр 2011, 12:59
Сообщения: 656
Тем: 8
Откуда: Краснодар
Машина: др. неЯпонка
О машине: 1,6 - все равно ездит....
Репутация: 23
там два варианта или у тебя сгорел слок центрального замка или сгорела сама сигналка.... заедь к электрикам иногда это тупо сломанный провод....

_________________
если нормально "качнуть", заднее стекло обычно выпадает.....


Вернуться к началу
 Профиль  
Ответить на тему 
 Заголовок сообщения: Re: Центральный замок сошел с ума!!
СообщениеДобавлено: 19 авг 2011, 18:03 
Не в сети
Начинающий
Начинающий

Зарегистрирован: 18 авг 2011, 20:59
Сообщения: 12
Тем: 1
Машина: Toyota Vista
О машине: sv40 4S
Репутация: 0
BlaskXXX писал(а):
там два варианта или у тебя сгорел слок центрального замка или сгорела сама сигналка.... заедь к электрикам иногда это тупо сломанный провод....

блок центрального купить на разборе и заменить самому реально*


Вернуться к началу
 Профиль Отправить email  
Ответить на тему 
 Заголовок сообщения: Re: Центральный замок сошел с ума!!
СообщениеДобавлено: 19 авг 2011, 18:25 
Не в сети
мне бы такую же только с быкоми по бокам
Аватара пользователя

Зарегистрирован: 08 апр 2011, 12:59
Сообщения: 656
Тем: 8
Откуда: Краснодар
Машина: др. неЯпонка
О машине: 1,6 - все равно ездит....
Репутация: 23
я не электрик, заедь к нормальному специалисту он подскажет......

_________________
если нормально "качнуть", заднее стекло обычно выпадает.....


Вернуться к началу
 Профиль  
Ответить на тему 
 Заголовок сообщения: Re: Центральный замок сошел с ума!!
СообщениеДобавлено: 19 авг 2011, 18:29 
Не в сети
модератор
Аватара пользователя

Зарегистрирован: 05 май 2009, 03:00
Сообщения: 6759
Тем: 72
Откуда: Ставрополье
Блог: Посмотреть блог (7)
Машина: Toyota Vista
О машине: седан SV50, 3S-FSE, U240E, 98г.
Репутация: 1473
Санёкк писал(а):
slava_66 писал(а):
Если у тебя стоит сигналка лучше отключи блок центрального замка всеравно двери закрывает и открыват сигналка.

блин )я же писал!!!я отсоединили от сиги все провода!!!и было ваще срать!!все так же и било)полюбому не она а мозги висты!!!!реле центрального или чтото такое!!!

а у тебя есть блок приёмника ЦЗ? это который штатно стоит и открывает двери по радиосигналу от родного имобилайзера или кнопки на ключе?
у меня он есть на задней левой стойке...
если есть - то попробуй его отключить...

_________________
Случайности не случайны...


Вернуться к началу
 Профиль  
Ответить на тему 

Показать сообщения за:  Поле сортировки  
Начать новую тему Ответить на тему

 [ Сообщений: 44 ]  На страницу 1, 2, 3  След.





* Поиск по сайту Вверх Вниз

Кто сейчас на конференции

Сейчас этот форум просматривают: нет зарегистрированных пользователей и гости: 0


Вы не можете начинать темы
Вы не можете отвечать на сообщения
Вы не можете редактировать свои сообщения
Вы не можете удалять свои сообщения
Вы не можете добавлять вложения

Найти:
Перейти:  
Текущее время: 03 фев 2026, 01:19
Часовой пояс: UTC + 7 часов
Powered by phpbb. (c) VistaClub.ru.    * Статистика