* Поиск по сайту Вверх Вниз



Начать новую тему Ответить на тему  [ Сообщений: 8 ] 
Автор Сообщение
 Заголовок сообщения: научите схемы читать
СообщениеДобавлено: 26 дек 2011, 10:15 
Не в сети
Любитель
Любитель

Зарегистрирован: 01 дек 2011, 19:25
Сообщения: 26
Тем: 8
Машина: Toyota Vista Ardeo
О машине: sv55
Репутация: 13
Рекламные ссылки. Показывается только незарегистрированным пользователям


помогите разобраться, что за иероглифы где разъем и что они обозначают?

Добавлено спустя 1 минуту 46 секунд:
это просто разъем?

Добавлено спустя 1 минуту 12 секунд:
надписи на массе все разные, что они обозначают?


Вложения:
111.jpg
111.jpg [ 40.73 КБ | Просмотров: 2697 ]
222.jpg
222.jpg [ 16.96 КБ | Просмотров: 2696 ]
333.jpg
333.jpg [ 16.57 КБ | Просмотров: 2695 ]
Вернуться к началу
 Профиль Отправить email  
Ответить на тему 

 Заголовок сообщения: Re: научите схемы читать
СообщениеДобавлено: 26 дек 2011, 12:30 
Не в сети
модератор
Аватара пользователя

Зарегистрирован: 05 май 2009, 03:00
Сообщения: 6759
Тем: 72
Откуда: Ставрополье
Блог: Посмотреть блог (7)
Машина: Toyota Vista
О машине: седан SV50, 3S-FSE, U240E, 98г.
Репутация: 1473
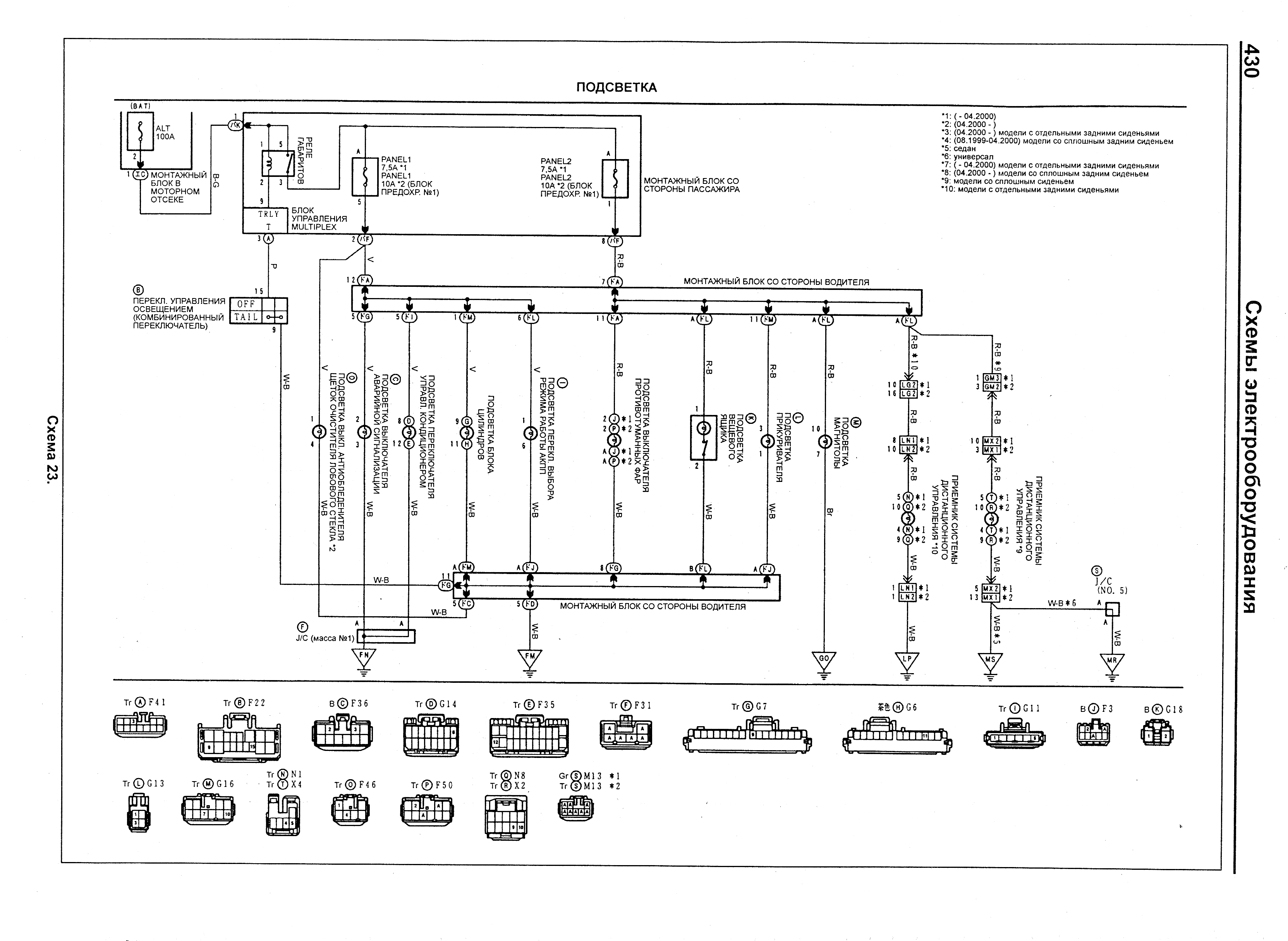
я так понял, это кусочки из эл.схем нашего отскакнированного букваря? Там перед началом самих схем (у меня стр.317) есть описание этих дел. Внимательно почитай и поймёшь. На конкретных примерах подскажу:
- Заземление: GO - это точка заземления (балка приборной панели, правая сторона). есть список этих точек на той же стр.
- Разъём: LG2 - код разъёма (под каждой схемой показанны эти разъёмы), цифра 5 обозначает № контакта в этом разъёме.
- аналогично и с первой фоткой. КА...KL - это коды разъёмов, а цифры-буквы рядом с кружочками - контакты в этих разъёмах.
и ещё, в нашем букваре читаемость схем поганая...очень часто не хватает разрешения, и практически невозможно разобраться со схемами с лёту...в печатном варианте таких проблем нету...

_________________
Случайности не случайны...


Вернуться к началу
 Профиль  
Ответить на тему 
 Заголовок сообщения: Re: научите схемы читать
СообщениеДобавлено: 26 дек 2011, 14:01 
Не в сети
Любитель
Любитель

Зарегистрирован: 01 дек 2011, 19:25
Сообщения: 26
Тем: 8
Машина: Toyota Vista Ardeo
О машине: sv55
Репутация: 13
большое спасибо за ответ, но схемы скачаны с этого сайта, букваря у меня нет к сожалению, да это кусочки схемы, но вот допустим монтажный блок со стороны водителя, там перед "L" какой то иероглив чтоли, а снизу в сноске, разъем указан как два штырька, хотя судя по количеству этой буквы разъем должен быть большой.... просто прикупил себе мультивижн, и подсветку бардачка, так судя по схеме и на тот и на этот идут провода с монтажного блока

Добавлено спустя 4 минуты 31 секунду:
допустим это не иероглиф, а буква "к", но где снизу тогда в сноске этот раъем?


Вложения:
Image-38.gif
Image-38.gif [ 225.68 КБ | Просмотров: 2671 ]
Вернуться к началу
 Профиль Отправить email  
Ответить на тему 
 Заголовок сообщения: Re: научите схемы читать
СообщениеДобавлено: 26 дек 2011, 16:49 
Не в сети
модератор
Аватара пользователя

Зарегистрирован: 05 май 2009, 03:00
Сообщения: 6759
Тем: 72
Откуда: Ставрополье
Блог: Посмотреть блог (7)
Машина: Toyota Vista
О машине: седан SV50, 3S-FSE, U240E, 98г.
Репутация: 1473
очень сложно тебе помочь к сожалению...у тебя на схемах иероглифы, а у меня ваще нечитабельна...всё расплывается. хэлпни, может кто скан хороший этой схемы скинет...или подскажет по книжке.
А конкретный вопрос задай, что надо сделать? Я так понял, ты ищешь возможность подсоединить освещение бардачка? тема есть такая в электрике, там помоему всё подробненько описанно...

_________________
Случайности не случайны...


Вернуться к началу
 Профиль  
Ответить на тему 
 Заголовок сообщения: Re: научите схемы читать
СообщениеДобавлено: 26 дек 2011, 17:50 
Не в сети
Любитель
Любитель

Зарегистрирован: 01 дек 2011, 19:25
Сообщения: 26
Тем: 8
Машина: Toyota Vista Ardeo
О машине: sv55
Репутация: 13
все равно спасибо за ответ, просто купил дисплей, магнитолу, джойстик, подсветку бардачка, вот и думал вычертить конкретно схему поключения всего этого для "чайника", комплектация у меня самая бедная, здесь много всего расписано, но вот конкретно чтобы взял схему и все собрал нету!!!, охота подключить именно так, как она должна быть штатно!!! а не цеплятся там за подсветку прикуривателя или еще что. распиновки здесь есть, но вот например подсветку джойстика и т.д. нет. есть очень хорошая схема по шинам данным, вот такую же, только со всеми проводами полностью надо!!! у меня послерестайл 2001г. вот например подсветку двери водительской сделал, а пассажирской так и не могу!!! нигде не написано куда чего втыкать, кто от концевика, кто от плафона, а мне надо так как должно быть предусмотрено заводом!!! про подсветку двери пассажирской есть схема японская, но я вытаскиваю разъем у меня там вообще штырьков нет!!!

Добавлено спустя 3 минуты 25 секунд:
в общем надо сделать схему, чтобы взял и собрал, чтобы на схеме кроме подключения этих узлов ничего другого небыло!!!


Вернуться к началу
 Профиль Отправить email  
Ответить на тему 
 Заголовок сообщения: Re: научите схемы читать
СообщениеДобавлено: 26 дек 2011, 19:05 
Не в сети
модератор
Аватара пользователя

Зарегистрирован: 05 май 2009, 03:00
Сообщения: 6759
Тем: 72
Откуда: Ставрополье
Блог: Посмотреть блог (7)
Машина: Toyota Vista
О машине: седан SV50, 3S-FSE, U240E, 98г.
Репутация: 1473
foman писал(а):
про подсветку двери пассажирской есть схема японская, но я вытаскиваю разъем у меня там вообще штырьков нет!!!

Добавлено спустя 3 минуты 25 секунд:
в общем надо сделать схему, чтобы взял и собрал, чтобы на схеме кроме подключения этих узлов ничего другого небыло!!!

сам себе и ответил...проблема в том, что не вся проводка, предусмотренная в максимальной комплектации, смонтирована в более простых комплектациях. как пример, недавно устанавливал ПТФ, ставил переключатель с спе.колечком для ПТФ. в некоторых эти переключатели шли в комплектации. у себя так же не обнаружил в разъёме проводки под это дело, поэтому прокладывал отдельно. так во многих местах данная фигня проявляется. отсюда и используются подключения к нештатным местам. так что, виста отнюдь не конструктор, чтоб захотел - воткнул и заработало. и если у тебя комплектация без мультивижн, то однозначно проводки к джойстику заложено не будет. поэтому надо искать выход из положения - колхозить.

_________________
Случайности не случайны...


Вернуться к началу
 Профиль  
Ответить на тему 
 Заголовок сообщения: Re: научите схемы читать
СообщениеДобавлено: 26 дек 2011, 19:16 
Не в сети
#G_03
Аватара пользователя

Зарегистрирован: 21 авг 2011, 14:36
Сообщения: 1141
Тем: 18
Откуда: санкт-петербург
Блог: Посмотреть блог (1)
Машина: Toyota Vista
О машине: 32,20,55.30,50,-что были у меня лично
Репутация: 49
foman писал(а):
все равно спасибо за ответ, просто купил дисплей, магнитолу, джойстик, подсветку бардачка, вот и думал вычертить конкретно схему поключения всего этого для "чайника", комплектация у меня самая бедная, здесь много всего расписано, но вот конкретно чтобы взял схему и все собрал нету!!!, охота подключить именно так, как она должна быть штатно!!! а не цеплятся там за подсветку прикуривателя или еще что. распиновки здесь есть, но вот например подсветку джойстика и т.д. нет. есть очень хорошая схема по шинам данным, вот такую же, только со всеми проводами полностью надо!!! у меня послерестайл 2001г. вот например подсветку двери водительской сделал, а пассажирской так и не могу!!! нигде не написано куда чего втыкать, кто от концевика, кто от плафона, а мне надо так как должно быть предусмотрено заводом!!! про подсветку двери пассажирской есть схема японская, но я вытаскиваю разъем у меня там вообще штырьков нет!!!

Добавлено спустя 3 минуты 25 секунд:
в общем надо сделать схему, чтобы взял и собрал, чтобы на схеме кроме подключения этих узлов ничего другого небыло!!!

я доп освещение и сигналку к габаритам цеплял к прикуривателю(надо к лампе провод+ чтоб с основной подсветкой, надо постояно то + прикурилки)

_________________
#G_03
Viber/WhatsApp 89992030480
https://vk.com/andrey_garag
https://www.drive2.ru/users/g-03
АВТОЗАПЧАСТИ/РЕМОНТ 89992030480


Вернуться к началу
 Профиль Отправить email  
Ответить на тему 
 Заголовок сообщения: Re: научите схемы читать
СообщениеДобавлено: 28 дек 2011, 15:58 
Не в сети
Гуру
Гуру
Аватара пользователя

Зарегистрирован: 15 янв 2009, 04:00
Сообщения: 1570
Тем: 78
Откуда: Москва
Машина: др. Японка
О машине: 3S-FSE(D-4)'99, SV-50, мультик.(была)
Репутация: 557
Это не буква К, это обозначение блока. В самом начале раздела электрика (стр 271-276) есть описание. У нас используется это обозначение и еще два. Похожее на "К"-монтажный блок со стороны водителя, похожее на "I"-монтажный блок в моторном отсеке, ни на что не похожее-кракозябра какая-то - это монтажный блок со стороны пассажира. Ну а все остальное сказали правильно-Буква обозначает разъем, цифра-ножку этого разъема. Внешний вид разъема и расположение ножек см на вышеприведенных станицах (271-276). Недавно подключал у себя сигналку. Чтобы не морочиться с разъемами, я искал выход этого провода с внешней стороны монтажных блоков(половина всех обозначенных разъемов подходит с внутренней стороны), зачищал провод на подходе к разъему и подпаивался прям к телу провода. ну как-то так


Вернуться к началу
 Профиль  
Ответить на тему 

Показать сообщения за:  Поле сортировки  
Начать новую тему Ответить на тему

 [ Сообщений: 8 ] 





* Поиск по сайту Вверх Вниз

Кто сейчас на конференции

Сейчас этот форум просматривают: нет зарегистрированных пользователей и гости: 0


Вы не можете начинать темы
Вы не можете отвечать на сообщения
Вы не можете редактировать свои сообщения
Вы не можете удалять свои сообщения
Вы не можете добавлять вложения

Найти:
Перейти:  
Текущее время: 17 май 2026, 19:58
Часовой пояс: UTC + 7 часов
Powered by phpbb. (c) VistaClub.ru.    * Статистика