* Поиск по сайту Вверх Вниз



Начать новую тему Ответить на тему  [ Сообщений: 111 ]  На страницу Пред.  1 ... 3, 4, 5, 6, 7, 8  След.
Автор Сообщение
 Заголовок сообщения: Re: Как заменить приборную панель на мультивижен?
СообщениеДобавлено: 29 апр 2015, 02:44 
Не в сети
Давно на форуме
Аватара пользователя

Зарегистрирован: 25 янв 2009, 04:00
Сообщения: 10683
Тем: 155
Откуда: Косопузия (Рязань).
Машина: др. Toyota
О машине: SXU10 5S-FE белая ночь 057
Репутация: 1488
Рекламные ссылки. Показывается только незарегистрированным пользователям


...второй день зарылся в схемы. :roll: (говорила мама, иди учиться на повара...).

Короче говоря, пришли к единому мнению с Sanjabb, что собирать надо используя родную схему для машинки, если машинка ДОрестайл, то надо брать за основу схемы на Дорестайл (с.422-423 в букваре). Если же машинка рестайл, то надо брать соответственно схемы рестайловые (с.441-443 в букваре).
Иначе с моим "неэлектрическим" образованием просто крыша поедет пока буду разбираться в этих проводках.
:dash: ...
Решил делать поэтапно, завтра попробую начать:
1.Собрать схему поверху-времянку всего комплекта кроме приборной панели, т.к. еще фишки не все собрал на мафон и на панель.
2.Затем собрать схему тоже времянку на панель ДОрестайловую от 50й машинки Дорестайл, она у меня уже есть. Потому как она ж сильно не отличается от 55й кроме показаний уровня топлива, то будет реально виден результат. Если все заработает, то тогда останется переделать собранную схему на рестайловую панельку и поставить панель уже на 55ю, у меня такая уже есть тоже.

:!: У кого машинка 50я и дорестайл? - это будет как раз для вас руководство к действию.
Фото по возможности приложу.
:smile: ...

_________________
:smoke: Я не парюсь. Уже не курю. Просто люблю на солнце посидеть.
(из личных наблюдений...)


Последний раз редактировалось fei5656 29 апр 2015, 18:29, всего редактировалось 1 раз.

Вернуться к началу
 Профиль  
Ответить на тему 

 Заголовок сообщения: Re: Как заменить приборную панель на мультивижен?
СообщениеДобавлено: 29 апр 2015, 09:24 
Не в сети
Гуру
Гуру
Аватара пользователя

Зарегистрирован: 15 май 2014, 22:00
Сообщения: 2182
Тем: 43
Откуда: Красноярск
Блог: Посмотреть блог (2)
Машина: Toyota Vista Ardeo
О машине: SV55.5, 3S-FE, А243F, 4WD ATC+Torsen
Репутация: 3493
Ага очень интересно! Особенно подключение рестайловой панели, у меня стоит без переделок, все работает кроме радио и сд, на шине конфликт какой то выходит, надо что то в подключении менять.

_________________
Ardeo PRO version


Вернуться к началу
 Профиль Отправить email  
Ответить на тему 
 Заголовок сообщения: Мультивижн
СообщениеДобавлено: 02 июн 2015, 13:02 
Не в сети
Специалист
Специалист
Аватара пользователя

Зарегистрирован: 17 окт 2014, 08:39
Сообщения: 241
Тем: 10
Откуда: 8924 449 3990 Благовещенск на Амуре
Машина: Toyota Vista Ardeo
О машине: ZZV50 - 130hp АрДевочка
Репутация: 275
Приветствую Вистоводов! :wink: Вопрос в следующем хочу поменять обычную панельку на панель с мультивижном( или хотя бы с расходомером) :oops: Вопрос в следующем: проводка моя штатная подразумевает установку данного девайса? на панели так понимаю должно быть три кнопки?(у меня две :cry: ) Магнитола у меня стоит с клавишей TV1/2. Что менялось до меня неведомо мне...толи майфун или панель :suicide:
И вашпе буду рад кто разжует по данному вопросу, может кто заморачивался. :wink:

Добавлено спустя 17 минут 19 секунд:
Re: Как заменить приборную панель на мультивижен?
Спасибо что ткнули в нужную тему..... Печалька... :cry: с этим мультиком...

Добавлено спустя 2 минуты 37 секунд:
Re: Как заменить приборную панель на мультивижен?
[img]У кого машинка 50я и дорестайл? - это будет как раз для вас руководство к действию.
Фото по возможности приложу.
[/img]
Отличные новости :good:

_________________
Изображение


Вернуться к началу
 Профиль Отправить email  
Ответить на тему 
 Заголовок сообщения: Re: Как заменить приборную панель на мультивижен?
СообщениеДобавлено: 02 июн 2015, 13:33 
Не в сети
модератор
Аватара пользователя

Зарегистрирован: 27 окт 2008, 04:00
Сообщения: 12731
Тем: 15
Откуда: Вятка
Машина: др. Японка
О машине: Toyota Prius 51
Репутация: 2381
На панели как раз две кнопки должны, а джойстик стоит? Если да, то скорее у вас просто поменяна панель, ставите родную и все должно заработать. Фото вашей можно?

_________________
Vista Ardeo 1999, SV50, D4, Мультик, TV...


Вернуться к началу
 Профиль Отправить email  
Ответить на тему 
 Заголовок сообщения: Re: Как заменить приборную панель на мультивижен?
СообщениеДобавлено: 02 июн 2015, 13:46 
Не в сети
Гуру
Гуру
Аватара пользователя

Зарегистрирован: 27 окт 2012, 16:27
Сообщения: 1994
Тем: 63
Откуда: БЛАГОВЕЩЕНСК на АМУРЕ
Машина: Toyota Vista
О машине: 1az-fse - azv50 - 2001гв - custom
Репутация: 2515
Vyatich писал(а):
На панели как раз две кнопки должны, а джойстик стоит? Если да, то скорее у вас просто поменяна панель, ставите родную и все должно заработать. Фото вашей можно?

Здесь немного сложнее, у Zheka2000 из всего комплекта для мультика, стоит только магнитол с кнопками TV1/2 :smile:

_________________
Изображение


Вернуться к началу
 Профиль  
Ответить на тему 
 Заголовок сообщения: Re: Как заменить приборную панель на мультивижен?
СообщениеДобавлено: 02 июн 2015, 13:48 
Не в сети
модератор
Аватара пользователя

Зарегистрирован: 27 окт 2008, 04:00
Сообщения: 12731
Тем: 15
Откуда: Вятка
Машина: др. Японка
О машине: Toyota Prius 51
Репутация: 2381
Теперь ясно, значит установка с нуля полным комплектом.

_________________
Vista Ardeo 1999, SV50, D4, Мультик, TV...


Вернуться к началу
 Профиль Отправить email  
Ответить на тему 
 Заголовок сообщения: Re: Как заменить приборную панель на мультивижен?
СообщениеДобавлено: 02 июн 2015, 13:51 
Не в сети
Специалист
Специалист
Аватара пользователя

Зарегистрирован: 17 окт 2014, 08:39
Сообщения: 241
Тем: 10
Откуда: 8924 449 3990 Благовещенск на Амуре
Машина: Toyota Vista Ardeo
О машине: ZZV50 - 130hp АрДевочка
Репутация: 275
печаль... А поставить табло с "простым" расходомером, такой же головняк?

_________________
Изображение


Вернуться к началу
 Профиль Отправить email  
Ответить на тему 
 Заголовок сообщения: Re: Как заменить приборную панель на мультивижен?
СообщениеДобавлено: 02 июн 2015, 13:54 
Не в сети
модератор
Аватара пользователя

Зарегистрирован: 27 окт 2008, 04:00
Сообщения: 12731
Тем: 15
Откуда: Вятка
Машина: др. Японка
О машине: Toyota Prius 51
Репутация: 2381
Зайдите в соответствующую тему и почитайте.

_________________
Vista Ardeo 1999, SV50, D4, Мультик, TV...


Вернуться к началу
 Профиль Отправить email  
Ответить на тему 
СообщениеСообщение было удалено | удалил: Vyatich | 02 июн 2015, 14:17.
Причина: пустое
 Заголовок сообщения: Re: Мультивижн
СообщениеДобавлено: 16 июн 2015, 21:45 
Не в сети
Специалист
Специалист
Аватара пользователя

Зарегистрирован: 14 фев 2014, 17:27
Сообщения: 232
Тем: 11
Откуда: Прокопьевск
Блог: Посмотреть блог (5)
Машина: Toyota Vista Ardeo
О машине: sv50g 3sf-sfe
Репутация: 149
Zheka2000 писал(а):
Приветствую Вистоводов! :wink: Вопрос в следующем хочу поменять обычную панельку на панель с мультивижном( или хотя бы с расходомером) :oops: Вопрос в следующем: проводка моя штатная подразумевает установку данного девайса? на панели так понимаю должно быть три кнопки?(у меня две :cry: ) Магнитола у меня стоит с клавишей TV1/2. Что менялось до меня неведомо мне...толи майфун или панель :suicide:
И вашпе буду рад кто разжует по данному вопросу, может кто заморачивался. :wink:

Добавлено спустя 17 минут 19 секунд:
Re: Как заменить приборную панель на мультивижен?
Спасибо что ткнули в нужную тему..... Печалька... :cry: с этим мультиком...

Добавлено спустя 2 минуты 37 секунд:
Re: Как заменить приборную панель на мультивижен?
[img]У кого машинка 50я и дорестайл? - это будет как раз для вас руководство к действию.
Фото по возможности приложу.
[/img]
Отличные новости :good:

ЕВГЕН ГДЕ ФОТО И ОТчет я уже себе все купил только на джойстике провод всего 20 см с папкой

Добавлено спустя 30 минут 36 секунд:
Re: Как заменить приборную панель на мультивижен?
fei5656 писал(а):
...второй день зарылся в схемы. :roll: (говорила мама, иди учиться на повара...).

Короче говоря, пришли к единому мнению с Sanjabb, что собирать надо используя родную схему для машинки, если машинка ДОрестайл, то надо брать за основу схемы на Дорестайл (с.422-423 в букваре). Если же машинка рестайл, то надо брать соответственно схемы рестайловые (с.441-443 в букваре).
Иначе с моим "неэлектрическим" образованием просто крыша поедет пока буду разбираться в этих проводках.
:dash: ...
Решил делать поэтапно, завтра попробую начать:
1.Собрать схему поверху-времянку всего комплекта кроме приборной панели, т.к. еще фишки не все собрал на мафон и на панель.
2.Затем собрать схему тоже времянку на панель ДОрестайловую от 50й машинки Дорестайл, она у меня уже есть. Потому как она ж сильно не отличается от 55й кроме показаний уровня топлива, то будет реально виден результат. Если все заработает, то тогда останется переделать собранную схему на рестайловую панельку и поставить панель уже на 55ю, у меня такая уже есть тоже.

:!: У кого машинка 50я и дорестайл? - это будет как раз для вас руководство к действию.
Фото по возможности приложу.
:smile: ...

интересует как всё у тебя прошло с подключением и прокладкой проводов у меня все в наличии и дисплэй и джой и магнитола


Вернуться к началу
 Профиль Отправить email  
Ответить на тему 
 Заголовок сообщения: Re: Как заменить приборную панель на мультивижен?
СообщениеДобавлено: 16 июн 2015, 23:24 
Не в сети
Давно на форуме
Аватара пользователя

Зарегистрирован: 25 янв 2009, 04:00
Сообщения: 10683
Тем: 155
Откуда: Косопузия (Рязань).
Машина: др. Toyota
О машине: SXU10 5S-FE белая ночь 057
Репутация: 1488
Все собрал по дорестайловской схеме с подключением дорестайловой панели для 50й, все провода на скрутках-времянках по схеме сделал вроде правильно.
И.... не хочет работать.
:? ...
Есть такое ощущение, что какая-то мелочь.

В конце недели будет по свободнее со временем, займусь.
Фото есть, приложу обязательно.
:smile: ...

_________________
:smoke: Я не парюсь. Уже не курю. Просто люблю на солнце посидеть.
(из личных наблюдений...)


Вернуться к началу
 Профиль  
Ответить на тему 
 Заголовок сообщения: Re: Как заменить приборную панель на мультивижен?
СообщениеДобавлено: 17 июн 2015, 18:26 
Не в сети
Профи
Профи
Аватара пользователя

Зарегистрирован: 09 янв 2015, 19:37
Сообщения: 540
Откуда: барнаул
Машина: Toyota Vista Ardeo
О машине: zzv50
Репутация: 162
ждемс фото


Вернуться к началу
 Профиль Отправить email  
Ответить на тему 
 Заголовок сообщения: Re: Общий обзор панелей приборов и магнитол
СообщениеДобавлено: 02 дек 2015, 09:46 
Не в сети
Начинающий
Начинающий

Зарегистрирован: 01 июл 2015, 19:22
Сообщения: 12
Тем: 2
Откуда: Хабаровск
Машина: Toyota Vista Ardeo
О машине: SV50G 3SFE 1999г.в.
Репутация: -1
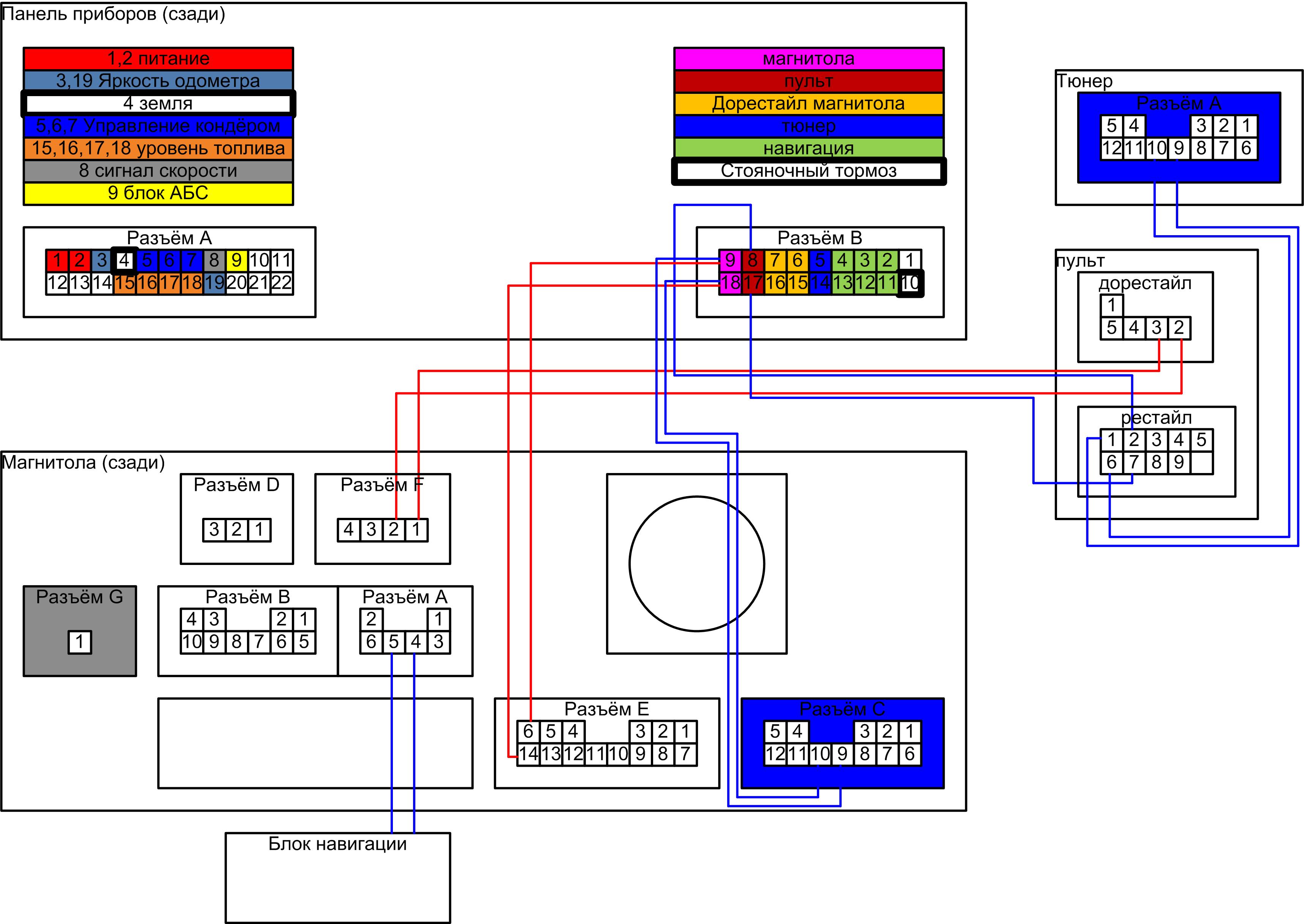
Приветствую всех. Машина мне досталась дорестайловая с мультиком, но со сгоревшей магнетолой, заменённой на 1 din. Соответственно посреди панели чёрный квадрат. Сейчас подворачивается вариант с рестайловым мультиком без проводов, который, как я понял ставится почти без изменений, за исключением резистора на 68Ом и другой схемы подключения пульта.
Так вот мой вопрос, 2й пин пульта подключать к 8 пину разъёма "В" на приборке, 7й пин пульта к 17 приборки, 1й пин пульта к 9 тюнера и 6й к 10 соответственно?
Если да, то 3,4,5,8 и 9 пины пульта вообще что ли не используются?


Вложения:
схема.jpg
схема.jpg [ 607.43 КБ | Просмотров: 6487 ]
Вернуться к началу
 Профиль Отправить email  
Ответить на тему 
 Заголовок сообщения: Re: Как заменить приборную панель на мультивижен?
СообщениеДобавлено: 02 дек 2015, 21:45 
Не в сети
модератор
Аватара пользователя

Зарегистрирован: 27 окт 2008, 04:00
Сообщения: 12731
Тем: 15
Откуда: Вятка
Машина: др. Японка
О машине: Toyota Prius 51
Репутация: 2381
ТВ тюнер без магнитолы работать не будет. Джойстик нужен с рестайла, подключать нужно 2-4-5-7-9 ножки джойстика соотвественно схеме рестайла.

_________________
Vista Ardeo 1999, SV50, D4, Мультик, TV...


Вернуться к началу
 Профиль Отправить email  
Ответить на тему 
 Заголовок сообщения: Re: Как заменить приборную панель на мультивижен?
СообщениеДобавлено: 03 дек 2015, 11:50 
Не в сети
Начинающий
Начинающий

Зарегистрирован: 01 июл 2015, 19:22
Сообщения: 12
Тем: 2
Откуда: Хабаровск
Машина: Toyota Vista Ardeo
О машине: SV50G 3SFE 1999г.в.
Репутация: -1
магнитола и джойстик с рестайла в комплекте, 2-4-5-7-9 ножки рестайлового джойстика надо подключать к каким ножкам каких разьёмов каких устройств?
Я просто, как большая часть народа в этектросхемах ни бум-бум, зато могу нарисовать наглядную схему, давайте поможем мне её нарисовать, чтоб этот вопрос отпал как класс и любой желающий мог это спокойно сделать, не задавая тупых вопросов.


Вернуться к началу
 Профиль Отправить email  
Ответить на тему 

Показать сообщения за:  Поле сортировки  
Начать новую тему Ответить на тему

 [ Сообщений: 111 ]  На страницу Пред.  1 ... 3, 4, 5, 6, 7, 8  След.





* Поиск по сайту Вверх Вниз

Кто сейчас на конференции

Сейчас этот форум просматривают: нет зарегистрированных пользователей и гости: 0


Вы не можете начинать темы
Вы не можете отвечать на сообщения
Вы не можете редактировать свои сообщения
Вы не можете удалять свои сообщения
Вы не можете добавлять вложения

Найти:
Перейти:  
Текущее время: 06 май 2026, 23:57
Часовой пояс: UTC + 7 часов
Powered by phpbb. (c) VistaClub.ru.    * Статистика