* Поиск по сайту Вверх Вниз



Начать новую тему Ответить на тему  [ Сообщений: 577 ]  На страницу Пред.  1 ... 28, 29, 30, 31, 32, 33, 34 ... 39  След.
Автор Сообщение
 Заголовок сообщения: Re: ДНЕВНЫЕ ХОДОВЫЕ ОГНИ (ДХО)!!!
СообщениеДобавлено: 26 апр 2012, 14:18 
Не в сети
Специалист
Специалист
Аватара пользователя

Зарегистрирован: 05 окт 2011, 08:20
Сообщения: 286
Тем: 9
Откуда: Красноярск
Машина: др. Японка
О машине: Mazda6 2.0 2006г.
Репутация: 57
Рекламные ссылки. Показывается только незарегистрированным пользователям


Чот я тут подумал, нафига 12в с реле бенза брать, просто с аккума чо не пойдет шоле?


Вернуться к началу
 Профиль  
Ответить на тему 

 Заголовок сообщения: Re: ДНЕВНЫЕ ХОДОВЫЕ ОГНИ (ДХО)!!!
СообщениеДобавлено: 26 апр 2012, 14:50 
Не в сети
модератор
Аватара пользователя

Зарегистрирован: 05 май 2009, 03:00
Сообщения: 6759
Тем: 72
Откуда: Ставрополье
Блог: Посмотреть блог (7)
Машина: Toyota Vista
О машине: седан SV50, 3S-FSE, U240E, 98г.
Репутация: 1473
Badabum писал(а):
Чот я тут подумал, нафига 12в с реле бенза брать, просто с аккума чо не пойдет шоле?

не пойдёт. смысл в том, что бензонасос начинает работать после поворота стартера (при запуске). а так, как ты автоматику забацаешь?

_________________
Случайности не случайны...


Вернуться к началу
 Профиль  
Ответить на тему 
 Заголовок сообщения: Re: ДНЕВНЫЕ ХОДОВЫЕ ОГНИ (ДХО)!!!
СообщениеДобавлено: 26 апр 2012, 17:14 
Не в сети
Специалист
Специалист
Аватара пользователя

Зарегистрирован: 05 окт 2011, 08:20
Сообщения: 286
Тем: 9
Откуда: Красноярск
Машина: др. Японка
О машине: Mazda6 2.0 2006г.
Репутация: 57
Дык 12в же чз реле идет, а реле пропустит тока при условии что коробка не на парковки, те это прямое реле, а с габаритов обратное реле, те разомкнет цепь если включишь габариты.


Вернуться к началу
 Профиль  
Ответить на тему 
 Заголовок сообщения: Re: ДНЕВНЫЕ ХОДОВЫЕ ОГНИ (ДХО)!!!
СообщениеДобавлено: 26 апр 2012, 18:01 
Не в сети
Гуру
Гуру
Аватара пользователя

Зарегистрирован: 14 авг 2011, 23:21
Сообщения: 1309
Тем: 63
Откуда: Челябинск
Машина: Toyota Vista Ardeo
О машине: SV-50 3S-FSE Active Sports 1998
Репутация: 683
Да именно так. Сейчас тоже думаю такую схему сделать. Какая нужна релюха чтоб от аккумулятора подать на ДХО при включении зажигания? Я уже просто нашел провод в блоке предохранителей которые несет +12 при включении зажигания.


Вернуться к началу
 Профиль Отправить email  
Ответить на тему 
 Заголовок сообщения: Re: ДНЕВНЫЕ ХОДОВЫЕ ОГНИ (ДХО)!!!
СообщениеДобавлено: 26 апр 2012, 18:24 
Не в сети
модератор
Аватара пользователя

Зарегистрирован: 05 май 2009, 03:00
Сообщения: 6759
Тем: 72
Откуда: Ставрополье
Блог: Посмотреть блог (7)
Машина: Toyota Vista
О машине: седан SV50, 3S-FSE, U240E, 98г.
Репутация: 1473
Badabum писал(а):
Дык 12в же чз реле идет, а реле пропустит тока при условии что коробка не на парковки, те это прямое реле, а с габаритов обратное реле, те разомкнет цепь если включишь габариты.

всё правильно гришь. просто если с бензонасоса, то исключается работа ДХО когда например остановился, зажигание выключил, а селектор не переводил (бывает и такое). опять же, если на N рычаг - это ещё схему городить? ну можешь и не заморачиваться, делать напрямую от акб.
кстати, немного не в теме, по какой схеме делаются ДХО у тебя?

_________________
Случайности не случайны...


Вернуться к началу
 Профиль  
Ответить на тему 
 Заголовок сообщения: Re: ДНЕВНЫЕ ХОДОВЫЕ ОГНИ (ДХО)!!!
СообщениеДобавлено: 26 апр 2012, 21:28 
Не в сети
Специалист
Специалист
Аватара пользователя

Зарегистрирован: 05 окт 2011, 08:20
Сообщения: 286
Тем: 9
Откуда: Красноярск
Машина: др. Японка
О машине: Mazda6 2.0 2006г.
Репутация: 57
uraStav писал(а):
всё правильно гришь. просто если с бензонасоса, то исключается работа ДХО когда например остановился, зажигание выключил, а селектор не переводил (бывает и такое). опять же, если на N рычаг - это ещё схему городить? ну можешь и не заморачиваться, делать напрямую от акб.
кстати, немного не в теме, по какой схеме делаются ДХО у тебя?

Бывает но ооочень редко, да хрен с ним, светодиоды аккум не посадят, а если соберешся из машины вылазить то, ключик то не вынеш пока на Р не встанеш)
А на N когда ставишь? И что должно с ДХО быть при этом?


Вернуться к началу
 Профиль  
Ответить на тему 
 Заголовок сообщения: Re: ДНЕВНЫЕ ХОДОВЫЕ ОГНИ (ДХО)!!!
СообщениеДобавлено: 27 апр 2012, 12:11 
Не в сети
модератор
Аватара пользователя

Зарегистрирован: 05 май 2009, 03:00
Сообщения: 6759
Тем: 72
Откуда: Ставрополье
Блог: Посмотреть блог (7)
Машина: Toyota Vista
О машине: седан SV50, 3S-FSE, U240E, 98г.
Репутация: 1473
Badabum писал(а):
А на N когда ставишь? И что должно с ДХО быть при этом?

я ж тебе сказал, что не в курсе по какой схеме ты планируешь подключать...
если запрет на включение ДХО осуществляется от "Р", то на N они будут гореть.

_________________
Случайности не случайны...


Вернуться к началу
 Профиль  
Ответить на тему 
 Заголовок сообщения: Re: ДНЕВНЫЕ ХОДОВЫЕ ОГНИ (ДХО)!!!
СообщениеДобавлено: 27 апр 2012, 13:09 
Не в сети
Специалист
Специалист
Аватара пользователя

Зарегистрирован: 05 окт 2011, 08:20
Сообщения: 286
Тем: 9
Откуда: Красноярск
Машина: др. Японка
О машине: Mazda6 2.0 2006г.
Репутация: 57
Да хрен с ним, я буду от Р делать и от аккума. У меня еще в планах автоскладыватель зеркал, и автозакрыватель окон)))


Вернуться к началу
 Профиль  
Ответить на тему 
СообщениеСообщение было удалено | удалил: Vyatich | 27 апр 2012, 16:47.
Причина: не по теме
 Заголовок сообщения: Re: ДНЕВНЫЕ ХОДОВЫЕ ОГНИ (ДХО)!!!
СообщениеДобавлено: 29 апр 2012, 22:00 
Не в сети
Местный
Местный
Аватара пользователя

Зарегистрирован: 01 янв 2006, 04:00
Сообщения: 10044
Тем: 182
Откуда: ХМАО Роман
Машина: др. неЯпонка
О машине: Volkswagen Tiguan
Репутация: 710
В начале темы выкладывалась схемка с двумя оптореле и микросхемой, по которой свет автоматически включался только когда машина заведена и когда АКПП снимается с парковки. Чем вам такая схема не нравится? Она у меня работает уже год вполне успешно. Сама схема очень простая. Все переделки делаются на подрулевом переключателе.

_________________
Управлял шесть лет японской мечтой - Toyota Vista Ardeo, теперь управляю немецкой мечтой - DAS AUTO.


Вернуться к началу
 Профиль  
Ответить на тему 
 Заголовок сообщения: Re: ДНЕВНЫЕ ХОДОВЫЕ ОГНИ (ДХО)!!!
СообщениеДобавлено: 30 апр 2012, 11:43 
Не в сети
Специалист
Специалист
Аватара пользователя

Зарегистрирован: 05 окт 2011, 08:20
Сообщения: 286
Тем: 9
Откуда: Красноярск
Машина: др. Японка
О машине: Mazda6 2.0 2006г.
Репутация: 57
Эт ты про эту шоль? Жесть схема)


Вложения:
90505871.gif
90505871.gif [ 54.7 КБ | Просмотров: 1283 ]
Вернуться к началу
 Профиль  
Ответить на тему 
 Заголовок сообщения: Re: ДНЕВНЫЕ ХОДОВЫЕ ОГНИ (ДХО)!!!
СообщениеДобавлено: 01 май 2012, 12:23 
Не в сети
Местный
Местный
Аватара пользователя

Зарегистрирован: 01 янв 2006, 04:00
Сообщения: 10044
Тем: 182
Откуда: ХМАО Роман
Машина: др. неЯпонка
О машине: Volkswagen Tiguan
Репутация: 710
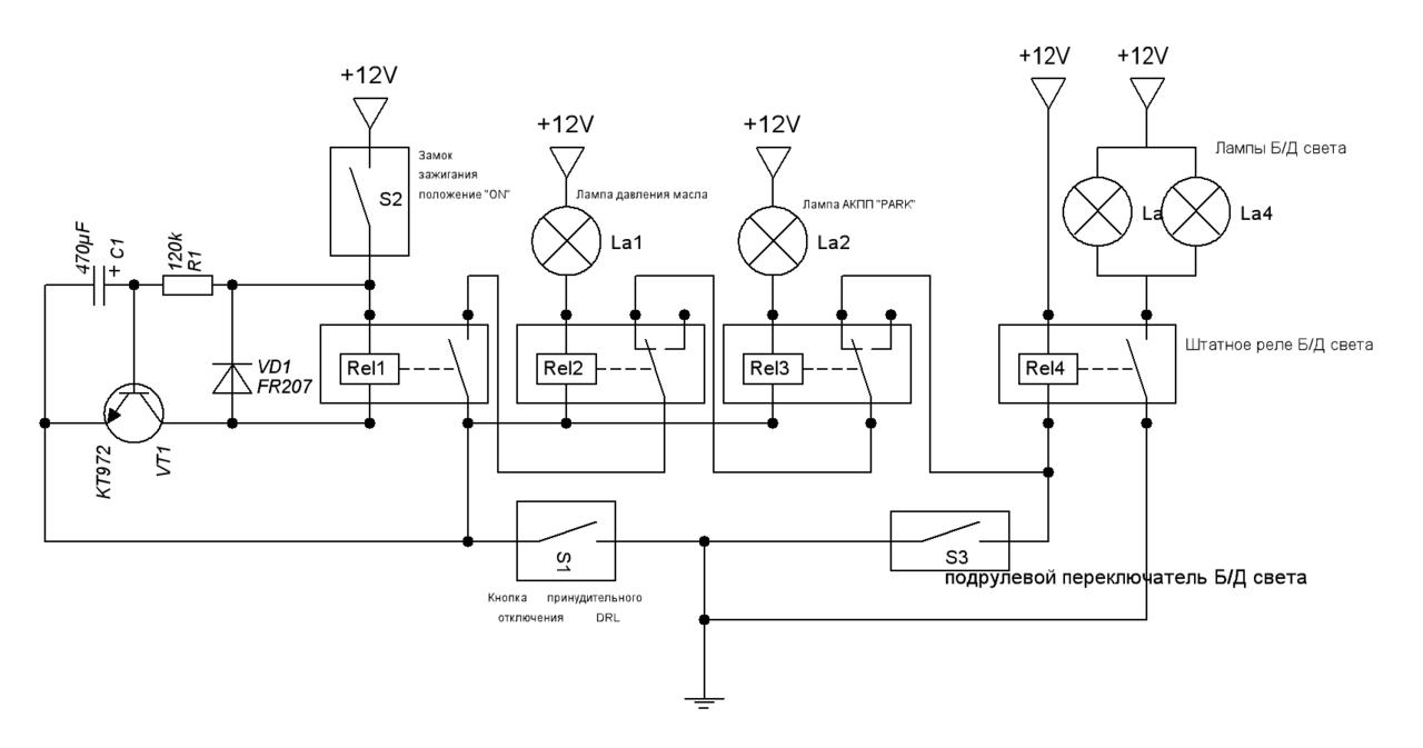
Нет не про эту, хотя эта вроде не сложная, всего четыре реле, один транзистор, конденсатор и резистор, чего тут сложного?

Я писал вот про эту схему, предложенную zero648:

viewtopic.php?t=998087&start=150
viewtopic.php?t=998087&start=180



Я ее доработал:

viewtopic.php?t=998087&start=195
viewtopic.php?t=998087&start=210

Изображение

Родной светофильтр возле лобового стекла который, я заклеил черным строительным скотчем, что бы габариты горели всегда при включении фар, иначе они начинают моргать когда из тени выезжаешь на свет и реле щелкает.

_________________
Управлял шесть лет японской мечтой - Toyota Vista Ardeo, теперь управляю немецкой мечтой - DAS AUTO.


Вернуться к началу
 Профиль  
Ответить на тему 
СообщениеСообщение было удалено | удалил: Vyatich | 08 май 2012, 23:22.
Причина: дубль
 Заголовок сообщения: Re: ДНЕВНЫЕ ХОДОВЫЕ ОГНИ (ДХО)!!!
СообщениеДобавлено: 21 май 2012, 17:09 
Не в сети
Профи
Профи
Аватара пользователя

Зарегистрирован: 30 мар 2008, 04:00
Сообщения: 565
Тем: 7
Откуда: Копейск
Машина: Toyota Vista Ardeo
О машине: SV-50 3S-FSE WHITE 1998
Репутация: 219
У меня стоит такая схемка в последней моей редакции, в этой теме она есть, которая второй вариант с режимом AUTO, я фотодатчик не закрываю, она и так нормально работает, даже когда под мостом проезжаешь включаются габариты, выехал из под моста габариты потухли, ближний как горел, так и горит. Моргалки происходят из-за приглушения яркости лампочек положения селектора АКПП, если яркость подсветки при включеных габаритах настроить на максимум, то моргалы пропадают, я это уже отмечал, это был единственный глюк в этой схеме, но у меня яркость не на максимуме, но всё работат отлично, ваще на счет света второй год уже не парюсь, подрулевой переключатель света даже не трогаю.


Вернуться к началу
 Профиль  
Ответить на тему 
 Заголовок сообщения: Re: ДНЕВНЫЕ ХОДОВЫЕ ОГНИ (ДХО)!!!
СообщениеДобавлено: 22 май 2012, 01:48 
Не в сети
Местный
Местный
Аватара пользователя

Зарегистрирован: 01 янв 2006, 04:00
Сообщения: 10044
Тем: 182
Откуда: ХМАО Роман
Машина: др. неЯпонка
О машине: Volkswagen Tiguan
Репутация: 710
Я трогаю только в пробках для снижения нагрузки на генератор и то в основном зимой. А мне щелкание реле надоело и я заклеил фото датчик черным строительным скотчем.

_________________
Управлял шесть лет японской мечтой - Toyota Vista Ardeo, теперь управляю немецкой мечтой - DAS AUTO.


Вернуться к началу
 Профиль  
Ответить на тему 

Показать сообщения за:  Поле сортировки  
Начать новую тему Ответить на тему

 [ Сообщений: 577 ]  На страницу Пред.  1 ... 28, 29, 30, 31, 32, 33, 34 ... 39  След.





* Поиск по сайту Вверх Вниз

Кто сейчас на конференции

Сейчас этот форум просматривают: нет зарегистрированных пользователей и гости: 8


Вы не можете начинать темы
Вы не можете отвечать на сообщения
Вы не можете редактировать свои сообщения
Вы не можете удалять свои сообщения
Вы не можете добавлять вложения

Найти:
Перейти:  
Текущее время: 14 май 2026, 15:05
Часовой пояс: UTC + 7 часов
Powered by phpbb. (c) VistaClub.ru.    * Статистика