* Поиск по сайту Вверх Вниз



Начать новую тему Ответить на тему  [ Сообщений: 577 ]  На страницу Пред.  1 ... 23, 24, 25, 26, 27, 28, 29 ... 39  След.
Автор Сообщение
 Заголовок сообщения: Re: ДНЕВНЫЕ ХОДОВЫЕ ОГНИ (ДХО)!!!
СообщениеДобавлено: 25 сен 2011, 23:12 
Не в сети
Любитель
Любитель

Зарегистрирован: 02 дек 2010, 11:09
Сообщения: 76
Тем: 8
Откуда: Дальнегорск
Машина: Toyota Vista Ardeo
О машине: SV55G 1999 3S-FE 4WD Multivision
Репутация: 31
Рекламные ссылки. Показывается только незарегистрированным пользователям


Заранее всем благодарен :smile:

Добавлено спустя 8 часов 51 минуту 28 секунд:
Кстати говоря, есть хорошая и простая программка для рисования схем (портабельная версия - не требует установки, весит 2,17Mb), подобного рода схемы рисуются за 10-15 минут, не больше - куда-нибудь на сайт ее можно выложить, чтоб была доступна всем?


Вернуться к началу
 Профиль Отправить email  
Ответить на тему 

 Заголовок сообщения: Re: ДНЕВНЫЕ ХОДОВЫЕ ОГНИ (ДХО)!!!
СообщениеДобавлено: 26 сен 2011, 16:01 
Не в сети
Давно на форуме
Аватара пользователя

Зарегистрирован: 25 янв 2009, 04:00
Сообщения: 10683
Тем: 155
Откуда: Косопузия (Рязань).
Машина: др. Toyota
О машине: SXU10 5S-FE белая ночь 057
Репутация: 1488
Andre1ch писал(а):
...Кстати говоря, есть хорошая и простая программка для рисования схем (портабельная версия - не требует установки, весит 2,17Mb), подобного рода схемы рисуются за 10-15 минут, не больше - куда-нибудь на сайт ее можно выложить, чтоб была доступна всем?


Конечно давай, вещь нужная и полезная.
:smile: ...

_________________
:smoke: Я не парюсь. Уже не курю. Просто люблю на солнце посидеть.
(из личных наблюдений...)


Вернуться к началу
 Профиль  
Ответить на тему 
 Заголовок сообщения: Re: Дневные ходовые огни
СообщениеДобавлено: 26 сен 2011, 16:10 
Не в сети
Профи
Профи
Аватара пользователя

Зарегистрирован: 30 сен 2008, 03:00
Сообщения: 554
Тем: 33
Откуда: Барнаул
Машина: Toyota Vista Ardeo
О машине: Vista Ardeo 03.2000, 1zz
Репутация: 367
Aleks576 писал(а):
Никогда не понимал водил которым жалко лампочки. Вы поймите, вас реально хорошо видно боковым зрением в зеркала, если вы включили свет а не габариты. Что вы все экономите на лампочках, на нагрузке генератора. У вас чего ВАЗ-ы старые с проблемами? Включили свет и вперед.

_________________
Vista Ardeo 03.2000
c TV-мультивижн
1ZZ-FE, 410000 км
На 245000 км замена колец ДВС
Shell 5w30


Вернуться к началу
 Профиль Отправить email  
Ответить на тему 
 Заголовок сообщения: Re: ДНЕВНЫЕ ХОДОВЫЕ ОГНИ (ДХО)!!!
СообщениеДобавлено: 26 сен 2011, 16:57 
Не в сети
Любитель
Любитель

Зарегистрирован: 02 дек 2010, 11:09
Сообщения: 76
Тем: 8
Откуда: Дальнегорск
Машина: Toyota Vista Ardeo
О машине: SV55G 1999 3S-FE 4WD Multivision
Репутация: 31
fei5656 писал(а):
Andre1ch писал(а):
...Кстати говоря, есть хорошая и простая программка для рисования схем (портабельная версия - не требует установки, весит 2,17Mb), подобного рода схемы рисуются за 10-15 минут, не больше - куда-нибудь на сайт ее можно выложить, чтоб была доступна всем?


Конечно давай, вещь нужная и полезная.
:smile: ...


Так куда, собственно, ее можно закинуть, на сайте есть что-нибудь типа файлообменника или файлового архива?

Добавлено спустя 5 часов 52 минуты 27 секунд:
Кстати, падение напруги на зеленом проводе генератора не прошло даром, днем не было видно, а вечером хорошо заметно, что лампа гены горит в полнакала (на заведенном авто), так что переделывать полюбому... :(


Вернуться к началу
 Профиль Отправить email  
Ответить на тему 
 Заголовок сообщения: Re: ДНЕВНЫЕ ХОДОВЫЕ ОГНИ (ДХО)!!!
СообщениеДобавлено: 27 сен 2011, 03:48 
Не в сети
Давно на форуме
Аватара пользователя

Зарегистрирован: 25 янв 2009, 04:00
Сообщения: 10683
Тем: 155
Откуда: Косопузия (Рязань).
Машина: др. Toyota
О машине: SXU10 5S-FE белая ночь 057
Репутация: 1488
Andre1ch писал(а):
fei5656 писал(а):
...
Конечно давай, вещь нужная и полезная.
:smile: ...


Так куда, собственно, ее можно закинуть, на сайте есть что-нибудь типа файлообменника или файлового архива?
...


Например такой вариант:
Выложи в любой файлообменник например на 10дн. и тут выложи в теме ссылку откуда взять. Кому интересно скачает, лично я - обязательно.
:smile: ...

_________________
:smoke: Я не парюсь. Уже не курю. Просто люблю на солнце посидеть.
(из личных наблюдений...)


Вернуться к началу
 Профиль  
Ответить на тему 
 Заголовок сообщения: Re: ДНЕВНЫЕ ХОДОВЫЕ ОГНИ (ДХО)!!!
СообщениеДобавлено: 27 сен 2011, 07:11 
Не в сети
Специалист
Специалист
Аватара пользователя

Зарегистрирован: 30 май 2010, 03:00
Сообщения: 429
Тем: 34
Откуда: Красноярский край,Иланский
Машина: др. Японка
О машине: STAGEA.3303.
Репутация: 24
Вот,как сумел


Вложения:
Безымянный.jpg
Безымянный.jpg [ 18.49 КБ | Просмотров: 1044 ]

_________________
Опыт,это когда никто ничего не знает,но всё работает.Теория,это когда все всё знают,но ничего не работает.
STAGEA.3303.
Вернуться к началу
 Профиль Отправить email  
Ответить на тему 
 Заголовок сообщения: Re: ДНЕВНЫЕ ХОДОВЫЕ ОГНИ (ДХО)!!!
СообщениеДобавлено: 27 сен 2011, 07:23 
Не в сети
Любитель
Любитель

Зарегистрирован: 02 дек 2010, 11:09
Сообщения: 76
Тем: 8
Откуда: Дальнегорск
Машина: Toyota Vista Ardeo
О машине: SV55G 1999 3S-FE 4WD Multivision
Репутация: 31
vitek24 писал(а):
Вот,как сумел

Огромное спасибо :good:


Вернуться к началу
 Профиль Отправить email  
Ответить на тему 
 Заголовок сообщения: Re: ДНЕВНЫЕ ХОДОВЫЕ ОГНИ (ДХО)!!!
СообщениеДобавлено: 27 сен 2011, 09:07 
Не в сети
Специалист
Специалист
Аватара пользователя

Зарегистрирован: 30 май 2010, 03:00
Сообщения: 429
Тем: 34
Откуда: Красноярский край,Иланский
Машина: др. Японка
О машине: STAGEA.3303.
Репутация: 24
Через "D" ещё гуманней.Одна релюха,тока в панель либо в селектор лезть надо.

_________________
Опыт,это когда никто ничего не знает,но всё работает.Теория,это когда все всё знают,но ничего не работает.
STAGEA.3303.


Вернуться к началу
 Профиль Отправить email  
Ответить на тему 
 Заголовок сообщения: Re: ДНЕВНЫЕ ХОДОВЫЕ ОГНИ (ДХО)!!!
СообщениеДобавлено: 27 сен 2011, 10:56 
Не в сети
Профи
Профи
Аватара пользователя

Зарегистрирован: 01 май 2008, 03:00
Сообщения: 757
Тем: 77
Откуда: РОССИЯ, Воронеж.
Машина: Toyota Vista
О машине: ZZV-50, 1ZZ, 1999г.
Репутация: 467
vitek24 писал(а):
Через "D" ещё гуманней.Одна релюха,тока в панель либо в селектор лезть надо.

Через "D" только селектор, с панели напруга просаживается почти вдвое, где то в этой теме уже описано.


Вернуться к началу
 Профиль Отправить email  
Ответить на тему 
 Заголовок сообщения: Re: ДНЕВНЫЕ ХОДОВЫЕ ОГНИ (ДХО)!!!
СообщениеДобавлено: 27 сен 2011, 14:11 
Не в сети
Любитель
Любитель

Зарегистрирован: 02 дек 2010, 11:09
Сообщения: 76
Тем: 8
Откуда: Дальнегорск
Машина: Toyota Vista Ardeo
О машине: SV55G 1999 3S-FE 4WD Multivision
Репутация: 31
Вот, собственно прога, о которой я говорил:
sPlan.exe :good:

Добавлено спустя 2 минуты 30 секунд:
Только что проверил сцылку, вроде работает...

Добавлено спустя 2 минуты 23 секунды:
Будет интересно услышать мнение о данной проге... Для меня у нее один недостаток - не позволяет проверить работу схемы...


Вернуться к началу
 Профиль Отправить email  
Ответить на тему 
 Заголовок сообщения: Re: ДНЕВНЫЕ ХОДОВЫЕ ОГНИ (ДХО)!!!
СообщениеДобавлено: 27 сен 2011, 14:35 
Не в сети
бывалый
Аватара пользователя

Зарегистрирован: 29 апр 2009, 03:00
Сообщения: 2345
Тем: 32
Откуда: Новосибирск
Блог: Посмотреть блог (18)
Машина: Toyota Vista
О машине: 1ZZ-FE, ZZV50, 99г, без тахо и тв
Репутация: 732
Andre1ch писал(а):
Будет интересно услышать мнение о данной проге... Для меня у нее один недостаток - не позволяет проверить работу схемы...

немного оффтопа и на этом о программах в данной теме закончим...
PROTEUS позволяет как рисовать схемы, так и проверять их в работе...

_________________
Была :Toyota Vista ZZV50 99г. без тахо (капиталка собственноручно)
Сейчас: Mitsubishi Outlander CW5W, 05г., 2.4, CVT, MMCS, Rockford


Вернуться к началу
 Профиль  
Ответить на тему 
 Заголовок сообщения: Re: ДНЕВНЫЕ ХОДОВЫЕ ОГНИ (ДХО)!!!
СообщениеДобавлено: 27 сен 2011, 15:36 
Не в сети
Любитель
Любитель

Зарегистрирован: 02 дек 2010, 11:09
Сообщения: 76
Тем: 8
Откуда: Дальнегорск
Машина: Toyota Vista Ardeo
О машине: SV55G 1999 3S-FE 4WD Multivision
Репутация: 31
MadLord писал(а):
немного оффтопа и на этом о программах в данной теме закончим...
PROTEUS позволяет как рисовать схемы, так и проверять их в работе...

Не всем нужен такой монстр, его надо устанавливать, весит он много, к тому же платный (со всеми вытекающими), но спорить не буду - программа хорошая, надо как-нибудь испытать, sorry for offtop :oops:

Добавлено спустя 12 минут 12 секунд:

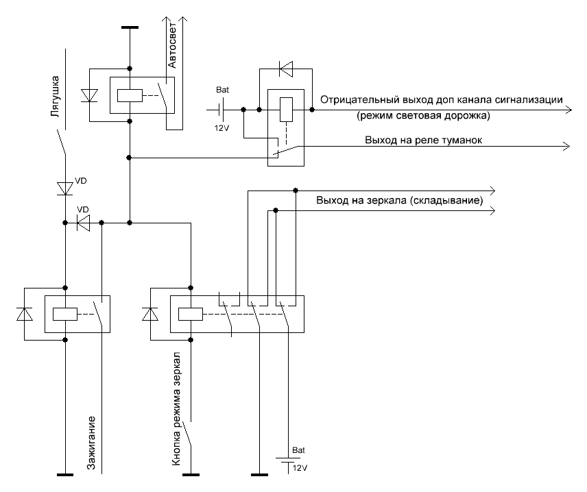
В общем накидал тут кое какую белиберду, кто как думает, работать будет?


Вложения:
Схема.GIF
Схема.GIF [ 14.24 КБ | Просмотров: 1011 ]
Вернуться к началу
 Профиль Отправить email  
Ответить на тему 
 Заголовок сообщения: Re: ДНЕВНЫЕ ХОДОВЫЕ ОГНИ (ДХО)!!!
СообщениеДобавлено: 27 сен 2011, 16:15 
Не в сети
Профи
Профи
Аватара пользователя

Зарегистрирован: 01 май 2008, 03:00
Сообщения: 757
Тем: 77
Откуда: РОССИЯ, Воронеж.
Машина: Toyota Vista
О машине: ZZV-50, 1ZZ, 1999г.
Репутация: 467
Andre1ch писал(а):
В общем накидал тут кое какую белиберду, кто как думает, работать будет?

И зачем все так усложнять... :smoke:


Вернуться к началу
 Профиль Отправить email  
Ответить на тему 
 Заголовок сообщения: Re: ДНЕВНЫЕ ХОДОВЫЕ ОГНИ (ДХО)!!!
СообщениеДобавлено: 27 сен 2011, 16:32 
Не в сети
Любитель
Любитель

Зарегистрирован: 02 дек 2010, 11:09
Сообщения: 76
Тем: 8
Откуда: Дальнегорск
Машина: Toyota Vista Ardeo
О машине: SV55G 1999 3S-FE 4WD Multivision
Репутация: 31
jannoss писал(а):
Andre1ch писал(а):
В общем накидал тут кое какую белиберду, кто как думает, работать будет?

И зачем все так усложнять... :smoke:

А в чем, собственно, усложнение? :smile:


Вернуться к началу
 Профиль Отправить email  
Ответить на тему 
 Заголовок сообщения: Re: ДНЕВНЫЕ ХОДОВЫЕ ОГНИ (ДХО)!!!
СообщениеДобавлено: 27 сен 2011, 20:26 
Не в сети
Специалист
Специалист
Аватара пользователя

Зарегистрирован: 30 май 2010, 03:00
Сообщения: 429
Тем: 34
Откуда: Красноярский край,Иланский
Машина: др. Японка
О машине: STAGEA.3303.
Репутация: 24
jannoss писал(а):
vitek24 писал(а):
Через "D" ещё гуманней.Одна релюха,тока в панель либо в селектор лезть надо.

Через "D" только селектор, с панели напруга просаживается почти вдвое, где то в этой теме уже описано.

А если вместо реле использовать теристор?На него много не надо.

_________________
Опыт,это когда никто ничего не знает,но всё работает.Теория,это когда все всё знают,но ничего не работает.
STAGEA.3303.


Вернуться к началу
 Профиль Отправить email  
Ответить на тему 

Показать сообщения за:  Поле сортировки  
Начать новую тему Ответить на тему

 [ Сообщений: 577 ]  На страницу Пред.  1 ... 23, 24, 25, 26, 27, 28, 29 ... 39  След.





* Поиск по сайту Вверх Вниз

Кто сейчас на конференции

Сейчас этот форум просматривают: нет зарегистрированных пользователей и гости: 6


Вы не можете начинать темы
Вы не можете отвечать на сообщения
Вы не можете редактировать свои сообщения
Вы не можете удалять свои сообщения
Вы не можете добавлять вложения

Найти:
Перейти:  
Текущее время: 14 май 2026, 16:04
Часовой пояс: UTC + 7 часов
Powered by phpbb. (c) VistaClub.ru.    * Статистика