* Поиск по сайту Вверх Вниз



Начать новую тему Ответить на тему  [ Сообщений: 132 ]  На страницу Пред.  1, 2, 3, 4, 5, 6 ... 9  След.
Автор Сообщение
 Заголовок сообщения: Re: Датчики системы управления двигателем 3S-FE
СообщениеДобавлено: 21 июн 2012, 21:49 
Не в сети
модератор
Аватара пользователя

Зарегистрирован: 27 окт 2008, 04:00
Сообщения: 12731
Тем: 15
Откуда: Вятка
Машина: др. Японка
О машине: Toyota Prius 51
Репутация: 2381
Рекламные ссылки. Показывается только незарегистрированным пользователям


Датчики ОЖ обычно стоят на тройнике справа головки (патрубок на верхний бачок радиатора).

Добавлено спустя 3 минуты 18 секунд:
Лучше бы фото двигателя приложить.

_________________
Vista Ardeo 1999, SV50, D4, Мультик, TV...


Вернуться к началу
 Профиль Отправить email  
Ответить на тему 

 Заголовок сообщения: Re: Датчики системы управления двигателем 3S-FE
СообщениеДобавлено: 21 июн 2012, 23:44 
Не в сети
#G_03
Аватара пользователя

Зарегистрирован: 21 авг 2011, 14:36
Сообщения: 1141
Тем: 18
Откуда: санкт-петербург
Блог: Посмотреть блог (1)
Машина: Toyota Vista
О машине: 32,20,55.30,50,-что были у меня лично
Репутация: 49
датчик в солнышке белом-это детонации


Вложения:
Комментарий к файлу: может поможет
MEQ708A.png
MEQ708A.png [ 62.45 КБ | Просмотров: 11170 ]
Комментарий к файлу: датчики
MEQ736B.png
MEQ736B.png [ 57.95 КБ | Просмотров: 11170 ]

_________________
#G_03
Viber/WhatsApp 89992030480
https://vk.com/andrey_garag
https://www.drive2.ru/users/g-03
АВТОЗАПЧАСТИ/РЕМОНТ 89992030480


Последний раз редактировалось garag03 22 июн 2012, 13:04, всего редактировалось 1 раз.
Вернуться к началу
 Профиль Отправить email  
Ответить на тему 
 Заголовок сообщения: Re: Датчики системы управления двигателем 3S-FE
СообщениеДобавлено: 22 июн 2012, 06:23 
Не в сети
местный модератор
Аватара пользователя

Зарегистрирован: 12 фев 2009, 04:00
Сообщения: 7539
Тем: 100
Откуда: Хабаровск
Блог: Посмотреть блог (6)
Машина: Toyota Vista Ardeo
О машине: серебристая с ресничками
Репутация: 1791
сергей945, берете картинки указанные выше, ищите датчики на движке, если такие не указаны, то фотаете и выясняем, если есть, то теперь вы знаете его название....методом исключения выявите все названия))...было бы здорово, если ктото выложит свою картинку с подписями датчиков.

PS: сергей945, проверяйте мыло.

_________________
--------------------------------------------------
トヨタ ビスタアルデオ / VISTA ARDEO SV55G - BWSGK 4.2000, N200G, 3S-FE, 4WD, navi, ...
--------------------------------------------------


Вернуться к началу
 Профиль  
Ответить на тему 
 Заголовок сообщения: Re: Датчики системы управления двигателем 3S-FE
СообщениеДобавлено: 11 авг 2012, 01:29 
Не в сети
Начинающий
Начинающий
Аватара пользователя

Зарегистрирован: 11 авг 2012, 00:17
Сообщения: 5
Тем: 1
Машина: Toyota Vista
О машине: SV30 4S
Репутация: 0
А можно попросить Evgenyslik-а отсканить в книге страничку с схемой зажигания (эбу Катушка трамблёр)?


Вернуться к началу
 Профиль Отправить email  
Ответить на тему 
 Заголовок сообщения: Re: Датчики системы управления двигателем 3S-FE
СообщениеДобавлено: 15 окт 2012, 17:26 
Не в сети
Начинающий
Начинающий

Зарегистрирован: 15 янв 2011, 19:24
Сообщения: 9
Тем: 1
Машина: Toyota Vista Ardeo
О машине: 3s-fe меняный
Репутация: 0
датчик масленого давления должен вкручиваться в масляную магистраль. а она проходит от масляного фильтра, в головку цилиндра


Вернуться к началу
 Профиль Отправить email  
Ответить на тему 
 Заголовок сообщения: Re: Датчики абсолютного давления как подключить 3S-FE
СообщениеДобавлено: 05 янв 2013, 14:18 
Не в сети
Начинающий
Начинающий

Зарегистрирован: 09 дек 2012, 18:51
Сообщения: 16
Тем: 5
Откуда: Красноярск
Машина: Toyota Vista
О машине: SV25/3S/
Репутация: 0
Как подключить датчик абсолютного давления при етом имеются только два провода а в датчике три штыря


Вернуться к началу
 Профиль Отправить email  
Ответить на тему 
 Заголовок сообщения: Re: Датчики абсолютного давления как подключить 3S-FE
СообщениеДобавлено: 06 янв 2013, 16:57 
Не в сети
модератор
Аватара пользователя

Зарегистрирован: 27 окт 2008, 04:00
Сообщения: 12731
Тем: 15
Откуда: Вятка
Машина: др. Японка
О машине: Toyota Prius 51
Репутация: 2381
ANDREY L писал(а):
Как подключить датчик абсолютного давления при етом имеются только два провода а в датчике три штыря
Вот схема.


Вложения:
Toyota_Camry_Vista_1994-1998_270.jpg
Toyota_Camry_Vista_1994-1998_270.jpg [ 1.36 МБ | Просмотров: 10894 ]

_________________
Vista Ardeo 1999, SV50, D4, Мультик, TV...
Вернуться к началу
 Профиль Отправить email  
Ответить на тему 
 Заголовок сообщения: Re: Датчики системы управления двигателем 3S-FE
СообщениеДобавлено: 08 янв 2013, 12:17 
Не в сети
Начинающий
Начинающий

Зарегистрирован: 09 дек 2012, 18:51
Сообщения: 16
Тем: 5
Откуда: Красноярск
Машина: Toyota Vista
О машине: SV25/3S/
Репутация: 0
Если честно машина первая я в етай схеме не хрена не пойму. Мне бы на пальцах объяснить!!!


Вернуться к началу
 Профиль Отправить email  
Ответить на тему 
 Заголовок сообщения: Re: Датчики системы управления двигателем 3S-FE
СообщениеДобавлено: 08 янв 2013, 15:07 
Не в сети
Специалист
Специалист

Зарегистрирован: 24 дек 2011, 11:34
Сообщения: 464
Тем: 2
Откуда: Новосибирск
Машина: др. Toyota
О машине: Noah
Репутация: 333
Лучший выход, это качать книгу. Почитаете, подумаете....лучше чем талмуте, инфы не найдете.
Если на пальцах то - три выхода на датчик: питание 5V, масса, и сигнальный. Включаем зажигание, цешкой смотрим, какие провода живые, затем вскрываем конец косы ищем обрубок провода и по талмуту подключаем.


Вернуться к началу
 Профиль Отправить email  
Ответить на тему 
 Заголовок сообщения: Re: Датчики системы управления двигателем 3S-FE
СообщениеДобавлено: 08 янв 2013, 16:34 
Не в сети
местный модератор
Аватара пользователя

Зарегистрирован: 12 фев 2009, 04:00
Сообщения: 7539
Тем: 100
Откуда: Хабаровск
Блог: Посмотреть блог (6)
Машина: Toyota Vista Ardeo
О машине: серебристая с ресничками
Репутация: 1791
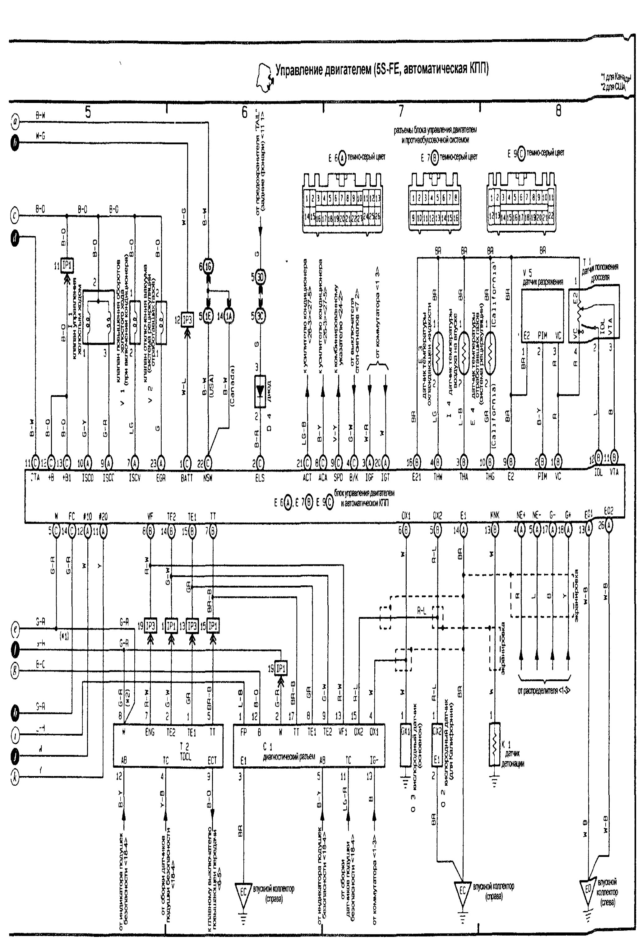
еще есть схема, где МАР обозначен как датчик разряжения))....контакты теже


Вложения:
Схема подключения датчиков 3S-FE.jpg
Схема подключения датчиков 3S-FE.jpg [ 1012.05 КБ | Просмотров: 10880 ]

_________________
--------------------------------------------------
トヨタ ビスタアルデオ / VISTA ARDEO SV55G - BWSGK 4.2000, N200G, 3S-FE, 4WD, navi, ...
--------------------------------------------------
Вернуться к началу
 Профиль  
Ответить на тему 
 Заголовок сообщения: Что это за датчик?
СообщениеДобавлено: 27 янв 2013, 14:10 
Не в сети
Начинающий
Начинающий
Аватара пользователя

Зарегистрирован: 06 дек 2011, 23:51
Сообщения: 16
Тем: 4
Откуда: Томск
Машина: Toyota Vista
О машине: 1991 г. кузов SV30 двигатель 4S
Репутация: 0
Доброго времени суток друзья.

Открыл капот, а там какие-то два проводка болтаются (раньше вроде не болтались). Вот подскажите что это за датчик и для чего он? А то может надо срочно провода приделывать обратно. Идет он к инжектору.

Вложение:
IMAG1132.jpg
IMAG1132.jpg [ 646.48 КБ | Просмотров: 10606 ]

Вложение:
IMAG1134.jpg
IMAG1134.jpg [ 525.49 КБ | Просмотров: 10606 ]


кстати, vista sv30 91 гв, 4s


Вернуться к началу
 Профиль Отправить email  
Ответить на тему 
 Заголовок сообщения: Re: Что это за датчик?
СообщениеДобавлено: 27 янв 2013, 14:48 
Не в сети
модератор
Аватара пользователя

Зарегистрирован: 27 окт 2008, 04:00
Сообщения: 12731
Тем: 15
Откуда: Вятка
Машина: др. Японка
О машине: Toyota Prius 51
Репутация: 2381
По памяти: это электропневмоклапан повышения оборотов двигателя при включении кондиционера. Иначе при включении обороты резко падают и сильно. Было при отказе этого клапана.

_________________
Vista Ardeo 1999, SV50, D4, Мультик, TV...


Вернуться к началу
 Профиль Отправить email  
Ответить на тему 
 Заголовок сообщения: Re: Что это за датчик?
СообщениеДобавлено: 27 янв 2013, 15:04 
Не в сети
Гуру
Гуру

Зарегистрирован: 02 сен 2010, 03:00
Сообщения: 2061
Тем: 48
Машина: др. неЯпонка
Репутация: 613
Vyatich писал(а):
По памяти: это электропневмоклапан повышения оборотов двигателя при включении кондиционера. Иначе при включении обороты резко падают и сильно. Было при отказе этого клапана.

а не от отсорбера этот клапан, вакуумный ? что то похожее на ниссане было


Вернуться к началу
 Профиль Отправить email  
Ответить на тему 
 Заголовок сообщения: Re: Что это за датчик?
СообщениеДобавлено: 27 янв 2013, 15:10 
Не в сети
модератор
Аватара пользователя

Зарегистрирован: 27 окт 2008, 04:00
Сообщения: 12731
Тем: 15
Откуда: Вятка
Машина: др. Японка
О машине: Toyota Prius 51
Репутация: 2381
Нет, у меня почти глохла при включении кондея, ставил сначала от жигулей клапан.

_________________
Vista Ardeo 1999, SV50, D4, Мультик, TV...


Вернуться к началу
 Профиль Отправить email  
Ответить на тему 
СообщениеСообщение было удалено | удалил: Vyatich | 18 июл 2013, 13:20.
Причина: неактуально

Показать сообщения за:  Поле сортировки  
Начать новую тему Ответить на тему

 [ Сообщений: 132 ]  На страницу Пред.  1, 2, 3, 4, 5, 6 ... 9  След.





* Поиск по сайту Вверх Вниз

Кто сейчас на конференции

Сейчас этот форум просматривают: нет зарегистрированных пользователей и гости: 0


Вы не можете начинать темы
Вы не можете отвечать на сообщения
Вы не можете редактировать свои сообщения
Вы не можете удалять свои сообщения
Вы не можете добавлять вложения

Найти:
Перейти:  
Текущее время: 23 май 2026, 15:03
Часовой пояс: UTC + 7 часов
Powered by phpbb. (c) VistaClub.ru.    * Статистика