* Поиск по сайту Вверх Вниз



Начать новую тему Ответить на тему  [ Сообщений: 130 ]  На страницу Пред.  1, 2, 3, 4, 5, 6 ... 9  След.
Автор Сообщение
 Заголовок сообщения: Re: Замена АКПП U240F на A243F-02A
СообщениеДобавлено: 21 янв 2014, 16:53 
Не в сети
модератор
Аватара пользователя

Зарегистрирован: 14 май 2013, 08:08
Сообщения: 5602
Тем: 19
Откуда: Хабаровск
Машина: др. Toyota
О машине: Тойота Виш 25 G
Репутация: 2395
Рекламные ссылки. Показывается только незарегистрированным пользователям


Седой писал(а):
Что то я не пойму, - зачем тогда придумали японцы этот режим POWER, если после него могут быть последствия. Вряд ли бы они допустили эту опцию, если она так пагубна влияет.

Речь скорее всего идет о старых изношенных двигах и коробках,на новых обкатаных машинках спорт режим можно гонять!

_________________
Изображение Подробнее: http://autompv.ru/nomer


Вернуться к началу
 Профиль  
Ответить на тему 

 Заголовок сообщения: Re: Замена АКПП U240F на A243F-02A
СообщениеДобавлено: 21 янв 2014, 17:25 
Не в сети
модератор
Аватара пользователя

Зарегистрирован: 27 окт 2008, 04:00
Сообщения: 12716
Тем: 15
Откуда: Вятка
Машина: др. Японка
О машине: Toyota Prius 51
Репутация: 2380
Почти постоянно пользуюсь по трассе, расход бензина меньше получается.

_________________
Vista Ardeo 1999, SV50, D4, Мультик, TV...


Вернуться к началу
 Профиль Отправить email  
Ответить на тему 
 Заголовок сообщения: Re: Замена АКПП U240F на A243F-02A
СообщениеДобавлено: 21 янв 2014, 18:55 
Не в сети
модератор
Аватара пользователя

Зарегистрирован: 14 май 2013, 08:08
Сообщения: 5602
Тем: 19
Откуда: Хабаровск
Машина: др. Toyota
О машине: Тойота Виш 25 G
Репутация: 2395
Vyatich писал(а):
Почти постоянно пользуюсь по трассе, расход бензина меньше получается.

Сколько оборотов на какой скорости выходит?

_________________
Изображение Подробнее: http://autompv.ru/nomer


Вернуться к началу
 Профиль  
Ответить на тему 
 Заголовок сообщения: Re: Замена АКПП U240F на A243F-02A
СообщениеДобавлено: 21 янв 2014, 19:07 
Не в сети
модератор
Аватара пользователя

Зарегистрирован: 27 окт 2008, 04:00
Сообщения: 12716
Тем: 15
Откуда: Вятка
Машина: др. Японка
О машине: Toyota Prius 51
Репутация: 2380
Скорость по правилам, обороты не смотрел, на обгонах идет очень легко и скорость набирает быстрее, думаю за счет этого расход меньше.

_________________
Vista Ardeo 1999, SV50, D4, Мультик, TV...


Вернуться к началу
 Профиль Отправить email  
Ответить на тему 
 Заголовок сообщения: Re: Замена АКПП U240F на A243F-02A
СообщениеДобавлено: 21 янв 2014, 22:00 
Не в сети
Специалист
Специалист

Зарегистрирован: 29 мар 2012, 15:46
Сообщения: 165
Тем: 4
Машина: Toyota Vista Ardeo
О машине: sv55,дв.3S-FE. 4вд. 99г.в.
Репутация: 43
Andrey 27 писал(а):
Седой писал(а):
Что то я не пойму, - зачем тогда придумали японцы этот режим POWER, если после него могут быть последствия. Вряд ли бы они допустили эту опцию, если она так пагубна влияет.

Речь скорее всего идет о старых изношенных двигах и коробках,на новых обкатаных машинках спорт режим можно гонять!

А у тебя она с завода вышла вчера?

Добавлено спустя 4 минуты 11 секунд:
Vyatich писал(а):
Скорость по правилам, обороты не смотрел, на обгонах идет очень легко и скорость набирает быстрее, думаю за счет этого расход меньше.

Да какой расход меньше,ты на обороты посмотри, там на обгонах на спорте 5000 примерно.А если скорость по правилам то и на экономе просто едешь и ни кого не трогаешь.


Вернуться к началу
 Профиль Отправить email  
Ответить на тему 
 Заголовок сообщения: Re: Замена АКПП U240F на A243F-02A
СообщениеДобавлено: 21 янв 2014, 22:12 
Не в сети
модератор
Аватара пользователя

Зарегистрирован: 27 окт 2008, 04:00
Сообщения: 12716
Тем: 15
Откуда: Вятка
Машина: др. Японка
О машине: Toyota Prius 51
Репутация: 2380
zukko писал(а):
Да какой расход меньше,ты на обороты посмотри, там на обгонах на спорте 5000 примерно.А если скорость по правилам то и на экономе просто едешь и ни кого не трогаешь.
Про 55-ую не знаю, может на ней и больше расход, я про D4 речь вел. Да и речь о том, что нельзя ездить на этом режиме.

_________________
Vista Ardeo 1999, SV50, D4, Мультик, TV...


Вернуться к началу
 Профиль Отправить email  
Ответить на тему 
 Заголовок сообщения: Re: Замена АКПП U240F на A243F-02A
СообщениеДобавлено: 22 янв 2014, 05:38 
Не в сети
местный модератор
Аватара пользователя

Зарегистрирован: 12 фев 2009, 04:00
Сообщения: 7539
Тем: 100
Откуда: Хабаровск
Блог: Посмотреть блог (6)
Машина: Toyota Vista Ardeo
О машине: серебристая с ресничками
Репутация: 1791
:f-l-u-d: :threat:

_________________
--------------------------------------------------
トヨタ ビスタアルデオ / VISTA ARDEO SV55G - BWSGK 4.2000, N200G, 3S-FE, 4WD, navi, ...
--------------------------------------------------


Вернуться к началу
 Профиль  
Ответить на тему 
 Заголовок сообщения: Re: Замена АКПП U240F на A243F-02A
СообщениеДобавлено: 22 янв 2014, 17:18 
Не в сети
Специалист
Специалист
Аватара пользователя

Зарегистрирован: 18 авг 2013, 20:30
Сообщения: 157
Тем: 5
Откуда: Иркутск
Машина: Toyota Vista Ardeo
О машине: 50кузов 1zz
Репутация: 209
всем доброго времени суток !!! подскажите пожалуста я столкнулся с такой проблемкой на висте ардео 50 кузов!!! до этого еду с работы остановился и все машинка не едет ни в перед не назад, после чего подсказали подтянуть тросик идущий на коробку все подтянули все в роде бы прекратилось но после чего начал замечать что при включении D она подтупливает не сразу едет это бывает редко но все же хочется понять в чем дело??? по трассе идет как надо без нареканий!! подскажите в чем может быть дело к каким специалистам обращатся(подскажите может кто обращался в иркутске в какой авто сервис, где могут все проверить)


Вернуться к началу
 Профиль Отправить email  
Ответить на тему 
 Заголовок сообщения: Re: Замена АКПП U240F на A243F-02A
СообщениеДобавлено: 22 янв 2014, 19:07 
Не в сети
Профи
Профи
Аватара пользователя

Зарегистрирован: 20 ноя 2009, 04:00
Сообщения: 636
Тем: 2
Откуда: Иркутск
Машина: др. Toyota
О машине: Тойота-Авенсис Вагон,1999 , 2л, МКПП:
Репутация: 487
проедь на 2-ю кировскую 19 по будням с 10.00, там нормальный адекватный мастер с большим опытом ремонта акпп, посмотрит-прокатится скажет вердикт, за это денег не берет.


Вернуться к началу
 Профиль  
Ответить на тему 
 Заголовок сообщения: Re: Замена АКПП U240F на A243F-02A
СообщениеДобавлено: 22 янв 2014, 21:48 
Не в сети
Специалист
Специалист
Аватара пользователя

Зарегистрирован: 18 авг 2013, 20:30
Сообщения: 157
Тем: 5
Откуда: Иркутск
Машина: Toyota Vista Ardeo
О машине: 50кузов 1zz
Репутация: 209
большое спасибо!!!!


Вернуться к началу
 Профиль Отправить email  
Ответить на тему 
 Заголовок сообщения: Re: Замена АКПП U240F на A243F-02A
СообщениеДобавлено: 18 июл 2016, 16:51 
Не в сети
Начинающий
Начинающий
Аватара пользователя

Зарегистрирован: 27 июл 2015, 21:11
Сообщения: 13
Откуда: Улан-Удэ
Машина: Toyota Vista
О машине: 3S, 4WD, 1998г
Репутация: 0
Кто-нибудь еще менял коробку на а243f? До vitax не могу дописаться, нужен совет и номер мастера кто менял коробку. И интересует как сейчас поживает машина с поменянной коробкой. Просто проблемы практически идентичные начались. Заезжал у нас в Улан-Удэ в автомат сервис, так они сказали что почти все коробки практически одинаковые в плане надежности)))


Вернуться к началу
 Профиль Отправить email  
Ответить на тему 
 Заголовок сообщения: Re: Замена АКПП U240F на A243F-02A
СообщениеДобавлено: 03 апр 2020, 23:18 
Не в сети
Гуру
Гуру
Аватара пользователя

Зарегистрирован: 15 май 2014, 22:00
Сообщения: 2182
Тем: 43
Откуда: Красноярск
Блог: Посмотреть блог (2)
Машина: Toyota Vista Ardeo
О машине: SV55.5, 3S-FE, А243F, 4WD ATC+Torsen
Репутация: 3493
Вот и умерла моя коробка! Пропала 4-тая передача! Поехал на межгород 500 км, после 100 четвертая отказалась в включаться, в итоге 400 туда и 500 назад на трех передачах!!! Тот еще трешь!!! Но вот в накат шла отлично, двигателем совсем не тормозила, в итоге вышла экономия по топливу, только по времени долго конечно. Эту тему читал уже давно, но по существу в ней совсем не чего нет, только то, что такая замена возможна. Стал собирать информацию по стоимости и прередаточным числам U240F и A243F viewtopic.php?p=361406#p361406
Вышло, что 243 коробка длиннее родной, и стоит в 4 раза дешевле, по цене справедливо для A243F -02А!! Поскольку, как я понял A243F -01А ставили на надю тайп су, а A243F -05А на калдину, они более редкие и поэтому более дорогие!!!
Собственно выбирал коробку в канун крайнего рабочего дня пред карантином, нашел по очень доступной цене от гаи (распил) A243F -02А, вместе с компом!!!

Добавлено спустя 9 минут 19 секунд:
А ну да!! Трудности нас не пугаю!!!
Дак вот, купить то я купил коробку, только вот ставить мне ее отказались, поскольку уходили на карантин!!!
В итоге: заезд в гараж, пять дней полного..... (слов нет, бывало всяко!!!), руки ужасно болят- все по сбиты!!! Но коробка стоит!!! И сегодня я домой приехал на машине!!!
Теперь подробней..........

Добавлено спустя 40 минут 31 секунду:
Самая большая проблемам! Правильно выставить двигатель, нужно будет переделать заднее крепление и фактически заново изготовить левое!!!
Начнем с заднего, левое ухо на креплении не подходит к КПП, отверстие под него расположено ниже!! Но его легко можно отпилить и переварить на нужно место, что я и сделал!!!
Дальше начались мороки "выставки" двигателя с АКПП!! Выставил - вроде ровно!! Ставлю балку с лыжой (переднее крепление переделывать не пришлось)!! Следующая проблемам!!! Не заходит правый привод, немного уперается в балку, но все же вошел!! Балка прикручена, привода стоят, тут картина становится более ясной. Заново измеряем!!!
И вот, верх и низ в числах не сходятся (низ ниже нужного, вверх выше нужного - как бы это не звучало), понятно, что нужно больше заваливать, правая сторона ближе левой к моторному щиту на 5мм!! Правая подушка не менялась и меняться не может, нужно двигать левую!!! Двигаем, и тут поддон кпп почти уперся в балку, осталось буквально пару мм!!!
Делать не чего!! Нужно сдвигать двигатель вперед!! Вновь откручиваю балку, рейку все сопутствующее, что бы была возможность добраться до заднего крепления. Снял подложил гайки (5 или 8 мм на глаз просто нашел одинаковые) под все три болта, прикрутил назад. Двигатель сдвинулся вперед, естественно немного завалился, что мне и нужно было, появился нормальный зазор между кпп и балкой!!! Получилось выравнять правую и левую сторону!!!

Добавлено спустя 14 минут 51 секунду:
Забыл добавить фото перевваренного левого уха заднего крепления!! Исправляюсь!!!

Добавлено спустя 4 минуты 45 секунд:
Далее приступил к изготовлению левого крепления!! По существу, сварил одно из двух- своего и крепления гаи!!! Ну как получилось!!!

Добавлено спустя 12 минут 6 секунд:
Все двигатель стоит на подушках!!! Немного "не бьются" в цифрах верх и низ нужно больше завалить двигатель, но сил вновь откручивать заднее крепления уже нет, да и подкладкой больше гаек уже не обойдешься, нужно вытачивать втулки под болты на 10, думаю длина втулок должна быть миллиметров 15, будет в самый раз :good: хорошо бы их между собой укрепить каким либо каркасом жесткости и приварить к креплению, собственно и болты длиннее подобрать!!! По возможности сделаю добавлю, хотя и так тоже не плохо!!!

Добавлено спустя 3 минуты 20 секунд:
Далее стал устанавливать трос акпп, немного не достает!! Подпилил подогнул как надо, заварил, крепление троса готово!!!

Добавлено спустя 20 минут:
Тепплообменник и кпп соединил маслостойкими шлангами!!!
Установил радиатор, следующая проблема - трубка щупа уперлась в верхний патрубок!!! Что легко исправляется изменением угла изгиба трубки (а ее немного разогнул), так и щуп легче заходит!!!
В общем в остальное собираем в обратном порядке как разбирали!!! Фишки косы естественно не подходят, что бы завести машину замкнул пины 6 и 9 viewtopic.php?p=361488#p361488
Поехал домой, переключая передачи кочергой!!! По одной короткой поездки судить конечно сложно, да еще нужно сращивать компы, но вроде как машина стала мягче работать и 1 вая передача точно резвее родной, никакого затупа!!!
Больше фото к сожалению нет, может позже сделаю, сказывается усталость и печатаю чуть ли не ногами, руки ужасно болят!!! На самое основное с фотал конечно!!! Еще одна приятность: в 243 коробку заливается дикстрон, который на порядок дешевле т-4!!! Интересно что на щупе написано дикстрон 2 и 3 на сливной пробки дикстрон 2, я залил 3 - тий, так как разница в цене всего 100 рубл.
Учитывая ситуацию с карантином, возможно придется и электрику самому перебирать, если конторы так и не будут работать!!
Собственно к этому и вопрос, если есть специалисты подскажите что и как сделать, комп от гаи есть, нужно вот только еще фишки где то найти!!!
Заранее, всем спасибо за помощь!!! :beer: :beer: :beer:

Добавлено спустя 30 минут 37 секунд:
Собственно информация об автомобиле от которого у меня коробка
ИНФОРМАЦИЯ ОБ АВТОМОБИЛЕ
МОДЕЛЬ GAIA ACM1#,CXM10,SXM1#
КОД МОДЕЛИ SXM15G-BRSEK
ДАТА ВЫПУСКА 12.1999
ПЕРИОД ВЫПУСКА 05.1998-08.2002
ДВИГАТЕЛЬ 3SFE 2000CC 16-VALVE DOHC EFI
РЕГИОН JAPAN
КОЛИЧЕСТВО МЕСТ 7-SEATER
ОТДЕЛКА FB01
ЦВЕТ 1B9
Добавим фото!!!


Вложения:
2020-03-27 15-17-25.JPG
2020-03-27 15-17-25.JPG [ 388.43 КБ | Просмотров: 5778 ]
2020-03-27 15-17-46.JPG
2020-03-27 15-17-46.JPG [ 180.47 КБ | Просмотров: 5778 ]
2020-03-27 15-18-13.JPG
2020-03-27 15-18-13.JPG [ 609.29 КБ | Просмотров: 5778 ]
2020-03-27 15-18-37.JPG
2020-03-27 15-18-37.JPG [ 720.19 КБ | Просмотров: 5778 ]
2020-03-27 15-19-41.JPG
2020-03-27 15-19-41.JPG [ 656.66 КБ | Просмотров: 5778 ]
2020-04-02 14-58-53.JPG
2020-04-02 14-58-53.JPG [ 580.49 КБ | Просмотров: 5776 ]
2020-04-02 14-59-26.JPG
2020-04-02 14-59-26.JPG [ 726.04 КБ | Просмотров: 5776 ]
IMG_20200331_145044.jpg
IMG_20200331_145044.jpg [ 826.14 КБ | Просмотров: 5776 ]
IMG_20200331_145054.jpg
IMG_20200331_145054.jpg [ 683.75 КБ | Просмотров: 5776 ]
2020-04-02 19-50-49.JPG
2020-04-02 19-50-49.JPG [ 767.47 КБ | Просмотров: 5776 ]
2020-04-02 19-50-56.JPG
2020-04-02 19-50-56.JPG [ 778.02 КБ | Просмотров: 5776 ]
2020-04-02 19-51-08.JPG
2020-04-02 19-51-08.JPG [ 718.76 КБ | Просмотров: 5776 ]
2020-04-02 14-50-15.JPG
2020-04-02 14-50-15.JPG [ 1014.06 КБ | Просмотров: 5776 ]
2020-04-02 15-01-10.JPG
2020-04-02 15-01-10.JPG [ 895.45 КБ | Просмотров: 5776 ]
2020-04-02 15-01-18.JPG
2020-04-02 15-01-18.JPG [ 668.28 КБ | Просмотров: 5776 ]
2020-04-04 19-10-07.JPG
2020-04-04 19-10-07.JPG [ 713.01 КБ | Просмотров: 5732 ]
2020-04-04 19-10-32.JPG
2020-04-04 19-10-32.JPG [ 654.87 КБ | Просмотров: 5732 ]
2020-04-04 19-11-08.JPG
2020-04-04 19-11-08.JPG [ 634.76 КБ | Просмотров: 5732 ]

_________________
Ardeo PRO version
Вернуться к началу
 Профиль Отправить email  
Ответить на тему 
 Заголовок сообщения: Re: Замена АКПП U240F на A243F-02A
СообщениеДобавлено: 04 апр 2020, 14:19 
Не в сети
Профи
Профи
Аватара пользователя

Зарегистрирован: 04 сен 2011, 15:49
Сообщения: 650
Тем: 3
Машина: Toyota Vista Ardeo
О машине: SV-50 3S-не D-4
Репутация: 570
Постараюсь помочь. Есть книга бумажная по Гайке. Написал в личку. С этой коробки идёт трос на дроссельную заслонку?


Вернуться к началу
 Профиль  
Ответить на тему 
 Заголовок сообщения: Re: Замена АКПП U240F на A243F-02A
СообщениеДобавлено: 04 апр 2020, 16:16 
Не в сети
Гуру
Гуру
Аватара пользователя

Зарегистрирован: 15 май 2014, 22:00
Сообщения: 2182
Тем: 43
Откуда: Красноярск
Блог: Посмотреть блог (2)
Машина: Toyota Vista Ardeo
О машине: SV55.5, 3S-FE, А243F, 4WD ATC+Torsen
Репутация: 3493
Все верно идет трос на с КПП на дросель, я его подключил! Я так понимаю это кикдаун!!! Спасибо за помощь, пойду сейчас еще пофотаю!!! :good: :good: :good: Мультик в машине есть!! Я так понимаю, типтроником придется пожертвовать!!! :beer: :beer: :beer: :beer:

Добавлено спустя 4 часа 11 минут 57 секунд:
Сделал фотки пинов компов гаи и родного, фишки все подходят!! Только на родном компе на одну фишку больше!!! Так же сфотал дроссель с тросом КПП!!!

Добавлено спустя 22 минуты 30 секунд:
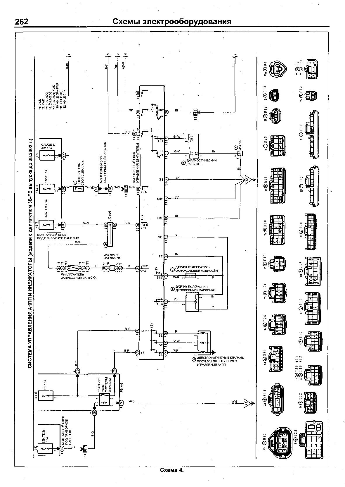
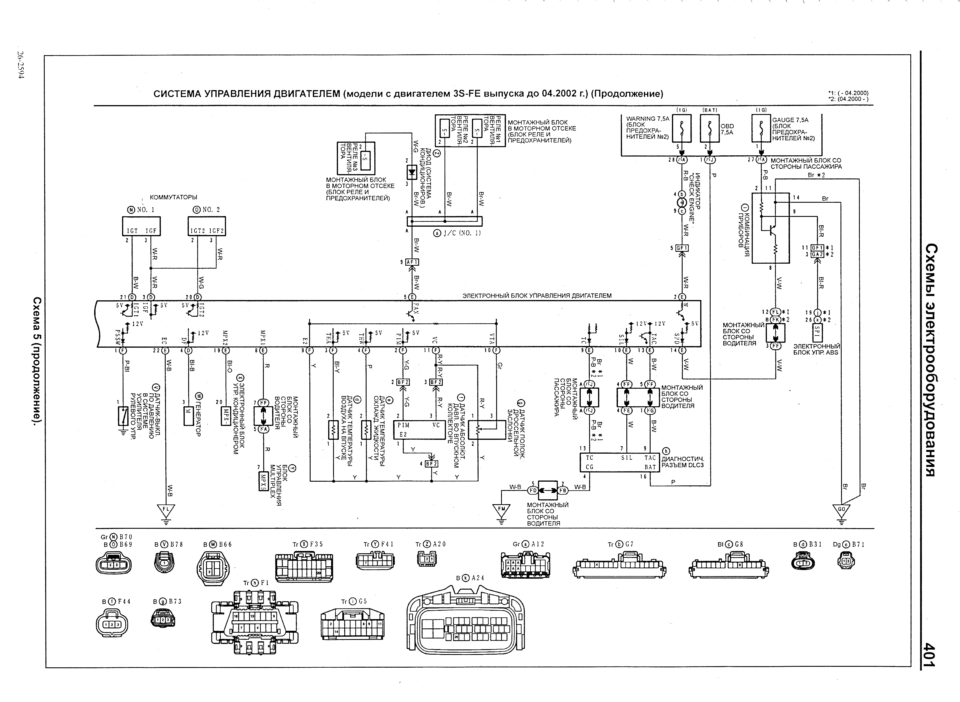
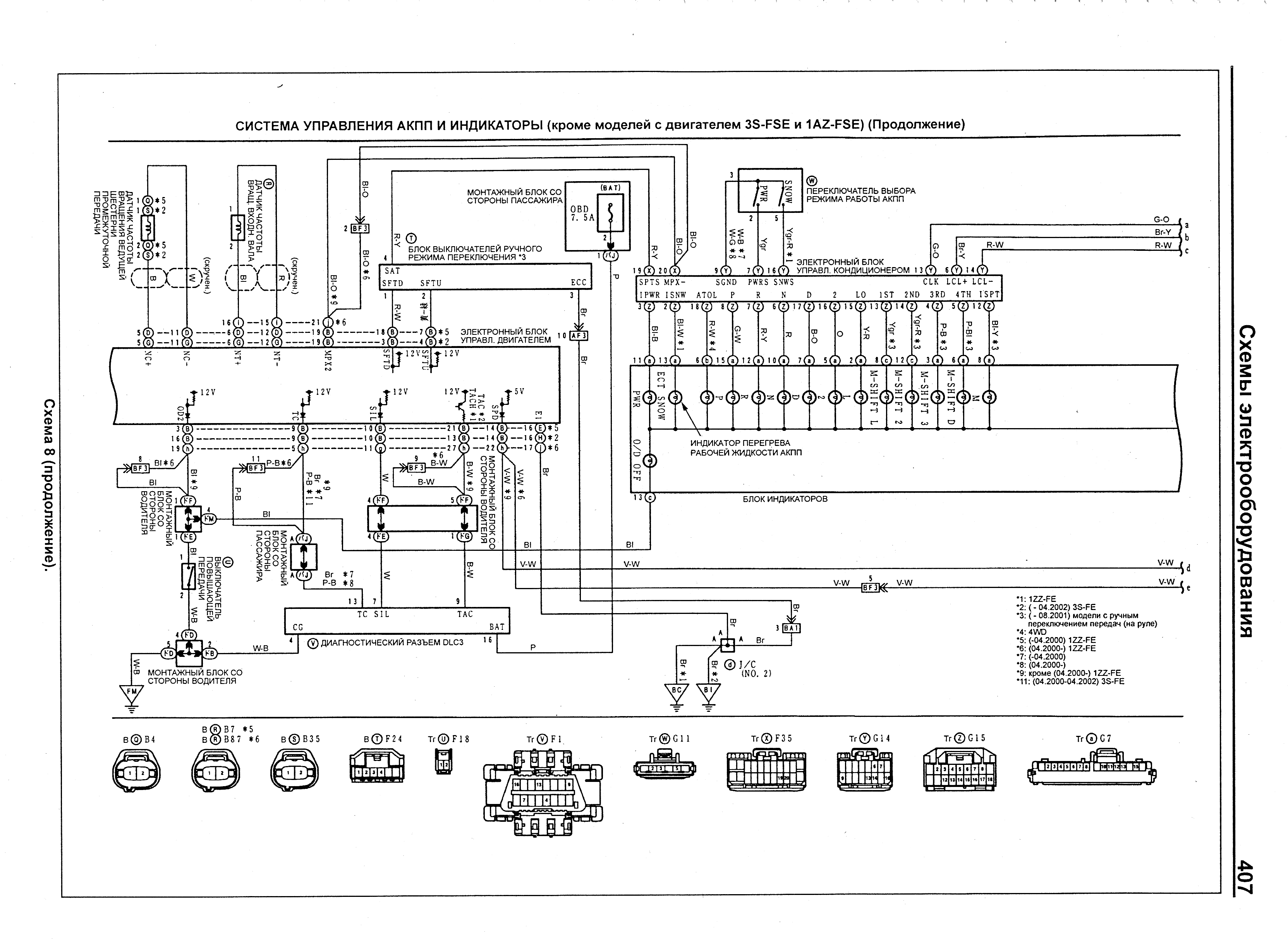
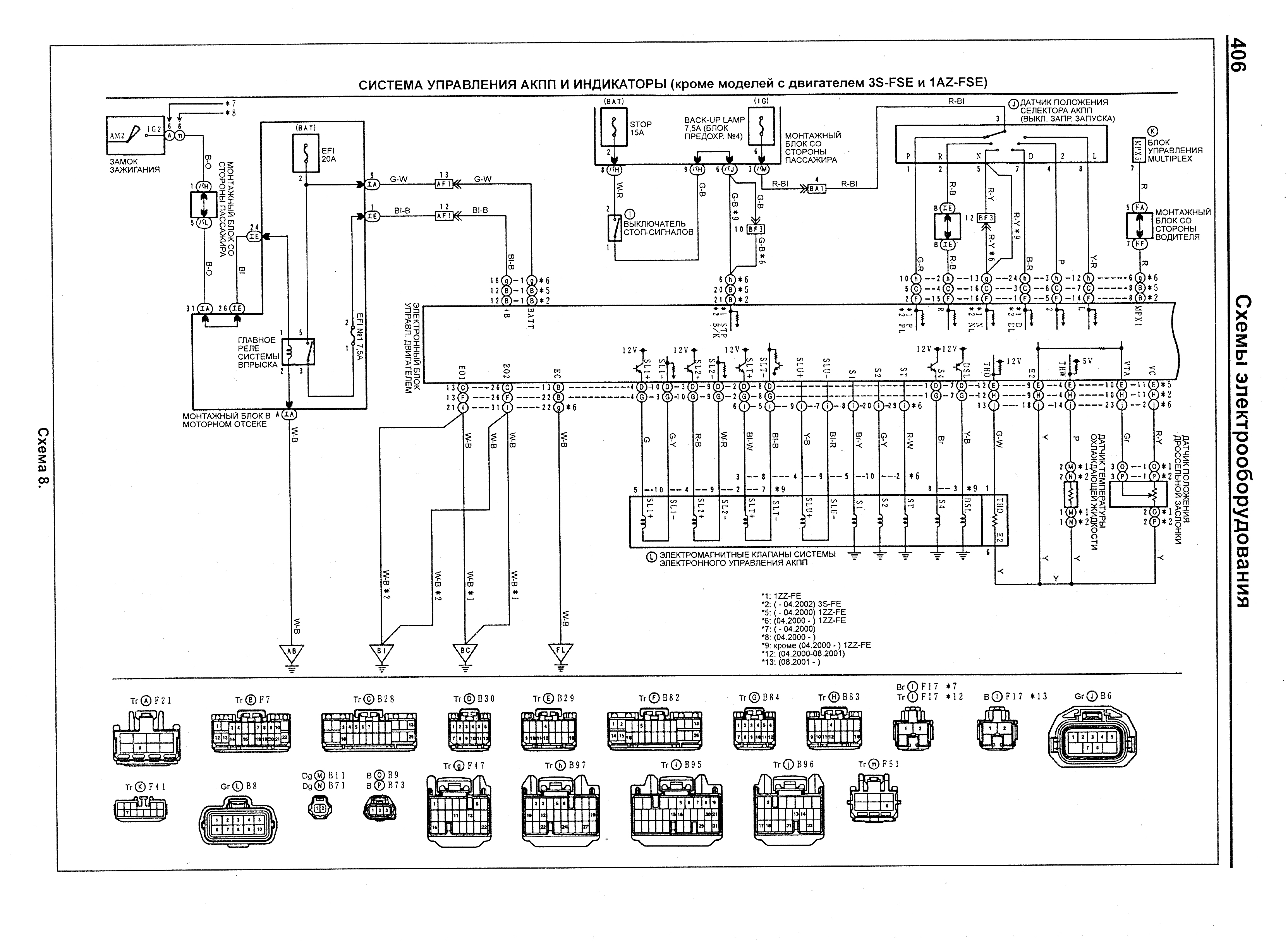
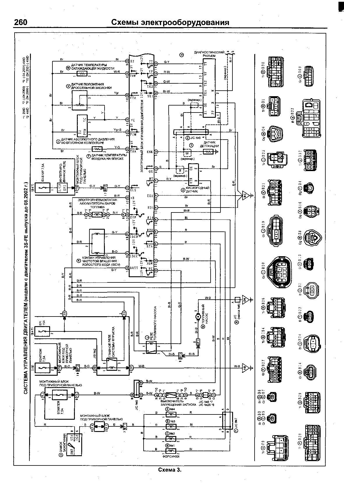
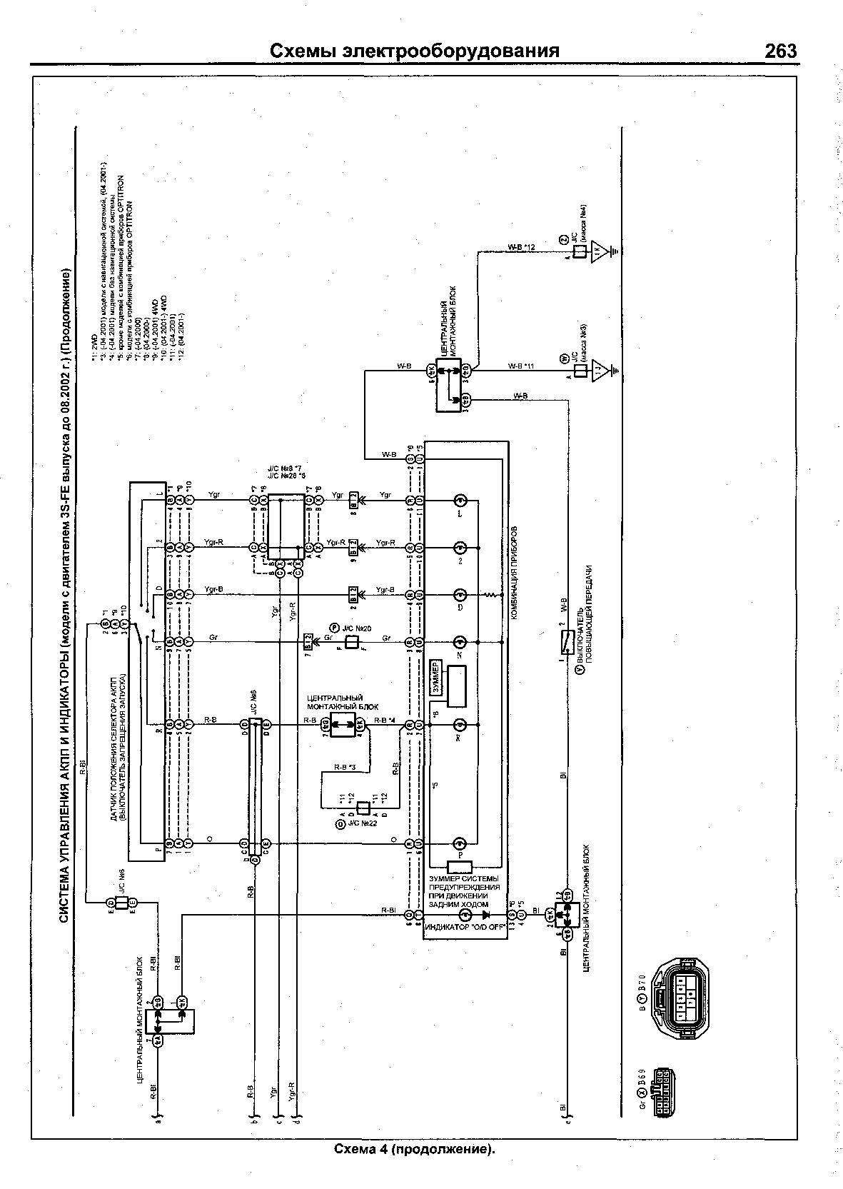
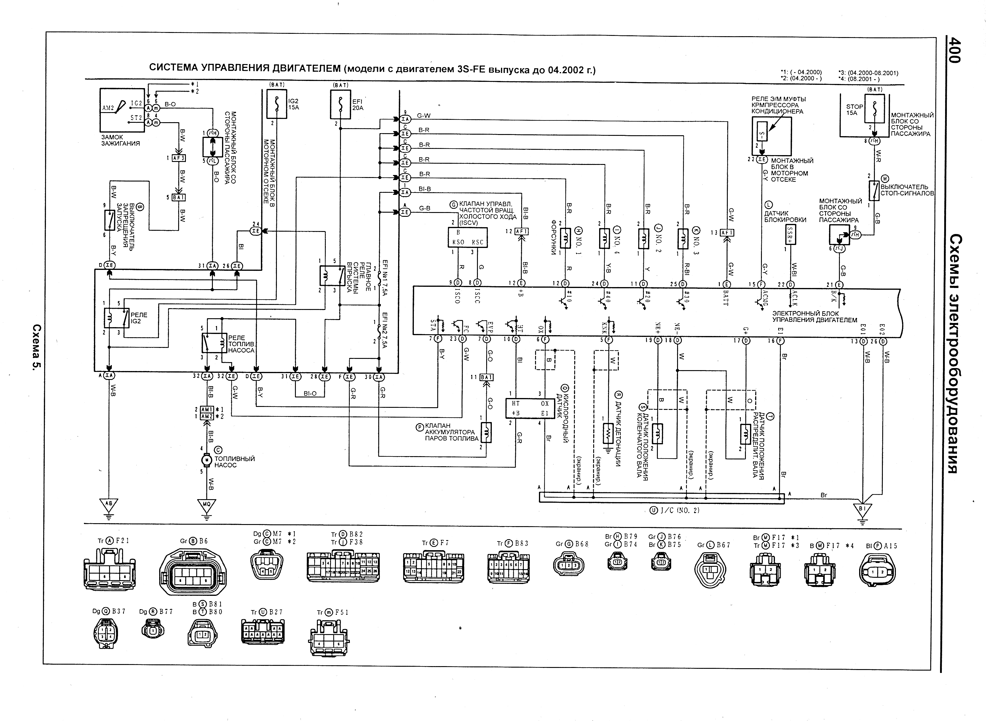
Добавляю схемы управления двигателем и кпп !

Добавлено спустя 2 часа 9 минут 58 секунд:
Вот нашел схему гаи


Вложения:
2020-04-04 19-09-14.JPG
2020-04-04 19-09-14.JPG [ 600.84 КБ | Просмотров: 5732 ]
2020-04-04 19-05-22.JPG
2020-04-04 19-05-22.JPG [ 481.98 КБ | Просмотров: 5732 ]
2020-04-04 19-05-12.JPG
2020-04-04 19-05-12.JPG [ 550.82 КБ | Просмотров: 5732 ]
2020-04-04 19-10-46.JPG
2020-04-04 19-10-46.JPG [ 732.77 КБ | Просмотров: 5732 ]
Image-08.gif
Image-08.gif [ 258.04 КБ | Просмотров: 5731 ]
Image-09.gif
Image-09.gif [ 242.74 КБ | Просмотров: 5731 ]
Image-14.gif
Image-14.gif [ 426.95 КБ | Просмотров: 5731 ]
Image-15.gif
Image-15.gif [ 373.71 КБ | Просмотров: 5731 ]
Image-16.gif
Image-16.gif [ 148.56 КБ | Просмотров: 5731 ]
Page_00001.jpg
Page_00001.jpg [ 343.19 КБ | Просмотров: 5727 ]
Page_00002.jpg
Page_00002.jpg [ 346.1 КБ | Просмотров: 5727 ]
Page_00003.jpg
Page_00003.jpg [ 258.56 КБ | Просмотров: 5727 ]
Page_00004.jpg
Page_00004.jpg [ 213.72 КБ | Просмотров: 5727 ]

_________________
Ardeo PRO version
Вернуться к началу
 Профиль Отправить email  
Ответить на тему 
 Заголовок сообщения: Re: Замена АКПП U240F на A243F-02A
СообщениеДобавлено: 05 апр 2020, 06:45 
Не в сети
Профи
Профи
Аватара пользователя

Зарегистрирован: 04 сен 2011, 15:49
Сообщения: 650
Тем: 3
Машина: Toyota Vista Ardeo
О машине: SV-50 3S-не D-4
Репутация: 570
Трос, это не только кикдаун, это важный элемент управления. Да, типтроник на этой АКПП конечно не будет работать.


Вернуться к началу
 Профиль  
Ответить на тему 

Показать сообщения за:  Поле сортировки  
Начать новую тему Ответить на тему

 [ Сообщений: 130 ]  На страницу Пред.  1, 2, 3, 4, 5, 6 ... 9  След.





* Поиск по сайту Вверх Вниз

Кто сейчас на конференции

Сейчас этот форум просматривают: нет зарегистрированных пользователей и гости: 0


Вы не можете начинать темы
Вы не можете отвечать на сообщения
Вы не можете редактировать свои сообщения
Вы не можете удалять свои сообщения
Вы не можете добавлять вложения

Найти:
Перейти:  
cron
Текущее время: 04 апр 2026, 13:41
Часовой пояс: UTC + 7 часов
Powered by phpbb. (c) VistaClub.ru.    * Статистика