* Поиск по сайту Вверх Вниз



Начать новую тему Ответить на тему  [ Сообщений: 224 ]  На страницу Пред.  1, 2, 3, 4, 5, 6 ... 15  След.
Автор Сообщение
 Заголовок сообщения: Re: Обогреватель заднего окна
СообщениеДобавлено: 06 дек 2010, 21:45 
Не в сети
Специалист
Специалист
Аватара пользователя

Зарегистрирован: 28 окт 2007, 03:00
Сообщения: 434
Тем: 7
Откуда: САМАРА
Машина: Toyota Vista Ardeo
О машине: 3S-FE,4 WD,2001г.SV55G,NAVI
Репутация: 79
Рекламные ссылки. Показывается только незарегистрированным пользователям


Извиняюсь я так и не посмотрел где находятся клеймы.Забыл.Действительно можно проверить тестером или контролькой есть-ли напряжение на полосках,но насколько я помню они чемто покрыты изолирующим.Можно просто одну полоску чуть-чуть почистить,но оккуратно.


Вернуться к началу
 Профиль  
Ответить на тему 

 Заголовок сообщения: Re: Обогреватель заднего окна
СообщениеДобавлено: 07 дек 2010, 00:56 
Не в сети
Местный
Местный
Аватара пользователя

Зарегистрирован: 01 янв 2006, 04:00
Сообщения: 10044
Тем: 182
Откуда: ХМАО Роман
Машина: др. неЯпонка
О машине: Volkswagen Tiguan
Репутация: 710
Ничем не покрыты скорее всего насколько я могу судить по своему опыту. Да и зачем их покрывать.

_________________
Управлял шесть лет японской мечтой - Toyota Vista Ardeo, теперь управляю немецкой мечтой - DAS AUTO.


Вернуться к началу
 Профиль  
Ответить на тему 
 Заголовок сообщения: Re: Обогреватель заднего окна
СообщениеДобавлено: 07 дек 2010, 03:36 
Не в сети
Давно на форуме
Аватара пользователя

Зарегистрирован: 25 янв 2009, 04:00
Сообщения: 10683
Тем: 155
Откуда: Косопузия (Рязань).
Машина: др. Toyota
О машине: SXU10 5S-FE белая ночь 057
Репутация: 1488
Как-то читал еще в журнале "За Рулём", что есть спецсостав для ремонта поврежденных дорожек.
Спроси в радиомагазе. Там такая обычная бутылочка спеклянная и жижа внутри, надо капнуть на место разрыва, она высыхает и восстанавливается контакт, а потом капельку лака изолирующего, типа ЦАПОНа.
:smile: )))

_________________
:smoke: Я не парюсь. Уже не курю. Просто люблю на солнце посидеть.
(из личных наблюдений...)


Вернуться к началу
 Профиль  
Ответить на тему 
 Заголовок сообщения: Re: Обогреватель заднего окна
СообщениеДобавлено: 08 дек 2010, 01:22 
Не в сети
Местный
Местный
Аватара пользователя

Зарегистрирован: 01 янв 2006, 04:00
Сообщения: 10044
Тем: 182
Откуда: ХМАО Роман
Машина: др. неЯпонка
О машине: Volkswagen Tiguan
Репутация: 710
Да он еще с причиной не определился. Обрыв одной дорожки не скажется на обогреве остальных - они там паралельно подсоединены

_________________
Управлял шесть лет японской мечтой - Toyota Vista Ardeo, теперь управляю немецкой мечтой - DAS AUTO.


Вернуться к началу
 Профиль  
Ответить на тему 
 Заголовок сообщения: Re: Обогреватель заднего окна
СообщениеДобавлено: 08 дек 2010, 20:09 
Не в сети
Любитель
Любитель
Аватара пользователя

Зарегистрирован: 03 апр 2009, 03:00
Сообщения: 62
Тем: 1
Откуда: Благовещенск
Машина: Toyota Vista Ardeo
О машине: 1999 г. 1-ZZ
Репутация: 0
vromi писал(а):
Да он еще с причиной не определился. Обрыв одной дорожки не скажется на обогреве остальных - они там паралельно подсоединены


Вот-вот..... ни одна дорожка не греет :(


Вернуться к началу
 Профиль Отправить email  
Ответить на тему 
 Заголовок сообщения: Re: Обогреватель заднего окна
СообщениеДобавлено: 09 дек 2010, 02:20 
Не в сети
Местный
Местный
Аватара пользователя

Зарегистрирован: 01 янв 2006, 04:00
Сообщения: 10044
Тем: 182
Откуда: ХМАО Роман
Машина: др. неЯпонка
О машине: Volkswagen Tiguan
Репутация: 710
Что значи не греет? Сколько градусов на улице? Напряжение мерил на полосках?

_________________
Управлял шесть лет японской мечтой - Toyota Vista Ardeo, теперь управляю немецкой мечтой - DAS AUTO.


Вернуться к началу
 Профиль  
Ответить на тему 
 Заголовок сообщения: Re: Обогреватель заднего окна
СообщениеДобавлено: 09 дек 2010, 04:25 
Не в сети
Специалист
Специалист

Зарегистрирован: 17 окт 2006, 03:00
Сообщения: 316
Тем: 18
Машина: Toyota Vista Ardeo
Репутация: 28
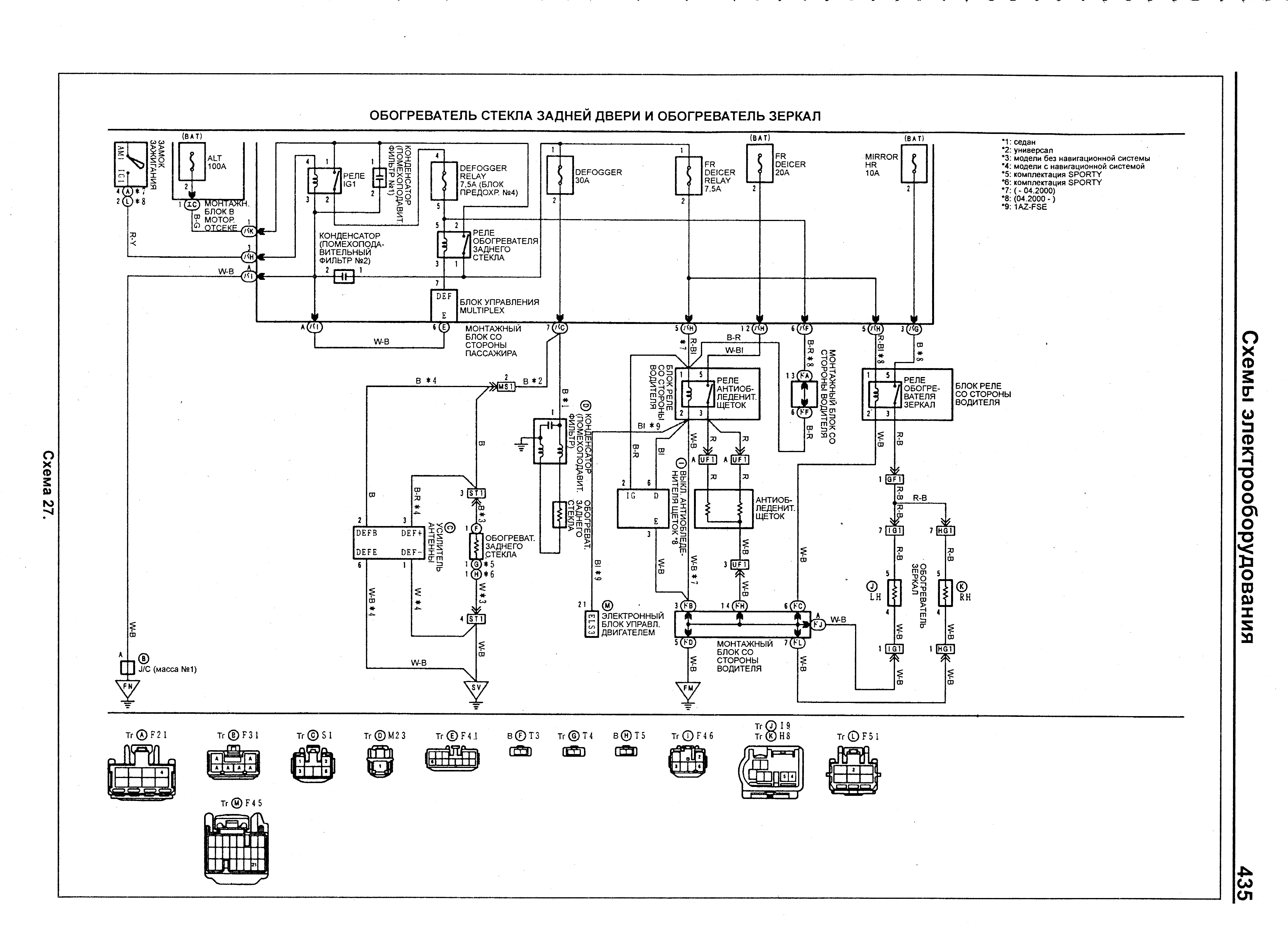
Схема обогрева заднего стекла.
Картинку открываем, правую кнопку нажимаем на схеме, сохранить как, и вперёд :)


Вложения:
Image-43.gif
Image-43.gif [ 225.13 КБ | Просмотров: 1259 ]

_________________
Vista Ardeo 2000 3S-FE 4WD
Вернуться к началу
 Профиль  
Ответить на тему 
 Заголовок сообщения: Re: Обогреватель заднего окна
СообщениеДобавлено: 09 дек 2010, 08:20 
Не в сети
Любитель
Любитель
Аватара пользователя

Зарегистрирован: 03 апр 2009, 03:00
Сообщения: 62
Тем: 1
Откуда: Благовещенск
Машина: Toyota Vista Ardeo
О машине: 1999 г. 1-ZZ
Репутация: 0
vromi писал(а):
Что значи не греет? Сколько градусов на улице? Напряжение мерил на полосках?

На улице под -30, снег......ничего не тает на стекле, ни на одной полоске.


Вернуться к началу
 Профиль Отправить email  
Ответить на тему 
 Заголовок сообщения: Re: Обогреватель заднего окна
СообщениеДобавлено: 09 дек 2010, 15:23 
Не в сети
Местный
Местный
Аватара пользователя

Зарегистрирован: 01 янв 2006, 04:00
Сообщения: 10044
Тем: 182
Откуда: ХМАО Роман
Машина: др. неЯпонка
О машине: Volkswagen Tiguan
Репутация: 710
Может у тебя и рабочий обогрев, в такой мороз просто не справляется. Он очень слабо нагревает стекло. Проверь напряжение, если приходит значит все у тебя в порядке.

_________________
Управлял шесть лет японской мечтой - Toyota Vista Ardeo, теперь управляю немецкой мечтой - DAS AUTO.


Вернуться к началу
 Профиль  
Ответить на тему 
 Заголовок сообщения: Re: Обогреватель заднего окна
СообщениеДобавлено: 09 дек 2010, 16:46 
Не в сети
Специалист
Специалист
Аватара пользователя

Зарегистрирован: 28 окт 2007, 03:00
Сообщения: 434
Тем: 7
Откуда: САМАРА
Машина: Toyota Vista Ardeo
О машине: 3S-FE,4 WD,2001г.SV55G,NAVI
Репутация: 79
Давно надо было проверить напряжение на нагревателе!Как,описано ранее.

_________________
ИзображениеОтдам хомячка в хорошие колеса.


Вернуться к началу
 Профиль  
Ответить на тему 
 Заголовок сообщения: Re: Обогреватель заднего окна
СообщениеДобавлено: 09 дек 2010, 17:05 
Не в сети
Давно на форуме
Аватара пользователя

Зарегистрирован: 25 янв 2009, 04:00
Сообщения: 10683
Тем: 155
Откуда: Косопузия (Рязань).
Машина: др. Toyota
О машине: SXU10 5S-FE белая ночь 057
Репутация: 1488
ALECS писал(а):
Давно надо было проверить напряжение на нагревателе!Как,описано ранее.


+100.
:smile: ))

_________________
:smoke: Я не парюсь. Уже не курю. Просто люблю на солнце посидеть.
(из личных наблюдений...)


Вернуться к началу
 Профиль  
Ответить на тему 
 Заголовок сообщения: Re: Обогреватель заднего окна
СообщениеДобавлено: 10 дек 2010, 18:14 
Не в сети
Любитель
Любитель
Аватара пользователя

Зарегистрирован: 03 апр 2009, 03:00
Сообщения: 62
Тем: 1
Откуда: Благовещенск
Машина: Toyota Vista Ardeo
О машине: 1999 г. 1-ZZ
Репутация: 0
vromi писал(а):
Может у тебя и рабочий обогрев, в такой мороз просто не справляется. Он очень слабо нагревает стекло. Проверь напряжение, если приходит значит все у тебя в порядке.


Смотря на стёкла других Ардео......моё стекло отдыхает ;(


Вернуться к началу
 Профиль Отправить email  
Ответить на тему 
 Заголовок сообщения: Re: Обогреватель заднего окна
СообщениеДобавлено: 11 дек 2010, 18:22 
Не в сети
Местный
Местный
Аватара пользователя

Зарегистрирован: 01 янв 2006, 04:00
Сообщения: 10044
Тем: 182
Откуда: ХМАО Роман
Машина: др. неЯпонка
О машине: Volkswagen Tiguan
Репутация: 710
НУ если ты не электрик и не смыслещшь в этом и у тебя нет инструмента - езжай на СТО. А то так можно вечно дискутировать.

_________________
Управлял шесть лет японской мечтой - Toyota Vista Ardeo, теперь управляю немецкой мечтой - DAS AUTO.


Вернуться к началу
 Профиль  
Ответить на тему 
 Заголовок сообщения: Re: Обогреватель заднего окна
СообщениеДобавлено: 14 дек 2010, 02:48 
Не в сети
Специалист
Специалист
Аватара пользователя

Зарегистрирован: 28 окт 2007, 03:00
Сообщения: 434
Тем: 7
Откуда: САМАРА
Машина: Toyota Vista Ardeo
О машине: 3S-FE,4 WD,2001г.SV55G,NAVI
Репутация: 79
Кстати я посмотрел где находятся контакты.В верхней части стекла есть пластмассовая коробочка, черная ,снимаешь ее потихонечку,там контакты.Можно проверить напругу.

_________________
ИзображениеОтдам хомячка в хорошие колеса.


Вернуться к началу
 Профиль  
Ответить на тему 
 Заголовок сообщения: Re: Обогреватель заднего окна
СообщениеДобавлено: 15 дек 2010, 00:54 
Не в сети
Профи
Профи
Аватара пользователя

Зарегистрирован: 15 ноя 2007, 04:00
Сообщения: 525
Тем: 15
Откуда: Новосибирск
Машина: др. неЯпонка
О машине: была Ardeo 4wd type S
Репутация: 39
ТС, неделя прошла, а ты еще даже мультиметром напругу не померил. Видимо и не такая уж это проблема.

_________________
была Ardeo 4wd type S


Вернуться к началу
 Профиль  
Ответить на тему 

Показать сообщения за:  Поле сортировки  
Начать новую тему Ответить на тему

 [ Сообщений: 224 ]  На страницу Пред.  1, 2, 3, 4, 5, 6 ... 15  След.





* Поиск по сайту Вверх Вниз

Кто сейчас на конференции

Сейчас этот форум просматривают: нет зарегистрированных пользователей и гости: 0


Вы не можете начинать темы
Вы не можете отвечать на сообщения
Вы не можете редактировать свои сообщения
Вы не можете удалять свои сообщения
Вы не можете добавлять вложения

Найти:
Перейти:  
Текущее время: 27 май 2026, 03:58
Часовой пояс: UTC + 7 часов
Powered by phpbb. (c) VistaClub.ru.    * Статистика