* Поиск по сайту Вверх Вниз



Начать новую тему Ответить на тему  [ Сообщений: 28 ]  На страницу Пред.  1, 2
Автор Сообщение
 Заголовок сообщения: Re: Замена транзистора в ЭБУ, управляющего питанием бензонасоса.
СообщениеДобавлено: 21 фев 2011, 02:21 
Не в сети
Специалист
Специалист
Аватара пользователя

Зарегистрирован: 12 окт 2010, 03:00
Сообщения: 117
Тем: 11
Откуда: Ярославль
Машина: Toyota Vista
О машине: SV30, 1992, 4S-FE; была - SV55, 2001
Репутация: 11
Рекламные ссылки. Показывается только незарегистрированным пользователям


vromi писал(а):
ilyafil05 а как вычислил какой именно транзистор отвечает за бензонасос?


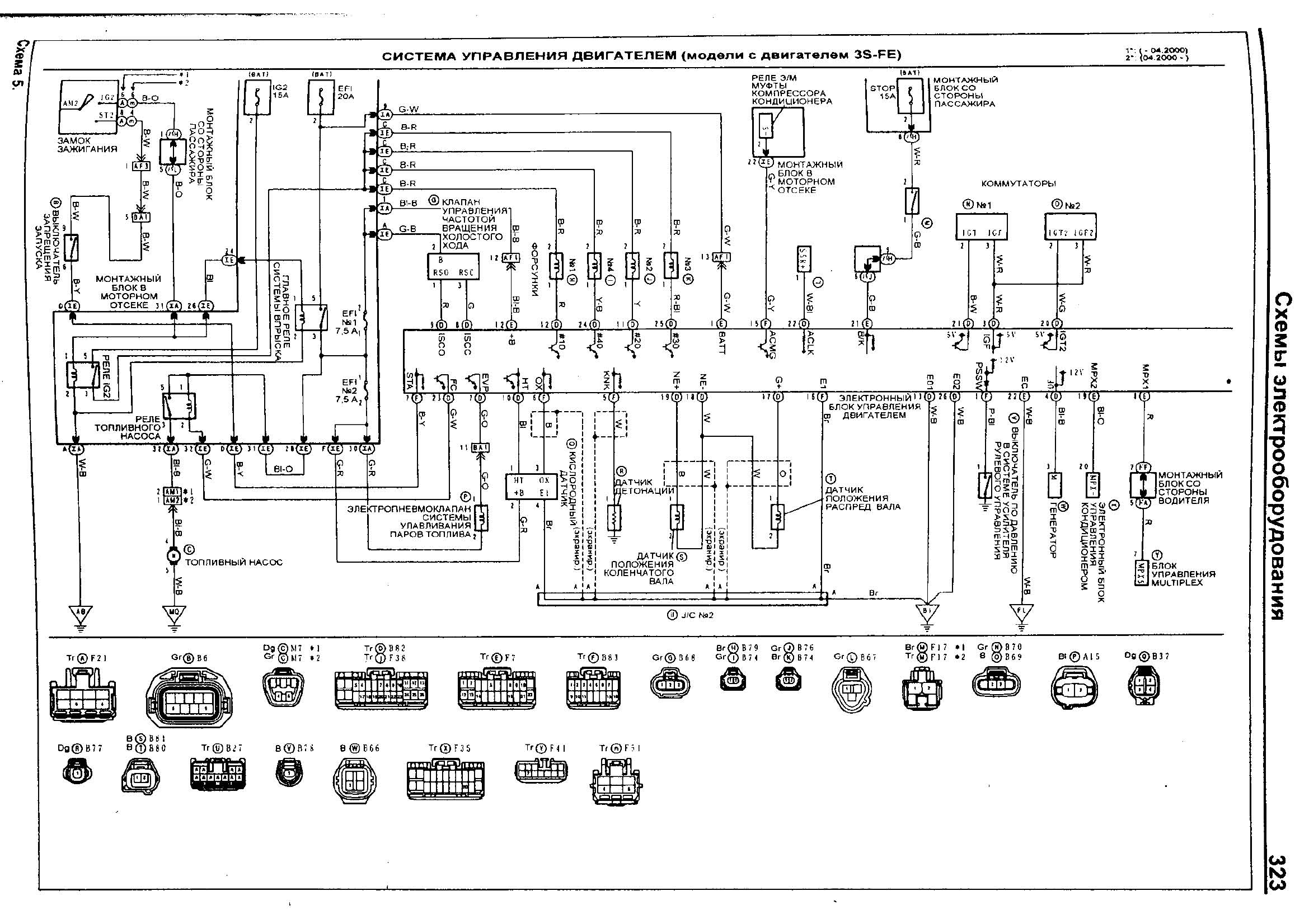
страница 323 "Руководства..." :smoke: . Там по схеме прослеживается провод G-W (зеленый с белой полосой), который идет с катушки реле на разъем D мозга. На разъеме D находим контакт 23, и, удивляемся зеленому проводу с белой полосой. Далее прозвонил его для самоуспокоения - пищит. От контакта 23 разъема проследил дорожку на плате мозга и нашел вышеуказанный транзистор...


Вложения:
Комментарий к файлу: стр.323
vista_ardeo стр323.jpg
vista_ardeo стр323.jpg [ 401.57 КБ | Просмотров: 3103 ]
Вернуться к началу
 Профиль Отправить email  
Ответить на тему 

 Заголовок сообщения: Re: Замена транзистора в ЭБУ, управляющего питанием бензонасоса.
СообщениеДобавлено: 21 фев 2011, 19:10 
Не в сети
Местный
Местный
Аватара пользователя

Зарегистрирован: 01 янв 2006, 04:00
Сообщения: 10044
Тем: 182
Откуда: ХМАО Роман
Машина: др. неЯпонка
О машине: Volkswagen Tiguan
Репутация: 710
Пнятно...
А как вычислял аналоги? На транзисторе была маркировка?

_________________
Управлял шесть лет японской мечтой - Toyota Vista Ardeo, теперь управляю немецкой мечтой - DAS AUTO.


Вернуться к началу
 Профиль  
Ответить на тему 
 Заголовок сообщения: Re: Замена транзистора в ЭБУ, управляющего питанием бензонасоса.
СообщениеДобавлено: 21 фев 2011, 20:35 
Не в сети
Специалист
Специалист
Аватара пользователя

Зарегистрирован: 12 окт 2010, 03:00
Сообщения: 117
Тем: 11
Откуда: Ярославль
Машина: Toyota Vista
О машине: SV30, 1992, 4S-FE; была - SV55, 2001
Репутация: 11
vromi писал(а):
Пнятно...
А как вычислял аналоги? На транзисторе была маркировка?


Натранзисторе были цыферки.. указанные выше в этой теме. Погонял в инете.. Нашел его характеристики, и в магазин. Там "головастый" в электронике продавец подобрал аналог. Сказал что 1:1. Если нужно - могу посмотреть цыфири аналога. :smile:


Вернуться к началу
 Профиль Отправить email  
Ответить на тему 
 Заголовок сообщения: Re: Замена транзистора в ЭБУ, управляющего питанием бензонасоса.
СообщениеДобавлено: 22 фев 2011, 11:23 
Не в сети
бывалый
Аватара пользователя

Зарегистрирован: 29 апр 2009, 03:00
Сообщения: 2345
Тем: 32
Откуда: Новосибирск
Блог: Посмотреть блог (18)
Машина: Toyota Vista
О машине: 1ZZ-FE, ZZV50, 99г, без тахо и тв
Репутация: 732
давай давай, любая информация полезна в таких делах...

_________________
Была :Toyota Vista ZZV50 99г. без тахо (капиталка собственноручно)
Сейчас: Mitsubishi Outlander CW5W, 05г., 2.4, CVT, MMCS, Rockford


Вернуться к началу
 Профиль  
Ответить на тему 
 Заголовок сообщения: Re: Замена транзистора в ЭБУ, управляющего питанием бензонасоса.
СообщениеДобавлено: 19 июл 2011, 00:19 
Не в сети
Любитель
Любитель
Аватара пользователя

Зарегистрирован: 18 мар 2011, 22:32
Сообщения: 48
Тем: 3
Откуда: Алтайский край, Барнаул
Машина: Toyota Vista
О машине: '95 SV-42 3S-FE 4WS
Репутация: 8
Такая же проблема, только vista sv42 (ну можно считать sv40). перестала заводиться, 100км от города. все предохранители целые, реле срабатывают если их к батарейки присоединять. после долгих плясок с мультиметром добрался до ЭБУ - не идет с него напряжение на реле. замкнул релешку слева под бардачком, чтобы всегда насос качал, так и доехал. скати чем чревато?

Добавлено спустя 21 час 58 минут 34 секунды:
и подскажите еще пожалуйста, раз там реле, то бензонасос не всегда качает. в каких случаях он отключается? а то может я меряю напряжение на реле, а он и не должен в этот момент качать.


Вернуться к началу
 Профиль Отправить email  
Ответить на тему 
 Заголовок сообщения: Re: Замена транзистора в ЭБУ, управляющего питанием бензонасоса.
СообщениеДобавлено: 19 июл 2011, 22:46 
Не в сети
Местный
Местный
Аватара пользователя

Зарегистрирован: 01 янв 2006, 04:00
Сообщения: 10044
Тем: 182
Откуда: ХМАО Роман
Машина: др. неЯпонка
О машине: Volkswagen Tiguan
Репутация: 710
так как ты выключаешь зажигание после остановки то последствий я думаю никаких не будет

_________________
Управлял шесть лет японской мечтой - Toyota Vista Ardeo, теперь управляю немецкой мечтой - DAS AUTO.


Вернуться к началу
 Профиль  
Ответить на тему 
 Заголовок сообщения: Re: Замена транзистора в ЭБУ, управляющего питанием бензонасоса.
СообщениеДобавлено: 20 июл 2011, 15:00 
Не в сети
Любитель
Любитель
Аватара пользователя

Зарегистрирован: 18 мар 2011, 22:32
Сообщения: 48
Тем: 3
Откуда: Алтайский край, Барнаул
Машина: Toyota Vista
О машине: '95 SV-42 3S-FE 4WS
Репутация: 8
Добрался до эбу, сносил его в радиомастерскую - транзистор который который идет к реле бензонасоса целый :(
Изображение
теперь и не знаю куда копать. эбу он по каким-нибудь датчикам давления ориентируется? может что-то с датчиками. не подскажите их можно найти?

Добавлено спустя 1 час 22 минуты 9 секунд:
простите, я всех обманул. ситуация такая что, если реле вытащено - машина вообще не заводится. если реле стоит, то заводится туго и работает крайне не стабильно. если реле замкнуто перемычкой (насос качает всегда) - все работает нормально. может я г..ном каким-нить заправился просто... %)


Вернуться к началу
 Профиль Отправить email  
Ответить на тему 
 Заголовок сообщения: Re: Замена транзистора в ЭБУ, управляющего питанием бензонасоса.
СообщениеДобавлено: 20 июл 2011, 17:23 
Не в сети
модератор
Аватара пользователя

Зарегистрирован: 27 окт 2008, 04:00
Сообщения: 12731
Тем: 15
Откуда: Вятка
Машина: др. Японка
О машине: Toyota Prius 51
Репутация: 2381
Возможно заниженное давление в магистрали.

_________________
Vista Ardeo 1999, SV50, D4, Мультик, TV...


Вернуться к началу
 Профиль Отправить email  
Ответить на тему 
 Заголовок сообщения: Re: Замена транзистора в ЭБУ, управляющего питанием бензонасоса.
СообщениеДобавлено: 21 июл 2011, 21:54 
Не в сети
Любитель
Любитель
Аватара пользователя

Зарегистрирован: 18 мар 2011, 22:32
Сообщения: 48
Тем: 3
Откуда: Алтайский край, Барнаул
Машина: Toyota Vista
О машине: '95 SV-42 3S-FE 4WS
Репутация: 8
зря я вообще полез в электрику и в эту тему :) поменял сеточку в баке и топливный фильтр - теперь все ок. машина у меня недавно, поэтому не знаю когда что менялось.


Вернуться к началу
 Профиль Отправить email  
Ответить на тему 
 Заголовок сообщения: Re: Замена транзистора в ЭБУ, управляющего питанием бензонасоса.
СообщениеДобавлено: 24 июл 2011, 21:54 
Не в сети
Любитель
Любитель
Аватара пользователя

Зарегистрирован: 18 мар 2011, 22:32
Сообщения: 48
Тем: 3
Откуда: Алтайский край, Барнаул
Машина: Toyota Vista
О машине: '95 SV-42 3S-FE 4WS
Репутация: 8
блин, я опять заглох. по-быстрому перемкнул реле бензонасоса и поехал дальше. а значит работа после замены топливного фильтра - это просто совпадение :((( остается вариант, что что-то с датчиками. кто-нить знает в каком случае ЭБУ отключает бензонасос? в мануале не нашел объяснения как оно работает. а коды неисправностей не могу считать - замыкаю на диагностическом разъеме что нужно - а на приборной панели ничего не мигает (простите что не в своей теме пишу, но уже начал сюда писать)


Вернуться к началу
 Профиль Отправить email  
Ответить на тему 
 Заголовок сообщения: Re: Замена транзистора в ЭБУ, управляющего питанием бензонасоса.
СообщениеДобавлено: 25 июл 2011, 00:13 
Не в сети
Специалист
Специалист
Аватара пользователя

Зарегистрирован: 28 окт 2007, 03:00
Сообщения: 434
Тем: 7
Откуда: САМАРА
Машина: Toyota Vista Ardeo
О машине: 3S-FE,4 WD,2001г.SV55G,NAVI
Репутация: 79
А может тебе просто замерить давление в топливной рампе.Заодно узнаешь работает-ли насос и работоспособность насоса.

_________________
ИзображениеОтдам хомячка в хорошие колеса.


Вернуться к началу
 Профиль  
Ответить на тему 
 Заголовок сообщения: Re: Замена транзистора в ЭБУ, управляющего питанием бензонасоса.
СообщениеДобавлено: 26 июл 2011, 14:16 
Не в сети
Специалист
Специалист
Аватара пользователя

Зарегистрирован: 12 окт 2010, 03:00
Сообщения: 117
Тем: 11
Откуда: Ярославль
Машина: Toyota Vista
О машине: SV30, 1992, 4S-FE; была - SV55, 2001
Репутация: 11
Проверь массу с ЭБУ на катушку бензонасоса. Если приходит - тогда замена бензонасоса в твоем случае.. Насос может постепенно умирать. Я вот уже полгода на боше катаюсь от ВАЗовской девятки.. Полет нормальный.


Вернуться к началу
 Профиль Отправить email  
Ответить на тему 
 Заголовок сообщения: Re: Замена транзистора в ЭБУ, управляющего питанием бензонасоса.
СообщениеДобавлено: 04 авг 2011, 12:08 
Не в сети
Любитель
Любитель
Аватара пользователя

Зарегистрирован: 18 мар 2011, 22:32
Сообщения: 48
Тем: 3
Откуда: Алтайский край, Барнаул
Машина: Toyota Vista
О машине: '95 SV-42 3S-FE 4WS
Репутация: 8
поменял бензонасос, и регулятор давления - вроде заводиться стала без проблем, но осталась проблема с тягой на низких оборотах. давление так и не проверил, что-то не хочет его никто проверять, может неудачную выборку автосервисов обзвонил. но я думаю с давлением все в порядке, потому что на высоких оборотах тянет отлично. переезжаю в темы про зажигание :)


Вернуться к началу
 Профиль Отправить email  
Ответить на тему 

Показать сообщения за:  Поле сортировки  
Начать новую тему Ответить на тему

 [ Сообщений: 28 ]  На страницу Пред.  1, 2





* Поиск по сайту Вверх Вниз

Кто сейчас на конференции

Сейчас этот форум просматривают: нет зарегистрированных пользователей и гости: 0


Вы не можете начинать темы
Вы не можете отвечать на сообщения
Вы не можете редактировать свои сообщения
Вы не можете удалять свои сообщения
Вы не можете добавлять вложения

Найти:
Перейти:  
Текущее время: 27 май 2026, 05:40
Часовой пояс: UTC + 7 часов
Powered by phpbb. (c) VistaClub.ru.    * Статистика