* Поиск по сайту Вверх Вниз



Начать новую тему Ответить на тему  [ Сообщений: 200 ]  На страницу Пред.  1 ... 6, 7, 8, 9, 10, 11, 12 ... 14  След.
Автор Сообщение
 Заголовок сообщения: Re: Печка постоянна дует холодным или горячим воздухом
СообщениеДобавлено: 25 июн 2014, 10:02 
Не в сети
Специалист
Специалист
Аватара пользователя

Зарегистрирован: 29 апр 2014, 23:24
Сообщения: 353
Тем: 20
Откуда: Кемерово
Машина: Toyota Vista Ardeo
О машине: 3S-FE, 4WD, Multivision, 2001 г.в.
Репутация: 176
Рекламные ссылки. Показывается только незарегистрированным пользователям


Новую тему делать не стал - подскажите куда лезть?? Печка дует только холодным. тут чото не нашёл ответа на вопрос.. Заранее спасибо!)


Вернуться к началу
 Профиль Отправить email  
Ответить на тему 

 Заголовок сообщения: Re: Печка постоянна дует холодным или горячим воздухом
СообщениеДобавлено: 25 июн 2014, 10:21 
Не в сети
Гуру
Гуру
Аватара пользователя

Зарегистрирован: 06 сен 2010, 03:00
Сообщения: 4842
Тем: 44
Откуда: Якутск
Блог: Посмотреть блог (1)
Машина: Toyota Vista Ardeo
О машине: 2002, 3S-FE, 4WD
Репутация: 1093
Радиатор печки завоздушено

_________________
Toyota Vista Ardeo - 06.1999, SV55, 3S-FE, 4WD, V=2.0, Металлик, Eneos 10w40, 205x65x15
Toyota Vista Ardeo - 04.2002, SV55, 3S-FE, 4WD, V=2.0, Перламутр, Ravenol 10w40, 215x55x17
Я Драйве2 - https://www.drive2.ru/r/toyota/452069429514076326/


Вернуться к началу
 Профиль Отправить email  
Ответить на тему 
 Заголовок сообщения: Re: Печка постоянна дует холодным или горячим воздухом
СообщениеДобавлено: 25 июн 2014, 11:03 
Не в сети
Профи
Профи
Аватара пользователя

Зарегистрирован: 20 авг 2012, 12:22
Сообщения: 878
Тем: 6
Откуда: Иркутская обл.
Машина: др. Toyota
О машине: RAV4, 1AZ-FE, была VISTA, седан, 1ZZ
Репутация: 293
Антифриз если менял в ближайшее время, то VERVIL прав. А если нет, то х.з., может радиатор печки забило или заслонки не работают должным образом. Шланги которые на печку идут потрогай для начала (в моторном отсеке).

_________________
Важно не прекращать задавать вопросы. Любопытство имеет собственную причину для существования. (Альберт Эйнштейн)


Вернуться к началу
 Профиль  
Ответить на тему 
 Заголовок сообщения: Re: Печка постоянна дует холодным или горячим воздухом
СообщениеДобавлено: 25 июн 2014, 11:30 
Не в сети
Гуру
Гуру
Аватара пользователя

Зарегистрирован: 06 сен 2010, 03:00
Сообщения: 4842
Тем: 44
Откуда: Якутск
Блог: Посмотреть блог (1)
Машина: Toyota Vista Ardeo
О машине: 2002, 3S-FE, 4WD
Репутация: 1093
Если печку забивает то начинается с крайней правой, то есть сторона водителя станет дуть холодным и пассажира теплым.

_________________
Toyota Vista Ardeo - 06.1999, SV55, 3S-FE, 4WD, V=2.0, Металлик, Eneos 10w40, 205x65x15
Toyota Vista Ardeo - 04.2002, SV55, 3S-FE, 4WD, V=2.0, Перламутр, Ravenol 10w40, 215x55x17
Я Драйве2 - https://www.drive2.ru/r/toyota/452069429514076326/


Вернуться к началу
 Профиль Отправить email  
Ответить на тему 
 Заголовок сообщения: Re: Печка постоянна дует холодным или горячим воздухом
СообщениеДобавлено: 25 июн 2014, 11:37 
Не в сети
Специалист
Специалист
Аватара пользователя

Зарегистрирован: 29 апр 2014, 23:24
Сообщения: 353
Тем: 20
Откуда: Кемерово
Машина: Toyota Vista Ardeo
О машине: 3S-FE, 4WD, Multivision, 2001 г.в.
Репутация: 176
Тосол вроде не трогал. А вот какие заслонки и как смотреть?? Шланги как поеду потрогаю


Вернуться к началу
 Профиль Отправить email  
Ответить на тему 
 Заголовок сообщения: Re: Печка постоянна дует холодным или горячим воздухом
СообщениеДобавлено: 25 июн 2014, 11:54 
Не в сети
Профи
Профи
Аватара пользователя

Зарегистрирован: 20 авг 2012, 12:22
Сообщения: 878
Тем: 6
Откуда: Иркутская обл.
Машина: др. Toyota
О машине: RAV4, 1AZ-FE, была VISTA, седан, 1ZZ
Репутация: 293
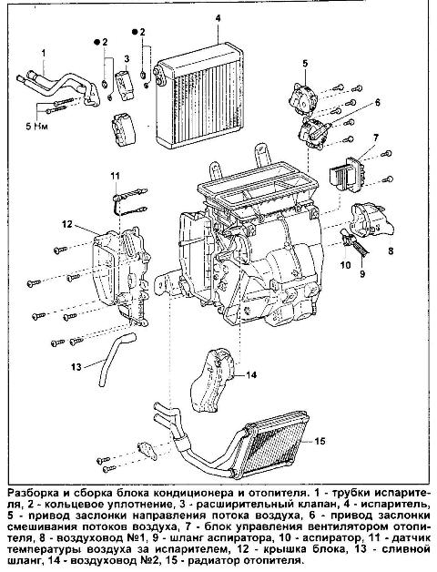
Заслонки посмотреть проблематично... :( Они стоят в отопителе, а чтоб его снять, торпеду надо снимать, другое дело если привод смешивания воздуха (который ими рулит) не работает, к нему со стороны водителя подлезть можно, но тоже крайне неудобно...
Вложение:
отопитель.JPG
отопитель.JPG [ 73.1 КБ | Просмотров: 3153 ]

Также блок климат-контроля (или его разъемы) может глючить.

_________________
Важно не прекращать задавать вопросы. Любопытство имеет собственную причину для существования. (Альберт Эйнштейн)


Вернуться к началу
 Профиль  
Ответить на тему 
 Заголовок сообщения: Re: Печка постоянна дует холодным или горячим воздухом
СообщениеДобавлено: 25 июн 2014, 12:38 
Не в сети
Специалист
Специалист
Аватара пользователя

Зарегистрирован: 29 апр 2014, 23:24
Сообщения: 353
Тем: 20
Откуда: Кемерово
Машина: Toyota Vista Ardeo
О машине: 3S-FE, 4WD, Multivision, 2001 г.в.
Репутация: 176
ЖЭсть какая. А разводушить - надо встать в горкуи и погазовать?? Уровень тосола должен понизиться если развоздушится??


Вернуться к началу
 Профиль Отправить email  
Ответить на тему 
 Заголовок сообщения: Re: Печка постоянна дует холодным или горячим воздухом
СообщениеДобавлено: 25 июн 2014, 12:42 
Не в сети
Профи
Профи
Аватара пользователя

Зарегистрирован: 20 авг 2012, 12:22
Сообщения: 878
Тем: 6
Откуда: Иркутская обл.
Машина: др. Toyota
О машине: RAV4, 1AZ-FE, была VISTA, седан, 1ZZ
Репутация: 293
Ну да, в горку и погазовать, и краником (в противоположной стороне от крышки, сверху) на основном радиаторе воздух стравливать.

_________________
Важно не прекращать задавать вопросы. Любопытство имеет собственную причину для существования. (Альберт Эйнштейн)


Вернуться к началу
 Профиль  
Ответить на тему 
 Заголовок сообщения: Re: Печка постоянна дует холодным или горячим воздухом
СообщениеДобавлено: 25 июн 2014, 13:09 
Не в сети
Специалист
Специалист
Аватара пользователя

Зарегистрирован: 29 апр 2014, 23:24
Сообщения: 353
Тем: 20
Откуда: Кемерово
Машина: Toyota Vista Ardeo
О машине: 3S-FE, 4WD, Multivision, 2001 г.в.
Репутация: 176
Можно про краник по-подробнее?


Вернуться к началу
 Профиль Отправить email  
Ответить на тему 
 Заголовок сообщения: Re: Печка постоянна дует холодным или горячим воздухом
СообщениеДобавлено: 25 июн 2014, 13:19 
Не в сети
Профи
Профи
Аватара пользователя

Зарегистрирован: 20 авг 2012, 12:22
Сообщения: 878
Тем: 6
Откуда: Иркутская обл.
Машина: др. Toyota
О машине: RAV4, 1AZ-FE, была VISTA, седан, 1ZZ
Репутация: 293
Вложение:
кран.JPG
кран.JPG [ 75.67 КБ | Просмотров: 3142 ]

_________________
Важно не прекращать задавать вопросы. Любопытство имеет собственную причину для существования. (Альберт Эйнштейн)


Вернуться к началу
 Профиль  
Ответить на тему 
 Заголовок сообщения: Re: Печка постоянна дует холодным или горячим воздухом
СообщениеДобавлено: 25 июн 2014, 13:22 
Не в сети
Гуру
Гуру
Аватара пользователя

Зарегистрирован: 25 сен 2008, 03:00
Сообщения: 3341
Тем: 8
Откуда: БАРНАУЛ
Репутация: 2026
Похоже, этот
Вложение:
1364794512979_bulletin.jpg
1364794512979_bulletin.jpg [ 76.66 КБ | Просмотров: 3139 ]

Газовать до включения вентиляторов.

_________________
АРДЕО 1999 БЕЛАЯ MULTIVISION 3S-FE 4WD
Витц литровый...


Вернуться к началу
 Профиль Отправить email  
Ответить на тему 
 Заголовок сообщения: Re: Печка постоянна дует холодным или горячим воздухом
СообщениеДобавлено: 25 июн 2014, 13:24 
Не в сети
Специалист
Специалист
Аватара пользователя

Зарегистрирован: 29 апр 2014, 23:24
Сообщения: 353
Тем: 20
Откуда: Кемерово
Машина: Toyota Vista Ardeo
О машине: 3S-FE, 4WD, Multivision, 2001 г.в.
Репутация: 176
т.е. при заведённом двигателе его можно крутить (открывать) и из него должен выходить воздух? а если из него будет течь тосол? значит проблема не в завоздушивании?

Добавлено спустя 1 минуту 18 секунд:
кстати, при включенном кондее - машина сильно тупит. на других авто как то это менее заметно было. у всех так?


Вернуться к началу
 Профиль Отправить email  
Ответить на тему 
 Заголовок сообщения: Re: Печка постоянна дует холодным или горячим воздухом
СообщениеДобавлено: 25 июн 2014, 13:35 
Не в сети
Профи
Профи
Аватара пользователя

Зарегистрирован: 20 авг 2012, 12:22
Сообщения: 878
Тем: 6
Откуда: Иркутская обл.
Машина: др. Toyota
О машине: RAV4, 1AZ-FE, была VISTA, седан, 1ZZ
Репутация: 293
Andreyka42 писал(а):
т.е. при заведённом двигателе его можно крутить (открывать) и из него должен выходить воздух? а если из него будет течь тосол? значит проблема не в завоздушивании?

Да! :smile:
Andreyka42 писал(а):
кстати, при включенном кондее - машина сильно тупит. на других авто как то это менее заметно было. у всех так?

Не знаю, у мну не тупит, тока обороты поднимаются на холостую.

_________________
Важно не прекращать задавать вопросы. Любопытство имеет собственную причину для существования. (Альберт Эйнштейн)


Вернуться к началу
 Профиль  
Ответить на тему 
 Заголовок сообщения: Re: Печка постоянна дует холодным или горячим воздухом
СообщениеДобавлено: 25 июн 2014, 13:35 
Не в сети
модератор
Аватара пользователя

Зарегистрирован: 05 май 2009, 03:00
Сообщения: 6759
Тем: 72
Откуда: Ставрополье
Блог: Посмотреть блог (7)
Машина: Toyota Vista
О машине: седан SV50, 3S-FSE, U240E, 98г.
Репутация: 1473
а как может завоздушить печку, если ничего не делалось? печка скорее забита. подводные патрубки (в салоне в ногах пассажира) пощупайте.

_________________
Случайности не случайны...


Вернуться к началу
 Профиль  
Ответить на тему 
 Заголовок сообщения: Re: Печка постоянна дует холодным или горячим воздухом
СообщениеДобавлено: 25 июн 2014, 13:40 
Не в сети
Профи
Профи
Аватара пользователя

Зарегистрирован: 20 авг 2012, 12:22
Сообщения: 878
Тем: 6
Откуда: Иркутская обл.
Машина: др. Toyota
О машине: RAV4, 1AZ-FE, была VISTA, седан, 1ZZ
Репутация: 293
Я того же мнения! :smile: Выше писал про это...

_________________
Важно не прекращать задавать вопросы. Любопытство имеет собственную причину для существования. (Альберт Эйнштейн)


Вернуться к началу
 Профиль  
Ответить на тему 

Показать сообщения за:  Поле сортировки  
Начать новую тему Ответить на тему

 [ Сообщений: 200 ]  На страницу Пред.  1 ... 6, 7, 8, 9, 10, 11, 12 ... 14  След.





* Поиск по сайту Вверх Вниз

Кто сейчас на конференции

Сейчас этот форум просматривают: нет зарегистрированных пользователей и гости: 0


Вы не можете начинать темы
Вы не можете отвечать на сообщения
Вы не можете редактировать свои сообщения
Вы не можете удалять свои сообщения
Вы не можете добавлять вложения

Найти:
Перейти:  
Текущее время: 11 май 2026, 08:37
Часовой пояс: UTC + 7 часов
Powered by phpbb. (c) VistaClub.ru.    * Статистика