* Поиск по сайту Вверх Вниз



Начать новую тему Ответить на тему  [ Сообщений: 54 ]  На страницу 1, 2, 3, 4  След.
Автор Сообщение
 Заголовок сообщения: Что то стучит в задней подвеске! Помогите!.
СообщениеДобавлено: 25 апр 2011, 19:07 
Не в сети
Специалист
Специалист
Аватара пользователя

Зарегистрирован: 28 фев 2011, 11:48
Сообщения: 105
Тем: 12
Откуда: Барнаул
Машина: Toyota Vista
О машине: SV50, 3S-FSE(D4)
Репутация: 0
Рекламные ссылки. Показывается только незарегистрированным пользователям


Здравствуйте! Помогите определиться с причиной стуков сзади, на небольших кочках, где-то слева постоянно слышен стук, но не глухой, а как будто металлический, заезжал на диагностику, сказали вроде как стойки кончились, сегодня поставили новые Tokico, а бряканье всё навно осталось, сайлент блоки вроде живые, что же там ещё может брякать, как обнаружить и устранить эту напасть!!?? (P.S. машина в подписи)

_________________
Toyota Vista 08.2000 г. рестайл.
SV50, 3S-FSE (D4) и др...


Вернуться к началу
 Профиль  
Ответить на тему 

 Заголовок сообщения: Re: Что то стучит в задней подвеске! Помогите!
СообщениеДобавлено: 25 апр 2011, 19:31 
Не в сети
Специалист
Специалист
Аватара пользователя

Зарегистрирован: 29 мар 2011, 22:18
Сообщения: 222
Тем: 14
Откуда: новосиб
Машина: др. Toyota
О машине: 1mz-fe
Репутация: 8
может подшибник ступичный?


Вернуться к началу
 Профиль Отправить email  
Ответить на тему 
 Заголовок сообщения: Re: Что то стучит в задней подвеске! Помогите!
СообщениеДобавлено: 25 апр 2011, 19:32 
Не в сети
мне бы такую же только с быкоми по бокам
Аватара пользователя

Зарегистрирован: 08 апр 2011, 12:59
Сообщения: 656
Тем: 8
Откуда: Краснодар
Машина: др. неЯпонка
О машине: 1,6 - все равно ездит....
Репутация: 23
может быть все что угодно, в том числе и колодки и суппорта, пока не посмотришь не увидишь.у меня на девятки на первой было так, стучит и стучит и то и другое и третье, все равно еду стучит, потом оказалось что супорт как то там заклинил что расстояние осталось колодка дребезжала

Добавлено спустя 22 минуты 15 секунд:
ну подшибник бы не стучал он бы гудел, и это всегда у нас мастера проверяют если есть люфт или малейший гул рекомендуют менять

_________________
если нормально "качнуть", заднее стекло обычно выпадает.....


Вернуться к началу
 Профиль  
Ответить на тему 
 Заголовок сообщения: Re: Что то стучит в задней подвеске! Помогите!
СообщениеДобавлено: 25 апр 2011, 21:25 
Не в сети
местный модератор
Аватара пользователя

Зарегистрирован: 12 фев 2009, 04:00
Сообщения: 7539
Тем: 100
Откуда: Хабаровск
Блог: Посмотреть блог (6)
Машина: Toyota Vista Ardeo
О машине: серебристая с ресничками
Репутация: 1791
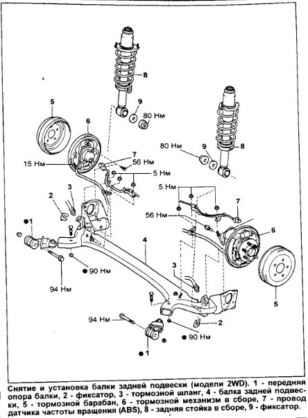
ходовка на 2вд не сложная, если стойки заменил, остается вероятность детали №1 на рисунке, дорогая зараза.., товарищ один на нее жаловался и проушины поперечной тяги...тяга кстати лязг дает чаще резинок...как яйца передние брякает на мелких кочках/гребенке. Можно попробывать тягу снять, проехаться, если стук прошел, то это она....а больше там вроде болячек нет?!


Вложения:
Clip.jpg
Clip.jpg [ 69.56 КБ | Просмотров: 5568 ]
Clip2.jpg
Clip2.jpg [ 45.15 КБ | Просмотров: 5568 ]

_________________
--------------------------------------------------
トヨタ ビスタアルデオ / VISTA ARDEO SV55G - BWSGK 4.2000, N200G, 3S-FE, 4WD, navi, ...
--------------------------------------------------
Вернуться к началу
 Профиль  
Ответить на тему 
 Заголовок сообщения: Re: Что то стучит в задней подвеске! Помогите!
СообщениеДобавлено: 25 апр 2011, 22:44 
Не в сети
Начинающий
Начинающий
Аватара пользователя

Зарегистрирован: 05 фев 2011, 11:40
Сообщения: 14
Тем: 1
Машина: Toyota Vista
О машине: Двигатель 1zz Кузов zzv50 Год 2002
Репутация: 1
Это точно стабилизатор я сам недавно кое как нашел это противное бряканье и затянул по сильней . И не подумаешь на эту железяку ...... И ещё больше всего стук при полной загрузке.... И мой тебе совет ищи сам причину ... А то дорого то стойки менять.


Вернуться к началу
 Профиль Отправить email  
Ответить на тему 
 Заголовок сообщения: Re: Что то стучит в задней подвеске! Помогите!
СообщениеДобавлено: 25 апр 2011, 22:55 
Не в сети
Профи
Профи
Аватара пользователя

Зарегистрирован: 01 авг 2007, 03:00
Сообщения: 715
Тем: 9
Откуда: Красноярск
Репутация: 33
Стабилизатор находящийся в задней балке можно временно снять для диагностики, а можно вообще снять (я так езжу уже 4 года). И еще, топикстартер не уточнил, а сзади то ведь еще и багажник есть, особенно в корыте, где докатка лежит, может тупо болтик или железяка какая греметь. Где гарантия что это в подвеске стук?

_________________
Ardeo-99 3S-FSE
"Каждый мнит себя стратегoм видя бой со стороны!" К.Прутьков


Вернуться к началу
 Профиль  
Ответить на тему 
 Заголовок сообщения: Re: Что то стучит в задней подвеске! Помогите!
СообщениеДобавлено: 26 апр 2011, 02:36 
Не в сети
Специалист
Специалист

Зарегистрирован: 03 сен 2009, 03:00
Сообщения: 144
Тем: 15
Откуда: Ростов на Дону
Машина: Toyota Vista Ardeo
О машине: 3fse
Репутация: 0
Сталкивался с этой проблемой:) На кочках гремела,всё облазил не чего не нашёл,собирался стойки менять,но в итоге просто очень сильно подтянул этот стабилизатор всё прошло:)


Вернуться к началу
 Профиль  
Ответить на тему 
 Заголовок сообщения: Re: Что то стучит в задней подвеске! Помогите!
СообщениеДобавлено: 26 апр 2011, 03:47 
Не в сети
Специалист
Специалист
Аватара пользователя

Зарегистрирован: 20 окт 2009, 03:00
Сообщения: 269
Тем: 26
Откуда: Ярославская обл.,Рыбинск
Машина: Toyota Vista
О машине: SV32, 3S-FE, 1992г.в.
Репутация: 3
стабилизатор возможно, а точнее так называемые косточки,там резиночки умирают и все, у меня на 30-м кузове замена их решила проблему, а еще как уже писали выше может стучать супорт, у меня на колодки такие проставочки одеваются, дак вот кода их не :dash: было тоже стучало....

_________________
Vista SV-32, 1992 г.в.,


Вернуться к началу
 Профиль  
Ответить на тему 
 Заголовок сообщения: Re: Что то стучит в задней подвеске! Помогите!
СообщениеДобавлено: 26 апр 2011, 08:26 
Не в сети
Профи
Профи
Аватара пользователя

Зарегистрирован: 01 авг 2007, 03:00
Сообщения: 715
Тем: 9
Откуда: Красноярск
Репутация: 33
eduard3 писал(а):
Сталкивался с этой проблемой:) На кочках гремела,всё облазил не чего не нашёл,собирался стойки менять,но в итоге просто очень сильно подтянул этот стабилизатор всё прошло:)

Дык у вас с автором и кузова то разные, соовсем другие детальки... :wink:

_________________
Ardeo-99 3S-FSE
"Каждый мнит себя стратегoм видя бой со стороны!" К.Прутьков


Вернуться к началу
 Профиль  
Ответить на тему 
 Заголовок сообщения: Re: Что то стучит в задней подвеске! Помогите!
СообщениеДобавлено: 26 апр 2011, 08:40 
Не в сети
Специалист
Специалист
Аватара пользователя

Зарегистрирован: 28 фев 2011, 11:48
Сообщения: 105
Тем: 12
Откуда: Барнаул
Машина: Toyota Vista
О машине: SV50, 3S-FSE(D4)
Репутация: 0
Спасибо за ответы, буду разбирать смотреть. Что найду сообщу.

_________________
Toyota Vista 08.2000 г. рестайл.
SV50, 3S-FSE (D4) и др...


Вернуться к началу
 Профиль  
Ответить на тему 
 Заголовок сообщения: Re: Что то стучит в задней подвеске! Помогите!
СообщениеДобавлено: 26 апр 2011, 12:54 
Не в сети
модератор
Аватара пользователя

Зарегистрирован: 05 май 2009, 03:00
Сообщения: 6759
Тем: 72
Откуда: Ставрополье
Блог: Посмотреть блог (7)
Машина: Toyota Vista
О машине: седан SV50, 3S-FSE, U240E, 98г.
Репутация: 1473
pavanik_27 писал(а):
если стойки заменил, остается вероятность детали №1 на рисунке, дорогая зараза..,

вполне возможно. их можно и не увидеть, но стучать будут. но эта дорогая деталь на до рестайле. потом разборные саленблоки пошли - они дешевле обходятся. Sergey22, обрати внимание какие сайлены у тебя стоят

_________________
Случайности не случайны...


Вернуться к началу
 Профиль  
Ответить на тему 
 Заголовок сообщения: Re: Что то стучит в задней подвеске! Помогите!
СообщениеДобавлено: 26 апр 2011, 17:32 
Не в сети
Начинающий
Начинающий

Зарегистрирован: 07 янв 2011, 21:48
Сообщения: 8
Тем: 4
Машина: Toyota Vista
О машине: sv-50 00г
Репутация: 1
Подкрылку не смотрел, часто слетает с клипсы и такой звук как что то в подвеске стучит.


Вернуться к началу
 Профиль Отправить email  
Ответить на тему 
 Заголовок сообщения: Re: Что то стучит в задней подвеске! Помогите!
СообщениеДобавлено: 26 апр 2011, 18:04 
Не в сети
Специалист
Специалист
Аватара пользователя

Зарегистрирован: 28 фев 2011, 11:48
Сообщения: 105
Тем: 12
Откуда: Барнаул
Машина: Toyota Vista
О машине: SV50, 3S-FSE(D4)
Репутация: 0
Посмотрел. Подкрылок под левым колесом крепится на 3 винтах, так вот сверху один винт крепится к клипсе которая в свою очередь крепится на трубки бензобака, так вот сверху то этот подкрылок защиты отошёл вместе с клипсой и болтался, создавая при этом шум, там и грязи набилось куча, всё сделал устранил, (смотрел также стабилизатор вроде не болтается и не треснутый, сайлентблоки не проверял). Остался ещё вопрос, что там может скрипеть как на телеге, это сайленты? Значит их стоит поменять?

_________________
Toyota Vista 08.2000 г. рестайл.
SV50, 3S-FSE (D4) и др...


Вернуться к началу
 Профиль  
Ответить на тему 
 Заголовок сообщения: Re: Что то стучит в задней подвеске! Помогите!
СообщениеДобавлено: 26 апр 2011, 19:01 
Не в сети
Специалист
Специалист
Аватара пользователя

Зарегистрирован: 07 ноя 2008, 04:00
Сообщения: 145
Тем: 17
Откуда: г. Омск
Репутация: 55
Всем привет.
У меня была такая тема :lol: , я мозг вынес себе и многим. Оказалось: :lol: в арке заднего левого колеса, а именно- подкрылок слетает с крепления и стучит. Посмотри может тоже самое.

_________________
Vista Ardeo 1998г. 3S-FSE


Вернуться к началу
 Профиль  
Ответить на тему 
 Заголовок сообщения: Re: Что то стучит в задней подвеске! Помогите!
СообщениеДобавлено: 26 апр 2011, 21:34 
Не в сети
Специалист
Специалист
Аватара пользователя

Зарегистрирован: 15 дек 2010, 21:53
Сообщения: 268
Тем: 25
Машина: Toyota Vista Ardeo
О машине: zzv50 1zz 2000г.
Репутация: 42
У меня тоже этот подкрылок слетел недавно, я его снял под ним грязи килограмм,промыл его и для верности саморезами закрепил.


Вернуться к началу
 Профиль Отправить email  
Ответить на тему 

Показать сообщения за:  Поле сортировки  
Начать новую тему Ответить на тему

 [ Сообщений: 54 ]  На страницу 1, 2, 3, 4  След.





* Поиск по сайту Вверх Вниз

Кто сейчас на конференции

Сейчас этот форум просматривают: нет зарегистрированных пользователей и гости: 0


Вы не можете начинать темы
Вы не можете отвечать на сообщения
Вы не можете редактировать свои сообщения
Вы не можете удалять свои сообщения
Вы не можете добавлять вложения

Найти:
Перейти:  
Текущее время: 06 май 2026, 03:21
Часовой пояс: UTC + 7 часов
Powered by phpbb. (c) VistaClub.ru.    * Статистика