* Поиск по сайту Вверх Вниз



Начать новую тему Ответить на тему  [ Сообщений: 58 ]  На страницу 1, 2, 3, 4  След.
Автор Сообщение
 Заголовок сообщения: 3S-FE Не развивает обороты
СообщениеДобавлено: 25 мар 2011, 02:24 
Не в сети
Любитель
Любитель

Зарегистрирован: 12 дек 2010, 02:07
Сообщения: 22
Тем: 7
Откуда: Первоуральск
Машина: др. Toyota
О машине: Camry/Vista sv43, 3S-FE,4WD
Репутация: 0
Рекламные ссылки. Показывается только незарегистрированным пользователям


Ситуация такая: 2 недели назад помыл на автомойке двигатель ну по троил немного и вроде все ок, но на следующий день поехал на работу (с утра) и началось, набирает обороты до 2000 потом сбрасывает сам до 1000 и опять две, одна, две одна....
проехал так с километр. все само сабой пропало проста рас и поехала нормально причем нормально ездиет весь день...
На следующие утро опять такая же х--ня но нормально ехать начинает через два км.
Сейчас пока километров 30 не проедеш не едет
Что сделано поменяны свечи проверил все разъемы, предохранители, реле, само диагностика не чего не показывает
Что делать....?


Вернуться к началу
 Профиль Отправить email  
Ответить на тему 

 Заголовок сообщения: Re: Не развивает обороты
СообщениеДобавлено: 25 мар 2011, 06:56 
Не в сети
местный модератор
Аватара пользователя

Зарегистрирован: 12 фев 2009, 04:00
Сообщения: 7539
Тем: 100
Откуда: Хабаровск
Блог: Посмотреть блог (6)
Машина: Toyota Vista Ardeo
О машине: серебристая с ресничками
Репутация: 1791
ну раз причиной стала мойка...вероятно сушиться надо. Продувать разъемы вокруг движка и на АКПП. Интересно почему с 2000 на 1000 прыгает...?! А прогревочные нормальные, как на холостых работает? За три года один раз мыл двиг, и помыть надо, но каждый раз отговариваю себя, боюсь вот таких проблем))

_________________
--------------------------------------------------
トヨタ ビスタアルデオ / VISTA ARDEO SV55G - BWSGK 4.2000, N200G, 3S-FE, 4WD, navi, ...
--------------------------------------------------


Вернуться к началу
 Профиль  
Ответить на тему 
 Заголовок сообщения: Re: Не развивает обороты
СообщениеДобавлено: 26 мар 2011, 01:19 
Не в сети
Любитель
Любитель

Зарегистрирован: 12 дек 2010, 02:07
Сообщения: 22
Тем: 7
Откуда: Первоуральск
Машина: др. Toyota
О машине: Camry/Vista sv43, 3S-FE,4WD
Репутация: 0
да вот понятно, что, что то, где то намокло только что и где??? что в 3S-FE может ограничивать обороты (что сушить)
А главное почему со временем становиться только хуже????
Может помывка двигателя совпадение ???


Вернуться к началу
 Профиль Отправить email  
Ответить на тему 
 Заголовок сообщения: Re: Не развивает обороты
СообщениеДобавлено: 26 мар 2011, 01:22 
Не в сети
модератор
Аватара пользователя

Зарегистрирован: 27 окт 2008, 04:00
Сообщения: 12698
Тем: 15
Откуда: Вятка
Машина: др. Японка
О машине: Toyota Prius 51
Репутация: 2380
А на двигателе трамблер или нет?

_________________
Vista Ardeo 1999, SV50, D4, Мультик, TV...


Вернуться к началу
 Профиль Отправить email  
Ответить на тему 
 Заголовок сообщения: Re: Не развивает обороты
СообщениеДобавлено: 16 окт 2011, 21:27 
Не в сети
Специалист
Специалист
Аватара пользователя

Зарегистрирован: 25 окт 2010, 12:15
Сообщения: 354
Тем: 11
Откуда: Новосибирск
Машина: др. неЯпонка
Репутация: 140
Давайте поднимем снова тему.
Сейчас с мойки приехал, на аварийке. Помыли двигатель, продули. Правда что конкретно продували не видел.
В общем симптомы такие: газу даешь, а она немного потрясет и едет по-тихоньку. Потом хоть в пол газ дави - не едет и всё, только потрясывает.


Вернуться к началу
 Профиль Отправить email  
Ответить на тему 
 Заголовок сообщения: Re: Не развивает обороты
СообщениеДобавлено: 16 окт 2011, 22:20 
Не в сети
Гуру
Гуру
Аватара пользователя

Зарегистрирован: 02 июл 2010, 03:00
Сообщения: 4108
Тем: 19
Откуда: Томск
Машина: Toyota Vista
О машине: SV32,3S-FE(3S-GE)1990г,2WD
Репутация: 908
:-x Я не пойму,что вы намываете моторный отсек?!(ну это отступление)
Проверь колодца свечные(может вода туда натекла и прошивает все и не едет)Вот и трясется(троит может)+трамблер и блок предохранителей тоже проверь.
Притащили машину с мойки(помыл паренек елки)полазили по мотору(а там все предохранители в воде)Как не замкнуло не знаю,ну нечего посушил он блок и все заработало.
МОЙТЕ РУКАМИ!


Вернуться к началу
 Профиль  
Ответить на тему 
 Заголовок сообщения: Re: Не развивает обороты
СообщениеДобавлено: 16 окт 2011, 23:14 
Не в сети
Специалист
Специалист
Аватара пользователя

Зарегистрирован: 25 окт 2010, 12:15
Сообщения: 354
Тем: 11
Откуда: Новосибирск
Машина: др. неЯпонка
Репутация: 140
Да первый раз в жизни решил мотор помыть... Еще ведь спросил у кассирши (или как её там) "поедет - нет?". Накаркал, блин.
Один ВВ провод выдернул, в колодце воды нет. если к утру не просохнет, будем разбираться.
За совет спасибо.


Вернуться к началу
 Профиль Отправить email  
Ответить на тему 
 Заголовок сообщения: Re: Не развивает обороты
СообщениеДобавлено: 17 окт 2011, 07:39 
Не в сети
Гуру
Гуру
Аватара пользователя

Зарегистрирован: 06 сен 2010, 03:00
Сообщения: 4839
Тем: 44
Откуда: Якутск
Блог: Посмотреть блог (1)
Машина: Toyota Vista Ardeo
О машине: 2002, 3S-FE, 4WD
Репутация: 1093
По идее 3S-FE после мойки не должна капризничивать, ну как сказали посмотри свечки, ББ провода. Друг тоже помыл машинку, на утро не завелся, оказался в свечное колодце попала вода.

_________________
Toyota Vista Ardeo - 06.1999, SV55, 3S-FE, 4WD, V=2.0, Металлик, Eneos 10w40, 205x65x15
Toyota Vista Ardeo - 04.2002, SV55, 3S-FE, 4WD, V=2.0, Перламутр, Ravenol 10w40, 215x55x17
Я Драйве2 - https://www.drive2.ru/r/toyota/452069429514076326/


Вернуться к началу
 Профиль Отправить email  
Ответить на тему 
 Заголовок сообщения: Re: Не развивает обороты
СообщениеДобавлено: 17 окт 2011, 18:16 
Не в сети
Специалист
Специалист
Аватара пользователя

Зарегистрирован: 25 окт 2010, 12:15
Сообщения: 354
Тем: 11
Откуда: Новосибирск
Машина: др. неЯпонка
Репутация: 140
Сегодня утром еще потупила немного, а к концу рабочего дня просохла совсем. Вобщем всё ОК!
Чувствую двигатель на мойке я мыл первый и последний раз. Прям душа болела, как моя ласточка ехала...


Вернуться к началу
 Профиль Отправить email  
Ответить на тему 
 Заголовок сообщения: Re: Не развивает обороты
СообщениеДобавлено: 17 окт 2011, 18:59 
Не в сети
Гуру
Гуру
Аватара пользователя

Зарегистрирован: 02 июл 2010, 03:00
Сообщения: 4108
Тем: 19
Откуда: Томск
Машина: Toyota Vista
О машине: SV32,3S-FE(3S-GE)1990г,2WD
Репутация: 908
stEvgen писал(а):
Сегодня утром еще потупила немного, а к концу рабочего дня просохла совсем. Вобщем всё ОК!
Чувствую двигатель на мойке я мыл первый и последний раз. Прям душа болела, как моя ласточка ехала...

Ну вот и хорошо(что хорошо кончается)


Вернуться к началу
 Профиль  
Ответить на тему 
 Заголовок сообщения: Re: Не развивает обороты
СообщениеДобавлено: 12 ноя 2012, 13:19 
Не в сети
Начинающий
Начинающий

Зарегистрирован: 12 ноя 2012, 12:16
Сообщения: 17
Машина: Toyota Camry
О машине: SV21 универсал, двигатель 3s-fe
Репутация: 0
Всем привет у меня подобная проблема с оборотами.Машина Toyota Camry sv21 год выпуска 1987, двигатель 3s-fe(контрактный). Не развивает обороты при резком нажатии на педаль газа. А на холостых как часики. Если нажать плавно то слышен рокот в воздухане. Поменял свечи на NGK, провода ВВ(NGK), катушку зажигания, крышку трамблера, топливный фильтр, почистил бак, поменял сеточку на топливном насосе. Поменял топливную рейку с форсунками на контрактную предварительно прочистив форсунки, поменял датчик охлаждающей жидкости. Катализатор выбит. Метки ГРМ на местах, нижняя каленвала на ноль, верхняя распредвала на вертикальной метки по отношению к двигателю. Может ктонибуть сталкивался.


Вернуться к началу
 Профиль Отправить email  
Ответить на тему 
 Заголовок сообщения: Re: Не развивает обороты
СообщениеДобавлено: 13 ноя 2012, 00:32 
Не в сети
модератор
Аватара пользователя

Зарегистрирован: 27 окт 2008, 04:00
Сообщения: 12698
Тем: 15
Откуда: Вятка
Машина: др. Японка
О машине: Toyota Prius 51
Репутация: 2380
Осталось зажигание установить и будет норма.

_________________
Vista Ardeo 1999, SV50, D4, Мультик, TV...


Вернуться к началу
 Профиль Отправить email  
Ответить на тему 
 Заголовок сообщения: Re: Не развивает обороты
СообщениеДобавлено: 13 ноя 2012, 09:44 
Не в сети
местный модератор
Аватара пользователя

Зарегистрирован: 12 фев 2009, 04:00
Сообщения: 7539
Тем: 100
Откуда: Хабаровск
Блог: Посмотреть блог (6)
Машина: Toyota Vista Ardeo
О машине: серебристая с ресничками
Репутация: 1791
зажигание походу недовыставили... замкнуть контакты надо Te1 и E1, чтобы выставить зажигание по компьютеру или стробоскопу. Обязательно нужно вставить перемычку.

Как выставляли?

_________________
--------------------------------------------------
トヨタ ビスタアルデオ / VISTA ARDEO SV55G - BWSGK 4.2000, N200G, 3S-FE, 4WD, navi, ...
--------------------------------------------------


Вернуться к началу
 Профиль  
Ответить на тему 
 Заголовок сообщения: Re: 3S-FE Не развивает обороты
СообщениеДобавлено: 13 ноя 2012, 10:09 
Не в сети
Начинающий
Начинающий

Зарегистрирован: 12 ноя 2012, 12:16
Сообщения: 17
Машина: Toyota Camry
О машине: SV21 универсал, двигатель 3s-fe
Репутация: 0
Пробовал менять угол опережения зажигания. И еще у меня провод на лямбду и датчик детонации оборваны а какой куда идет незнаю. Может быть из-за этого.

Добавлено спустя 12 минут 44 секунды:
Зажигание выставляли без перемычки на глаз и слух по работе двигателя. Нет возможности выставить по страбоскопу.


Вернуться к началу
 Профиль Отправить email  
Ответить на тему 
 Заголовок сообщения: Re: 3S-FE Не развивает обороты
СообщениеДобавлено: 13 ноя 2012, 14:09 
Не в сети
местный модератор
Аватара пользователя

Зарегистрирован: 12 фев 2009, 04:00
Сообщения: 7539
Тем: 100
Откуда: Хабаровск
Блог: Посмотреть блог (6)
Машина: Toyota Vista Ardeo
О машине: серебристая с ресничками
Репутация: 1791
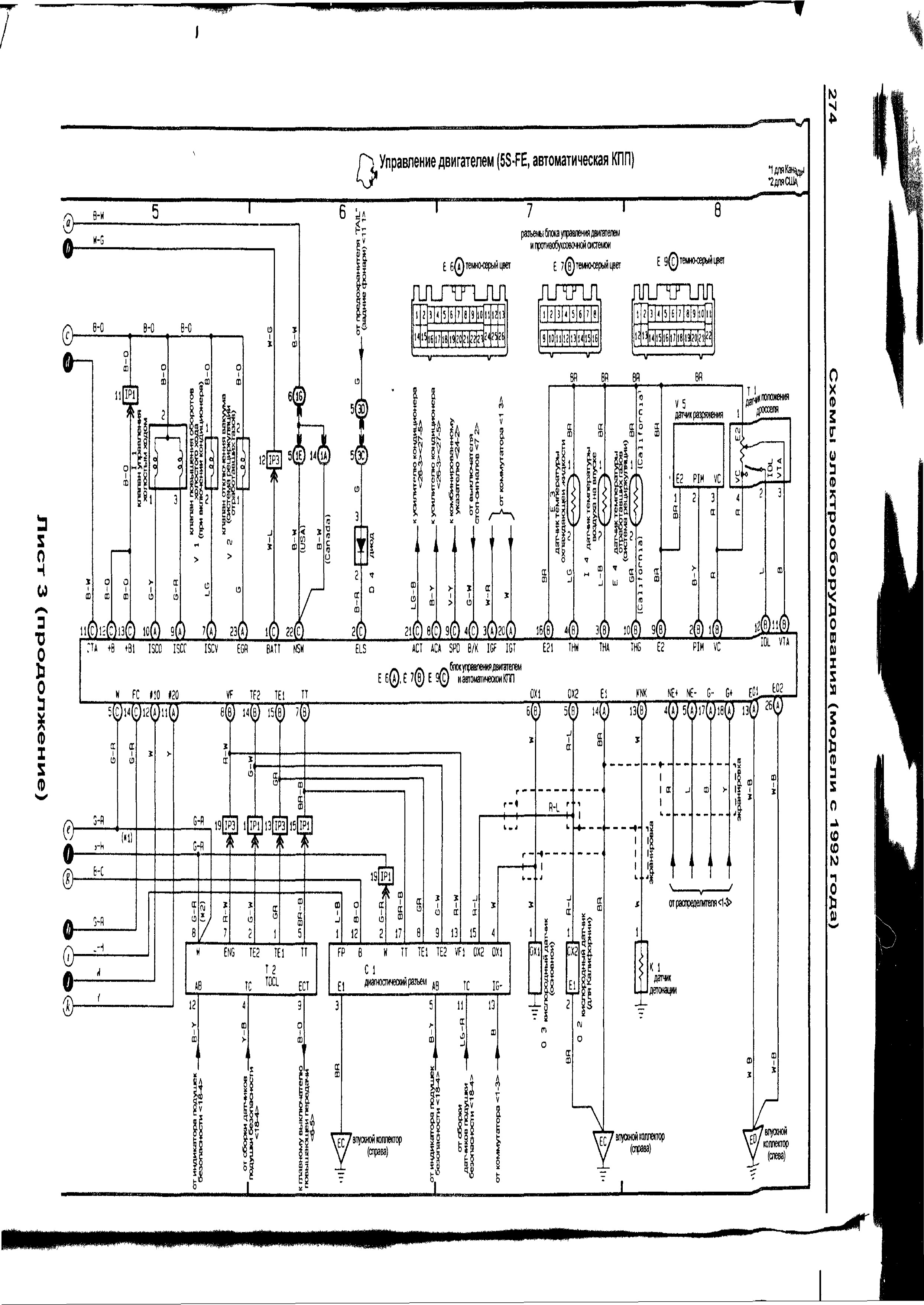
лямбда пол беды, а ДД надо включить. По схеме оба провода белые....но с разных фишек приходят и на ДД провод в экране.

Схема на 5S, но пусть вас это не смущает...подключение ДД похожее с 3S до 92г...


Вложения:
Эл.Схема3S-5S.jpg
Эл.Схема3S-5S.jpg [ 1.15 МБ | Просмотров: 14509 ]

_________________
--------------------------------------------------
トヨタ ビスタアルデオ / VISTA ARDEO SV55G - BWSGK 4.2000, N200G, 3S-FE, 4WD, navi, ...
--------------------------------------------------
Вернуться к началу
 Профиль  
Ответить на тему 

Показать сообщения за:  Поле сортировки  
Начать новую тему Ответить на тему

 [ Сообщений: 58 ]  На страницу 1, 2, 3, 4  След.





* Поиск по сайту Вверх Вниз

Кто сейчас на конференции

Сейчас этот форум просматривают: нет зарегистрированных пользователей и гости: 1


Вы не можете начинать темы
Вы не можете отвечать на сообщения
Вы не можете редактировать свои сообщения
Вы не можете удалять свои сообщения
Вы не можете добавлять вложения

Найти:
Перейти:  
cron
Текущее время: 20 дек 2025, 21:20
Часовой пояс: UTC + 7 часов
Powered by phpbb. (c) VistaClub.ru.    * Статистика