* Поиск по сайту Вверх Вниз



Начать новую тему Ответить на тему  [ Сообщений: 7 ] 
Автор Сообщение
 Заголовок сообщения: Коротнул плюс на массу. Помогите найти пред на 100 А!!!
СообщениеДобавлено: 21 дек 2009, 10:08 
Не в сети
Начинающий
Начинающий
Аватара пользователя

Зарегистрирован: 28 окт 2009, 04:00
Сообщения: 2
Тем: 1
Репутация: 0
Рекламные ссылки. Показывается только незарегистрированным пользователям


Во время "прикуривания" проводами от моей заведенной Ардео (1999 г.) зажим на плюсовой клемме моего аккумулятора случайно коснулся "массы" (скоба крепления аккум.). Проскочила искра, двигатель немедленно заглох. Заводиться перестала. При этом вся электрика работает, стартер крутит исправно, но нет даже намеков на "схватывание". Предохранители в обоих блоках все целые. На сайте нашел схожие проблемы, не могу найти силовой предохранитель на 100 А, пожалуйста, подскажите, где он расположен? Стоят морозы, на диагностику тащить очень проблемно.


Вернуться к началу
 Профиль  
Ответить на тему 

 Заголовок сообщения: Re: Коротнул плюс на массу. Помогите найти пред на 100 А!!!
СообщениеДобавлено: 21 дек 2009, 21:51 
Не в сети
Гуру
Гуру
Аватара пользователя

Зарегистрирован: 08 авг 2007, 03:00
Сообщения: 1169
Тем: 42
Откуда: Хабаровск
Репутация: 86
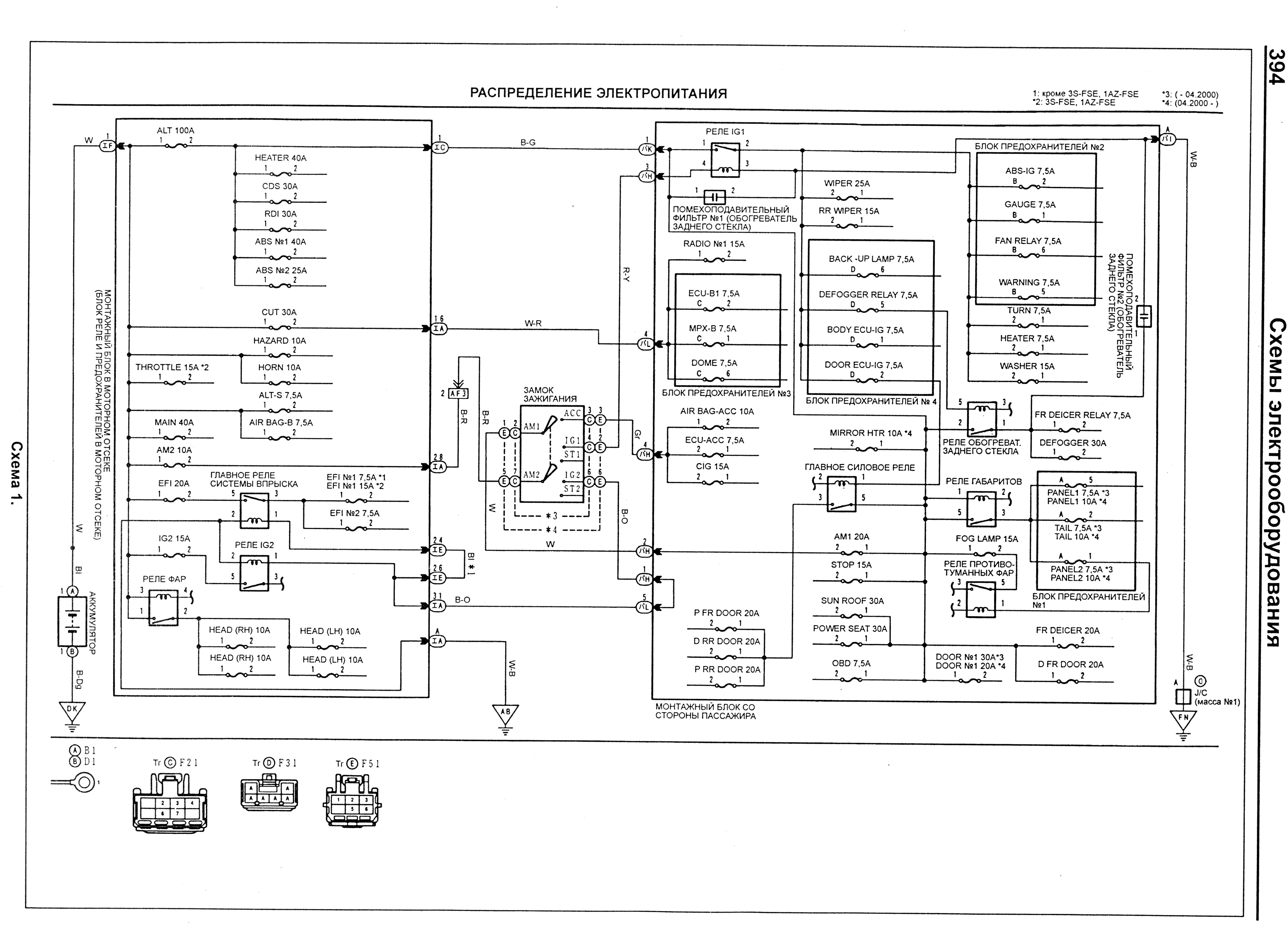
sib_mike писал(а):
Во время "прикуривания" проводами от моей заведенной Ардео (1999 г.) зажим на плюсовой клемме моего аккумулятора случайно коснулся "массы" (скоба крепления аккум.). Проскочила искра, двигатель немедленно заглох. Заводиться перестала. При этом вся электрика работает, стартер крутит исправно, но нет даже намеков на "схватывание". Предохранители в обоих блоках все целые. На сайте нашел схожие проблемы, не могу найти силовой предохранитель на 100 А, пожалуйста, подскажите, где он расположен? Стоят морозы, на диагностику тащить очень проблемно.

Открываешь капот. Открываешь чорную коробочку с предохранителями. Вот там он. ALT называется. Померь на нем напругу. Вытащи его и воткни тестер в гнездо.
Еще могли погореть THROTTLE, MAIN и все. по схеме...


Вложения:
Image-02.gif
Image-02.gif [ 430.82 КБ | Просмотров: 1048 ]
fuse.JPG
fuse.JPG [ 252.92 КБ | Просмотров: 1068 ]

_________________
А связь у меня никогда не обpыва¬%Я(¦P^1AZFSE NO CARRIER
Вернуться к началу
 Профиль  
Ответить на тему 
 Заголовок сообщения:
СообщениеДобавлено: 22 дек 2009, 10:16 
Не в сети
Начинающий
Начинающий
Аватара пользователя

Зарегистрирован: 28 окт 2009, 04:00
Сообщения: 2
Тем: 1
Репутация: 0
ham, спасибо! Будем искать.


Вернуться к началу
 Профиль  
Ответить на тему 
 Заголовок сообщения:
СообщениеДобавлено: 15 янв 2010, 18:09 
Не в сети
Любитель
Любитель
Аватара пользователя

Зарегистрирован: 11 авг 2009, 03:00
Сообщения: 57
Тем: 6
Репутация: 35
Кто-нибудь пробовал вытащить этот предохранитель??
Я запарился, изломал весь корпус , но сама железяка даже не шевелится!! 8O

_________________
Corona 2001 3S-FSE.


Вернуться к началу
 Профиль  
Ответить на тему 
 Заголовок сообщения:
СообщениеДобавлено: 15 янв 2010, 20:17 
Не в сети
Профи
Профи
Аватара пользователя

Зарегистрирован: 30 мар 2008, 04:00
Сообщения: 565
Тем: 7
Откуда: Копейск
Машина: Toyota Vista Ardeo
О машине: SV-50 3S-FSE WHITE 1998
Репутация: 219
Че там фиксаторов не видно чтоли никаких? Я сам еще ен лазил туда


Вернуться к началу
 Профиль  
Ответить на тему 
 Заголовок сообщения:
СообщениеДобавлено: 20 фев 2010, 19:37 
Не в сети
Начинающий
Начинающий
Аватара пользователя

Зарегистрирован: 05 окт 2009, 03:00
Сообщения: 11
Тем: 1
Откуда: Киров
Репутация: 0
Я менял, там на 2х винтах он держится, сначала надо открутить, потом снимать, он от Mitsubishi подходит, ток там подогнуть контакты надо. я покупал в Кирове, стоит вроде 240р.

_________________
Моя первая машинка!!! Просто супер!!!!!!!
TOYOTA RULEZZZZZZZZZZ
3S-FSE Sedan BESMH 06.1998


Вернуться к началу
 Профиль  
Ответить на тему 
 Заголовок сообщения:
СообщениеДобавлено: 21 фев 2010, 21:21 
Не в сети
Любитель
Любитель
Аватара пользователя

Зарегистрирован: 13 сен 2008, 03:00
Сообщения: 39
Тем: 8
Откуда: ЕкатеринодарЪ
Репутация: 0
два болтика откручиваешь, и вытаскиваешь. Я пошел в первый попавшийся магазин, показал сгоревший - продавец нашел почти такой же, только для Ниссана. 400 руб стоил.


Вернуться к началу
 Профиль  
Ответить на тему 

Показать сообщения за:  Поле сортировки  
Начать новую тему Ответить на тему

 [ Сообщений: 7 ] 





* Поиск по сайту Вверх Вниз

Кто сейчас на конференции

Сейчас этот форум просматривают: нет зарегистрированных пользователей и гости: 27


Вы не можете начинать темы
Вы не можете отвечать на сообщения
Вы не можете редактировать свои сообщения
Вы не можете удалять свои сообщения
Вы не можете добавлять вложения

Найти:
Перейти:  
Текущее время: 01 май 2026, 14:26
Часовой пояс: UTC + 7 часов
Powered by phpbb. (c) VistaClub.ru.    * Статистика