* Поиск по сайту Вверх Вниз



Начать новую тему Ответить на тему  [ Сообщений: 131 ]  На страницу Пред.  1 ... 5, 6, 7, 8, 9
Автор Сообщение
 Заголовок сообщения: Re: Снятие блокировки ТВ
СообщениеДобавлено: 16 фев 2016, 21:51 
Не в сети
модератор
Аватара пользователя

Зарегистрирован: 27 окт 2008, 04:00
Сообщения: 12731
Тем: 15
Откуда: Вятка
Машина: др. Японка
О машине: Toyota Prius 51
Репутация: 2381
Рекламные ссылки. Показывается только незарегистрированным пользователям


lurchicjo писал(а):
Насколько я знаю, нужно просто обновить навигацию вставить новый диск Е15. На новом загрузчике уже нет блокировки. Но могу ошибаться...
Разве навигация блокируется? Тогда она зачем нужна?

_________________
Vista Ardeo 1999, SV50, D4, Мультик, TV...


Вернуться к началу
 Профиль Отправить email  
Ответить на тему 

 Заголовок сообщения: Re: Снятие блокировки ТВ
СообщениеДобавлено: 17 фев 2016, 20:01 
Не в сети
Начинающий
Начинающий

Зарегистрирован: 13 фев 2016, 21:41
Сообщения: 3
Тем: 1
Откуда: алтайский край
Машина: Toyota Vista
О машине: двигатель 1zz
Репутация: 0
Это я уже видел, но не хочется дорожку резать.

Добавлено спустя 9 минут 11 секунд:
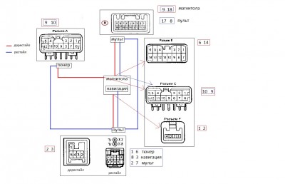
Я думал, что на скорости больше 5 км, на навигацию должен идти сигнал +12, и если найти этот провод и отрезать, то блокировки не будет так как согласно распиновки download/file.php?id=6332&t=1 блокировка скорости идет на навигацию, или я что-то путаю.


Вернуться к началу
 Профиль Отправить email  
Ответить на тему 
 Заголовок сообщения: Re: Снятие блокировки ТВ
СообщениеДобавлено: 17 фев 2016, 23:00 
Не в сети
Гуру
Гуру
Аватара пользователя

Зарегистрирован: 15 май 2014, 22:00
Сообщения: 2182
Тем: 43
Откуда: Красноярск
Блог: Посмотреть блог (2)
Машина: Toyota Vista Ardeo
О машине: SV55.5, 3S-FE, А243F, 4WD ATC+Torsen
Репутация: 3493
Это на до рестайле есть такой провод едет в майфун и именно так и делают ( просто перерезают его), на рестайле все зашито в панель.

_________________
Ardeo PRO version


Вернуться к началу
 Профиль Отправить email  
Ответить на тему 
 Заголовок сообщения: Re: Снятие блокировки ТВ
СообщениеДобавлено: 19 фев 2016, 06:57 
Не в сети
модератор
Аватара пользователя

Зарегистрирован: 27 окт 2008, 04:00
Сообщения: 12731
Тем: 15
Откуда: Вятка
Машина: др. Японка
О машине: Toyota Prius 51
Репутация: 2381
Федя писал(а):
Это я уже видел, но не хочется дорожку резать.

Добавлено спустя 9 минут 11 секунд:
Я думал, что на скорости больше 5 км, на навигацию должен идти сигнал +12, и если найти этот провод и отрезать, то блокировки не будет так как согласно распиновки download/file.php?id=6332&t=1 блокировка скорости идет на навигацию, или я что-то путаю.
Если не верите, то что мешает проверить? И сигнал SPD это не 12В, а импульсный сигнал скорости. А навигация на всех авто в движении работает, как ни странно.

_________________
Vista Ardeo 1999, SV50, D4, Мультик, TV...


Вернуться к началу
 Профиль Отправить email  
Ответить на тему 
 Заголовок сообщения: Re: Снятие блокировки ТВ
СообщениеДобавлено: 20 окт 2019, 09:48 
Не в сети
Начинающий
Начинающий

Зарегистрирован: 28 дек 2016, 10:49
Сообщения: 2
Откуда: новосибирск
Машина: Toyota Vista Ardeo
Репутация: 0
Я могу свою Висту пригнать, Новосибирск 2003 г.в.


Вернуться к началу
 Профиль Отправить email  
Ответить на тему 
 Заголовок сообщения: Re: Снятие блокировки ТВ
СообщениеДобавлено: 28 окт 2019, 00:32 
Не в сети
модератор
Аватара пользователя

Зарегистрирован: 27 окт 2008, 04:00
Сообщения: 12731
Тем: 15
Откуда: Вятка
Машина: др. Японка
О машине: Toyota Prius 51
Репутация: 2381
evgeniy150881 писал(а):
Я могу свою Висту пригнать, Новосибирск 2003 г.в.
Куда и зачем?

_________________
Vista Ardeo 1999, SV50, D4, Мультик, TV...


Вернуться к началу
 Профиль Отправить email  
Ответить на тему 
 Заголовок сообщения: Re: Снятие блокировки ТВ
СообщениеДобавлено: 03 фев 2021, 23:27 
Не в сети
Начинающий
Начинающий

Зарегистрирован: 29 янв 2021, 11:30
Сообщения: 12
Тем: 2
Откуда: Бердск
Машина: Toyota Vista Ardeo
О машине: SV50 2000г.
Репутация: 0
А как сняли блокировку ручьника?


Вернуться к началу
 Профиль Отправить email  
Ответить на тему 
 Заголовок сообщения: Re: Снятие блокировки ТВ
СообщениеДобавлено: 04 фев 2021, 00:41 
Не в сети
Гуру
Гуру
Аватара пользователя

Зарегистрирован: 15 май 2014, 22:00
Сообщения: 2182
Тем: 43
Откуда: Красноярск
Блог: Посмотреть блог (2)
Машина: Toyota Vista Ardeo
О машине: SV55.5, 3S-FE, А243F, 4WD ATC+Torsen
Репутация: 3493
Блокировка Ручника, на сколько я помню, снимается простым замыканием пина ручника на панели на массу! Только особо толку со снятия этой блокировки нет, потому как при движении в 10 км/ч (в том числе и назад) уже включается блокировка на движение! И все, картинка с камеры или другого устройства пропадает.

_________________
Ardeo PRO version


Вернуться к началу
 Профиль Отправить email  
Ответить на тему 
 Заголовок сообщения: Re: Снятие блокировки ТВ
СообщениеДобавлено: 04 фев 2021, 01:16 
Не в сети
Начинающий
Начинающий

Зарегистрирован: 29 янв 2021, 11:30
Сообщения: 12
Тем: 2
Откуда: Бердск
Машина: Toyota Vista Ardeo
О машине: SV50 2000г.
Репутация: 0
Ну да.тогда какой вообще от всего этого толк.я очень много провожу времени именно в поездке чем в режиме стоянки.да и ездим часто с детьми.хотелось бы включил к примеру карусель и пусть себе смотрят.а так,ну если только из-за камеры зх.


Вернуться к началу
 Профиль Отправить email  
Ответить на тему 
 Заголовок сообщения: Re: Снятие блокировки ТВ
СообщениеДобавлено: 04 фев 2021, 13:24 
Не в сети
Гуру
Гуру
Аватара пользователя

Зарегистрирован: 15 май 2014, 22:00
Сообщения: 2182
Тем: 43
Откуда: Красноярск
Блог: Посмотреть блог (2)
Машина: Toyota Vista Ardeo
О машине: SV55.5, 3S-FE, А243F, 4WD ATC+Torsen
Репутация: 3493
напиши ему memberlist.php?mode=viewprofile&u=27568
он делал устройства для рестайла для снятия блокировки на камеру и т.д. продавал по демократичной цене, форумчане брали.
вот здесь можно почитать viewtopic.php?t=1025222

_________________
Ardeo PRO version


Вернуться к началу
 Профиль Отправить email  
Ответить на тему 
 Заголовок сообщения: Re: Снятие блокировки ТВ
СообщениеДобавлено: 05 фев 2021, 18:03 
Не в сети
Специалист
Специалист
Аватара пользователя

Зарегистрирован: 21 апр 2014, 19:07
Сообщения: 445
Откуда: хабаровск
Машина: Toyota Vista Ardeo
О машине: sv55 серебро 4WDкнопка печка ипс
Репутация: 438
Я писал на почту,не ответил , вроде в теме обещал на дорестайл разработать, а так годная тема.


Вернуться к началу
 Профиль Отправить email  
Ответить на тему 

Показать сообщения за:  Поле сортировки  
Начать новую тему Ответить на тему

 [ Сообщений: 131 ]  На страницу Пред.  1 ... 5, 6, 7, 8, 9





* Поиск по сайту Вверх Вниз

Кто сейчас на конференции

Сейчас этот форум просматривают: нет зарегистрированных пользователей и гости: 1


Вы не можете начинать темы
Вы не можете отвечать на сообщения
Вы не можете редактировать свои сообщения
Вы не можете удалять свои сообщения
Вы не можете добавлять вложения

Найти:
Перейти:  
Текущее время: 27 май 2026, 01:14
Часовой пояс: UTC + 7 часов
Powered by phpbb. (c) VistaClub.ru.    * Статистика