* Поиск по сайту Вверх Вниз



Начать новую тему Ответить на тему  [ Сообщений: 15 ] 
Автор Сообщение
 Заголовок сообщения: Зависимость работы электрики для эффективности отопителя
СообщениеДобавлено: 21 фев 2017, 17:57 
Не в сети
Специалист
Специалист
Аватара пользователя

Зарегистрирован: 20 фев 2012, 10:29
Сообщения: 429
Тем: 10
Откуда: 8 923 318 7163 Красноярск
Машина: Toyota Vista Ardeo
О машине: ZZV 50 двиг 1ZZ теперь с ГБО
Репутация: 13
Рекламные ссылки. Показывается только незарегистрированным пользователям


Я пару лет назад менял родной радиатор печки. стало лучше , но ненадолго. те кто менял, тогда сказали , что и старый радиатор тоже вроде был нормальный. Сейчас стоит радиатор от филдера, но тепла почти нет. На машине катаюсь семь лет и вспоминаю первые три года. Температура стояла на первых двух делениях. Скорость тоже стояла на втором делении. Тепла хватало, не жара. но хватало не мерз. Сейчас вентилятор на максимуме, не дует не хрена, температура тоже. Такое впечатление, что не все зависит от крутилок. Я уже , что только не делал и фильтр салона менял и тяги на заслонках смотрел. Я начал задумаваться о электроники потому что иногда на очень непродолжительный период пробивает тепло. тоесть думаю где то что то не работает в электроники. Как проверить блок климатконтроля :?: датчик температуры салона :?: Оно там все зависимо и одно без другого работать не хочет. Даже если стоит не на авто. Может у кого какие мысли есть, только не отправляйте в тему про заслонки и замену радиатора на другое, я все это проштудировал.

_________________
" Если у вас есть время, ходите пешком повсюду"


Вернуться к началу
 Профиль Отправить email  
Ответить на тему 

 Заголовок сообщения: Re: Зависимость работы электрики для эффективности отопителя
СообщениеДобавлено: 21 фев 2017, 18:06 
Не в сети
Суровый Модератор
Аватара пользователя

Зарегистрирован: 18 июл 2011, 16:15
Сообщения: 3138
Тем: 45
Откуда: Новосибирск
Машина: Toyota Vista Ardeo
О машине: SV55
Репутация: 3439
Малыш смотри может заслонки закусывает надо лазить и смотреть датчик температуры салона находится под кнопкой pwr и snow разбери и посмотри может пыль но я бы заморочился и поставил от ипсума что бы точно наверника избавится от годаний что может быть исключить радиатор и потом если не поможет то смотреть заслонки и штудировать всю систему)


Вернуться к началу
 Профиль Отправить email  
Ответить на тему 
 Заголовок сообщения: Re: Зависимость работы электрики для эффективности отопителя
СообщениеДобавлено: 21 фев 2017, 18:08 
Не в сети
Специалист
Специалист
Аватара пользователя

Зарегистрирован: 20 фев 2012, 10:29
Сообщения: 429
Тем: 10
Откуда: 8 923 318 7163 Красноярск
Машина: Toyota Vista Ardeo
О машине: ZZV 50 двиг 1ZZ теперь с ГБО
Репутация: 13
лазил, разбирал, протирал :dash: как было так и осталось. Думаю может его снять и посмотреть что будет :?:может тяму не хватает у меня :D

_________________
" Если у вас есть время, ходите пешком повсюду"


Вернуться к началу
 Профиль Отправить email  
Ответить на тему 
 Заголовок сообщения: Re: Зависимость работы электрики для эффективности отопителя
СообщениеДобавлено: 21 фев 2017, 20:01 
Не в сети
Профи
Профи
Аватара пользователя

Зарегистрирован: 04 сен 2011, 15:49
Сообщения: 650
Тем: 3
Машина: Toyota Vista Ardeo
О машине: SV-50 3S-не D-4
Репутация: 570
По моему, если регулятор выкрутить на MAX HOT(за 32')заслонка жара/холод уезжает в крайнее положение жара и не уходит от туда, какие бы показания различных датчиков не приходили на климат контроль. А перекоса температуры не наблюдается (пассажир/водитель)?


Вернуться к началу
 Профиль  
Ответить на тему 
 Заголовок сообщения: Re: Зависимость работы электрики для эффективности отопителя
СообщениеДобавлено: 21 фев 2017, 20:07 
Не в сети
Специалист
Специалист
Аватара пользователя

Зарегистрирован: 20 фев 2012, 10:29
Сообщения: 429
Тем: 10
Откуда: 8 923 318 7163 Красноярск
Машина: Toyota Vista Ardeo
О машине: ZZV 50 двиг 1ZZ теперь с ГБО
Репутация: 13
перекоса нет, а заслонки как посмотришь :?: те что потоки регулируют хоть как то понять можно, а как понять работает ли корректно заслонка жара холод. может она не до конца открывается в положении тепло. Если так в чем причина - это механика или электроника не дает команду на открытие :?: :?: :?:

_________________
" Если у вас есть время, ходите пешком повсюду"


Вернуться к началу
 Профиль Отправить email  
Ответить на тему 
 Заголовок сообщения: Re: Зависимость работы электрики для эффективности отопителя
СообщениеДобавлено: 21 фев 2017, 20:20 
Не в сети
Суровый Модератор
Аватара пользователя

Зарегистрирован: 18 июл 2011, 16:15
Сообщения: 3138
Тем: 45
Откуда: Новосибирск
Машина: Toyota Vista Ardeo
О машине: SV55
Репутация: 3439
Скорее всего механика потому как в большей части электроника дает команду исполнительным устройствам, исполнительное устройство то двигатель заслонки но она двигает заслонку по пластиковым полозиям где наверника уже грязь))) пыль


Вернуться к началу
 Профиль Отправить email  
Ответить на тему 
 Заголовок сообщения: Re: Зависимость работы электрики для эффективности отопителя
СообщениеДобавлено: 21 фев 2017, 20:24 
Не в сети
Специалист
Специалист
Аватара пользователя

Зарегистрирован: 20 фев 2012, 10:29
Сообщения: 429
Тем: 10
Откуда: 8 923 318 7163 Красноярск
Машина: Toyota Vista Ardeo
О машине: ZZV 50 двиг 1ZZ теперь с ГБО
Репутация: 13
нет. насколько я понимаю речь идет о полозьях регулирующих направления потоков. Где регулировка жара холод, я так и не пойму. Может ее в ручную можно выставить

_________________
" Если у вас есть время, ходите пешком повсюду"


Вернуться к началу
 Профиль Отправить email  
Ответить на тему 
 Заголовок сообщения: Re: Зависимость работы электрики для эффективности отопителя
СообщениеДобавлено: 21 фев 2017, 20:35 
Не в сети
Профи
Профи
Аватара пользователя

Зарегистрирован: 04 сен 2011, 15:49
Сообщения: 650
Тем: 3
Машина: Toyota Vista Ardeo
О машине: SV-50 3S-не D-4
Репутация: 570
Сервопривод "температурной" заслонки за бардачком, если не ошибаюсь. Он двигает только одну заслонку. Можно покрутить регулятор и понаблюдать за перемещением. Вручную наверное можно, но для начала привод нужно будет снять.


Вернуться к началу
 Профиль  
Ответить на тему 
 Заголовок сообщения: Re: Зависимость работы электрики для эффективности отопителя
СообщениеДобавлено: 21 фев 2017, 20:37 
Не в сети
Специалист
Специалист
Аватара пользователя

Зарегистрирован: 20 фев 2012, 10:29
Сообщения: 429
Тем: 10
Откуда: 8 923 318 7163 Красноярск
Машина: Toyota Vista Ardeo
О машине: ZZV 50 двиг 1ZZ теперь с ГБО
Репутация: 13
спасибо :smile: попробую глянуть. только с той стороны кондишен. Попробую. может фотки есть :?: :?: :?: :?:

_________________
" Если у вас есть время, ходите пешком повсюду"


Вернуться к началу
 Профиль Отправить email  
Ответить на тему 
 Заголовок сообщения: Re: Зависимость работы электрики для эффективности отопителя
СообщениеДобавлено: 21 фев 2017, 20:57 
Не в сети
Профи
Профи
Аватара пользователя

Зарегистрирован: 04 сен 2011, 15:49
Сообщения: 650
Тем: 3
Машина: Toyota Vista Ardeo
О машине: SV-50 3S-не D-4
Репутация: 570
Да, верно, привод с другой стороны стоит. Их на корпусе два всего, один направление потоков переключает, второй (который ниже) температуру регулирует.


Вернуться к началу
 Профиль  
Ответить на тему 
 Заголовок сообщения: Re: Зависимость работы электрики для эффективности отопителя
СообщениеДобавлено: 21 фев 2017, 21:34 
Не в сети
Гуру
Гуру

Зарегистрирован: 02 дек 2009, 04:00
Сообщения: 1389
Тем: 16
Откуда: Красноярск
Машина: др. Японка
О машине: Ipsum 2001г. SXM10, 3s-fe, 7 мест
Репутация: 350
а я чето думаю ОЖ надо бы сменить!
и как ведет себя печка горячий воздух идет но слабый поток? или сильный поток, но холодный воздух?
еще вариант снять сервопривод с заслонки регулирующей тепло/холод и вручную зафиксировать в "горячем" положении, и поездить

_________________
Toyota Vista, 1998, 1ZZ-FE (Shell Helix Ultra 0W30), АКПП (U240E), литье в порошке, табло с тахометром,

Машины меняются, друзья и форум остаются...


Вернуться к началу
 Профиль Отправить email  
Ответить на тему 
 Заголовок сообщения: Re: Зависимость работы электрики для эффективности отопителя
СообщениеДобавлено: 23 фев 2017, 18:54 
Не в сети
Специалист
Специалист
Аватара пользователя

Зарегистрирован: 20 фев 2012, 10:29
Сообщения: 429
Тем: 10
Откуда: 8 923 318 7163 Красноярск
Машина: Toyota Vista Ardeo
О машине: ZZV 50 двиг 1ZZ теперь с ГБО
Репутация: 13
Где чего крутить?


Вложения:
печка оо.gif
печка оо.gif [ 50.49 КБ | Просмотров: 9505 ]
печка о - копия.jpg
печка о - копия.jpg [ 197.18 КБ | Просмотров: 9505 ]

_________________
" Если у вас есть время, ходите пешком повсюду"
Вернуться к началу
 Профиль Отправить email  
Ответить на тему 
 Заголовок сообщения: Re: Зависимость работы электрики для эффективности отопителя
СообщениеДобавлено: 23 фев 2017, 19:24 
Не в сети
Профи
Профи
Аватара пользователя

Зарегистрирован: 04 сен 2011, 15:49
Сообщения: 650
Тем: 3
Машина: Toyota Vista Ardeo
О машине: SV-50 3S-не D-4
Репутация: 570
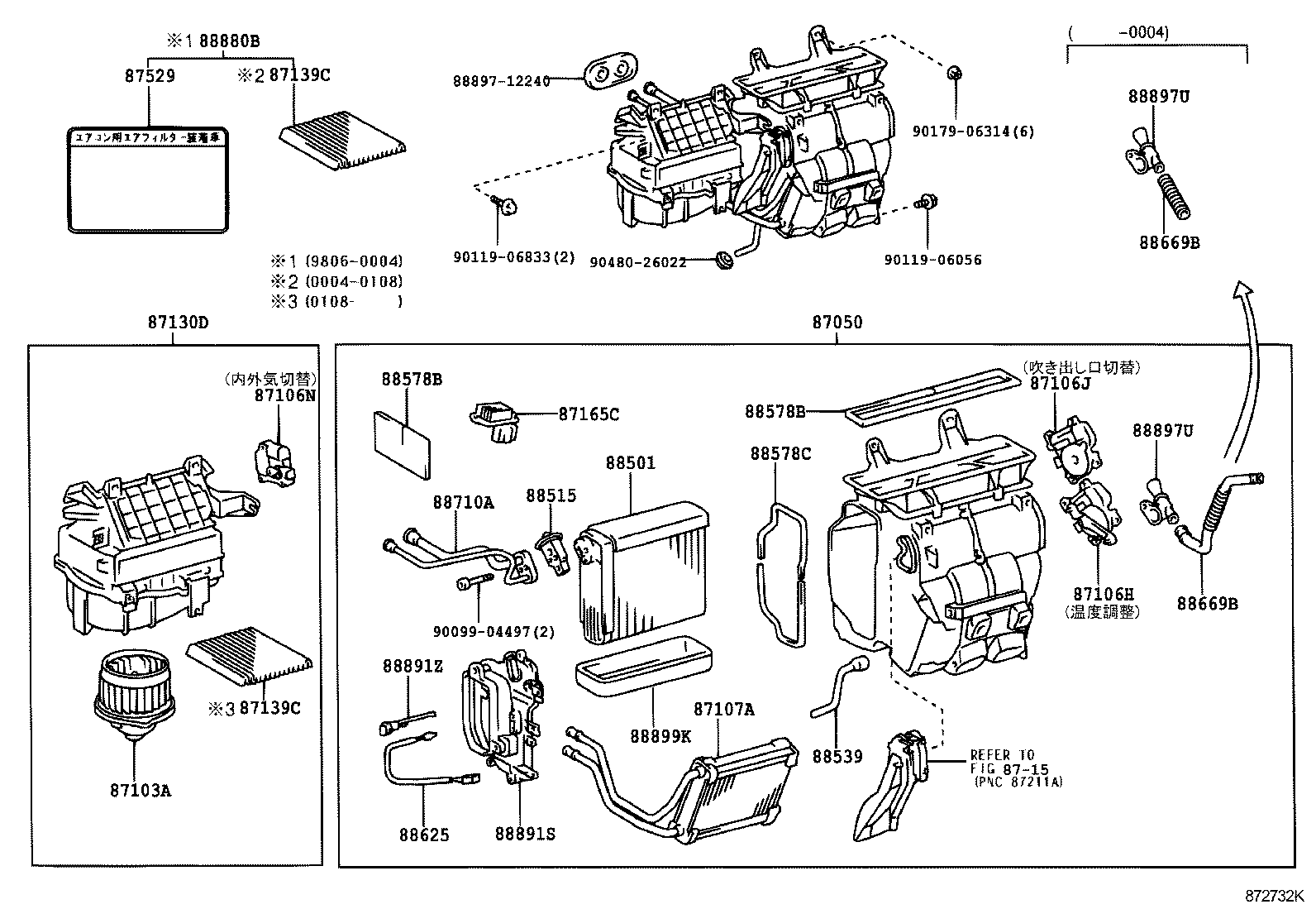
87106H на схеме, это сервопривод заслонки холод/жара.


Вернуться к началу
 Профиль  
Ответить на тему 
 Заголовок сообщения: Re: Зависимость работы электрики для эффективности отопителя
СообщениеДобавлено: 23 фев 2017, 19:28 
Не в сети
Специалист
Специалист
Аватара пользователя

Зарегистрирован: 20 фев 2012, 10:29
Сообщения: 429
Тем: 10
Откуда: 8 923 318 7163 Красноярск
Машина: Toyota Vista Ardeo
О машине: ZZV 50 двиг 1ZZ теперь с ГБО
Репутация: 13
А это разве не нижний мотор на заслонки :?:Народ же говорит за бардачком, я поэтому и прошу показать. 27106 с другой стороны, где гребенка

_________________
" Если у вас есть время, ходите пешком повсюду"


Вернуться к началу
 Профиль Отправить email  
Ответить на тему 
 Заголовок сообщения: Re: Зависимость работы электрики для эффективности отопителя
СообщениеДобавлено: 23 фев 2017, 19:54 
Не в сети
Гуру
Гуру

Зарегистрирован: 02 дек 2009, 04:00
Сообщения: 1389
Тем: 16
Откуда: Красноярск
Машина: др. Японка
О машине: Ipsum 2001г. SXM10, 3s-fe, 7 мест
Репутация: 350
Дмитрий1983 писал(а):
87106H на схеме, это сервопривод заслонки холод/жара.

правильно товарищ говорит, вот это сервопривод и отвечает за жара-холод заслонку, со стороны бордачка только один сервопривод это забор воздуха улица/салон (2 раза снимал печку - знаю :smile: )

_________________
Toyota Vista, 1998, 1ZZ-FE (Shell Helix Ultra 0W30), АКПП (U240E), литье в порошке, табло с тахометром,

Машины меняются, друзья и форум остаются...


Вернуться к началу
 Профиль Отправить email  
Ответить на тему 

Показать сообщения за:  Поле сортировки  
Начать новую тему Ответить на тему

 [ Сообщений: 15 ] 





* Поиск по сайту Вверх Вниз

Кто сейчас на конференции

Сейчас этот форум просматривают: нет зарегистрированных пользователей и гости: 0


Вы не можете начинать темы
Вы не можете отвечать на сообщения
Вы не можете редактировать свои сообщения
Вы не можете удалять свои сообщения
Вы не можете добавлять вложения

Найти:
Перейти:  
Текущее время: 11 май 2026, 09:46
Часовой пояс: UTC + 7 часов
Powered by phpbb. (c) VistaClub.ru.    * Статистика