* Поиск по сайту Вверх Вниз



Начать новую тему Ответить на тему  [ Сообщений: 26 ]  На страницу Пред.  1, 2
Автор Сообщение
 Заголовок сообщения: Re: ДВорники а именно Гитара и схема
СообщениеДобавлено: 22 июн 2016, 20:16 
Не в сети
Профи
Профи
Аватара пользователя

Зарегистрирован: 04 сен 2011, 15:49
Сообщения: 650
Тем: 3
Машина: Toyota Vista Ardeo
О машине: SV-50 3S-не D-4
Репутация: 570
Рекламные ссылки. Показывается только незарегистрированным пользователям


А можно фото этой платы? Обычно дорожки просто так не горят, хоть примерно понять причину.


Вернуться к началу
 Профиль  
Ответить на тему 

 Заголовок сообщения: Re: ДВорники а именно Гитара и схема
СообщениеДобавлено: 23 июн 2016, 02:58 
Не в сети
Любитель
Любитель

Зарегистрирован: 03 авг 2015, 20:37
Сообщения: 23
Тем: 3
Откуда: Белгород
Машина: Toyota Vista
О машине: sv32
Репутация: 0
хорошо,завтра сфоткаю,сгорела они зимой ,когда я включил дворники ,а на стекле лежал плотный слой снега,который дворники не смогли сдвинуть ,потом сразу появилось вонь в салоне ядреная ..дворники стали работать в одном режиме.. я сразу подумал на моторчик,на нем были обгорелые контакты,ну я его заменил и ситуация не поменялась ..стал искать дальше..разобрал гитару ,где на плате увидел обгорелую полоску ,длинной где то в 1см

Добавлено спустя 20 часов 20 минут 34 секунды:
Вот фото.там даже верхняя крышка закрывающая плату пригорела)


Вложения:
IMAG0303.jpg
IMAG0303.jpg [ 640.4 КБ | Просмотров: 1416 ]
IMAG0300.jpg
IMAG0300.jpg [ 572.21 КБ | Просмотров: 1416 ]
IMAG0302.jpg
IMAG0302.jpg [ 815.48 КБ | Просмотров: 1416 ]
IMAG0301.jpg
IMAG0301.jpg [ 731.79 КБ | Просмотров: 1416 ]
Вернуться к началу
 Профиль Отправить email  
Ответить на тему 
 Заголовок сообщения: Re: ДВорники а именно Гитара и схема
СообщениеДобавлено: 24 июн 2016, 10:22 
Не в сети
Профи
Профи
Аватара пользователя

Зарегистрирован: 04 сен 2011, 15:49
Сообщения: 650
Тем: 3
Машина: Toyota Vista Ardeo
О машине: SV-50 3S-не D-4
Репутация: 570
Да, поджарилась не слабо конечно, дорожки на реле идут. Думаю надо подгоревшие дороги убрать с платы, а вместо них впаять перемычки из провода. Шанс что будет работать есть.


Вернуться к началу
 Профиль  
Ответить на тему 
 Заголовок сообщения: Re: ДВорники а именно Гитара и схема
СообщениеДобавлено: 24 июн 2016, 12:20 
Не в сети
Любитель
Любитель

Зарегистрирован: 03 авг 2015, 20:37
Сообщения: 23
Тем: 3
Откуда: Белгород
Машина: Toyota Vista
О машине: sv32
Репутация: 0
понял .спасибо !Завтра отдам товарищу ,будет смотреть ,прозванивать че к чему там)


Вернуться к началу
 Профиль Отправить email  
Ответить на тему 
 Заголовок сообщения: Re: ДВорники а именно Гитара и схема
СообщениеДобавлено: 25 июн 2016, 15:48 
Не в сети
Профи
Профи
Аватара пользователя

Зарегистрирован: 04 сен 2011, 15:49
Сообщения: 650
Тем: 3
Машина: Toyota Vista Ardeo
О машине: SV-50 3S-не D-4
Репутация: 570
Интересен итог, что делали и что получилось.


Вернуться к началу
 Профиль  
Ответить на тему 
 Заголовок сообщения: Re: ДВорники а именно Гитара и схема
СообщениеДобавлено: 26 июн 2016, 00:10 
Не в сети
Любитель
Любитель

Зарегистрирован: 03 авг 2015, 20:37
Сообщения: 23
Тем: 3
Откуда: Белгород
Машина: Toyota Vista
О машине: sv32
Репутация: 0
Здравствуйте!Плату мне пропаяли,прозвонил все доступные контакты,сказал что всё в порядке,но вот результата никакого не дало...проблема не изменилась не в какую сторону(теперь уже незнаю куда искать еще..единственный еще момент щас заметил что при включении слышен не понятный щелчек под панелью где то по середине,во время включения дворников..толи на улице,толи в салоне..не понятно..где то между


Вложения:
IMAG0305.jpg
IMAG0305.jpg [ 799.01 КБ | Просмотров: 1391 ]
IMAG0304.jpg
IMAG0304.jpg [ 763.44 КБ | Просмотров: 1391 ]
Вернуться к началу
 Профиль Отправить email  
Ответить на тему 
 Заголовок сообщения: Re: ДВорники а именно Гитара и схема
СообщениеДобавлено: 26 июн 2016, 00:50 
Не в сети
Профи
Профи
Аватара пользователя

Зарегистрирован: 04 сен 2011, 15:49
Сообщения: 650
Тем: 3
Машина: Toyota Vista Ardeo
О машине: SV-50 3S-не D-4
Репутация: 570
Не помешало бы проверить само реле, то что на плате. Возможно подгорели его контакты.


Вложения:
Схема реле.png
Схема реле.png [ 50.69 КБ | Просмотров: 1390 ]
Вернуться к началу
 Профиль  
Ответить на тему 
 Заголовок сообщения: Re: ДВорники а именно Гитара и схема
СообщениеДобавлено: 26 июн 2016, 03:15 
Не в сети
Любитель
Любитель

Зарегистрирован: 03 авг 2015, 20:37
Сообщения: 23
Тем: 3
Откуда: Белгород
Машина: Toyota Vista
О машине: sv32
Репутация: 0
А что еще может послужить причиной поломки ?есть еще какие то реле управления дворников под панелью?вообще хотелось бы понять весь принцип работы дворников или посмотреть схему сего ...


Вернуться к началу
 Профиль Отправить email  
Ответить на тему 
 Заголовок сообщения: Re: ДВорники а именно Гитара и схема
СообщениеДобавлено: 26 июн 2016, 09:36 
Не в сети
Профи
Профи
Аватара пользователя

Зарегистрирован: 04 сен 2011, 15:49
Сообщения: 650
Тем: 3
Машина: Toyota Vista Ardeo
О машине: SV-50 3S-не D-4
Репутация: 570
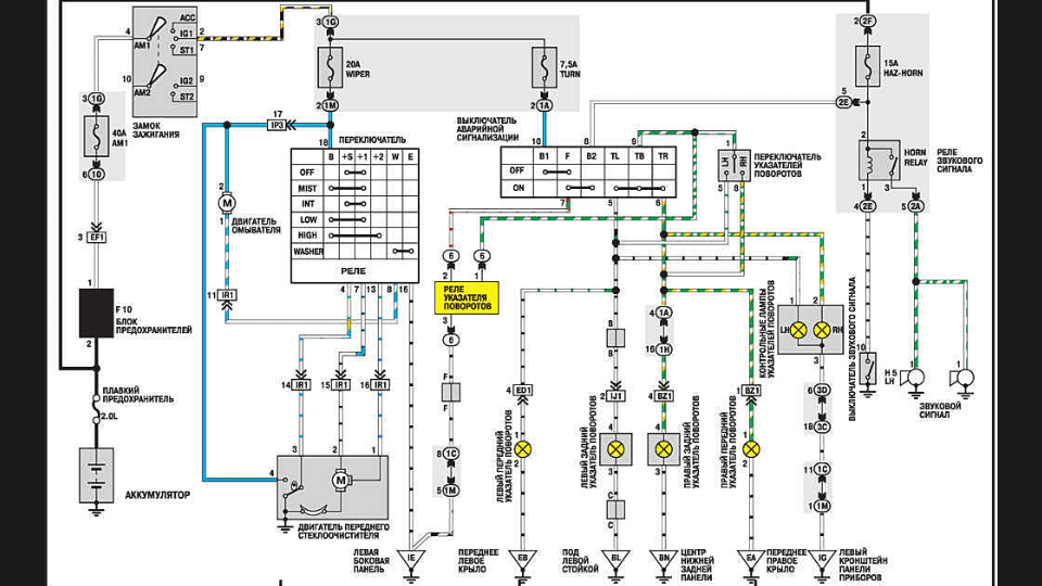
На схеме указано только одно реле и стоит оно в переключателе. Но есть ещё интересный зимний режим дворников, ( viewtopic.php?t=1015745&start=135 ) там стоит либо реле либо перемычка, возможно проблема в этом. Нужно все же знать, исправное реле в переключателе или нет, это важный элемент. Ну и обрыв провода исключать нельзя.


Вложения:
Очиститель sv-30.png
Очиститель sv-30.png [ 321.91 КБ | Просмотров: 1382 ]
Вернуться к началу
 Профиль  
Ответить на тему 
 Заголовок сообщения: Re: ДВорники а именно Гитара и схема
СообщениеДобавлено: 12 окт 2016, 17:20 
Не в сети
Начинающий
Начинающий

Зарегистрирован: 25 ноя 2015, 16:18
Сообщения: 10
Тем: 3
Откуда: Ростов-на-Дону
Машина: Toyota Vista Ardeo
О машине: sv55
Репутация: 0
Чтобы не начинать новую тему, напишу здесь.
Исчезли режимы работы дворников (медлено, быстро, еще быстрее и т.д.). Остался только режим постоянной работы. Плюс, когда их выключаешь, они останавливаются там, где ты их выключил. Отсюда вопрос - как это лечить? И может ли объяснить, как снять "гитару"?
SV55, 1999 (дорестаил)


Вернуться к началу
 Профиль Отправить email  
Ответить на тему 
 Заголовок сообщения: Re: ДВорники а именно Гитара и схема
СообщениеДобавлено: 12 окт 2016, 22:48 
Не в сети
модератор
Аватара пользователя

Зарегистрирован: 27 окт 2008, 04:00
Сообщения: 12728
Тем: 15
Откуда: Вятка
Машина: др. Японка
О машине: Toyota Prius 51
Репутация: 2381
Что значит остался только режим постоянной работы? На каком режиме?

_________________
Vista Ardeo 1999, SV50, D4, Мультик, TV...


Вернуться к началу
 Профиль Отправить email  
Ответить на тему 

Показать сообщения за:  Поле сортировки  
Начать новую тему Ответить на тему

 [ Сообщений: 26 ]  На страницу Пред.  1, 2





* Поиск по сайту Вверх Вниз

Кто сейчас на конференции

Сейчас этот форум просматривают: нет зарегистрированных пользователей и гости: 13


Вы не можете начинать темы
Вы не можете отвечать на сообщения
Вы не можете редактировать свои сообщения
Вы не можете удалять свои сообщения
Вы не можете добавлять вложения

Найти:
Перейти:  
Текущее время: 02 май 2026, 02:13
Часовой пояс: UTC + 7 часов
Powered by phpbb. (c) VistaClub.ru.    * Статистика