* Поиск по сайту Вверх Вниз



Начать новую тему Ответить на тему  [ Сообщений: 29 ]  На страницу Пред.  1, 2
Автор Сообщение
 Заголовок сообщения: Re: Блок управления стекло подъемниками
СообщениеДобавлено: 04 мар 2012, 07:21 
Не в сети
Любитель
Любитель
Аватара пользователя

Зарегистрирован: 04 апр 2011, 13:24
Сообщения: 21
Тем: 6
Машина: Toyota Vista
О машине: 1993г. SV30. 4S
Репутация: 0
Рекламные ссылки. Показывается только незарегистрированным пользователям


Еще раз поднимаю эту тему.
Проводку в двери проверил, было порвано 2 провода. Их сразу заменили.Блок все равно не работает.
В чем еще может быть проблема? есть у кого нибудь схема цепи?

_________________
SV30


Вернуться к началу
 Профиль Отправить email  
Ответить на тему 

 Заголовок сообщения: Re: Блок управления стекло подъемниками
СообщениеДобавлено: 30 апр 2012, 22:17 
Не в сети
Любитель
Любитель
Аватара пользователя

Зарегистрирован: 09 мар 2012, 19:34
Сообщения: 95
Тем: 5
Машина: Toyota Vista
О машине: 3s-fe, sv35, 4wd
Репутация: 0
всем привет. тоже имею проблему со стеклоподъемниками.
ситуация такая - с главного блока можно:
-открыть / закрыть водительское стекло
-открыть/закрыть заднее левое стекло
-закрыть переднее пассажирское. в любой момент времени оно может исправно начать работать и на открытие.
-заднее правое вообще не реагирует.
задние стекла со своих кнопок работают как положено. переднее левое со своей кнопки только закрывается.
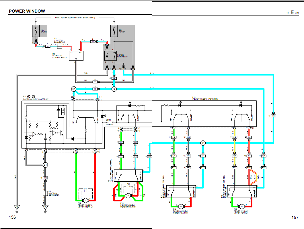
собственно какой помощи прошу, напишите что куда по цветам или сфотографируйте фишку блока управления стеклоподъемниками, у меня там твориться хрен пойми че, видно что саму фишку разбирали не раз, один провод просто в воздухе болтается, фишка сама оплавленая. сравнивал подключение со схемой - не сходится подключение зеленых и красных проводов, либо схема не подходит либо уже по перепутали все провода.
схемку стеклоподъемников тоже прилагаю. она может немного отличаться в силу своей леворукости

Добавлено спустя 12 часов 46 минут 53 секунды:
пристольно смотря на схему был понят принцип ее работы и возможные неисправности. передний левый не работал на открывание из-за оплавившегося пластикового толкателя в блоке управления.
полная неработоспособность правого заднего кроется гдето в проводке. красно-черный и зелено-черный провода между собой в КЗ, в каком именно месте пока не разобрался, погоды нет, холодно и сыро ;(


Вложения:
Комментарий к файлу: стеклоподъемники Camry 1994
Снимок1.PNG
Снимок1.PNG [ 83.69 КБ | Просмотров: 6041 ]
Вернуться к началу
 Профиль  
Ответить на тему 
 Заголовок сообщения: Re: Блок управления стеклоподъемниками SV30
СообщениеДобавлено: 12 янв 2014, 21:34 
Не в сети
Начинающий
Начинающий

Зарегистрирован: 12 янв 2014, 21:20
Сообщения: 3
Тем: 1
Откуда: Moskva
Машина: Toyota Vista
О машине: Кузов Sv32. Двигатель 3s.
Репутация: 0
Здравствуйте. Такая беда- вскрыли машину, украли блок стекол , но фишку не отсоединили, а тупо срезали. Чтоб поставить новый блок- нужна распиновка, может есть у кого? Все облазил, нигде не нашел(( или может кто сфоткает фишку, которая в блок входит, чтоб было видно, где какого цвета провод?
И такая же беда с блоком климата, там еще справа какой-то шланг непонятный- Это антифризный патрубок?
Заранее спасибо!


Вернуться к началу
 Профиль Отправить email  
Ответить на тему 
 Заголовок сообщения: Re: Блок управления стеклоподъемниками SV30
СообщениеДобавлено: 13 янв 2014, 01:43 
Не в сети
модератор
Аватара пользователя

Зарегистрирован: 27 окт 2008, 04:00
Сообщения: 12728
Тем: 15
Откуда: Вятка
Машина: др. Японка
О машине: Toyota Prius 51
Репутация: 2381
Так блок с разборки ищите с фишкой, а там должно быть цвет в цвет. Шланг с датчика температуры воздуха в салоне.

_________________
Vista Ardeo 1999, SV50, D4, Мультик, TV...


Вернуться к началу
 Профиль Отправить email  
Ответить на тему 
 Заголовок сообщения: Re: Блок управления стеклоподъемниками SV30
СообщениеДобавлено: 13 янв 2014, 04:51 
Не в сети
Начинающий
Начинающий

Зарегистрирован: 12 янв 2014, 21:20
Сообщения: 3
Тем: 1
Откуда: Moskva
Машина: Toyota Vista
О машине: Кузов Sv32. Двигатель 3s.
Репутация: 0
Было бы так все просто, так и сделал бы. Но увы после обзвона и объездов всех разборов блока с фишкой не нашлось... Пришлось брать предложенный блок без фишки.


Вернуться к началу
 Профиль Отправить email  
Ответить на тему 
 Заголовок сообщения: Помогите!!!!
СообщениеДобавлено: 11 ноя 2014, 19:45 
Не в сети
Начинающий
Начинающий

Зарегистрирован: 11 ноя 2014, 19:36
Сообщения: 4
Откуда: новокузнецк
Машина: Toyota Vista
О машине: SV30
Репутация: 0
Доброго всем времени суток...прошу у всех помощи разобраться с проблемой!!у меня VISTA SV30 91г.в Проблема такая:Сегодня с утра завел машину с ключа и вытащил его т.к замок уже старый,и не фиксирует ключ..закрыл машину ключем и ушел минут на 10....Когда я вернулся то обнаружил что на машине открыто заднее правое окно....открыл ее,и в этот момент открылась только водительская дверь,остальные остались закрыты..Когда я начал закрывать окно,реакции ноль..Т.е у меня каким то образом перестал работать блок управления стеклоподьёмниками,и закрывания дверей..Подскажите куда копать? раньше ничего подобного не случалось :(


Вернуться к началу
 Профиль Отправить email  
Ответить на тему 
СообщениеСообщение было удалено | удалил: Vyatich | 12 ноя 2014, 13:59.
Причина: оффтоп
 Заголовок сообщения: Re: Помогите!!!!
СообщениеДобавлено: 11 ноя 2014, 20:34 
Не в сети
Начинающий
Начинающий

Зарегистрирован: 11 ноя 2014, 19:36
Сообщения: 4
Откуда: новокузнецк
Машина: Toyota Vista
О машине: SV30
Репутация: 0
да машина вообще без проблемная....она в семье с 97 года...это первая серьёзная поломка


Вернуться к началу
 Профиль Отправить email  
Ответить на тему 
 Заголовок сообщения: Re: Помогите!!!!
СообщениеДобавлено: 11 ноя 2014, 20:43 
Не в сети
Профи
Профи
Аватара пользователя

Зарегистрирован: 25 май 2012, 06:40
Сообщения: 756
Тем: 58
Откуда: р-ка Хакасия, Абакан
Блог: Посмотреть блог (12)
Машина: Toyota Vista Ardeo
О машине: Абаканец, универсал, 1zz, 99 г.в.
Репутация: 307
А с пассажирской стороны работает кнопка?

_________________
1ZZ-FE, мультивижн, диван, ласточка моя
Изображение
Voir Paris et mourir!


Вернуться к началу
 Профиль Отправить email  
Ответить на тему 
 Заголовок сообщения: Re: Помогите!!!!
СообщениеДобавлено: 11 ноя 2014, 20:48 
Не в сети
Начинающий
Начинающий

Зарегистрирован: 11 ноя 2014, 19:36
Сообщения: 4
Откуда: новокузнецк
Машина: Toyota Vista
О машине: SV30
Репутация: 0
Вообще не работает не одна кнопка не на одной двери.... :suicide:


Вернуться к началу
 Профиль Отправить email  
Ответить на тему 
 Заголовок сообщения: Re: Помогите!!!!
СообщениеДобавлено: 11 ноя 2014, 23:50 
Не в сети
Убер
Аватара пользователя

Зарегистрирован: 06 янв 2013, 16:45
Сообщения: 1225
Тем: 41
Откуда: Novosib
Машина: Toyota Vista
О машине: sv33
Репутация: 642
может прелохранители проверить? или отжать кнопку лок виндов?)


Вернуться к началу
 Профиль Отправить email  
Ответить на тему 
 Заголовок сообщения: Re: Помогите!!!!
СообщениеДобавлено: 12 ноя 2014, 08:49 
Не в сети
Начинающий
Начинающий

Зарегистрирован: 11 ноя 2014, 19:36
Сообщения: 4
Откуда: новокузнецк
Машина: Toyota Vista
О машине: SV30
Репутация: 0
Спасибо за совет конечно,но это все не то


Вернуться к началу
 Профиль Отправить email  
Ответить на тему 
 Заголовок сообщения: Re: Помогите!!!!
СообщениеДобавлено: 12 ноя 2014, 09:19 
Не в сети
Гуру
Гуру
Аватара пользователя

Зарегистрирован: 05 ноя 2012, 19:56
Сообщения: 1033
Тем: 31
Откуда: Иркутская обл.г.Усть-Илимск
Машина: Toyota Vista Ardeo
О машине: 3S-FSE 2001г.
Репутация: 956
По моему дело в замке зажигания. От него питание не идёт.

_________________
Изображение


Вернуться к началу
 Профиль Отправить email  
Ответить на тему 
СообщениеСообщение было удалено | удалил: Vyatich | 12 ноя 2014, 14:00.
Причина: неактуально

Показать сообщения за:  Поле сортировки  
Начать новую тему Ответить на тему

 [ Сообщений: 29 ]  На страницу Пред.  1, 2





* Поиск по сайту Вверх Вниз

Кто сейчас на конференции

Сейчас этот форум просматривают: нет зарегистрированных пользователей и гости: 3


Вы не можете начинать темы
Вы не можете отвечать на сообщения
Вы не можете редактировать свои сообщения
Вы не можете удалять свои сообщения
Вы не можете добавлять вложения

Найти:
Перейти:  
Текущее время: 01 май 2026, 22:00
Часовой пояс: UTC + 7 часов
Powered by phpbb. (c) VistaClub.ru.    * Статистика