* Поиск по сайту Вверх Вниз



Начать новую тему Ответить на тему  [ Сообщений: 15 ] 
Автор Сообщение
 Заголовок сообщения: Замена АКПП на МКПП sv30-40 (2WD)
СообщениеДобавлено: 23 май 2011, 02:29 
Не в сети
Тверской виставод
Аватара пользователя

Зарегистрирован: 07 янв 2011, 20:18
Сообщения: 117
Тем: 15
Откуда: Тверь
Машина: Toyota Vista
О машине: Sv 30 , 4S+таз 2106 турбокорч
Репутация: -2
Рекламные ссылки. Показывается только незарегистрированным пользователям


Ребят,решил поменять автомат на механику, что нужно помино коробки,педалей ,кулисы и сцепы? И еще вопрос, кто может гляньте какие модели МКПП ставились на висту sv30-35 ) заранее спасибо


Вернуться к началу
 Профиль Отправить email  
Ответить на тему 

 Заголовок сообщения: Re: Замена АКПП на МКПП sv30
СообщениеДобавлено: 23 май 2011, 06:45 
Не в сети
местный модератор
Аватара пользователя

Зарегистрирован: 12 фев 2009, 04:00
Сообщения: 7539
Тем: 100
Откуда: Хабаровск
Блог: Посмотреть блог (6)
Машина: Toyota Vista Ardeo
О машине: серебристая с ресничками
Репутация: 1791
вот подобная тема Замена АКПП на МКПП SV35 (4WD)...тока там про v35

_________________
--------------------------------------------------
トヨタ ビスタアルデオ / VISTA ARDEO SV55G - BWSGK 4.2000, N200G, 3S-FE, 4WD, navi, ...
--------------------------------------------------


Вернуться к началу
 Профиль  
Ответить на тему 
 Заголовок сообщения: Re: Замена АКПП на МКПП sv30
СообщениеДобавлено: 23 май 2011, 10:18 
Не в сети
Тверской виставод
Аватара пользователя

Зарегистрирован: 07 янв 2011, 20:18
Сообщения: 117
Тем: 15
Откуда: Тверь
Машина: Toyota Vista
О машине: Sv 30 , 4S+таз 2106 турбокорч
Репутация: -2
pavanik_27 писал(а):
вот подобная ТЕМА...тока про v35

извеняюсь за создание одинаковой темы( честно говорю ,не исказ(сильно не бейте( и все же вопрос остаеться открытым


Вернуться к началу
 Профиль Отправить email  
Ответить на тему 
 Заголовок сообщения: Re: Замена АКПП на МКПП sv30
СообщениеДобавлено: 23 май 2011, 10:26 
Не в сети
местный модератор
Аватара пользователя

Зарегистрирован: 12 фев 2009, 04:00
Сообщения: 7539
Тем: 100
Откуда: Хабаровск
Блог: Посмотреть блог (6)
Машина: Toyota Vista Ardeo
О машине: серебристая с ресничками
Репутация: 1791
развиваем тему, нужная для фака))

немного съужу ваши взгляды....на висты ставились МКПП серии Е (E59F) и S (S50, S51)....тока надо выделить какие на дизель а какие на 3S.

форумчанин Drovolet нам может подсказать, вроде у него дизель на механике.

_________________
--------------------------------------------------
トヨタ ビスタアルデオ / VISTA ARDEO SV55G - BWSGK 4.2000, N200G, 3S-FE, 4WD, navi, ...
--------------------------------------------------


Вернуться к началу
 Профиль  
Ответить на тему 
 Заголовок сообщения: Re: Замена АКПП на МКПП sv30
СообщениеДобавлено: 23 май 2011, 12:07 
Не в сети
Тверской виставод
Аватара пользователя

Зарегистрирован: 07 янв 2011, 20:18
Сообщения: 117
Тем: 15
Откуда: Тверь
Машина: Toyota Vista
О машине: Sv 30 , 4S+таз 2106 турбокорч
Репутация: -2
Еще вобщем есть карина 2 с мотором 3s , помимо коробки (если там то что нужно) кулиса,тяги и тд и тп подойдут?)


Вернуться к началу
 Профиль Отправить email  
Ответить на тему 
 Заголовок сообщения: Re: Замена АКПП на МКПП sv30-40 (2WD)
СообщениеДобавлено: 30 июн 2011, 11:41 
Не в сети
Тверской виставод
Аватара пользователя

Зарегистрирован: 07 янв 2011, 20:18
Сообщения: 117
Тем: 15
Откуда: Тверь
Машина: Toyota Vista
О машине: Sv 30 , 4S+таз 2106 турбокорч
Репутация: -2
Народ,что никто не менял акп на мкп?


Вернуться к началу
 Профиль Отправить email  
Ответить на тему 
 Заголовок сообщения: Re: Замена АКПП на МКПП sv30-40 (2WD)
СообщениеДобавлено: 30 июн 2011, 14:07 
Не в сети
местный модератор
Аватара пользователя

Зарегистрирован: 12 фев 2009, 04:00
Сообщения: 7539
Тем: 100
Откуда: Хабаровск
Блог: Посмотреть блог (6)
Машина: Toyota Vista Ardeo
О машине: серебристая с ресничками
Репутация: 1791
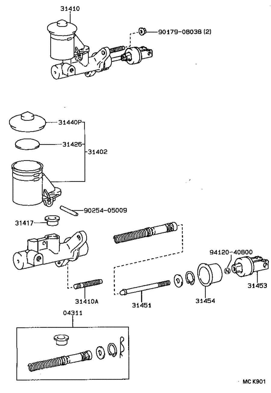
вот ТУТ дромовцы передлывали АКПП на МКПП на висте v30.

Для этого нужно:
1. МКПП под двигатель
2. 2 троса от рычага до МКПП
3. педальный узел сцепления
4. гидравлика на сцепление со всеми хомутами и трубками.
5. узел рычага с внешней панелькой и чехлом коряги
6. изменения в косе от компутера (чтоб комп не искал АКПП)
7. падушки новые по пути ставить
8. ...


Вложения:
педальный узел для комплектации с МКПП v32-33.jpg
педальный узел для комплектации с МКПП v32-33.jpg [ 121.59 КБ | Просмотров: 8274 ]
2 педальный узел для комплектации с МКПП v32-33.jpg
2 педальный узел для комплектации с МКПП v32-33.jpg [ 77.37 КБ | Просмотров: 8274 ]
3 целиндр сцепления для комплектации с МКПП v32-33.jpg
3 целиндр сцепления для комплектации с МКПП v32-33.jpg [ 116.38 КБ | Просмотров: 8274 ]
4 блок рычага для комплектации с МКПП v32-33.jpg
4 блок рычага для комплектации с МКПП v32-33.jpg [ 111.64 КБ | Просмотров: 8274 ]
4 целиндр сцепления для комплектации с МКПП v32-33.jpg
4 целиндр сцепления для комплектации с МКПП v32-33.jpg [ 80.73 КБ | Просмотров: 8274 ]
5 механизмы рычага КПП для комплектации с МКПП v32-33.jpg
5 механизмы рычага КПП для комплектации с МКПП v32-33.jpg [ 159.94 КБ | Просмотров: 8274 ]

_________________
--------------------------------------------------
トヨタ ビスタアルデオ / VISTA ARDEO SV55G - BWSGK 4.2000, N200G, 3S-FE, 4WD, navi, ...
--------------------------------------------------
Вернуться к началу
 Профиль  
Ответить на тему 
 Заголовок сообщения: Re: Замена АКПП на МКПП sv30-40 (2WD)
СообщениеДобавлено: 13 мар 2012, 16:55 
Не в сети
Начинающий
Начинающий

Зарегистрирован: 13 мар 2012, 16:32
Сообщения: 3
Машина: Toyota Vista
О машине: SV-30 4S FE
Репутация: 0
Подскажите а при замене АКПП на Мех.коробку привода остаются теже? А/м Виста SV-30 4S FE....


Вернуться к началу
 Профиль Отправить email  
Ответить на тему 
 Заголовок сообщения: Re: Замена АКПП на МКПП sv30-40 (2WD)
СообщениеДобавлено: 18 апр 2012, 16:30 
Не в сети
Специалист
Специалист
Аватара пользователя

Зарегистрирован: 15 дек 2009, 04:00
Сообщения: 119
Тем: 16
Откуда: НСО Колывань
Репутация: 0
привода другие

_________________
VISTA SV40 96г.в. 4S-fe BTPMK Etoile
Изображение


Вернуться к началу
 Профиль  
Ответить на тему 
 Заголовок сообщения: Re: Замена АКПП на МКПП sv30-40 (2WD)
СообщениеДобавлено: 07 июл 2013, 00:57 
Не в сети
Специалист
Специалист
Аватара пользователя

Зарегистрирован: 23 июн 2011, 23:05
Сообщения: 425
Тем: 14
Откуда: Воронеж
Машина: Toyota Camry
О машине: sxv10
Репутация: 115
Добавлю от себя.поменял а140е на меху s51.комплект собирал по отдельности.вышло 13500 рублей.
1.левая подушка слегка дорабатываеться
2.кронштейн задней другой,колхоз или искать родную
3.привода родные
4.главный сцепления от карины е но чтобы был с косым креплением.
5. тросы от карины 170
6.шланг на сцепу (Blue Print ADT353178)я себе такой поставил.

делалось всё на земле вдвоём .вчера вечером начали,сегодня вечером уже катался,с учётом того что пол дня городил кронштейн подушки и тросы прокладывал.педаль сцепы установил заранее.итого 1.5 дня на установку.


Вернуться к началу
 Профиль Отправить email  
Ответить на тему 
 Заголовок сообщения: Re: Замена АКПП на МКПП sv30-40 (2WD)
СообщениеДобавлено: 07 июл 2013, 07:56 
Не в сети
местный модератор
Аватара пользователя

Зарегистрирован: 12 фев 2009, 04:00
Сообщения: 7539
Тем: 100
Откуда: Хабаровск
Блог: Посмотреть блог (6)
Машина: Toyota Vista Ardeo
О машине: серебристая с ресничками
Репутация: 1791
как бы не помешали бы ваши фоты процесса...))

как обошлись с компом, косой? Индикация передач, задний ход....все подключили?

_________________
--------------------------------------------------
トヨタ ビスタアルデオ / VISTA ARDEO SV55G - BWSGK 4.2000, N200G, 3S-FE, 4WD, navi, ...
--------------------------------------------------


Вернуться к началу
 Профиль  
Ответить на тему 
 Заголовок сообщения: Re: Замена АКПП на МКПП sv30-40 (2WD)
СообщениеДобавлено: 07 июл 2013, 15:38 
Не в сети
Специалист
Специалист
Аватара пользователя

Зарегистрирован: 23 июн 2011, 23:05
Сообщения: 425
Тем: 14
Откуда: Воронеж
Машина: Toyota Camry
О машине: sxv10
Репутация: 115
при работе глюков нет но иногда подмаргивает од офф


Вложения:
Безымянный.png
Безымянный.png [ 12.52 КБ | Просмотров: 7379 ]
Вернуться к началу
 Профиль Отправить email  
Ответить на тему 
 Заголовок сообщения: Re: Замена АКПП на МКПП sv30-40 (2WD)
СообщениеДобавлено: 07 июл 2013, 16:31 
Не в сети
местный модератор
Аватара пользователя

Зарегистрирован: 12 фев 2009, 04:00
Сообщения: 7539
Тем: 100
Откуда: Хабаровск
Блог: Посмотреть блог (6)
Машина: Toyota Vista Ardeo
О машине: серебристая с ресничками
Репутация: 1791
краткость сестра таланта...))

_________________
--------------------------------------------------
トヨタ ビスタアルデオ / VISTA ARDEO SV55G - BWSGK 4.2000, N200G, 3S-FE, 4WD, navi, ...
--------------------------------------------------


Вернуться к началу
 Профиль  
Ответить на тему 
 Заголовок сообщения: Re: Замена АКПП на МКПП sv30-40 (2WD)
СообщениеДобавлено: 07 июл 2013, 16:40 
Не в сети
Специалист
Специалист
Аватара пользователя

Зарегистрирован: 23 июн 2011, 23:05
Сообщения: 425
Тем: 14
Откуда: Воронеж
Машина: Toyota Camry
О машине: sxv10
Репутация: 115
и ещё.дистанционные пластины которые стояли на автоматном маховике не ставим,просто прикручиваем маховик к коленвалу.фоток процесса не делал,не до него было.да и в мануале всё подробно описано.


Вернуться к началу
 Профиль Отправить email  
Ответить на тему 
 Заголовок сообщения: Re: Замена АКПП на МКПП sv30-40 (2WD)
СообщениеДобавлено: 07 июл 2013, 21:34 
Не в сети
местный модератор
Аватара пользователя

Зарегистрирован: 12 фев 2009, 04:00
Сообщения: 7539
Тем: 100
Откуда: Хабаровск
Блог: Посмотреть блог (6)
Машина: Toyota Vista Ardeo
О машине: серебристая с ресничками
Репутация: 1791
мануал есть?...не помешало бы заиметь, а то во всех книгах раздел МКПП отсутствует.

_________________
--------------------------------------------------
トヨタ ビスタアルデオ / VISTA ARDEO SV55G - BWSGK 4.2000, N200G, 3S-FE, 4WD, navi, ...
--------------------------------------------------


Вернуться к началу
 Профиль  
Ответить на тему 

Показать сообщения за:  Поле сортировки  
Начать новую тему Ответить на тему

 [ Сообщений: 15 ] 





* Поиск по сайту Вверх Вниз

Кто сейчас на конференции

Сейчас этот форум просматривают: нет зарегистрированных пользователей и гости: 0


Вы не можете начинать темы
Вы не можете отвечать на сообщения
Вы не можете редактировать свои сообщения
Вы не можете удалять свои сообщения
Вы не можете добавлять вложения

Найти:
Перейти:  
Текущее время: 08 май 2026, 16:06
Часовой пояс: UTC + 7 часов
Powered by phpbb. (c) VistaClub.ru.    * Статистика