Озадачился созданием ДХО из противотуманок, почитав азбуку от автодаты решил сделать так :
питание взять от блока управления кондиционером и последовательно врезаться в провод идущий на лампу (Вывод С8 самая правая фишка)
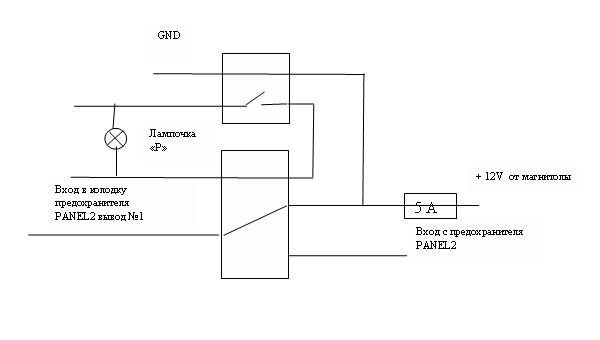
управлением реле противотуманок сделать через предохранитель PANEL2 нога 1
И самое главное на всякий случай чтобы схема была отключаемой полностью.
натурные испытания показали что:
1 питание подается постоянно, пришлось переделать на магнитолу.
2 последовательно включенное реле работало нормально пока не были включены габариты, хех придется лезть к самим лампочкам и подключать 1 реле  параллельно. А холодно млин  

 .
В качестве кроватки хорошо подходит штекер питания АТ блока питания, ну а в качестве штекера слегка доработанный разъем питания с АТэшной мамы.
Теперь собственно алгоритм работы и схема:
При включенном питании и горящей лампе Р противотуманные фары не работают или работают если включены габариты , т.е. работает как обычно.
Если же лампа Р не горит(а не горит еще она когда ключ повернут на АСС) врубаются противотуманки.
схема достаточно проста и описна во вложениях.